Fórum témák
» Több friss téma |
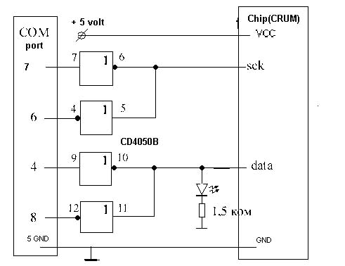
A neten talált chip resettelőt szeretném megépíteni és ebben kérném a segítségeteket, mivel igazából semmi közöm az elektronikához, de rajz alapján nem tűnik bonyolultnak a dolog:
Szerintetek egy egyszerű halandó képes erre? Vagy tudtok nekem segíteni benne? Ellőre is köszönök mindent.
Nem ezzel van a nagyobb baj, hanem a tartalommal, amit bele kellene rakni a chipbe. Na aztat osztán honnan?
Ezt úgy érted, hogy a cd4050b- abba kellene belerakni valamit?
Kérdés, hogy egy ilyen kábelt milyen öszegből lehetne kihozni.. soros csati 50ft, ellenálások 15-20 Ft darabja. 4 db krokodil csipesz 50ft-db-ja a többivel nem vagyok tisztában.. Te tudnál benne segíteni, hogy mi kell még hozzá?
A CD4050 nem nyitott kollektoros meghajtó, az I2C buszra nyitott kollektoros kell. A PC COM prortja RS232 szabvány szerint működik, azaz a jelszintek: Logikai 1 - -3.. -12V között, a logikai 0: +3 .. +12V között van. A fogadó kapuk bemeneteit meg kell védeni a negatív feszültségektől, a COM portot meghajtó kapuk kimenetét feszültség illesztővel kell ellátni, hogy a megfelelő feszültségeket adják ki.
Csak 1645x uarttal felépített com porton van valami remény a működésre, USB - uart konverter megváltoztatja az időzítéseket.
A CD4050-be max egy 8-as fúrót lehet belerakni.
Nem, a nyomtató kazetta eepromjába kell a belevaló nullás csaomag. Na ezt honnan?
Végre egy olyan hozzászólás amiből értek valamit..
Szóval a kazetta chip eeprom tartalom a legkevesebb, mivel azt ki lehet olvasni egy másik még működő eepromból, illetve neten is letőlthetők ezek.. Kérdés, hogy ezt az egész dolgot össze lehet e rakni pár forintból, vagy nem érdemes vacakolni vele, mert vagy van olyan buktató amiért nem fog menni, vagy vegyek készen ilyet 15.000 Ft-ért van a neten.. Szóval?
Szóval:
Ez az egész nem más, mint eeprom írás. Kell hozzá az ámítógépen egy pogram, pl: ponyprog. Kell a hozzávaló hardware. Ez nem sok, letölthető a netről. A chipbe való tartalom a problémásabb. Nem minden chip írható felül, mert van amelyik egy idő után írásvédett lesz. Van amelyik nem eeprom csak, hanem egy controller. Az már bajosabb. Tehát ez csak egyedi probléma megoldással kivitelezhető, és feltételez némi sok elektronikai ismeretet. Univerzális megoldás nem létezik.
Tudom, kicsit régi hozzászólások vannak ebben a témában, de én most futottam bele ebbe a problémába.
Nos, vettem egy Xerox Phaser 6125 nyomtató (használtan), amelyben természetesen a fekete toner behelyezése után kiírja, hogy érvénytelen toner. Olvastam, létezik Chip resetter, de az internetet böngészve csak resettelt chip-t találtam. Igaz, találtam egy fajta kapcsolási rajzot és némi leírást is, itt: Bővebben: Esetem az utángyártott Xerox tonerekkel Elméletileg az ott melléklet SMD kapcsolás megépítésével nem is nagyon van gondom, hanem inkább magával az Attiny45 IC-vel, mivel én olyant a PICKIT-l nem tudok írni (legalább is nem tudok róla, hogy lehetséges). Kérdésem hozzátok: létezik esetleg valamilyen más resetter vagy más megoldási lehetőség a chip újrafelhasználására ehhez a típusú nyomtatóhoz? |
Bejelentkezés
Hirdetés |











