Fórum témák

» Több friss téma
Fórum » Toroid transzformátor
 
Témaindító: amex, idő: Jan 3, 2006
Témakörök:
Lapozás: OK   59 / 100
(#) ferci válasza holex hozzászólására (») Feb 17, 2015 /
 
Szia.. ezt a kérdést a rádióamatőrök topikjában kellene feltenned, de ott se úgy, hogy előtte mindent le kell érte tölteni, stb...
Miért nem egy rajzrészletet mutatsz azzal a toroiddal? ( .. megnéztem.. )
Egyébként ILYEN illesztőtrafónál teljesen mindegy az irány.
A hozzászólás módosítva: Feb 17, 2015
(#) zoka hozzászólása Feb 24, 2015 /
 
Sziasztok!
Van egy 2 szekunderes toroid (2x30VAC). Nekem 1x30 VAC kell.
Én mindkét szekunder ágat külön-külön ellátnám 1-1 Graetz-híddal és puffer kondikkal, majd a legvégén összekötném a puffer kondikat (+/+ és -/-).
Ez így jó megoldás?
Arra gondolok, hogy a 2 ág nem teljesen egyforma sosem, mondjuk az egyik 40,1 a másik 40,6V DC, de mivel egyforma fázissal tölti a kondikat, akkor az a 0,5V különbség nem fog gondot okozni? A kondikon mérhető közös feszültség 40,6 lesz a példa szerit?

Vagy kössem párhuzamosan a szekunder tekercseket? De így csak 1 hidat tudok használni és nagyobb terhelést kap a híd.
A hozzászólás módosítva: Feb 24, 2015
(#) steelbird válasza zoka hozzászólására (») Feb 24, 2015 /
 
Isten ments, hogy párhuzamosan kösd a két tekercset!
Egyenirányítás után összeköthető a két tekercsről kapott egyenfeszültség.
(#) zoka válasza steelbird hozzászólására (») Feb 24, 2015 /
 
Húha, még jó, hogy megkérdeztem.
Akkor maradok az eredeti tervemnél a 2 Graetz, pufferek és utána összekötés.
Így legalább fele annyira melegszik 1 híd.
(#) steelbird válasza zoka hozzászólására (») Feb 24, 2015 /
 
Miért nem kétutas egyenirányítót csinálsz?
Itt a rajzok között a második képen látható: link
Nem kell hozzá két Graetz, csak két dióda.
A hozzászólás módosítva: Feb 24, 2015
(#) zoka válasza steelbird hozzászólására (») Feb 24, 2015 /
 
Hát már van 2db hidam, és így nem kellene mást venni. Vagy a 2 dióda jobb megoldás?
(#) Alkotó válasza zoka hozzászólására (») Feb 24, 2015 /
 
Fogalomzavar van és Stelbird-el alapvetően nem értek egyet.
1. Neked 1x30V AC kell, legalábbis ezt írod. Ehhez egyáltalán nem kell semmilyen diódahíd és puffer, mert ez AC váltakozó feszültséget jelent.
2. Függetlenül az előző ponttól, egy transzformátor azonos menetszámú tekercseit minden további nélkül párhuzamosan lehet kötni. Két egyforma terhelhetőségű tekercset feltételezve, a párhuzamos kötéssel duplázódik a kivehető teljesítmény.
3. Ha mégis egyenirányítani illetve pufferelni kell (akkor már DC 40V körüli feszültségről beszélünk). Ha a graetz terhelhetősége megfelelő, akkor ehhez elég 1 diódahíd és a párhuzamos pufferek.
(#) steelbird válasza Alkotó hozzászólására (») Feb 24, 2015 /
 
Pár tized volt eltérés esetén is már párhuzamosításkor egymásra dolgozik a két tekercs szerintem és melegedni fog a trafó. Az, hogy mennyire, az a különbségtől függ majd.
Eltérő feszültségű, kis belső ellenállású áramforrásokat tudtommal direktben nem párhuzamosítunk. Én nem tenném legalábbis.
A problémáját pedig szerintem egyértelműen leírta, én úgy gondolom. 1*30V AC -t szeretne a két 30V -os szekunder tekerccsel megoldani. Az már az ő dolga, miért így szeretné.
A hozzászólás módosítva: Feb 24, 2015
(#) zoka válasza Alkotó hozzászólására (») Feb 24, 2015 /
 
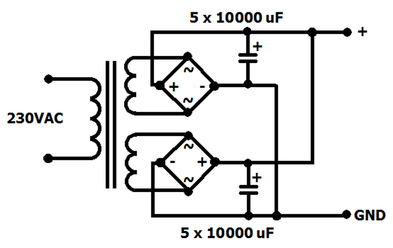
Szia! Nekem nem az AC a lényeg, hanem a DC. Végeredményben van 2 szekunder tekercsem egy ugyanazon toroidon 2x30VAC. Feltételezem, hogy azonos menetszámmal, stb...És a lényeg, hogy 1x40V körüli DC-m legyen ebből. Mivelhogy megvan a 2 diódahíd, én mindkettőt felhasználnám, hogy kényelmesebben töltse a 100000µF puffert. Úgy oldom meg, ahogy az ábrán.
Remélem jó lesz.

trafo.png
    
(#) Alkotó válasza zoka hozzászólására (») Feb 24, 2015 /
 
Kötheted így, jó lesz.
Steelbirdnek csak az
Idézet:
„Isten ments, hogy párhuzamosan kösd a két tekercset!”

Mondatával nem értek egyet, egyébként jó tanácsokat adott.
Nem tudom mi a végcél, de nehezen tudok olyan terhelést elképzelni, ami 100 ezer µF puffert igényelne. Van egy ésszerű határ, aminél több puffer már semmit nem jelent, csak útban van.
(#) pucuka válasza Alkotó hozzászólására (») Feb 24, 2015 / 1
 
Azért én is óvatos lennék a párhuzamba kötésekkel. Nem csak a feszültségeknek kell megegyezniük, a belső ellenállásaiknak is. Ez többé kevésbé csak a párhuzamos szállal tekert szekunderekre igaz. Ott már elég kicsi lehet az eltérés. Mindenesetre alapos megfontolást igényel a dolog, nem szerencsés egy kezdőnek mint tuti megoldást ajánlgatni.
A 100 000 µF meg remélem vicc, vagy valami kiállításra készül. Technikailag teljesen indokolatlan, ráadásul meg ha kinyiffannak az egyenirányító diódák, akkor meg jön a hamis diódák összeesküvés elmélet.
(#) zoka válasza pucuka hozzászólására (») Feb 24, 2015 /
 
Da ha a trafó 2 szekunder tekercses, ahhoz, hogy ki tudjam venni a névleges teljesítményét, mind a 2 tekercset használni kell, nem? Vagy teszem fel van egy 400W trafó, akkor az akár 1 szekunderen is ki tudja adni ezt a teljesítményt, ha a másikon nincs terhelés?
(Amúgy 2x50A KBPC nehezen nyiffan ki szerintem)
100e µF erősítőbe lenne.
A hozzászólás módosítva: Feb 24, 2015
(#) pucuka válasza zoka hozzászólására (») Feb 24, 2015 /
 
Általában nem a gombhoz varrjuk a kabátot. Egy trafót mindíg egy adott feladat ellátásához készítjük, Ezért boltban csak általános, gyakrabban előforduló feladatokra készült trafókat lehet kapni. Ha ettől eltérnek az igényeid, akkor készíte(tet)ni kell, vagy az igényeidet igazítod a meglevőhöz. A szekunderből kivehető teljesítményt a huzalkeresztmetszet korlátozza. Ez a trafó eredetileg egy kettős táphoz készült.
Az induló rövidzárási áramot kiszámolhatod, ha a szekunder tekercs feszültségének csúcsértékét elosztod a szekunder tekercs mért egyenáramú ellenállásával. Mert ez fogja csak korlátozni a kondibank töltőáramát. Az egyenirányítódnak a max egyszeri csúcsáram bírása 300 A körül van, és azért ennél jóval alacsonyabb áramot engedhetsz meg, ha nem szeretnél, hogy minden tizedik, huszadik bekapcsolás után hidat kelljen cserélned.
De miféle erősítő az, aminek ekkora kondibankra van szüksége? Ha nagyon nagy teljesítményű, akkor úgyis dupla tápos. Minden erősítőnek van tápfeszültségről érkező változásokkal szembeni elnyomása, nem is kevés. Ha meg mindez kevés, (biztos elvégezted a megfelelő számításokat) akkor inkább puffer akkumlátort kéne használni.
(#) reloop válasza zoka hozzászólására (») Feb 24, 2015 /
 
Szia! Lehet volt már, de nem találom. Mit fog ez a trafó táplálni?
(#) Ge Lee válasza zoka hozzászólására (») Feb 24, 2015 / 1
 
Nyugodtan párhuzamosan kötheted a két tekercset. Biztos hogy sem az ellenállásuk, sem a szórási induktivitásuk nem pontosan egyforma, de ez nem fog a használat során gondot okozni. De próbáld ki, kösd össze, tegyél rá egy jó nagy terhelést és meglátod.
(#) pucuka válasza Ge Lee hozzászólására (») Feb 24, 2015 /
 
Persze, gányolni mindíg lehet, aztán jöve a csodálkozás, meg a siránkozás, meg az érthetetlen jelenségek.
(#) Ge Lee válasza pucuka hozzászólására (») Feb 24, 2015 /
 
A PC-mben (meg máséban is) 3-3 tekercs van párhuzamosítva az 5V-os ágon, de nem siránkozom miatta... Egyébként ki kell próbálni (én néhányszor már megtettem), a két dolog egész jól kompenzálja egymást a hagyományos trafón is. A kívül lévő tekercsnek lesz nagyobb az ellenállása, és ugyanúgy a szórása is.
(#) steelbird válasza Ge Lee hozzászólására (») Feb 24, 2015 /
 
Idézet:
„A PC-mben (meg máséban is) 3-3 tekercs van párhuzamosítva az 5V-os ágon”

Igen, és egyszerre, összefogva vannak tekercselve, ami a toroidnál nem valószínű.
De a puding próbája az evés, az majd úgyis eldönt mindent...
A hozzászólás módosítva: Feb 24, 2015
(#) zoka válasza pucuka hozzászólására (») Feb 24, 2015 /
 
Lágyindítót használok majd, ami segít a helyzeten. Nem ragaszkodom ekkora pufferhez, csak frissíteni akarom a régi kondikat és alig kerül többe 10db mint 6... A trafó sajnos már megvan, de egy új nagyon drága lenne. Éveken át egy erősítőben volt, kettős tápként 40e µF-ről lágyindító nélkül hibátlanul ment. Tehát sajnos a 400W trafó adott, ezért azt gondoltam, hogy a puffer mező legyen legalább tisztességes, de akkor beteszek csak 60 vagy 80 ezer µF-et, ami azért hirtelen rövid idejű terheléseknél hasznos lehet.

Az erősítő 8 csatornás (főleg házimozihoz kell), kapcsolóüzemű, szimpla tápos, összteljesítmény (Légyszi ne akadjatok ki) 2400W színusz 1kHz-en 4 Ohm-on. Ha totálisan ki kellene használni, akkor 3kW tápot kellene vennem, ami szinte megfizethetetlen. Ezért inkább nem veszek semmit, egyenlőre jó lesz ez a trafó, mert én csak néhány 10W-on fogom használni, szobahangerőn. Erről a 400W tápról már próbáltam, 1 szekunder tekercsről is elviselhetetlenül hangos! Házimozi persze más tészta, ott nem egyszerre ordít minden csatorna, a legtöbb energia a mélyeknek kell. Amúgy a gyári készülékeknél is megadják úgy a kimenő teljesítményt, hogy például 7 x 170W, de úgy értik, hogy 170W 1 csatornán hajtva, mert jócskán alulméretezik a tápokat. De komolyan mondom, összhatásban nagyon durva erről a tápról is.
A hozzászólás módosítva: Feb 24, 2015
(#) reloop válasza zoka hozzászólására (») Feb 24, 2015 /
 
Végre egy kis információ A 30V hídban 4ohm-ra legfeljebb 70W-ot ad le. Mint azt helyesen is látod nem kell minden csatorna együttes maximális teljesítményével számolni, ezért a trafód szerintem kényelmesen elég lesz, azaz még langyosodni sem fog.
Feltéve, de meg nem engedve a nyolc csatorna együttes kerekítve 600W-os teljesítményét, az 20A áramfelvétel jelent, amit AB osztályra jellemző (lehet, hogy kapcsolóüzemű végfokod van) veszteséggel kiegészítve elmehet egész 30A-ig. Ez a szélsőséges igénybevétel az 1000µF/ 1A általános pufferméretezési szabály szerint 30000µF összkapacitást igényel.
Mindezt azért jegyeztem le, hogy érzékeld a 100000µF feletti megrökönyödést
(#) zoka válasza steelbird hozzászólására (») Feb 25, 2015 /
 
Ahogy visszaolvastam a hozzászólásokat, már nem vagyok biztos, hogy a 2 graetz jó megoldás. Itt a linken van ez a 2 utas egyenirányítás, ez egészen jónak tűnik, mert az egyik tekercs az egyik félperiódust adja, a másik a másikat. Nem tud egymás ellen dolgozni a 2 tekercs. Igaz?
Azt írja, hogy a trafó nincs előmágnesezve ebben az esetben. Az gond?
A képen 3 kivezetés van, akkor a 2 szekunder 1-1 tekercsét össze kell kötni. De melyiket melyikkel?
Milyen dióda lenne jó ami sokszorosan túl van méretezve 400W trafóhoz? ( 2x30VAC)
(#) zoka válasza reloop hozzászólására (») Feb 25, 2015 /
 
Csakhogy a 30V az AC! Tehát a DC 40-42V körül fog mozogni. Maga az erősítő 50VDC-t bír és ekkor tud leadni BTL-ben 300W-ot 10%THD mellett 4 Ohm-ra 1kHz szinusszal. Ekkor 35W a disszipáció, a chip kb. 88% hatásfokkal dolgozik. Teljes kihasználtság mellett ilyen 40VDC tápfesznél kb. 1600W trafó kéne...
(#) steelbird válasza zoka hozzászólására (») Feb 25, 2015 /
 
Sorba kell kötni a két tekercset kétutas egyenirányításnál úgy, hogy a két szélső pont között 60V AC -t mérj.
A közös pontjuk a GND, a másik kettőről pedig leveszed a pozitívat a diódákkal.
Diódának használd a meglévő Graetz felét. Az már megvan, azt mondtad.

Kétutas egyenirányításnál félhullámonként váltakozva van terhelve a két tekercs, egyiken csak a pozitív, másikon csak a negatív periódusokban folyik az áram.
(#) zoka válasza steelbird hozzászólására (») Feb 25, 2015 /
 
Köszönöm, akkor ez lesz a jó megoldás, az a cikk is a kétutas egyenirányítást javasolja, ha 2 szekunder tekercs van. Én azért nézek valami diódát külön.
(#) zoka hozzászólása Feb 25, 2015 /
 
A kétutas egyenirányítást hogy lehet 2 grtaetz híddal megoldani? Mellékeltem egy ábrát, itt csak 1-1 dióda van felhasználva a hídból. Gondolom nem lehet jobban kihasználni hogy a maradék 3-3 dióda ne vesszen el?
(A képen véletlenül felcseréltem a ~ és a +, lényeg hogy a hídból 1 dióda van bekötve megfelelő irányban)
A hozzászólás módosítva: Feb 25, 2015

2utas.png
    
(#) steelbird válasza zoka hozzászólására (») Feb 25, 2015 /
 
Khmm.... minek kell kettő??
Ha mindenképpen használni akarod mindkettőt, akkor kösd párhuzamosan őket.
De nem lesz dupla a terhelhetősége, valamelyik dióda mindig hamarabb fog nyitni a másiknál.
A hozzászólás módosítva: Feb 25, 2015

Ketutas.JPG
    
(#) zoka válasza steelbird hozzászólására (») Feb 25, 2015 /
 
Hú, hát tényleg 1 is elég, így már az ábra szerint leesett
Így lesz a jó, és azon se kell aggódni hogy a 2 tekercs közötti fesz eltérés egymás ellen dolgozik, mivelhogy itt felváltva töltik a pufferkondit, nem pedig egyszerre...
Köszi szépen!
(#) steelbird válasza zoka hozzászólására (») Feb 25, 2015 /
 
Semmiképpen nem tudnak egymásra dolgozni a tekercsek, mert nem azonos félhullámban nyitnak a diódák és mikor az egyik nyitva van, akkor a másikon keresztül záróirányban visszafelé nem mehet áram annak a tekercse felé. (Elméletben... Gyakorlatban egy nagyon kicsi mindig csordogál, záróirányban is, de az teljes mértékben elhanyagolható.)
Viszont a diódáknak legalább dupla feszültségűeknek kell lenniük! Minimum 80V
A hozzászólás módosítva: Feb 25, 2015
(#) P_Laszlo válasza steelbird hozzászólására (») Feb 26, 2015 /
 
Viszont dupla hűtőfelület. Az is lényeges egy bizonyos áramerősség után. De tényleg nem biztos, hogy kell most ide.
(#) zoka válasza steelbird hozzászólására (») Feb 26, 2015 /
 
Egy ilyen 50A 1000V Graetz bőven elég kell hogy legyen (ezek akár 500A-t is le tudnak kezelni 1 ciklusnyi váltóátramig az adatlapok szerint), akár 100e µF-hez is elég lenne. De akkor nem teszek 100-at.
A hozzászólás módosítva: Feb 26, 2015
Következő: »»   59 / 100
Bejelentkezés

Belépés

Hirdetés
XDT.hu
Az oldalon sütiket használunk a helyes működéshez. Bővebb információt az adatvédelmi szabályzatban olvashatsz. Megértettem