Fórum témák
» Több friss téma |
Sziasztok! Csináltam (a haverommal), egy aksis erősítőt. Az a kár benne, hogy csak +/- 12 v-ról megy. Így nem nagyon lehet hallgatni olyan rendesen, nem lehet kiszedni jó nagy hangot belőle. Halottam olyan megoldásról, hogy ugye van a két hangfrekvenciás jel. Ha azok együtt "mozognak" akkor mindig cak egy bizonyos feszültséget lehet mérni. Ebben az esetben max 12 voltot. De ha az egyiket "megfodítjuk", és ellentétes írányba "mozognak", akkor akár max. 24 v-ot is tudunk mérni a hangszórón. Halottam trafós megoldásról is, de ehhez hozzáfűzték, hogy nem jó a veszteségek miatt, meg stb. Szóval mondták nézzek utánna ennek a megoldásnak. Rátok gondoltam kedves elektronika mesterek. Szóval kéne nekem egy ilyen kapcsolás. Előre is köszönöm a válaszokat :worship:
gondold át újra
amúgy hídkapcsolásnak hívják de kicsit másképp működik mint ahogy felvázoltad szerintem inkább a tápot kéne variálni
Ha a hangszórót hídkapcsolásba hajtod meg akkor elvileg tápfesztől tápfeszig, tehát koppanásig ki lehet vezérelni.
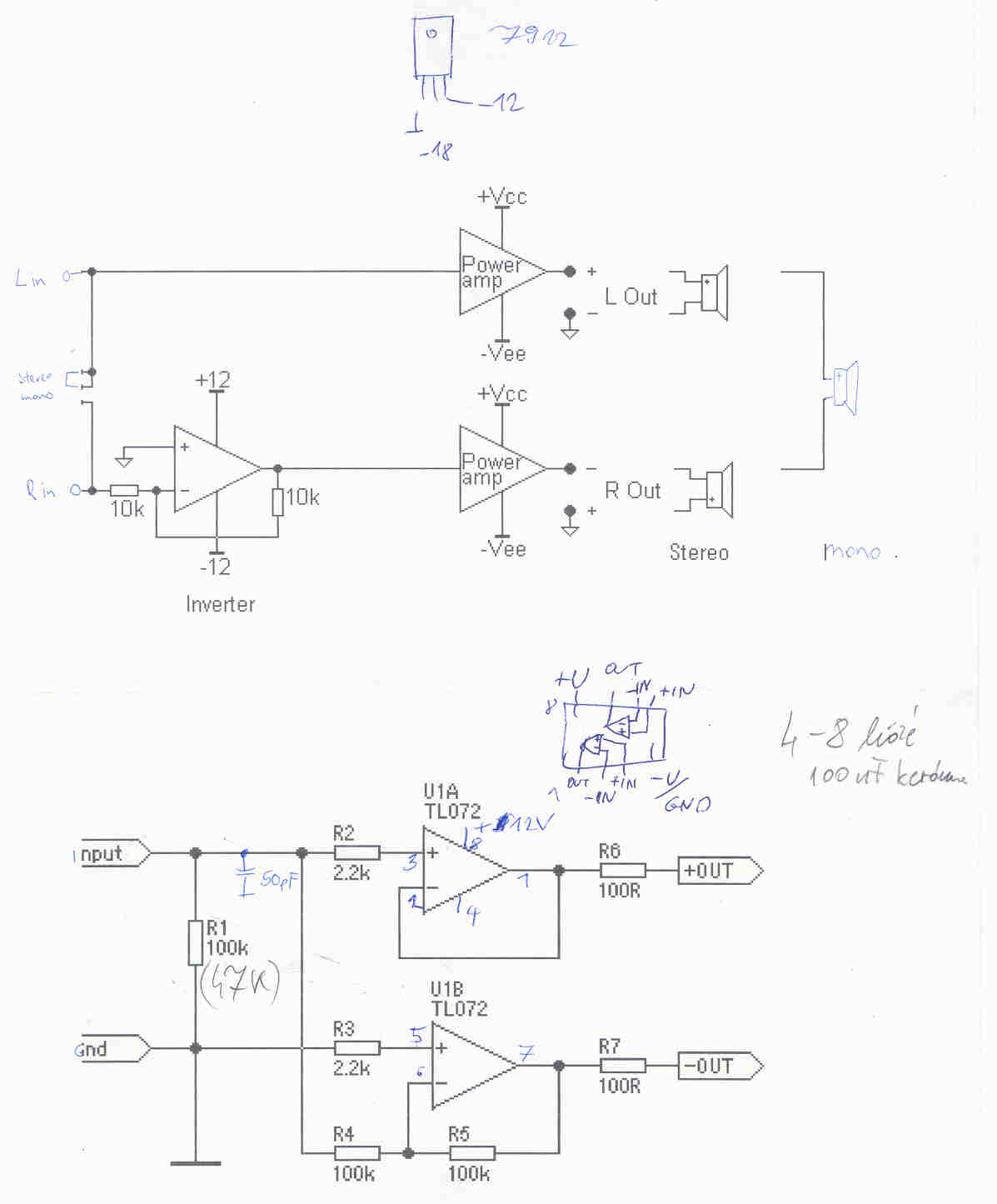
A hídkapcsoláshoz két fokozat szükséges, és a kettőt és ellenfázisban kell meghajtani. Ha a tápfesz +-12V akkor az egyik fokozat pl. lehúzza a hangszóró egyik végét -12V ra, a másik pedig felhúzza +12V-ig, akkor elvileg a hangszórón 24V van. A tranzisztoros fázisforditó helyett inkább műveleti erősítőset ajánlanék, mivel a tranzisztorosat komplikáltabb munkapontba állítani, hőmérsékletváltozásra más lesz az erősítése stb. Keresek egy rajzot...
Igen, igen pontosan erre gondoltam. Csak nem tudom létetik e 50 w-os műveleti erőstíő. Vagy esetleg így kell (lerajzoltam). Ha így kell akkor lécci ondjatok igent
Itt egy elvi rajz a hídkapcsolásról
Megpróbálom ezt is. De amit én csináltam az elvileg jó?
Hát elvileg jó, csak a műveleti erősítőket vissza kell csatolnod, mert így önmagában négyszögesíti a hangfrekvenciás jelet, ami nagyon torz túlvezérelt hangot eredményez...
Ja igen. Azt ki is felejtettem a rajzból, de bele akartam rajzolni. Hálásan köszönöm.
Találtam egy adatlapon az ic belső felépítését ábrázoló rajzot a 3. oldalon, ami szemlélteti a hídkapcsolást:
http://cache.national.com/ds/LM/LM4873.pdf
Hali!
Szerintem érdemes volna kifejezetten erre a célra gyártott ic-kel próbálkozni. Vannak kifejezetten "autós" végfokok amik a szabványos 14,4V-on is képesek kielégítő teljesítményt nyújtani. Pl. itt a TDA7375. Ez akkumulátorról üzemeltetve 4x12W/2ohmon vagy 2x24W/4ohmon. Autórádiókban előszeretettel alkalmazzák, kb 900huf. Két TDA, mindkettő hídban így 4x24W/4ohmot tudnak. Körülbelül ez az a max. teljesítmény amit 14,4V-on el lehet érni. Az autós végfokok, amik több száz watt teljesítményt nyújtanak kicsit más elven működnek. Ott a tápfeszültséget "turbózzák" fel és így érik el a nagyobb teljesítmény! Így a határ a csillagos ég! Megpróbálok majd feltenni egy gyári kapcsolást erről ha érdekel???
Ja, a fájlok lemaradtak!
Bocsesz!
Szevasztok!
Segítséget kérnék a bandától Van egy fázisfordítóm és azt szeretném elérni,hogy az erősítése ne 1x-es legyen hanem a kimeneten dupla akkora legyen a jel tehát 2x-es! Melyik ellenállások értékét modósítsam,hogy ezt megkapjam...
Szerintem az R5-ön, de adatlapban biztos benne van.
U1A erősítőnél is kell két ellenállás. A felső rajznál egy erősítő. A számolás alul, csak a erősítés beállításra tehát a áramkőrbe továbbra is kell az alsó rajz ellenállásai. (R1,R2,R3,R6,R7)
R4 kiindulás ebből határozd meg a R5. Az a két ellenállás amit U1A -hoz be kell raknod az egyik 100K legyen és a test meg a negatív bemenet közé tedd. A negatív és a kimenet közé, számold ki, és azt tedd be. üdv.
Hello!
4x14Watt az kielégítő teljesítmény? :no:
Ez a hídkapcsolás engem is érdel.Szerintetek ez jó minőségű erősítő lehet?kép. Leírás és itt találsz többet is erősítő modulok A 300Wattosból hídbakötve lehetne csinálni 2X600Wattost, egy panel 8800Ft megépítve(panelraforrasztva) Szerintetek ilyet éri meg csinálni vagy venni gyárit?
|
Bejelentkezés
Hirdetés |














