Fórum témák
» Több friss téma |
Fórum » Univerzális tápegység
Témaindító: 20sz Jófiú, idő: Jún 20, 2008
Témakörök:
Sziasztok!
Univerzális tápegységet szeretnék építeni és ehez szeretném a segítségeteket kérnem. A tápegységet hálózati leválasztás nélkülire tervezem! A célom 12V 5A stabilizálatlan (egyenáram) kimeneti feszültség. Az univerzálison pedig azt értem, hogy kb. 15V egyenáramtól kezdve az egyenirányított, pufferelt hálózati bemeneti feszültségig működjön. Szerintetek ezt meg lehet oldani úgy, hogy közben ne melegítsen el több száz wattnyi tejesítményt? Előre is köszönöm! Pisti
Hello, meg lehet oldani, kis áramigénynél. Válassz egy nagyfeszültségű tranzisztort, abból egy emitterkövetővel meg lehet oldani a feladatot....Az áramigényedről nem írtál ...
Az áramigényem 5A. Igazából ez okoz igazi fejtörést. A maximális bemeneti feszültségnél kb. 325V mit kezdek a maradék 313V-nyi feszültséggel? Melegítsek el 1565W-nyi teljesítményt? Természetesen ez lenne a maximum, kisebb bemeneti feszültségnél ez csökkene. Lehet nem jól számoltam.
Azt úgy szokták megoldani,hogy az egyenirányító is szabályozva van /tirisztor/ , fázisszeleteléssel (folyási szög szabályzás.
5A, hoppá! Az én tudományom eddig terjedt, a kapcsolóüzemű meg haladó téma, igy én inkább most csak figyelnék..
![]() (Az én hasonló eszközöm egy "toroid" csúszkás autotrafó lenne, 2-240V, és az LM317 nagyfeszültségű párja, ami persze a stabilizált ágon messze elmarad a Te áramigényedtől.
Szerintem ekkora átfogást nem igazán tudsz csinálni, max ahogyan medve javasolta AC-vel.(bár én egy bemenő feszültségtől függö jelfogós megcsapolás váltást csinálnék ami felülről közelítené a bejövő értéket, ha az a bedugás után nem változik folyamatosan) Az smps-es gyári tápok is igazából min 85V AC ből előállítható DC vel indulnak.Ha ez érdekel akkor google SMPS erről elég részletel oldalak vannak (angolul) vagy itt a fórumon is találsz ezzel foglalkozó témát.
Üdv.!
Idézet: „- hálózati leválasztás nélkül - célom 12V 5A - stabilizálatlan (egyenáram)” Csak egy tippet tudok adni: Egyenirányítsd, lehetőleg csak félutasan a hálózati feszültséget, utána tegyél egy izmos kapcsoló elemet, mondjuk egy fetet. A fet utánra egy hatalmas elkót. A fetet egy 555-el hajtsd meg, aminek a kitöltési tényezője egy trimmerrel állítható. Utána a trimmert állítsd be úgy, hogy 12V legyen az elkón. Persze kell egy soros induktivitás és egy schottky is... Ez egy nagyon primitív, de stabilizálatlan megoldás. De lehet hogy már a váltakozó feszültséggel is lehetne játszani, ahol triak vagy tirisztor a kapcsolóelem. De akkor meg hatalmas szűrés kell... De biztos hogy leválasztás nélkül akarod a dolgot?! Üdv.: Attila
proba
Ezen már én is gondolkoztam ha más nem marad valószinűleg ilyet építek hacsak a sok kudarc kedvemet nem szegi. Attila86 A tápegységnek kb. 15VDC-325VDC bemenő feszültségig kellene működnie. Ha DC-ről működik akkor már AC-ról is fog. Nem tudom a Te konditöltős megoldásod ezt tudja? Ha igen tudnál szimulációt küldeni? Hálózati leválasztás nem kell.
A leválasztás nélküli tápegységet semmiképpen sem javaslom, ha az a hálózati feszültséggel galvanikus kapcsolatban lehet. Némi spórolás nem éri meg az esetleges életveszélyes áramütést.
No persze ha másra kell a kapcsolás, mert mondjuk valami szélsőséges kimeneti feszültségű forrásod van (pl. szélgenerátor) akkor szóba jöhet. De ez a 15...325V akkor is nagyon sok. Az a baj, hogy ekkora "lépcsőt" nemigen fog tudni egy step-down konverter (mert így hívják) . http://www.powerdesigners.com/InfoWeb/design_center/articles/DC-DC/...r.shtm Azért nem, mert ahhoz hogy már 15V-ról is működni tudjon megfelelően kis soros ellenállású fojtó és FET kell bele. Igen ám, de ha túl kicsi a fojtó, akkor nagy bemeneti fdeszültségnél iszonyú keskeny impulzusok kellenek, amit a félvezetőeszköz nem fog tudni teljesíteni. Ez egy jó hatásfokú, step down konverter, 24 ill. 48V-ra. Ez nem trafós. http://www.hvlabs.hu/inverter/step_down_48V.gif Több megoldás is van a problémára ha mindenképp széles tartomány kell. Én egy trafós megoldást csinálnék, félhíd kialakításban, amit annyival egészítenék ki, hogy a bemenő feszültségtől függően több lépcsőben kapcsolnám a primer tekercs leágazásait. (relével) Nem szép megoldás, de jó hatásfokú lehet.
Helló!
Rosco köszönöm! Mindig elfelejtem, hogy kezdők is olvashatják az oldalt! Mégegyszer: A galvanikus levélasztás nélküli készülékek minden fémes pontja hálózati feszültség alatt állónak tekintendő! Érintésük életveszélyes! Rosco! Következő ötletem támadt: mi lenne ha a lopótököd nem a feszültség minimumát figyelné hanem a maximumát! (ebből jött az ötlet) A bemenő egyenáram mindig csak 1-2V-ot töltene a kondin, a töltés gyakorisága (frekvenciája) pedig a terhelés nagyságától függne. Attila86 a Te tipped is ez lett volna? Szerintetek ez megoldható?
Igen, erre gondoltam.
Írtam is, hogy úgy kell belőni a kitöltési tényezőt, hogy a kondin a neked szükséges feszültség legyen. De ha már a kondi töltésének kitöltési tényezője (te frekvenciát írtál de az nem jó) függ a terhelés nagyságától, akkor ott már visszacsatolás keletkezik és ergo már szabályozásról beszélünk. Te pedig azt írtad hogy szabályozatlan tápot szeretnél. Ezért írtam hogy itt elég csak egy trimmerrel belőni a feszültséget. Egyébként ezt a módszert már kitalálta Skori, nézd meg az oldalán! Üdv.!
Sziasztok!
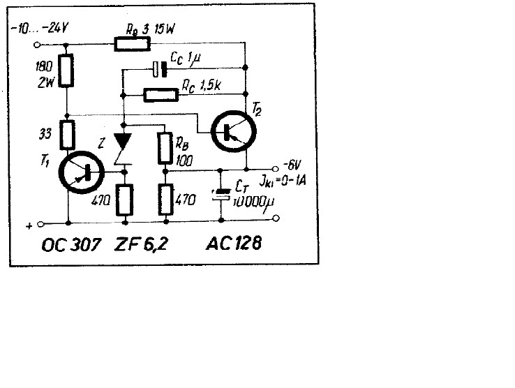
Igen igazad van! Azért írtam, hogy stabilizálatlan mert úgy gondoltam, hogy ezt egyszerűbb lesz megoldani mint a stabilizáltat. Első lépésben egy stabilizálatlan táp megépítésével kezdtem volna. Végülis amire Én gondoltam azt megtaláltam egy régi Rádiótechnika Évkönyben (1969). EWB5-tel megpróbáltam leszimulálni de mivel csak most ismerkedek a programmal, nem nagyon ment. A csatolt áramkörben a kapcsolóelemet FET-re cserélve és még néhány változtatással talán megfelelően működne széles bemeneti feszültséghatárok között is. (Talán a 180Ohm/2W-os ellenállás helyére is célszerű lenne egy FET-et berakni a magasabb bemenő feszültség esetén fellépő hőveszteség miatt). Mi a véleményetek? Pisti
Elég szélsőséges követelményeknek kellene eleget tennie a tápodnak. Persze semmi sem megoldhatatlan, de jelen esetben az áramkör nagyságrendekkel lenne bonyolultabb pl. annál amit az utolsó hozzászólásodban próbáltál leszimulálni. A szélsőségers feltételek miatt, a kapcsolóüzemü megoldás sem lenne tul jó hatásfokú, pl. mindeképpen melegedne és hütőborda nélkül nem menne.
Azonkivül a feltételek az alkatrészekkel szemben is hasonlóan kemény feltételeket szabnának -> vagyis drága, nehezen beszerezhető alkatrészekből kellene viszonylag bonyolult kapcsolást építeni. Az 555-ös táp elvben áttervezhető lenne ilyesmire, de messze nem egy apró modosításáről lenne szó. Célszerübb lenne ha részletesebben leírnád mire, milyen feladatra kellene ez a táp. A belinkelt áramkör és az eddigi írásod alapján kissé úgy érzem, hogy most túl nagy fába vágtad a fejszéd. Jobb lenne egyszerübb és kevésbé veszélyes áramkörök segítségével megismerned a kapcsolóüzemü tápokat....
Köszönöm szépen a válaszokat!
Mindenki hozzászólásában van valami jó ötlet! A transzformátor primer oldali megcsapolása tetszett eddig a legjobban főleg a hatásfok miatt. Azonban Attila javaslatát fogom kísérletileg megépíteni, ezért Attila ha lehetséges valami egyszerű skiccet, elindulási alapot ha tudnál vázolni azt szivesen fogadnám. Köszi: Pisti
Szívesen!
Nézz körül Skori oldalán, ITT! Az itt lévő áramkör szabályoz, de te azt írtad hogy neked nem kell hogy stabilizált legyen. Ezért némileg leegyszerűsödik a kapcsolás úgy, hogy az 555 egyszerű astabilként működik, de a kitöltési tényezőjét egy trimmerrel változtathatóvá kell tenni. Így stabilizálatlan lesz a feszültség. De én a helyedben ezt a kapcsolást úgy építeném meg ahogy van, azt a pár alkatrészt nem kihagyva és akkor stabilizált tápod van. De tudom, neked mindenképpen stabilizálatlan kell... Most nézem csak, hogy egészen a bemeneti kb. 325V-ig szeretnéd hogy működjön az áramköröd. Ez igen nagy átfogás, erre az általam ajánlott táp nem képes. (Jelen formájában biztosan nem.) Üdv.!
Akkor ahogy Skori írta: túl nagy fába vágtam a fejszémet?
Szerintem igen.
Add lejjebb az elvárásaidat és akkor a kitalálandó áramkör is egyszerűsödik.
Hello, ez a kapcsolás majdnem megfelel az elvárásoknak Bővebben: Link
Helló!
Köszönöm a segítséget! Pisti
Szevasztok!
Elektronikai technikusnak készülök, jelenleg 5.éves vagyok. Egyfajta vizsgaként választottam ezt a tápegységet, A kapcsolást elkészitem majd TINA-ban és mellékelem, de még csak kóstolgatom. Ha valakinek kérdése van vagy csak hozzá szeretne szolni tegye meg.
Hihi... hirtelen ugy olvastam 5 éves vagy
Szerintem azért nem írnak sokan mert nincs mire reagálni. No shematic no reply - így miről mondjunk véleményt?
Arról hogy
Idézet: „A kapcsolást elkészitem majd TINA-ban és mellékelem, de még csak kóstolgatom.”
Én sem tudom hová tenni ezt a topicot. Egyrészt mert ott van a Köbzoli által is linkelt másik /és számos hasonló/ (nem gondoltam volna hogy a fórummotor enged két ugyan olyan című topicot nyitni), másrészt pedig mert nem nagyon van miről beszélgetni.
Egyébként én is tápegységet építettem a technikusi vizsgamunkámnak. Üdv.: Attila
Én nem kerestem rá a topicra ugyhogy rábíztam a motorra. Ő nem talált igy megnyitottam a témát.
Még nincs miről beszélni mert gyerekcipőben járok vele, Kigondolom hogy és miként akarom, milyen Feszültségeket vezessek ki, (AC/DC) És más egyéb plus-ra is gondoltam, addig semmit nem szeretnék közzétenni míg nincs biztosra menve a dolog ![]() Ma tanultam meg hogy kell előtétellenállást méretezni egy analog mérőműszerhez. Merthogy lesz a tápegységnek, egy 0-12V (DC) szabályzó kimenete is. Éppen erre keresek egy kapcsolást a szabályzóra. Nem nagyon találok. Aki tud egy jól bevállt működő kapcsolást örülnék neki. Előre is thx Dávid Idézet: „lesz a tápegységnek, egy 0-12V (DC) szabályzó kimenete is. Éppen erre keresek egy kapcsolást a szabályzóra. Nem nagyon találok.” Ezt nem hiszem el! Számos tápegységgel foglalkozó topic van itt a fórumon is, no meg a gugli is a barátod. Szvsz először azt döntsd el, hogy milyen legyen a tápegységed: 0.- A hálózati feszültségről működjön-e? Mert működhet akkumulátorról, napelemről vagy akármiről ám! Ha hálózatról fog menni (gondolom), akkor galvanikusan le legyen-e választva. Szvsz IGEN! 1.- kimeneti feszültsége: AC vagy DC, 2.- stabilizált legyen-e vagy sem, 3.- adott feladat ellátására készül-e a tápegység (adott fogyasztóhoz), vagy univerzálisabb célra 4.- feszültséggenerátorként vagy áramgenerátorként viselkedjen (vagy mindkettőt tudja) 5.- fix, vagy állítható legyen a kimeneti feszültsége (nem keverendő a "szabályozás" szóval!!!) és ha igen, akkor hogyan: lépcsőzetesen vagy folyamatosan 6.- szabályozva legyen a kimenete? (terhelésváltozás, bemeneti feszültségváltozás, hőmérséklet-változás) 7.- a tápegység analóg (áteresztő) vagy digitális (kapcsoló üzemű) elven működjön? 8.- mekkora legyen a kimeneti feszültség és/vagy áramtartománya? 9.- legyen-e beépített műszere (panelmérő)? 10.- ha állítható, analóg (áteresztő) elven működik a tápegység, és a kimeneti specifikált feszültség és/vagy áram tartomány miatt nagy a disszipáció, akkor legyen-e előszabályozó fokozat 11.- a tápegység mennyire legyen védett a külső, akár nem üzemszerű behatásoktól (például: rövidzárlat, túlterhelés, rezisztens/kapacitív/induktív terhelés, üzemi hőmérséklet, üzemi páratartalom, rázkódás, por/cseppállósság, kimenetről visszafolyatott áram...) Most ennyi jutott eszembe. Üdv.: Attila
Köszi Attila!
Egyébként ezek a pontok már mind tisztázva vannak a kis fejemben. 1: Kimeneti feszültsége AC és DC is ![]() 2: Lesz Stabil feszóültségem, egyenlőre 5V DC van tervben 3: Áramkörök viszgálatához, megtáplálásához, készül. 4:fesz.gen ként viselkedjen 5: Lesz ami fix, és lesz ami álitható 6:nemtudom 7: analóg 8- 9:Lesz egy külsö analóg műszer, A/V mérő 10: - 11: Áramkorlátozót szeretnék beleépíteni Hát EDDIG ez az elképzelésem! Idézet: „Egyébként ezek a pontok már mind tisztázva vannak a kis fejemben. ” A válaszod további részében ezt magad cáfolod meg. Javaslom ha az összes követelményt nem tudod önállóan meghatározni akkor ezügyben kérj tanári segitséget,esetleg már vizsgamunkaként elkészült táp tanulmányozását tudom ajánlani (Attilára gondolok),de egy tápot még az ésszerűség határain belül is kegyetlenül el lehet bonyolitani,csak rajz szinten is,és akkor még hol vannak az épités előre nem tervezett,tervezhető buktatói. Ha átolvasod a topicot,és meg is érted a leirtakat,akkor talán bodogulni fogsz. Sok sikert.
Aderka!
Mexnek nagyon is igaza van. Mintha csak én írtam volna. ![]() Amúgy megkérdezhetem hogy minek kell AC kimeneti feszültség? Úgy látom még elég kiforratlanok az elvárásaid, de majd biztos kialakul. Azt viszont gondold meg, hogyha több kimeneti feszültséget akarsz (azt írtad: AC is, DC is, fix, álllítható, feszültés -és áramgenerátoros is), akkor gondold meg hogy ezek hogyan kivitelezhetőek. (Arra célzok, hogy nehezen.) Üdv.!
Keress rá Skori ne555-ös kapcsisára. Nekem bejön, mert egyszerű és nagyszerű, de nincs túlfejlesztve. Ezt ha finomítgatod, fejlesztgeted akkor frankó lesz a cucc.
Szerintem.
Természetesen tanári segítségem van hiszen, kezdő vagyok még csak most tanulok az elektronikát. Nem áramgenerátort mondtam egyébként, hanem korlátozót.
AC kimenet is kell, áramkörök vizsgálatához kell majd az is. Írtam hogy Kezdő vagyok még csak tapogatom De köszönöm, a tanácsokat, ígérem megfogadom őket. Noh megyek akkor suliba . bye |
Bejelentkezés
Hirdetés |






. bye 




