Fórum témák
» Több friss téma |
Fórum » Varázsszemes kivezérlésjelző
Szervusz!
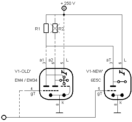
Nem láttad működni a csövet? De az előbb azt írtad, hogy "Én kb.30 fokra tudom kinyitni,". Akkor mégis beüzemelted... Hacsak nem pajszerral nyitogattad ![]() (Ha megosztanád velünk a konkrét kapcsolásodat a paraméterekkel együtt, akkor némileg okosabbak lehetnénk. Sőt, ha netán valami jó minőségű képet is az ernyőről nyitva/csukva, az még jobb lenne. Köszi.) Az itt mellékelt adatlapon van példakapcsolás, kétféle célra. Mint második rajzon látható, a magnetofon kivezérlésjelzőjénél az anód és az ernyő közös ellenállással van a tápra kötve. Ja, a mértékegység nélküli ellenállásértékek MOhm-ot jelölnek. A nyitási szög meg természetesen itt (adatlap szerint) 90o, ami 2*45o-ból tevődik össze a késelektróda két oldalán, de ez nem lehet kérdés, mert hogyan is működik az ilyen varázsszem? Az még esetleg előfordulhat, hogy gyenge a cső, bár arra nekem sincs infóm, hogy a paraméterváltozás befolyásolja-e az ernyőkép változását és mennyire. Ha gondolod, mérd meg a cső meredekségét, nyugalmi anódáramát.
Szia
Persze hogy láttam működni, de csak a saját kapcsolásomban.A mellékelt kapcsolásba építettem meg, a mellékelt átalakításban. A kinyitási szög lehet kérdés, mert pl. az EM4 nem így nyílik... Fotót nem tudok küldeni, mert már átalakítottam a kapcsolást.. Üdv: Csupasz
Szervusz!
Ezt a vinyóvisszajelző "HDD-varázsszemet" én is megépítettem (épp erről akartam írni neked példát ), csak EM84-gyel és kiválóan működik - némi átalakítással, mert egy az egyben nem volt jó. Részben azért, mert nekem 3 IDE csatorna jelét kellett közösítenem, részben az EM4-től való jelentős eltérés miatt - bár szerintem EM4-gyel sem jó egy az egyben, csak ezt nem próbáltam ki, mert akkor még nem volt ilyen csövem.Tulajdonképpen az előbb mellékelt visszacsatoló trükköt csináltam meg, csak akkor még nem tudtam erről, mert még nem olvastam akkor. ![]() Azt a rajz eredeti szerzője elfeledte, hogy megfelelő nagyságú negatív előfesz kell a rácsra és megfelelő nagyságú vezérlőjel is. A 12V édeskevés pl. az EM84-hez, mert az kb. -22V-on nyílik teljesen szét. Sőt, az EM4-hez is kell -16V, ha az érzéketlenebb árnyékrészt is jól akarom vezérelni. Ezen úgy segítettem, hogy betettem egy 50K-s potit a katódkörbe, ez automatikus negatív előfeszt ad a rácsra. Azért potit, hogy be tudjam állítani, hogy vezérlés nélkül mennyire nyíljon szét az EM84 fénycsíkja, azaz mekkora árnyék legyen köztük. Annyira szét tudtam nyitni, hogy nem is látszott, csak a vezérlőjel hatására. A másik trükk az volt, hogy nem 12V-ot kapcsolt az opto, mint vezérlőjelet, hanem, mint láthatod, a 230V-ból csináltam 30V-ot, annyi már bőven elég neki. Ezt a közösítő opto kapcsolgatta, a munkaellenállása a 33k. Még egy megoldást használtam: a sugáreltérítő elektródát nem közvetlenül vezérelte a trióda anódfesze, hanem kihasználtam, hogy külön ki van vezetve és egy potin keresztül beállíthatóan alakítottam ki. Így be tudtam állítani, hogy mennyire csukódjon össze a két fénycsík, ha vezérlést kapott a cső. Azaz azt is be tudom állítani, hogy mennyire nyíljon szét és azt is, hogy mennyire csukódjon be. Persze ez csak EM84-gyel megy, illetve olyan csövekkel, ahol külön ki van vezetve az eltérítő elektróda. Neked nincs kivezetve, de az automatikus előfeszt be tudod neki állítani a katódkörbe tett potival. Ehhez a cső nyugalmi áramát veheted alapul és kiszámolsz egy értéket és annál nagyobb potit teszel be, aztán szabályozod. A potival párhuzamos kondenzátor a kinyílás sebességét csökkenti, ha kell. Elhagyható.
Szia!
Köszönöm a segítséged, meg fogom így próbálni! Üdv: Csupasz
Sziasztok!
Van valakinek ötlete, hogy hogy lehetne megoldani egy EM80-as kivezérlésjelzővel, hogy 3 hangszínt külön jelezzen? Szóval, hogy a magas hangok vékonyak, a mély hangok vastagok, a frekvenciához tartozó kijelzés fényereje pedig annak hangerejétől függjön.
Három különféle dolgot nem tudsz kijelezni egy csővel. Talán kettőt lehetne, de a fényerő szabályozás nem egyszerű, de a kijelzést akkor is nehéz értelmezni. Inkább 3 db EM84 egymás mellett függőlegesen, a rácsokra a szűrőzött, egyenirányított, erősített feszültséget vezeted.
Ez nagy ötlet!
Kár, hogy nem lehet őket szorosan egymás mellé illeszteni!
Azt gondoltam, hogy pl. ha teljes kivezérlést kap, akkor minden világít, ha kevés áramot kap, akkor vékony, és nem lehet feldarabolni, hogy csak az a rész világítson. Legalábbis pl. nem lehet középen vékony csík, miközben 2 oldalt alul is jelez. De gondoltam, ha meg lehetne oldani, akár sávszűrők nélkül valahogy, hogy pl. a 22kHz-es hang legyen a legvékonyabb, és a 20Hz-es a legvastagabb, és a hangosabb világosabb lenne, akkor biztos világítana az egész, de erősebben világítana, magas hangoknál a közepe, szólónál szélesebb sávban, és basszusnál még szélesebben. Ez így külön, jól is hangzik. Csak nem tudom, hogy mi van, ha kap egy erős mély löketet, és közben kap mást is. Valószínűleg amíg kapja a mélyet, addig a többi nem látszik, de mivel ütemben szokott a zene szólni, talán jól kivehető lenne, mert amint gyengül a mély fényereje, erősödik a többi, ami szól. Elvileg.
A szűrőzést nem úszod meg, valahogyan szét kell választani a spektrumot. Mivel az EM80 ernyője egy darabból van, csak az egész ernyő fényerejét tudod az ernyőfeszültséggel szabályozni. (talán, még sohasem próbáltam) A másik a kitakart részt a rácsfeszültséggel tudod szabályozni, mivel két szimmetrikus elektróda van, külön-külön nem megy. Esetleg egy EM 4 et ha esetleg próbálnád, ott két eltérítési lehetőség van, egy érzékenyebb, és egy érzéketlenebb, ezeket külön külön meghajtva kellene próbálni, de az ernyőfeszültség ott is csak egy van. Meg lehetne próbálni egy EMM801 -el, ez kettős (sztereó) kijelző, de nagyon ritka cső.
Vagy alapból szaggatva lenne vezérelve, és a sávszűrők jele közt váltogatna, és úgy érzékelnénk, mintha egyszerre látnánk mindegyik kivezérlést?
Lehet multiplexelve is, de akkor nem tudom mit látnál, függ az MX frekvenciájától is. ki kellene próbálni.
2db. EM80-as csövem van, ezt szeretném sztereóban megcsinálni.
Akkor szerintem fordítsd fejjel szembe a két csövet, az egyikre tegyed a középhangot, a másikra a magasat, az ernyőfeszültséget a méllyekkel meg tudnád szabályozni egy áteresztő csöves stabilizátort vezérelve. Ilyet tudsz csinálni pl egy kettős triódából, aminek két külön katódja van, ha a tápfesz nem nagyobb 200 V -nál.
Te tudod, hogy működik a varázsszem? Mire tervezték?
Amit szeretnél (egy csővel mindent), így nem megvalósítható. A multiplexelés sem segít, mert nagy frekvenciás kapcsolgatással is azt éred el, hogy a szem tehetetlensége (és a fénypor utánvilágítása) miatt nem fogod tudni elkülöníteni az egyes állapotokat. Ráadásul ez nem "kirajzoló" működésű, mint egy oszcilloszkóp, vagy tévé képcső. Az ernyő nem bontható vezérléssel szektorokra, az elektronsugár sem vékony csíkot rajzol.
És, ha többször kapcsolná a vékonyat, mint a vastagot?
Idézet: „És, ha többször kapcsolná a vékonyat, mint a vastagot?” Na, ezt most nem értem. Vagy nem ugyanarról beszélünk. Még egyszer kérdezem: tudod, hogy működik a varázsszem? Ismered a felépítését? Esetleg a konkrét típust? Azt felfogtam, hogy mit szeretnél, de az eszköz erre alkalmatlan. Ami neked kell, azt kivezérlésjelzőnek hívják, nézz meg egy fluorescens darabot, látni fogod, hogy mire gondolok. Ha a 3 hangtartományt szeretnéd 3 csövön megjeleníteni (sztereóban 2*3), azaz az adott spektrum kivezéreltségének megfelelően nyitni-csukni a varázsszemek ernyőjén a fénylő részt/árnyékot, az megvalósítható. De egy csővel nem. Amúgy pl. az EM83-at erre találták ki, sztereo varázsszem, jó bonyolult felépítéssel, de eléggé esztétikus. Olyan, mintha az EM80 ernyőjét kettéosztották volna és a vezérlést is merőlegesre állítva szerelték volna be. Viszont az sem jó az "egy csővel mindent" feladatra - mint ahogy egyik sem. De ott az EMM801 ("dupla EM84"), vagy a szimpla EM84/EM87, ezek sokkal értékelhetőbb kijelzést adnak, mint az EM80. Idézet: „A multiplexelés sem segít, mert nagy frekvenciás kapcsolgatással is azt éred el, hogy a szem tehetetlensége (és a fénypor utánvilágítása) miatt nem fogod tudni elkülöníteni az egyes állapotokat.” Erre írtam, hogy mivel a mély hangok az egészet bevilágítanák, esetleg, ha a magas hangok több ideig, vagy többször jelenítődnek meg, akkor nem lehet, hogy világosabbnak érzékelnénk? Nem csak úgy gondoltam, hogy rákötöm, és kész.. Azért kérdeztem ötleteket... Láttam hangolásjelző csöves rádiót, ha fogott valamit, akkor vastagabb, ha nem fogott be semmit, akkor vékonyabb csíkot jelzett. Úgy tudom, hogy az áramerősségtől függ, hogy milyen széles a csík, és a feszültségtől a fényerő. Attól, hogy szűrő után kötöm, még nincs szétbontva, de direkt úgy kérdeztem, hogy meg lehet-e azt oldani, hogy a 3 szűrőhöz, 3 feszültség, és áramintervallum társuljon. Szóval a magas-szűrőhöz olyan, hogy semmiképp se lehessen vastag, a középhez olyan, hogy minimum annyitól kezdődjön, ameddig a magas-szűrő korlátozott, és addig, hogy teljesen ne nyílhasson ki, hogy a mély hangok még szélesebbek lehessenek, de a mély hangok is minimum kapnának annyi áramot, hogy legyen olyan széles csík, mint ameddig a közép-szűrő korlátozódott. És ezen kívül, mivel a mély az egészet képes bevilágítani, akkor lehet, hogy egyszerre nem lehetne látni rendesen, de ha pl. a magas 3x a közép 2x a mély 1x jelenne meg, akkor nem lehet, hogy világosabbnak érzékelnénk a vékonyabb csíkokat?
De, én értem. De ha a papírlapot többször rakom úgy pl., hogy félig eltakarja a vásznat, akkor az a fele sötétebb lesz nem? Szerintem nem értitek, hogy hogy gondoltam, ezért csináltam egy rajzot.
Csatlakozom köbzolihoz.
Egy, azaz egy ernyőd van, és egy eltérítésed - és elektronágyú nincs a csőben. Ezen három dolgot megjeleníteni így nem lehet. A világító területet nem tudod egymástól független részekre felosztani. Idézet: „Úgy tudom, hogy az áramerősségtől függ, hogy milyen széles a csík” Rosszul tudod. Az elektroncső feszültségvezérelt eszköz. Pár h.sz.-szel elébb adtam egy pdf-et, amiben benne van, hogy működik a varázsszem és mire való. Olvasd el, kérlek.
A rajz nem jó. Az elektronsugár alsó részét mozdulatlannak feltételezed. Nem az.
Mondom, egy csővel 3 dolgot nem tudsz megjeleníteni, mert a terület legbelső részéhez eljutó elektronáram a külső részét is ugyanúgy éri továbbra is, pedig az elméleted szerint ott épp semmi keresnivalója, mert oda te mást szeretnél kijelezni. Ismétlem: nem tudod vezérléssel felosztani az ernyőt 3 különböző jel megjelenítésére. Hiába kapcsolgatsz, nem fog menni. Az, hogy a terület mennyire világít, az nem lesz info, mert lesznek olyan részek, amiket mindig ér elektronsugár, akkor is, amikor nem szeretnéd, meghamisítva az oda szánt érték kijelzését.
Nem feltételeztem mozdulatlannak, csak lényegtelen a magyarázásnál, mert ugyanúgy változik...
Én is azt mondtam, hogy pl. teljes kivezérlésnél az egész világítana, de ami többször villan fel, az fényesebbnek látszik, vagyis a közép fényesebb, a magas, még fényesebb. Ez is elkülönítené. Bár szerintem a távolságok miatt enélkül is kontraszt alakulna ki pl. ha felváltva villogna az 1., és utolsó képkocka, az első már azért fényesebb lenne, mert azt a csíkot mindkét esetben látom.
Hajjaj...
Meddig magyarázzam, hogy a "magas"-nak szánt rész akkor is világítani fog, ha a "mélyet" szeretnéd éppen megjeleníteni? Azaz a "magas" kijelzésére szánt terület nem fog érdemi információt hordozni. Ugyanez vonatkozik a "közép" területére. Nem tudod kikapcsolni a "csík"-hoz közeli megvilágítást. Mint mondtam (meg ha elolvastad volna az általam megadott írást :nezze: ), az elektronsugár vezérlése, eltérítése folyamatos, nincs benne lehetőség olyan kioltásra, mint CRT-k esetében, ahol elektronágyú van, fókuszált sugárral. Vezérlés nélkül az egész ernyő világít. Csak azt tudod szabályozni, hogy az ernyő melyik, egyfajta választóvonalhoz képesti része (ott van a vezérlő elektróda) ne világítson. Háromféle fényes részt ki tudsz tán alakítani, de csak annyit, hogy a szél a legfényesebb és a közép a legsötétebb, slussz. De ebből nem derül ki az egyes hangtartományok aktuális kivezéreltsége, az átfedések miatt. Ha lenne még egy eltérítő elektróda, amivel a fényes rész külső szélét beljebb tudnád hozni, azaz nem csak az árnyék szélességét, hanem a sugárét is tudnád szabályozni (azaz lenne két mozgatható árnyékod a sugár két szélén), akkor igen, lehetne felosztani az ernyőt tartományokra. De ilyen ebben a csőben (és az ilyen kijelző csövekben) nincs. Van nekem egy E1T csövem, ami számkijelző, egyfajta keresztezése a varázsszemnek és a nixie-nek, ott van lehetőség az elektronsugár teljes mozgatására. Be fogom üzemelni (főleg, ha tudok szerezni duodekál foglalatot, hogy ne kelljen gányolnom) és bemutatom. Jóval bonyolultabb felépítésű cső, jóval nehezebb működtetni - például nagyon érzékeny az ellenállások tűrésére, a feszültségszintek miatt. A kijelzés kis fénycsíkkal történik, amit a megfelelő számhoz irányít a kapcsolás. De ebben már valami nagyon buta elektronágyú-szerűség van, meg olyan maszk, aminek a rését kell eltalálni a fókuszálatlan sugárral. Emiatt például a külső megvilágítás sem lehet akármilyen nagy: sötétben a kijelzett melletti számok is jelzettnek tűnnek (a fókusz hiánya miatt), nagyon világosban meg nem látszik már semmi. Sőt, a vezérlőjel felfutási és lefutási ideje (háromszögjel!) is meghatározott lehet csak! De próbálkozz, ha akarod, ha sikerül, megsüvegellek
Itt van mindenféle fura cső, de van varázsszem is, mint a mellékelt linken mindjárt. Jó böngészést!
Találtam neked egy csövet, amivel megvalósíthatod álmaidat. De hogy honnan fogod beszerezni, arról fogalmam sincs.
E-bay-on van. $34.99, plusz szállítás $13.90...
Akkor a kérdés részünkről megoldva. Kösz! A többi gyulank mesteren múlik
Sziasztok!
Valaki tudna segíteni,hogy hol tudok venni EM84 varázsszemet? Sehol nem találok, egyébként egy unitra zk 145 magnót újítok fel és abba kéne. Van pár csövem cserélnék is.
Netes hirdető oldalon van (Vatera, ebay), új is, használt is, rengeteg.
Aki keres, talál
Müszi!: a cikkedben nem értem, hogy a cső hármas lába a c2-n és r2-n keresztül kell mennyen a gnd-re vagy a nélkül? Képek...
|
Bejelentkezés
Hirdetés |







Kár, hogy nem lehet őket szorosan egymás mellé illeszteni! 





