Fórum témák     
 
 » Több friss téma  | 
			
				AZ új azt hogy most lettem kész vele . Ha olyan cm-re távol teszem egymástól akkor szol szépen csak elég csendbe de ha már kicsit távolabb rakom akkor mar igen recseg. A frekvencia pedig telefonról megyen. 19V működtetem nem tudom hogy elég ez neki vagy kevés? Bővebben: Link				 
				
		A hozzászólás módosítva: Márc 24, 2015 
						
				Valakinek van ötlete, hogy miért illetve hogyan vonzza a lángot a kerámia nyak? Ezek szerint ezt nem ívkisülés hanem korona (hogy nem a két elektróda vagy szekunder végek között van az ív)?						 
				
				
		
				Üdv! Megszeretném építeni az alábbi plazmahangszórót, mégpedig úgy, hogy egy 555ic vezérel egy  fetet amely kapcsolgatja az áramot a sorkimenőre. Az lenne a kérdésem,hogy inkább nagyobb, vagy kissebb legyen a frekvrencia? Ugyanezt a kapcsolást láttam már más értékű ellenállásokból, és kondiból összerakva és utánaszámoltam van ahol a freki 7KHz de van ahol 48KHz.						 
				
				
		
				A hangot hol vezeted bele?   
				
		  Mert ez így egy szikragenerátor lenne, ha működik egyátalán.						
				5 lábon megépítettem és működik  
				
		  igaz nem a leghangosabb de ad ki hangot!						
				A magasabb frekvencia jobb. A 7 kHz-et azt még hallod egy sípoló hangként; a 48 kHz a hallás tartományon kívül esik, így nem hallod az alap sípolást üres járatban. Az önindukcióval meg vigyázni kell, nekem már egy tápegység ez miatt tönkre ment.						 
				
		
				Sziasztok! 
				
		A nulláról szeretnék megépíteni egy plazmahangszórót, SZTE Mérnöki Karán tanulok szóval a technika nem akadály, láttam sok kapcsolást sok ötletet el is vesztem bennük a végére. Van valakinek működő, mp3at lejátszó hangszóróhoz kapcsolási rajza esetleg? ![]() Köszi előre is. 
 
				Üdv! 
				
		Ezt a pár oldalt ha megnézed találsz egyet TL494 es kapcsolást. Azt többen is megépítették ahogy olvasgattam, többek közt én is. Működik! Ami viszont általános "csalódás" ezzel kapcsolatban, hogy ezek egytől egyig nagyon halkak és sokszor zaj is rontja a minőséget. Jó lenne valami hatékony új megközelítés, de abban csak nálam okosabbak tudnak majd itt segíteni. De kezdetnek a Tl494 es teljesen jó. 
				Ez elég jól hangzik a videó alapján, csak rajz helyett annyit mond:  
				
		TL494 with PWM and single ended converter. A hozzászólás módosítva: Aug 9, 2016 
						
				Wow, ez érdekes.  
				
		Viszont én inkább erre építeném át: Link 
				Közben hozzátette ezt:  
				
				
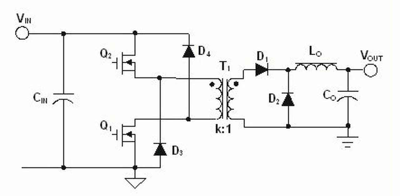
		Idézet: 						„The modulator is simply a TL494 PWM without feedback (with a 50% duty cycle limit) and the power part is basically a two switch converter http://m.eet.com/media/1054833/nationaltws2.jpg running from rectified mains (300V=).” 
				Ez ugyanaz a rajz, mint amit a videó feltöltője osztott meg. A meghajtó mondjuk akkor valahogy úgy lehet, hogy az IC 9-10-es lábáról az egyik és másik tranzisztorra?						 
				
		 | 
			Bejelentkezés     
    Hirdetés      | 
			








 Mert ez így egy szikragenerátor lenne, ha működik egyátalán.						
 igaz nem a leghangosabb de ad ki hangot!						





