Fórum témák
» Több friss téma |
A következő problémával bátorkodnék nyitni egy topicot - hátha tud valaki segíteni, s mást is érdekel.
Van egy Tesla Soprán típusú frissen guberált rádióm. Jó állapotban kis piszkálás után szépen szól. A gond az, hogy nem tudom vele fogni a Bartók rádiót, mivel az épp hogy 94 MHz fölött van, a Soprán skálája pedig csak 94 MHz-ig tart. Lehet ezen segíteni (igencsak kezdő pákászi képességeimet tekintetbe véve)?
Köszönöm az érdeklődést!
Van, azaz lesz: honlap beszkennelem.
Át kell hangolni nyugati normára a készüléket!Bár vannak tipúsok melyek sima hangolással nem oldhatók meg mert a keleti sáv rövidebb a nyugatinál és nem fér bele a teljes tartomány!
Nem biztos,hogy át kell hangolni, elég csak a frekvenciát egy kicsit feljebb huzni. Két megoldás van: Beállítod a készüléket 94 mega környékén egy állomásra, lényeg, hogy a forgókondi majdnem szélső állásba legyen, és megkeresed az oszcillátor trimmerjét a forgókondi tetején, ha műanyagházas a forgókondi. Ezt úgy tudod, hogy mozdítasz egy nagyon picit a trimmeren, és amelyiknél elmegy az állomás, az az oszcillátor trimmer. Utána olyan irányba kell csavarni a trimmert, hogy a kapacitása csökkenjen, az alsó és felső lemez ne fedje egymást.
Ha szerencséd van ,akkor tudsz annyit állítani, hogy a forgókondi szélső állásában bejöjjön a Bartók. Másik megoldás, ha nincs szerencséd, akkor megkeresed az oszcillátor tekercset. Ez 4-5 menetes légmagos tekercs esetleg parafinnal kiöntve. Onnan tudod, hogy szintén állomáson, ha közelítesz hozzá egy fémtárgyal, akkor az állomás elhangolódik. Ezt a tekercset próbáld meg óvatosan széthúzni, lehetőleg műanyag csipesszel, és figyeld, mikor jön be a Bartók.
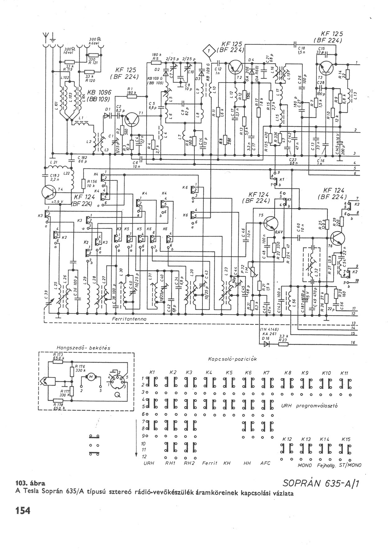
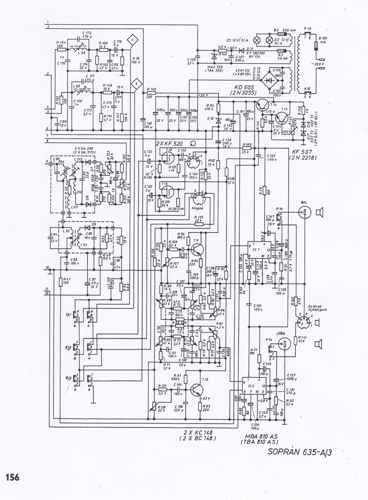
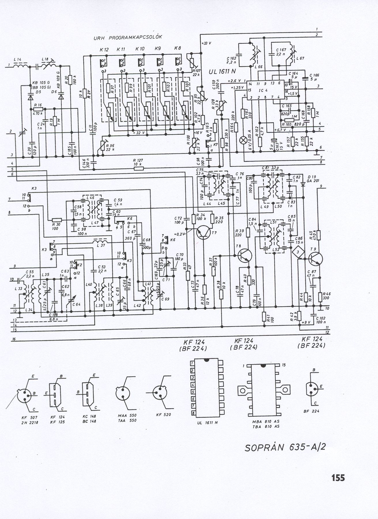
Íme a rajz három részletben.
Keresd meg a - rajzon R107 22k - sávvég-hangolófesz trimmert és azzal talán lehet ennyit húzni. Ellenőrizd a 33V-os hangolófeszt az egyik végén.
Amúgy melyik könyvből való a rajz, mert nekem nem ugrott be...
Köszönöm a válaszokat!
Próbálkozom, aztán beszámolok. A felhasznált irodalom: Csabai Dániel: Magnósok évkönyve 1982. Műszaki Könyvkiadó, Budapest, 1982.
Kedves Sebi!
Hála s köszönet zeng! ![]() Alig moccantottam a trimmeren, tökéletesen beugrott az adó. (Egyébként moccantás előtt 9,2 voltot mértem rajta, aztán 9-et.) Köszönöm!
Jó napot!
Én is hasonló problémával küzdök. Szétszedtem a készüléket, de sem a rajzon, sem a nyákon nem találtam R107-es feliratot. Mivel mondhatni semmit nem értek az ilyen készülékekhez, leírná valaki, hogy pontosan hova kell nyúlni, hogy néz ki, az előlaphoz képest hol helyezkedik el ez a dolog, mivel lehet csavarni stb. Mintha egy dedósnak... Előre is nagyon köszönöm! |
Bejelentkezés
Hirdetés |








