Fórum témák

» Több friss téma
Fórum » Videoton rhapsody GR4900
Lapozás: OK   1 / 1
(#) Gabika8833 hozzászólása Máj 14, 2022 /
 
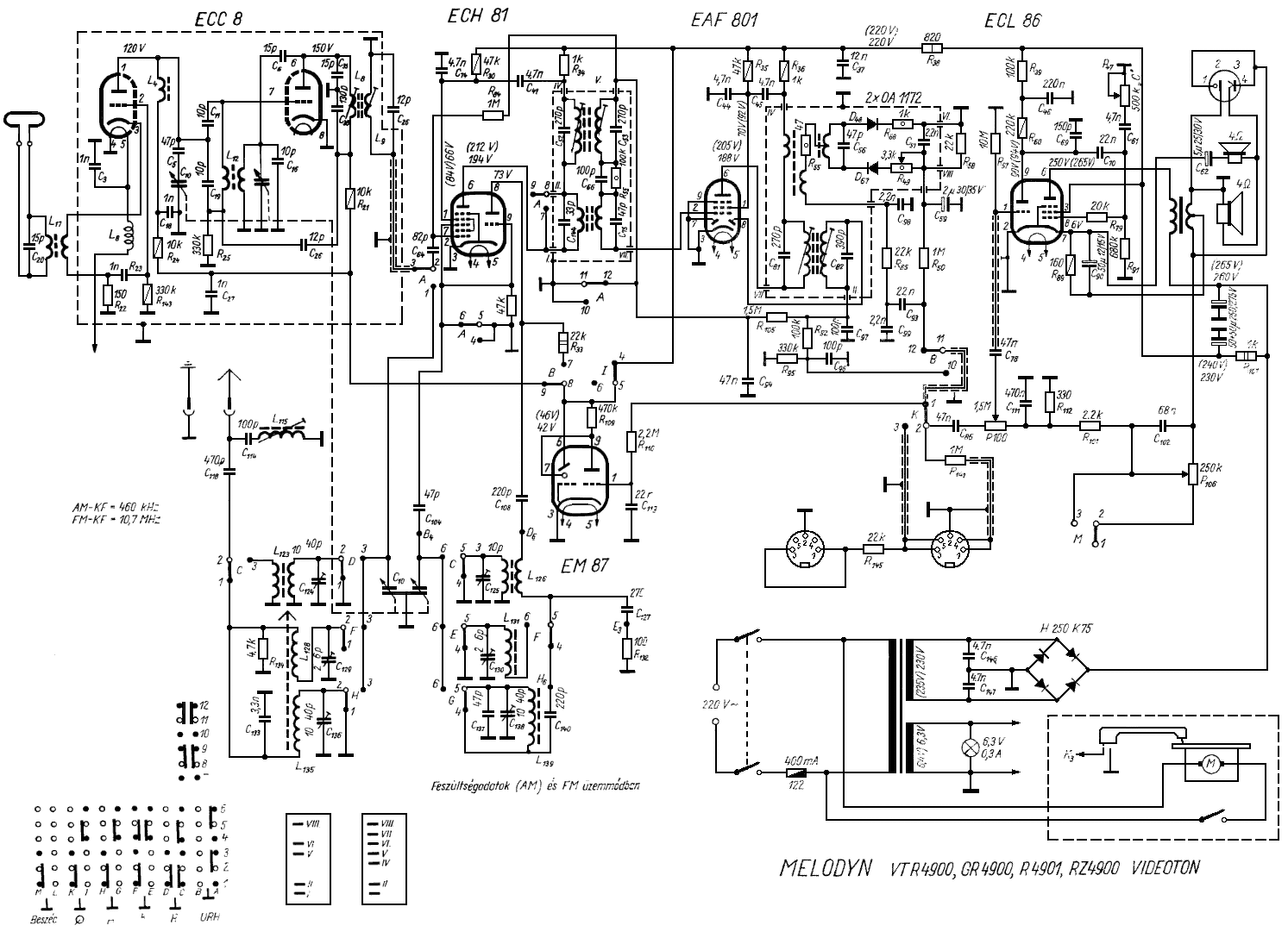
Sziasztok a VIDEOTON (VT RHAPSODY GR4900 - 110 Típusról
TV)

Szeretnék érdeklődni hogy nincs e valakinek kapcsolási rajz hozzá esetleg, vagy bármilyen felhasznalható információja, az esetleges általános hibákról ami ennél előfordul?
Előre is köszönöm a választ.
(#) proli007 hozzászólása Máj 14, 2022 /
 
(#) Sebi válasza Gabika8833 hozzászólására (») Máj 16, 2022 /
 
Úgy látszik volt a kezem közt ez a típus, mert csinos rajzom van...

R4901.GIF
    
(#) Gabika8833 válasza proli007 hozzászólására (») Máj 19, 2022 /
 
Hello
Köszönöm szépen a választ
(#) Gabika8833 válasza Sebi hozzászólására (») Máj 19, 2022 /
 
Hello
Köszönöm neked is a segítséget
Következő: »»   1 / 1
Bejelentkezés

Belépés

Hirdetés
XDT.hu
Az oldalon sütiket használunk a helyes működéshez. Bővebb információt az adatvédelmi szabályzatban olvashatsz. Megértettem