Fórum témák
» Több friss téma |
Egy házi/tábori telefonvonalról szeretnék virtuális induktivitás segítségével a majdan saját kezüleg gyártott házi/tábori telefonkészülékem müködéséhez tápfeszültséget nyerni anélkül, hogy ezzel AC rövidzárat okoznék a vonalon. Hogy néz ki egy ilyen virtuális induktivitás (tranzisztor, R, C)? Van ebből több féle? Hogy lehet méretezni?
köszi
Tehát aszondod hogy egy 3 láb stabilizátor békénhagyja a telefonvonalon lévő jelet? Ismétlem, ez egy zárt, házi/tábori telefonrendszer lesz, ahol a telefon sodort érpárján lesz a táp is, és a kommunikáció is.
Nem igazán világos az elgondolás számomra: ha a vonalról akarod táplálni a készüléket, akkor mi a gond? ez a dolga. Ha az egész kiépítés hagyományos(passzív), minden újabb készülék némi terhelést/jelcsökkenést okoz.
Virtuális induktivitás erre a célra alkalmatlan: ez egy ún. girátor kapcsolás, aminek a bemenetére kapcsolt kapacitás, a kimenetén testre kapcsolt induktivitásnak "látszik". Ezt soksávos hangszínszabályzókban (egyéb szűrőáramkörökben) használják gyakran.
Sejtem, mi a kérdés
Azt akarod, hogy a telefonvonalra akasztott tápegység ne zárja rövidre a hangfrekvenciás jelet. Ezt ugye egy nagy induktivitással el lehet érni, helyes a meglátás. Viszont -mondjuk- 1H realizálása körülményes Használj inkább áramgenerátoros terhelést/tápegységet! Készitesz egy áramgenerátort a maximális áramfelvételre, majd egy söntstabilizátorral szabályzod a feszültséget. Kedvencünk, az LM317 nem tud 48V-ot (plusz csengetöfesz) úgyhogy nem lesz jó áramgenerátornak. Valami tranzisztorosat kell összerakni. Én ugy 30V-ra söntstabilizálnék egy közbenső feszültséget, majd egy LM2576-tal csökkenteném a kívánt értékre. Lehetne közvetlenül a bejövő áramra kapcsitápot csinálni, de azt diszkrét cuccokból kell összelegózni.
Ennek a házi telefonrendszernek 9V lesz a tápfeszültsége, csengetőfeszültség nem lesz. Áramgenerátoros meghajtásra nem lesz lehetőség, egyébb okok miatt...
Áramgenerátoros terhelésre gondoltam. 9V az nagyon sovány.
Miért nem egy valódi tekercset használsz ???
Régi csöves készülékek (légréses) kimenőtrafójának primere pl. tökéletes lehet, de némelyik régi tárcsás telefonban is volt nyitott vasmagos tekercs, ami használható lenne. De akár egy jó sokmenetes légmagos tekercs is megteszi. Persze vannak félvezetős megoldások is, de azok mindenképp jóval nagyobb veszteséget okoznak.
A virtuális indultivitás méretezéséhez (illetve, hogy egyáltalán megvalósítható-e) tudni kellene mekkora DC szint van a vonalon, erre mekkora AC komponens kerül rá - amit ugye nem szeretnénk rövidre zárni, mekkora lenne az áramfelvétel DC-n, (és mennyire állandó vagy változó értékü), illetve kb. mekkora impedanciákkal dolgozik a vonal.
Idézet: „Miért sovány?” A 9V-ot azért tartom kevésnek, mert - főleg, ha ugyanazon érpáron akarsz távtáplálni, sokat esik a feszültség/vastag drót kell.
Üdvözletem!
Az én felfogásom szerint ez fából vaskarika. Ha a meglevő vonal nyugalmi állapotban van, gyakorlatilag nem folyik benne áram, tehát nincs minek indukálódnia, hogy némi energiát nyerhessünk belőle. Így csakis arra futna, hogy egy lehallgató készüléket meghajtson.
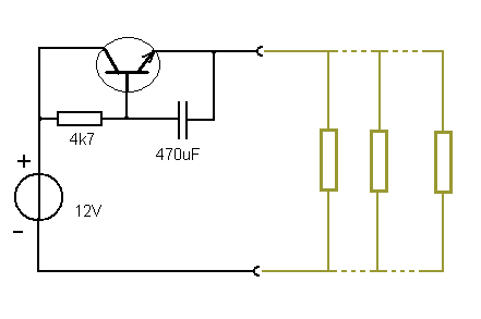
Erre gondoltam...
Áramgenerátor nem megfelelő részedre mert nem tudni mekkora (mennyi) terhelés lesz.. Akár hangfrekin akár feljebb használható. A tranyó bétája minnál nagyobb annál jobb. A kondi az induktivitást 'állítja'; az ellenállás DC-ben kinyitja a tranzisztort. Akár aksi is lehet a 12V táp helyett, 2-3V úgyis esik rajta. A kapcsoláson a DC-táp simán átfolyik, amíg a terhelésekről a vonalra kapcsolt AC jel nem.
bocsi. 4k7 helyett inkább 470ohm; vagy darlington tranisztor.
|
Bejelentkezés
Hirdetés |










