Fórum témák
» Több friss téma |
a ledes VU métert a kimenő jelre az erősítővel párhuzamosan kell kötni ?
ha igen akkor veszek egy 3,5 mm jack elosztót és egy jacket , majd a jack egyik channeljére rákötöm ?
Sziasztok! Egy ilyet szeretnék építeni a hanglalamba : http://www.youtube.com/watch?v=Z8_-T6eotVE&feature=related
Mi kell ehhez és hagyon tudom megcsinálni?
Pl. neked ezt ajánlom.
Miért, nehéz megépíteni? Esetleg kapcsolási rajz hozzá?
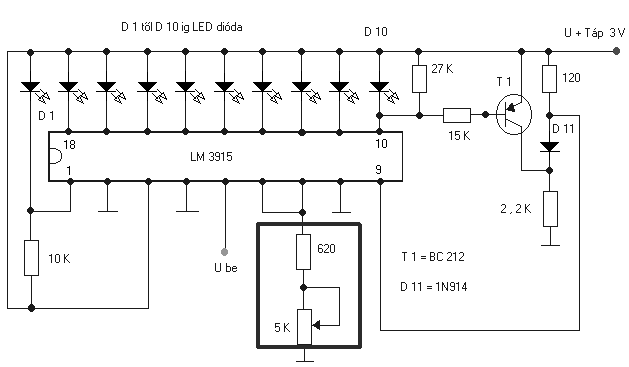
Ami a youtube-n van az LM3915 Led meghajtó IC-vel van megcsinálva, ha gondolod van topikja is /kivezérlésjelző/ott mindent megtalálsz róla, keress rá. Nem ismerem a felkészültségi szintedet, ezért ajánlottam egy KIT-et.
Értem. Köszi a segítséget!
Hy, vki tudna segíteni? Szereztem 2 Vu-métert és rákötöttem a hangkártyára és alig tér ki, gondolom kevés neki a nafta. Mit tudok neki csinálni hogy rendesen működjön?
Előre is köszönöm
Szia!
Ha van benne érzékenység állító poti akkor, ha szerencséd van, tudsz állítani rajta, ha nem agy kis előerősítőt kell építeni hozzá( ' tranzisztor vagy műveleti erősítő)!
Hy! Sajnos nincsen benne olyan érzékenység állító. És olyan műveleti erősítőt hogy tudok könnyen és egyszerűen építeni ? Meg milyen alkatrészek kellenek hozzá? Meg egy kapcsolási rajzot todnál dobni?
(Sztereóba szeretném bekötni mivel 2 Vu méterem van) Köszönöm előre is
Jól gondolom, hogy két mutatós műszert szereztél? Ehhez valóban kéne egy kis áramkör, nem feltétlenül műveleti erősítő (Ami egy IC, vagy annak egy része) Erre a legolcsóbbak is megfelelnek (pl. 747), de meg lehet építeni egy-két tranzisztorral is. Legegyszerűbb gyári készülékek hasonló célú áramkörének "lekoppintása" (nem szégyen a "nagyoktól tanulni"!).
Példaként nézd meg a Videoton Kleopátra rádióerősítő ezen áramkörét. Ha kicsi a jelszint (ami valószínű) akkor 2X1 tranyóval tudsz építeni egy előerősítőt, a + 15V-ról működtetve.
Hy ! Igen 2 mutatós műszert szeretnék, csak azt nemtudom hogy építsem meg az áramkört(nem vagyok vami nagy spíler
ebben a dolgokban), meg a gépből csak +12V ot vagy +5 volt ot tudok nyerni.Vmi rajzot tudnátok dobni hogy az alapján építsem meg. Előre is köszönöm!!!!!
Helloka
valaki nem tudna segiteni egy vu meterrel kapcsolatosan kellene egy kapcsolasi rajz! ha valaki segitene megkerem szepen h erre az email cimre irjon! ***@**.** elore is kox! Cím törölve, adatlapban a helye. -- kobold
Hali lenne egy keresem nem tudnatok segiteni evel kapcsolatosan kellene egy kapcsolasi rajz plz valaki segitsen elore is kosz ja es bocs akit zavartam !!!!!!!!
Bővebben: Link Link javítva. -- kobold
A fent emlitett kivezérlésjelzőt próbálta már valaki? nem mintha nem bíznék benne, de nemakarok próbapanelt csinálni...
2 Akai mutatós kijelzőm van, egy régi szalagosból berheltem ki és ahhoz kellene egy meghajtóáramkör ![]() ja és a tranyós dologban valaki segithetne, mert nem vagyok otthon az analóg elektronikában, a másik meg hogy nekem nincs 15 csak 12 voltom. azzal is menne? a segítséget előre is köszi Üdv!
bocs a duplapost-ért, de nem engedi módosítani :S
még annyi, hogy műverősítő is jöhet szóba, mert a 12V az szimetrikus. Üdv ismét :p
Van egy analóg VU méterem. Egy fülhalgató kábellel öszekötöttem egy MP3 lejátszóval, és egy kicsit megmozdult. Az erősítőmön van egy TAPE in RCA-s csatlakozó, és avval hozzá lehet-e kötni a VU métert?
Most a bemenetre akarod tenni a VU-t is meg az MP3 lejátszót is??? Működnie kell elvileg, Azért irom hogy elvileg, mert nem értettem tisztán, hogy mit is akarsz.
Egy síma Fülhalgató dugóval összekötöttem az mp3-at és a VU-t, és egy kicsit mozgott, sőt még egy kicsit hallatszódott is. Valahogy így kötöttem össze:
És ugyanígy szeretném összekötni az erősítővel, csak RCA kábellel.
Hello!
Csak arról nem szóltál, hogy ez csak egy műszer? Mert ebben az esetben egy elektronika is kell elé. (egyébiránt több VU-val foglakozó topik van. Kereső nyema?) üdv! proli007
Ha az analóg VU-métered egy mutatós műszer , akkor a hangfrekit először egyenirányítani kell... DC-t kér... persze illesztve, hogy ne terhelje be a forrást... vagy felerősítve, ahogy Proli007 is írta és egyenirányítás, stb...
A hangfalba kivezető kábellel hozzá lehet kötni?
Direktben nem... jelszint magas... megfelelően méretezett előtétellenállás kell egyenirányítás után..
egyutas is elég, 5-10 µF elkóval, gyorsaságtól függ..
Hali valaki nem segitene nem ismerem ezt az alkatreszet vagyis az ellenallast igen csak az a nyil nem tom h mit jelent meg kezdo vagyok !!!!!!!!
Elore is kox! ja es remelem h nem zavartam!
oke ez igy renbe is van ez a jeloles egy potencio meter meg abba kellene segits h mejik labat hova kell kotni !
egy vu metert szeretnek csinalni mar felig meddig kesz is van csak nem tom hogy hogy kell bekotni a pocit vastaggal bekeretesztem hogy mi a fo ami nekem kell elore is kox hogy segitesz !
Meg egy kerdes a kondenzatornak a minusz felet felfele rakjam vagy lefele es a potenciometerek hany omosok legyenek?
|
Bejelentkezés
Hirdetés |





ebben a dolgokban), meg a gépből csak +12V ot vagy +5 volt ot tudok nyerni.



