Fórum témák
» Több friss téma |
Sziasztok
Kis segítségre lenne szükségem, van egy XP1001000-03R tipusú Web server XPort egységem de nem igazán tudom életre kelteni. Készítettem egy RS3232 3,3V-os catolót hozzá, összekötöttem, stb. jelenleg RX, TX, és a táp van összekötve a csatoló és a XPort között, és az XPort 6,7,8 lába nincs bekötve. A problémám az lenne hogy a neten leírtak szerint hyperterminálon keresztül lehetne felprogramozni, de nem hajandó kommunikálni. (ha valami adatot küldök rá azt visszaküldi) Van egy külön progi is hozzá, de az meg azt írja hogy nincs csatlakoztatva a géphez az eszköz. Ha valaki foglakozott vele már, szívessen venném a tanácsait.
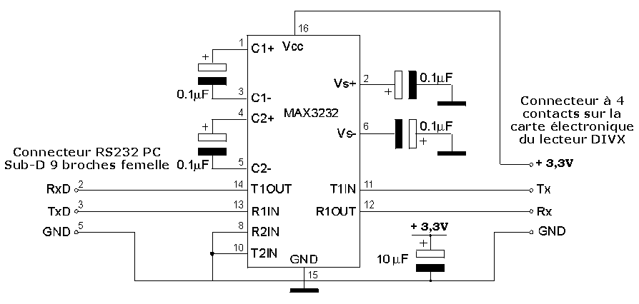
Esetleg kapcsolási rajz a RS csatolódról?
Idézet: „(ha valami adatot küldök rá azt visszaküldi)” Az véletlenül nem a terminál echoja?
Mellékelem a kapcsolási rajzot.
Az adatot nem mindíg küldi vissza, van amikor semmit nem válaszol, de van hogy visszaküldi a kiküldött adatot
Nem lehetséges, hogy a hardveres kézfogójeleket hiányolják a programok? A Hypertermilalban ki vannak kapcsolva a kézfogó jelek?
Amúgy a visszaküldött karakterek nem a lokális ekhózás miatt látszanak úgy, hogy visszajönnek?
Xport 3-as láb (reset in) kösd 3v3-ra.
Xport 4-es láb menjen MAX3232 11-es lábára. Xport 5-ös láb menjen MAX3232 12-es lábára. Nekem volt hasonló cuccom, de nem ez a márka. Ott előbb LAN-on keresztül kellett a gyári szoftwerével bekonfigolni és utánna már működött. (ugyanis meg kell adni a kom sebességet és nem árt egy IP címet sem adni neki). ![]() Tehát szerintem kösd össze a soros vonalat a PC-vel, ill. az Xport LAN részét is csatlakoztasd a pc-hez. Amikor a LAN csatlakoztatva van, azt kiírja a win. Ha nem történik semmi, akkor másik LAN kábel kell. Ha megvan a kapcsolat akkor a gyári szoftverrel már működnie kell. Ez alapján kell: Bővebben: Link Azóta megnéztem. Persze hogy nem jó, gyárilag az IP-je 0.0.0.0 de a fönti pdf-ben le van írva a konfig lépésről lépésre, addig úgysem fog működni. Az IP-t nyílván olyan tartományra állítsd be amilyenben a PC-d is van, mert különben megint nem fog menni. Ha végképp nem jó a DHCP-t kapcsold ki amíg életre nem kelted.
Köszönöm az infókat, jövő héten tudom lepróbálni.
A leírás amit felraktál nagy segítség lesz így első látásra. köszi
A kommunikáció elindult.
Nem tudom valaki tud-e infot adni róla, hogy ha küldök soros adatot az XPORT-ra egy PIC-en keresztül, azt hogy tudom leszedni egy PC-vel a hálórol és a PC megjeleníteni, meg hogy tudok adatot küldeni az XPORT-nak (PIC-nek) PC-ről hálózaton. Esetleg valaki tudna-e mintaprogit adni, vagy valami leírást. A neten sajnos nem igazán találtam hozzá leírást.
Elvileg van hozzá egy driver, amit ha felteszel, akkor a gépeden egy mezei soros portként látod az xportot.
Nézz szét a gyártó oldalán. Vagy amilyen nyelven tudsz programozni, nézzél valami socket demót.
Most kerültem szembe ezzel a modullal itt a hestore-on, és nagyon megtetszett. Viszont fel is merült néhány kérdés, amikre nem találtam a mellé adott adatlapból választ. Alapvetően olyan célra szeretném használni, hogy házvezérlőbe neten keresztül webes felületen betekintést lehessen nyerni, és ezt-azt át is állítani. Viszont ha jól értem, akkor ez csak a belső flash memóriájából szolgálja ki a http kéréseket, nem pedig külső (pl. SD) memóriakártyáról. Namost a kérdés, hogy "dinamikus" weboldalakat lehet-e vele készíteni? Tehát hogy pl. mindig az aktuális hőmérsékleteket jelezze ki. A másik, hogy webes felületről jó lenne, ha lehetne állítani pl. termosztát kapcsolási hőmérsékletét. Valaki csinált már ilyesmit vele?
Néztem a microchip tcpip demó programjait, ott vannak ilyen jellegű példák, de ha ezzel a modullal egyben kiváltható lenne a hardver egy rész (főleg az smd pic riaszt vissza), az jó lenne...
Nekem él a kommunikáció, sikerült az ip-t is beállítani, de nem tudom pontosan hogyan kell vezérelni, ebben tudni vki segíteni nekem? Értem én, hogy mit kell és hogyan kiküldeni, hogy az megjelenjen a soros vonalán
|
Bejelentkezés
Hirdetés |











