Fórum témák
» Több friss téma |
Cikkek » LCD kijelző a PC-re LCD kijelző a PC-re
Szerző: zoknee, idő: Júl 3, 2007, Olvasva: 64349, Oldal olvasási idő: kb. 1 perc
Itt is van: Katt a képre a nagyobb mérethez!
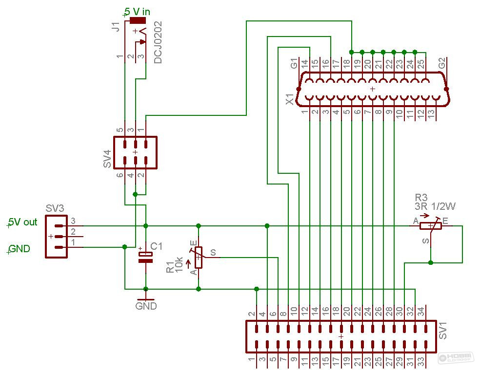
Az 5V-os tápot egy dc tápcsatlakozón keresztül kapja a panel, aminek a belső érintkezője a pozitiv, a külső a negatív. Ezután egy tüskesorra megy, ezen van egy kapcsoló. Ide jön még a jelvezetékek födje is, ezt is a kapcsoló közösíti a táp földjével (nekem nincs közösítve, mert nem találtam 3 áramkörös kapcsolót ilyen kicsiben, és gond nélkül működik). Ez után van még egy tüskesor, ha szeretnénk még valahova mondjuk ledeket akasztani Az LPT porthoz egy szabványos 25 pólusú csatlakozó van. Maga az LCD egy szalagkábelre van rádugva egy tüskesoron keresztül. Mivel nem akartam a szalagkábelt beforrasztani a panelba, ezért egy sima 34 tűs szalagkábel csatiba vezettem be, ahol minden 2. at használom, ami pont jó a szalagkábelnél, mert így pont egy raszterra vannak a forrasztandó drótok a kijelzőnél. Mivel egy 40 eres kábelt használtam, a fennmaradó 6 ér az a kapcsolóhoz megy az SV4 tüskesorról.
A háttérvilágítás előtét ellenállásának be lehet tenni egy potmétert is, ezzel lehet valamelyest állítani a fényerőt is. Még egyszer felhívnám a figyelmet arra, hogy a világításnak megfelelő előtétet használjunk, ellenkező esetben tönkre mehet a háttérvilágítás. A cikk még nem ért véget, lapozz! Értékeléshez bejelentkezés szükséges! |
Bejelentkezés
Hirdetés |


, illetve egy kondi a tápfesz szűrésére.
