Fórum témák
» Több friss téma |
Cikkek » Nagy precizitású hőmérő Nagy precizitású hőmérő
Szerző: vicsys, idő: Márc 23, 2008, Olvasva: 60399, Oldal olvasási idő: kb. 1 perc
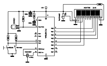
A kapcsolási rajzon látható, hogy az áramkör nagyon egyszerű felépítésű. A mikrokontrolleren kívül csak egy 2x16 soros (HD47780 kompatibilis) LCD kijelző és a szenzor van csatlakoztatva. Az érdemi munkát a kontrollerbe égetett program végzi. Itt is a már jól bevált 4.000MHz-es kvarc (vagy rezonátor) biztosítja az órajelet. A 10kΩ-os trimmer potméterrel a kijelző kontrasztját lehet beállítani. A működéshez szükség van egy +5V-os stabilizált feszültségforrásra, ami egy 7805 stabilizátor IC-vel könnyen kivitelezhető. A bekapcsolás után a kijelző első sorában rövid időn belül megjelenik az aktuális hőmérséklet. A második sorában pedig a mért minimum vagy maximum érték látható, attól függően, hogy a kétállású min.-max. kapcsoló zárt vagy nyitott állapotban van. Ezek az értékek lenullázhatók a „nullázás” nyomógombos kapcsolóval. Ekkor törlődnek a mért min.-max. adatok és elölről kezdődik az adatgyűjtés. A készüléket csak olyan területeken célszerű alkalmazni, ahol kívánatos az ilyen mértékű felbontás – mert a szenzor kis tömegéből adódóan – jelentősen változik a kijelzett érték, és ez megnehezítheti a gyors leolvasást.
A cikk még nem ért véget, lapozz! Értékeléshez bejelentkezés szükséges! |
Bejelentkezés
Hirdetés |



