Fórum témák
» Több friss téma |
Cikkek » OVERKILL - A DCF77-es Nixie óra OVERKILL - A DCF77-es Nixie óra
Szerző: vicsys, idő: Okt 13, 2007, Olvasva: 59754, Oldal olvasási idő: kb. 2 perc
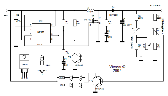
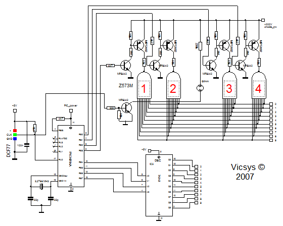
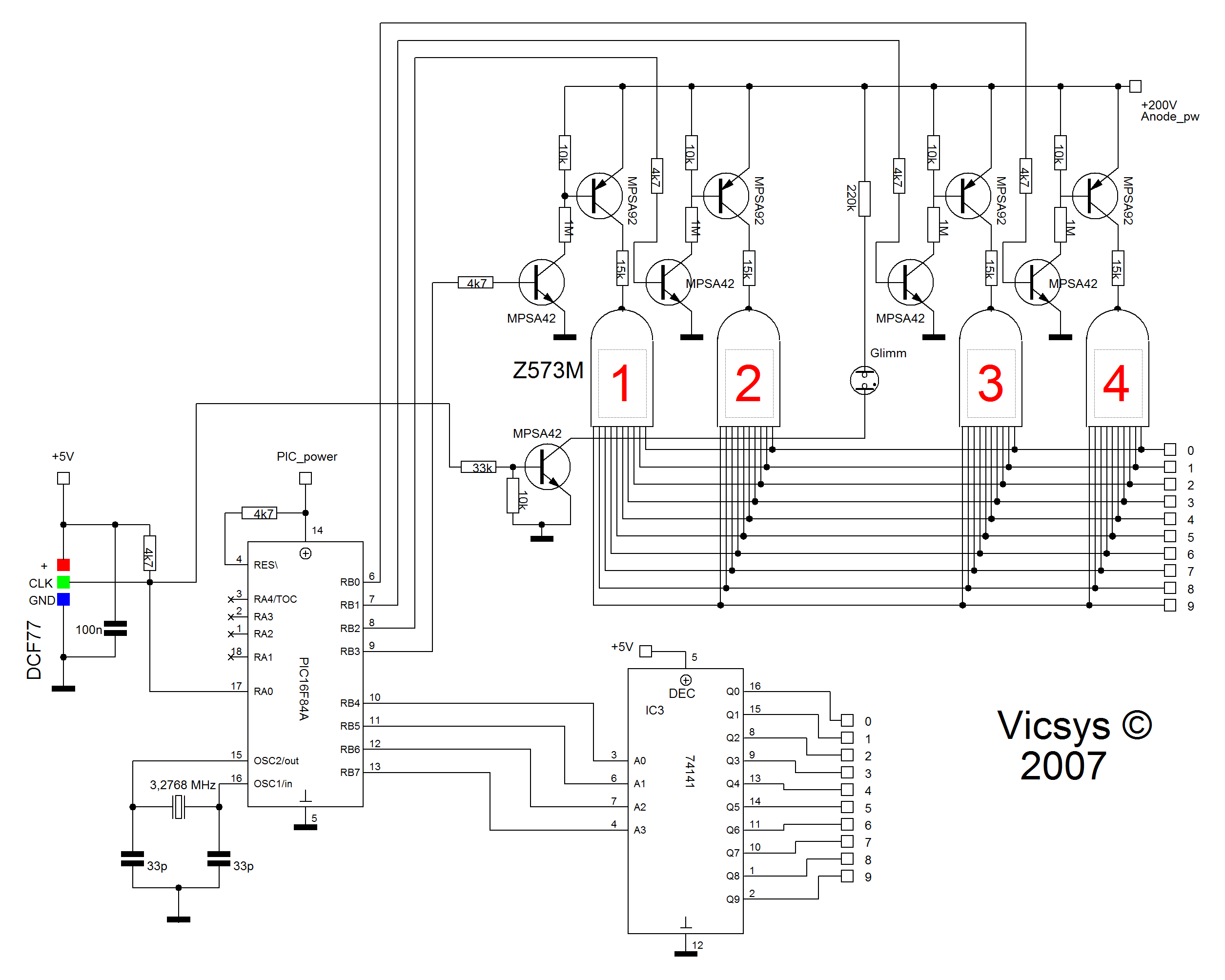
És most lássuk a részegységeket, külön-külön. A tápegység: (Nagyobb méretben történő megjelenítéséhez, katt a képre!) A 7805-ös stabil IC a szokásos beállításban stabil +5V-ot állít elő a bemenetére kapcsolt +9V-ból. A bemenetre kapcsolt biztosíték és soros dióda hivatott megvédeni az áramkört a fordított tápfesztől. A kimenetre kapcsolt dióda elválasztja a +5V-ot az akkumulátor feszültségétől. A másik dióda és parallel kapcsolt 330ohm-os ellenállás célja az akkumulátort tölteni és elválasztani. Az akku jelen esetben csak 3,6V-os 30mA-es, de ez bőven elegendő a PIC részére 3V-ot szolgáltatni hosszabb áramszünet esetén is. (szerepe vitatható, hiszen ha a hálózati feszültség visszatér, az óra beállítja a pontos időt a DCF-jelből. Ha van éppen vétel...) A kapcsoló üzemű nagyfeszültségű tápegység: (Nagyobb méretben történő megjelenítéséhez, katt a képre!) A kapcsolás lelke a már jól ismert NE555-ös IC-vel felépített astabil multivibrátor. R1, R2, és C4 tagok határozzák meg a frekvenciát. Az IC kimenetén megjelenő impulzusok kapcsolgatják a FET-et amely periódikusan földre rántja a 100uH-s tekercset. A tekercs kapcsain feszültség indukálódik melyet a D1 nagyfeszültségű, gyors kapcsoló diódával egyenirányítunk. Ezzel a feszültséggel töltjük a 2,2µF-os 350V-os elkót. Az elkó kapcsain könnyen túlfutna a feszültség, ezért visszacsatolással kontrolláljuk. A visszacsatolást a kimenetre kapcsolt R5, P1 és R6 osztó valamint T2 tranzisztor és R2 ellenállás valósítja meg. A leosztott kimeneti feszültséggel nyitjuk a tranzisztort amely az 555-ös control lábát húzza le közel 0V-ra. Ekkor az IC kimenetén levő impulzusok kevésbé nyitják a FET-et és nem indukálódik akkora feszültség. Ekkor már a tranzisztor nem fog nyitni az osztón keresztül és emelkedni fog az IC 5-ös lábán a feszültség, a felhúzó ellenállás miatt. Ezzel a folyamatosan kontrollált kimeneti feszültséggel tápláljuk a nixie csövek anódjait. Látható, hogy a feszültség osztó alsó tagjával párhuzamosan van kapcsolva egy LDR ellenállás. Ez az alkatrész széles határok között változtatja az ellenállását attól függően, hogy a fényérzékeny felülete éppen mennyi fényt kap. Ezzel a "kvázi automata potméterrel" szabályozzuk, hogy világosban növelje a csövek fényerejét, sötétben pedig csökkentse. Az anódfeszültségre kapcsolt újabb feszültségosztó és tranzisztor az alávilágító ledek fényerejét szabályozza, hogy sötétben ne csak egy nagy kék pacát lássunk a pontos idő helyett. A trimmer potméterekkel könnyedén beállítható - külön-külön - a csövek és ledek minimális fényereje, sötétben. Az óra egység: (Nagyobb méretben történő megjelenítéséhez, katt a képre!) A mikrokontroller fogadja a DCF77-es vevő jelét. Kódolja azt és multiplex módon küldi ki a kimeneteire. A program futásához, külső 3,2768MHz-es kvarc van csatlakoztatva. A 4db. nixie cső anódját 1-1 MPSA42 és MPSA92 tranzisztorpár hajtja meg. A hozzájuk tartozó katódokat pedig a már jól ismert SN74141-es BCD-ből decimálisba kódoló TTL IC hajtja meg. A vevő jele egy tranzisztoron keresztül még egy glimm lámpát is meghajt. Ha van vétel, ez a kis glimm ütemes 1Hz-el villog. Ezáltal könnyű a vevőt Mainflingen (Németország) irányába állítani. A cikk még nem ért véget, lapozz! Értékeléshez bejelentkezés szükséges! |
Bejelentkezés
Hirdetés |




