Fórum témák

» Több friss téma
Fórum » 3 Telefon bekötése
 
Témaindító: Tomszy, idő: Jún 7, 2006
Témakörök:
Lapozás: OK   2 / 2
(#) Tomszy válasza Sebi hozzászólására (») Jún 9, 2006 /
 
köszi a segítséget. az bizony megeshet hogy valaki leejtette, mert régen unokaöcséim játszottak vele, és lehet hogy dobálták. megnézem amit mondtatok. tegnap amikor bekötöttem a csengő akart megszólalni, nem tudom hogy miért. a másik telefonnál pedig pici recsegést hallottam ha rákötöttem, de csak egy pillanatra, mintha elemmel tesztelném a hangszórót olyat.
(#) Sebi válasza Tomszy hozzászólására (») Jún 9, 2006 /
 
A csengő csak 1-et üt a 48V hatására, ha nem olyan polaritással van bekötve a teló, mint a csengő aktuális alapállása (mágnes)
(#) Tomszy válasza Sebi hozzászólására (») Jún 9, 2006 /
 
hi, na összejött pár dolog. A fekete postacsengőt sikerült hangra bírni. A pirosban valóban szét volt törve a panel, ezt megcsináltam és mostmár az is megy, csak van vele két gond: ha tárcsázok, miután nyugtázta a számot kattanik egy hangosat, a másik baj meg hogy minden szám egyel arréb b van valamiért csúszva --> 06 helyett 95-t kell tárcsázni hogy ujra vonalhangot halljak.
(#) Frankye válasza Tomszy hozzászólására (») Jún 9, 2006 /
 
Az ütés nem tudom, mitől van.
A másiknál viszont szinte biztos, hogy a tárcsa el van fordulva a normál helyzetéhez képest. Fel kell lazítani a csavart a közepén (nem egyszerű, két kis lyuk van rajta, nem slicc, de egy jó hegyes fogóval óvatosan megoldható, vagy ha nem, kell egy sliccet reszelni a csavarfejre. Ez utóbbi elég melós, de ha másként nem megy...).
Aztán beállítani a megfelelő állásba a tárcsát, és meghúzni a csavart.
(#) Tomszy válasza Frankye hozzászólására (») Jún 9, 2006 /
 
oks, köszi. Akkor ha a 3 telót összekötöm, honnan tudok hozzá olcsón tápokat szerezni? nem tudjátok?
(#) Remci válasza Tomszy hozzászólására (») Jún 9, 2006 /
 
Nézd meg hogy a panel bal fölső sarkában van-e egy 2lábú kis fekete kocka. Ez 1 un. sokkvédő . Mi mindig ezt cseréltük ilyenkor. Vagy nincs benne, vagy rossz. De megpróbálhatod a panelen lévő rövidzárat is variálni úgy ahogy a rajzon van. Ja megtaláltam a kapcsrajzot nézd meg tudod-e valamire használni.

telefon.zip
    
(#) Sebi válasza Tomszy hozzászólására (») Jún 9, 2006 /
 
A tárcsázás utáni kattanás: - ahogy Remci írta - nézd meg a sokkvédő szelént, mert az lesz a rossz, pótolhatod 2 antiparalel diódával (pl 1N4004), de jobb ide a schottky diódapár, de az drágább. Ez az alkatrész nem csak a füledet védi, hanem a rezgőnyelves hallgatót is - aminek a membránjának közepéből kiszakadhat a (beragasztott) vékony huzal.

A tárcsa: azért, hogy a jel-szünet arányt tartani tudja van benne egy centrifugál-regulátor (röpsúlyos fék). A szaggató mindig eggyel több impulzust generál mint a szám, de az utólsót már rövidrezárja egy érintkező. Ez elég furfangosan állítható, ha elcsúszott a pozíciója. (Neked úgysem kell a tárcsa) Az ujjkorong elforgatása nem megoldás (pozícionálva van) mert a nulla akkor is 11 imp. lesz.
(#) Tomszy válasza Remci hozzászólására (») Jún 10, 2006 /
 
Nem rossz ez az áramkör sem, de gondolom olyat, ami úg yműködik, hogy például ahányas számot beütjük, annak megfelelően egy telefon megcsörrenik valahol, olyat elég bonyolult csinálni. Vagy lehetséges?

A másik hogy sztem Sebinek van igaza, mert nem tudtam sehogysem állítani a tárcsát. Valóban mindig egyel többet kattog, mint amekkora számot hívok. Viszont vmi gond lehet mert 2 kattanásnál a 2-es számot veszi be, nem pedig az 1-est.
(#) Sebi válasza Tomszy hozzászólására (») Jún 10, 2006 /
 
Lerajzoltam neked a "tárcsát", talán megtalálod ez alapján a megoldást.

hívómű.GIF
    
(#) Frankye válasza Tomszy hozzászólására (») Jún 10, 2006 /
 
Idézet:
„...olyat, ami úg yműködik, hogy például ahányas számot beütjük, annak megfelelően egy telefon megcsörren valahol, olyat elég bonyolult csinálni...”

Na, azt nevezik kisközpontnak.
(#) Tomszy válasza Frankye hozzászólására (») Jún 10, 2006 /
 
Akkor csináljunk kisközpontot , szóval komolyra fordítva a szót tudtok kapcsolást kisközponthoz?
(#) Kera_Will válasza Tomszy hozzászólására (») Jún 10, 2006 /
 
RT 87-91 közti havi számai közt vhol van kisközpont leírás !

Bocsi mááár régen lapoztam át a számokat ...
(#) Remci válasza Tomszy hozzászólására (») Jún 11, 2006 /
 
HALI! Találtam egy alközpont kapcsolást, de sajnos csak a nyák és a beültetési rajzot. A kapcs. rajz a RT 90/06-os számban van, de azt kölcsön adtam valakinek és azóta sincs meg. Talán másnak.Jó szórakozást hozzá!
(#) Remci válasza Remci hozzászólására (») Jún 11, 2006 /
 
Bocsesz valamit elnyomtam
(#) Tomszy válasza Remci hozzászólására (») Jún 11, 2006 /
 
köszszépen, majd ha megépítettem jelzek. sztetek tudnék olyat csinálni, hogy felküldöm a nyákrajzot e-mailbe egy céghez, ők kimaratják és az alkatrészekkel együtt leküldik postán?
(#) Tomszy válasza Remci hozzászólására (») Jún 11, 2006 /
 
hu te, most hogy megnéztem jobban a képeket lehet offolom a témát. Ez egy kicsit sok időmet elvenné, ami nekem nincs sajna. még meggondolom azért
(#) miklosch hozzászólása Jan 26, 2007 /
 
Hello!

Nem találtam jobb topikot, ezért ide írom a problémámat!
Van egy 4 vonalas telefonközpont (Easyswitch PX-4)! Eddig a lakásban 3 telefon volt rákötve, de átalakítás miatt ezt leszerelték, és csak egy telefon van a fővonalra kötve! Az lenne a kérdésem, hogy ezzel meg lehet-e azt oldani, hogy az egyik telefonnal el lehessen érni a fővonalat, de a többivel nem, azokkal csak egymás között lehessen telefonálni! Van a hátulján a 2-es,3-as és 4-es telefonvonalakhoz beállítási lehetőség, mindegyikhez van négy kapcsoló, és a következők vannak leírva mellé:
1. intercom call, local call, toll call
2. intercom call, local call
3. incomming bell
4. door phone bell
Az 1és2 össze van kapcsolva, és a kapocsra van még írva, hogy PG mode!
Aki ért hozzá, legyen szíves megmondani, hogy a 2-es telefon kapcsolóit hogy állítsam, hogy azzal csak az a hálózaton belüli telefonokat lehessen hívni!
Remélem érthető, hogy mit szeretnék!
(#) Sebi válasza miklosch hozzászólására (») Jan 28, 2007 /
 
intercom call = belső hívás (lehetősége)
local call = helyi hívás (előhívószám nélküli hívás)
toll call = fizetős hívás (szószerint, nálunk távolsági, vagy előhívószámos)
incoming bell = bejövő csengetés (külső hívás)
door phone bell = kaputelefon csengő

Mivel a típust konkrétan nem ismerem, a ráírtakat értelmezve csak a távolsági hívást tudja korlátozni, letiltani a bejövő hívásnál a csengetést és a kaputelefonnál a csengetést.
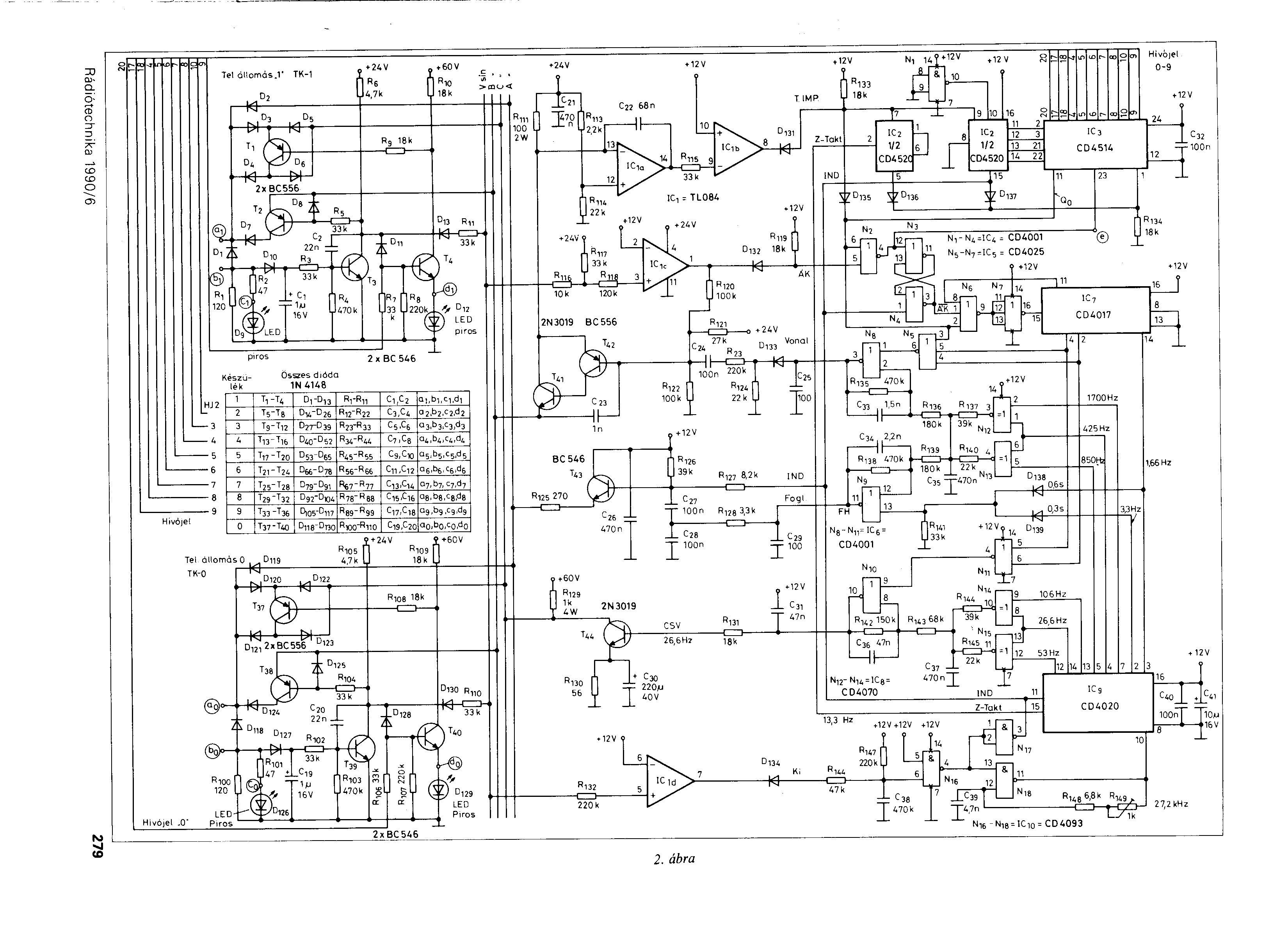
(#) szabo.gth hozzászólása Júl 16, 2008 /
 
Helló!
Ha vkit érdekel még, nekem megvan a rt 1990/06 száma.
Belinkelem a telefonközpont kapcsolási rajzát. Ha vki megépíti, én is kíváncsi vok az eredményekre.

telkozp.PNG
    
(#) xule hozzászólása Jan 8, 2015 /
 
Nekünk a lakásba 2 független vonal jön be(analóg) . Hogyan lehet olyan kisközpontot csinálni ami max. 4 készüléket szolgál ki esetleg vonalátadással mert csak digitálisak vásárolhatók manapság.
(#) pucuka válasza xule hozzászólására (») Jan 8, 2015 /
 
Használtak közt keresgélj, a vőm nemrégiben vett egy Panasonic 2/6 -ost. Egy rendszerkészülék drágább lett volna mint a központ, így azt nem vett. Így is jól működik, csak a kunsztos dolgokat nem tudja, mert azokat programozni kellene.
Építeni nem könnyű feladat.
Bővebben: Link
Következő: »»   2 / 2
Bejelentkezés

Belépés

Hirdetés
XDT.hu
Az oldalon sütiket használunk a helyes működéshez. Bővebb információt az adatvédelmi szabályzatban olvashatsz. Megértettem