Fórum témák
» Több friss téma |
Előtted a világ könyvtára, melynek neve: Google!
Első találat belőle: "A felhúzó ellenállás lényege, hogy ha egy láb bementként funkcionál, de fizikailag nincs rákötve semmi, akkor az általa visszaadott érték kiszámíthatatlan. A felhúzó ellenállás lényege, hogy ha egy ellenálláson keresztül a +5V-ra kötjük ezt a lábat, akkor ilyen esetben megkapja a +5V-ot a láb, vagyis a kiszámíthatatlanság helyett biztosan egyet ad vissza." A bemeneti lábat pl egy 10k-s ellenállással kösd a tápfeszültségre. Ekkor ha egy nyomógombbal a bemenetet a földre zárod, akkor lesz a bemenet nulla, ha nem zárod a gombot, akkor lesz a bemenet magas, azaz 1. Ez meg is fordítható lehúzóellenállással.
Megcsináltam. 10k ellenállás a bemenet és a test között. És folyamatosan bekapcsol. Nem kapcsol ki.
Milyen érték, és milyen dielektrikumú (kerámia, fólia, vagy elko)?
Figyelj! A 10k ellenállást ne a test és a bemenet közé kösd, hanem a pozitiv táp, és a bemenet közé (így lesz belőle felhúzóellenállás). A monostabil időzitése akkor indul, ha a bemenetet egy pillanatra testre kapcsolod! Az 5-ös láb és a test közé elég 100nF kerámiakondi.
Így most meg csak addig kapcsol, amíg nyomom a gombot... én vagyok béna? Inkább újraépítem, új icvel.
Lehet hogy az időzítés a rossz, és egyébként jól működik?
Elnézhetted az időzitagok értékét. 15k, és 100µF ~1.6 sec időt eredményez, eddig kell a hármas lábnak magas feszültségen lennie. Próbálj nagyobb értékű ellenállást tenni bele, akár 1Mohm-ig is elmehetsz. Mit kötöttél a kimenetre?
Egyáltalán nem akar müködni. Igen 1.6 mp kellene nekem kb.
A lényeg hogy mi is ez. Van egy központizáram a kocsiba, de nem lehet az indexeket rákötni. Mikor zárok/nyitok felvillanjon. mikor a motorokra áram megy, kapcsolná az ic bemenetét, 1-2 mp-re egy relét behúz ez lesz a villogókra kötve. Újra megépítettem de ugyan az a helyzet. Amig nyomom addig kapcsol.
Egy kérdés az újra megépítésre: full másik alkatrészeket használtál, vagy ugyanazokat, csak másik IC-vel?
1. eset: valamit elnéztél: rosszul kötötted be, rossz lábra, stb, vagy rosszul olvastad le a kondiról az értéket, ilyenek. 2. eset: rossz valamelyik alkatrész értéke: Nem jó az időzítésed. Az áramkört milliónyian használják jól, így vagy az alkatrészben van a hiba, vagy benned
Az elkót helyes polaritással kötötted be?
minden újraépítésnél új alkatrész. inkább elküldtem havernak e-mail-be hoyg csinálja meg. sajnos nincs már időm ezzel foglalkozni... azt hittem egyszerübb.
Egyszerű az! Csak valamit elrontottál. És az ember képes csőlátással menni tovább, ahelyett, hogy megmérné az ellenállás értékét pl.
Majd mesélj, hogy mi a hiba. Lejjebb azt írtad, hogy 10µF-os fóliakondi, valaki meg 100µF-dal számolta az 1.6másodpercet, akkor most melyikben van a hiba?
kész, feladom, ő se tudja. Újraterveztem 2x a beültetést. az egész napom ezzel ment el. és semmi. Amig kapcsolom a tiggert adig kapcsol a out-on. De ha elengedem egyből visszaenged. Kipróbáltam többféle kondi/ellenállás értékekkel is. Most leddel próbáltam ki. Ha kikapcsot állapotban van az out, akkor vibrál a led halványan, ha 2-es láb testen világit, elengedem vagy nem világít vagy szintén vibrál. vagy épp amihez kedve van. egy marok új alkatrészt elhasználtam. sehogy se akar összejönni. Valaki meg tudná nekem rajzolni? néztem kapcsrajzot de ugye ugy nem tudom beültetni. van 4 féle beülteésem de mindegyik ugyan azt produkálja. Ja és astabilként csak egyszer felvillan és kész.
nemsokára teszek fel, csak most épp egyik sincs összerakva. Van különbség az NE555 és az LM555 között? ha van akkor mi? Mer több rajzon is LM555 van nem NE.
Hali
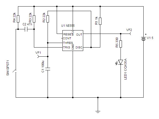
Egy oldallal elobb felraktam egy rajzot(#703181). Az biztos mukodik. Probald ki. Annyira nem lehet bonyolult ez a kapcsolas hogy valaki rosszul csinalja meg. Udv Vili
köszi mindenkinek, de feladtam. Egyszerüen nem tudom megcsinálni, mert a rejzokon nem ott vannak a lábak ahol kellenének és én nem tudok nyákot tervezni, ugyogy nem villog majd az index. annyira nem is fontos. Köszi mindekinek!
Esetleg próbáld meg ezt: CD4047
ezt nem ismerem, ezzel könnyebb?
Nézzd meg adatlapját...
néztem, de nem lettem okosabb
4. oldal Trouth table.
Viszont ez ebben a topicban már off.
Logic Diagram? huha.
én ehez nem értek. feladom! Köszönöm! ez magas. azt hittem egyszerübb.
Alatta...
Le van írva, hogy melyik lábat hova kösd: táp-gnd-be-kimenet... és az időzítést. De ha nem érdekel, akkor ez van...
Azért teljesen ne menjen el a kedved, ha most úgy érzed nincs rá időd - kedved hogy megépítsd ezt az egyszerű kapcsolást, rakd el egy dobozba és majd ha kipihent leszel -vedd elő és próbálgass! Sok kapcsolást (NYÁK-rajzot is..) találhatsz 555-re itt a neten ! Ha valami nem megy itt az oldalon biztosan segítenek! :yes:
Hi!
Egy monostabil multivibrátort kell építenem. Az lenne a kérdés , hogy az alábbi kapcsolásban melyik taggal tudom az időzítést állítani? |
Bejelentkezés
Hirdetés |










