Fórum témák
» Több friss téma |
Fórum » 5V-os, napelemes táp építése
Egy ideje foglalkozok hazilag napelemes tolto/tap keszitesevel 5Voltos stabil feszultseg eloallitasara.
Mivel ez a tema eleg sok reszproblemat vet fel, szeretnem ide osszegyujteni a tapasztalataimat, melyek kisse szetszorva mar fellelhetoek persze hasonlo topicokban. Szeretnem ha egy helyen megtalalhato lenne minden ami segithet a nehezsegek lekuzdeseben. Termeszetesen szivesen varom barki tapasztalatat, hisz en is azokbol tanultam, volt hogy elsore nem hittem el de aztan megis igazuk volt a tobbieknek ![]() Hogy bovebben behataroljam a tema kereteit szeretnek megosztani veletek par iranyelvi pontot mi kerulhetne es mi nem ide: 0. ha lehet a konnyen hordozhato napelemes aramforrasokat celozzuk meg es ne a robosztus haztetore szerelheto vagy nagykofferba integralt berendezest 1. mindenkeppen 12Volt alatti stabil kimeno feszultseget generalo napelemes aramkorok epitesehez szukseges informaciok, mivel a legtobb nagyobb teljesitmenyu napelem kivetel nelkul 12V (vagy tobb) terhelt feszultsegre van meretezve. Akinek 12V feszko kell annak csak egy stabra van szuksege vagy arra sem, tehat szeretnem ha itt csak az ez alatti, legfokeppen az 5V-ot ado tapok epiteserol lenne szo, a teljesitmeny minel hatekonyabb kihasznalasa erdekeben. 2. egeszen a cellak kivalasztasa, meretezese, osszebarkacsolasa (ragasztas vagas, kotes/kapcsolas, teszteles stb.) melysegeig megosztanank a tapasztalatainkat. 3. egeszen az osszeallitott tapegyseg/tolto magassagaig lehetnenek otletek, helytakarekossag mobilitas tekinteteben. (Pl. milyen osszehajthato tokokat talaltatok ki, hogy oldjatok meg a melegedes problemejat, hogy massziv legyen a cucc de ugyanakkor konnyu stb.) 4. mindenkit szeretettel varok, varom a javaslatokat es elnezest ha kicsit lama vagyok az elektronikahoz ![]() Hamarosan hozzaszolasokba szedve megosztom tapasztalataimat, problemaimat eleinte meg kicsit 'blog' szeruen a temaban. Udv, Gammabuta
Hali!
Nekem kérdésem (egyelőre) nincs a témában, csak egy javaslatot írok: Szerintem elég sok ember szeretne házilag napenergiát előállítani, ezért ha sikerült megcsinálnod az 5 voltos töltőt akkor írhatnál róla egy cikket.
Kedves mester!
Igen, ez lesz a vegso celom, mar megvan egy rakas info itt a fejemben de ugy gondoltam sosem keszulok el, ha nem kezdem ide osszeszedni egyesevel. Igy most reszletekbe beirogatom ide a cikk reszeit, es ez azert is jo lesz mert ha valaki mast tapasztalt vagy valamire rosz terminologiat hasznalok, akkor tudom magam kijavitani es masok engem. Na igyekszek idotszanni az elso temara ![]() Koszi, hogy beneztel! Termeszetesen csinaltam mar tobbfajta 5voltos napelemes toltot is amelyek mukodnek, de mindig van mit tokeletesiteni es uj 5letek stb.
A téma címét átírtam némileg "emészthetőbbre".
Ime az elso temam:
A legkisebb es legszuksegesebb hozzavalorol szolnek, a napelem cellarol. Elnezes ha nem a megfelelo terminologiat hasznalom, en azt nevezem napelem cellanak, ami a legkisebb egysege a napelemnek, amelyeket MI csak megkisebb napelem cellakra tudunk tovabb bontani. Azaz ennel tovabb nemtudunk bontani egy napelem panelt anelkul hogy megint egy cellat kapjunk, maximum a cellat torjuk kette ket kisebb cellara. Tehat amit cellanak mondok maga a napelem azon resze amelyben az aram/feszko keletkezik, jele esetben amivel foglalkozni fogok az a szilicium bevonatu cella. Ha megneztek egy napelem panelt (panel alatt a nya'kot, a nya'kon elhelyezett cellakat es az azt vedo atlatszo burkolatot ertem) lathatjatok a felepiteset. Hogy erthetobbe tegyem, aki vesz egy napelem panelt, az valoszinuleg egy olyan lapot kap amely altalaban egy nya'kbol all es a nya'kon tobb azonos meretu napelem cella van sorba (neha parhuzamosan) kotve majd valami atlatszo bevontattal bevonva, hogy ne torjon, ne karosodjon. A cellakkal legtobben nem talalkoznak szemelyesen (en igen )), viszont az atlatszo bevonat miatt lathatjatok a cellakat beleontve a mugyantaba/szilikongumiba.Azert erdemes tudni a cellakrol mert a szamuk hatarozza meg a kinyerheto feszultseget, egy cella felulete (altalaban mind egyezo feluletu, de errol majd szolok miert) hatarozza meg a kinyerheto aramot. Mellekelek par fotot amelyen napelem panelek lathatoak, amelyeken ranezesre is lathato/megszamolhato hany darab cella van. Az elso kepen egy napelemes kertilampabol kiszerelt panel lathato. A panel sziliciumkristalyos, en is csak a szilicium alapuakrol fogok irni, mert azokkal volt csak tapasztalatom eddig. A kertilampas napelemen ha raneztek jol lathato 4db elkulonult resz, ez a 4db cella. Megjegyeznem, hogy hiaba 4x4.5cmes a kertilampa napelem felulete, ami nekunk lenyeges az a cellak felulete lesz es mint latjatok elegge fukarul bantak veluk, van koztuk hezag boven ![]() Ott tartottam tehat, hogy 4db cellat lathattok. A szilicium cellakrol a legfontosabb tudnivalo talan, hogy minden ilyen elemi cella 0,5Volt terheletlen feszultseget ad maximum es nem tobbet. Ahhoz, hogy nagyobb feszultsegu panelt kapjanak sorba kell kotni nehanyat. Ezen kertilampaban 4db cella van sorba kotve, ami ha jol szamoltunk 2Volt feszultseget ad terheletlenul. Sajnalatos modon a terhelessel a feszultseg itt is csokken, ezert mindig majdnem 2xannyi cellat kell sorbakotnunk hogy a kivant stabilizalt feszultseget kinyerjuk, mint amennyit kiszamolnank a 0.5V x cellaszam segitsegevel. Ez a panel 2Voltot ad ami pont eleg arra, hogy terhelve egy 1.2Voltos ceruzaaksit tudjon tolteni (es persze a vedodioda feszultsegesese is bekalkulalando, de errol majd kesobb irok). Ha megnezitek egydb cella feluletet abbol a kinyerheto aram mennyisegere tehettek jo becslest. Ezek a cellak kb 40mA aramot tunak adni mereseim szerint eros napsutesnel a kis feluletuk miatt 1.2Volton, persze ez is sokmindentol fugg, ahogy anapfeny erossege is. Minden egyes cella felulete nagyjabol azonos kell legyen, mert a legkisebb feluletu, leggyengebb aramot ado erosen meghatarozza a kinyerheto ampert. (Szerencsere nemelyik ujabbfajta cella valamelyest azert atereszt valami bypassz diodas modszerrel, de errol nincs pontos infom, majd aki okosabb beirja ide.) Osszefoglalva: - a cellak terheletlen feszultsege 0,5Volt - a cellak felulete (azaz a legkisebb feluletu cella felulete) hatarozza meg a kinyerheto aramot - a megegyezo feluletu cellakat sorosan kotve (bekotesrol masik reszben irok) erjuk el a kivant feszultseget, amelynel majdnem ketszer annyival kell szamolnunk mint a terheletlen cellafeszultseg - a cellakat napelem panelek epitesere hasznalva kapjuk magat a kivant teljesitmenyu napelemet Boltban megvasarolhato napelemes toltok, aramforrasok segitsegevel el is arulom a kepletet, mennyi cella kell egy stabil 5Voltos illetve egy stabil 12Voltos taphoz. - 12Voltos nevleges feszkoju napelemeknel 36db 0.5Voltos cellat kotnek sorba - 5 v. 6Voltos stabil feszko eleresehez 18db cellat kell sorba kotnunk Termeszetesen parhuzamosan is lehet kotni paneleket, de ez esetben bizonyos dolgokat figyelembe kell vennunk es vedodioda is szukseges lehet (errol is majd masik hozzaszolasban irok hogyan). Betettem egy fotot egy napelem panelrol amely 12Voltos aksi toltesere lett kitalalva, megszamolhatjatok rajta, hogy 36 cella van. Ez a szabaly kenyelmesen alkalmazhato, aki napelem paneleket akar epiteni. Gondolom itt nemsokan valaljak mert sok nyuggel jar ) nekem is beletorik a bicskam neha.....de leginkabb a cella torik szilankosan hehe
Hi!
Napelemekről egy kis összefoglaló: Napelemek jegyzet Nem kell feltétlenül sok cellát sorbakötni, több megoldás is kínálkozik a kívánt feszültség előállítására. A legkézenfekvőbb kb. 7-8 V előállítása teljes fényerőnél, és egy jó hatásfokú buck-boost konverterrel előállítani stabil 5 V-ot. Esetleg lehet kisebb feszültségről step-up konvertereket (lásd a Topi-féle cikket erről), vagy nagyobbról step-down konvertereket építeni. Áteresztőstabot nem érdemes használni a nagy veszteség miatt. A rendszert úgy célszerű megépíteni, hogy kis megvilágítottság mellett (3-400 W/m^2) is elő tudja állítani a kívánt áramot. A Si napelemek hatásfoka egyébként kicsivel jobb kis megvilágítás esetén, valamint nagy fénysűrűségnél, koncentrátorok alkalmazásánál. A koncentrátoros alkalmazás pontos beállítást tesz szükségessé, így a hordozható rendszerekben nem célszerű alkalmazni. A napelemeknek (Si alapú) több fajtája létezik, a legjobb eredményt az egykristály napelemek adják, ezek viszonylag törékenyek és drágák. A poli- illetve multikristályos cellák elfogadható teljesítményt adnak le közepes ár mellett. A legolcsóbb és legrosszabb hatásfokú cellák (5-10 %) a vékonyréteg (amorf) napelemek. Ezek idővel degradálódnak, élettartamuk kb. 20 év (és időben fokozatosan csökken a leadott teljesítmény, 20 év után már csak kb. félteljesítményen üzemelnek). Ha a hordozhatóság a cél, akkor a multikristályos napelemcella a nyerő, ha az ár/teljesítmény arány, akkor inkább az amorf. Soros cellakialakításnál nemcsak a cella felülete, hanem a megvilágítottság is szerepet játszik a kinyerhető áramban. Ezért úgy kell kialakítani a töltőt, hogy ne legyen "letakart" cella működés közben. A stabilizálatlan feszültséget (napelem és tápáramkör között) erősen kell pufferelni, az esetleges pillanatnyi kimaradások kiküszöböléséhez. A védődióda miatt ez nem károsítja a cellákat. Idézet: „Megjegyeznem, hogy hiaba 4x4.5cmes a kertilampa napelem felulete, ami nekunk lenyeges az a cellak felulete lesz es mint latjatok elegge fukarul bantak veluk, van koztuk hezag boven” Van olyan kerti lámpa, aminél a teljes felület aktív, de a kinyerhető áramban ez nem mutatkozik meg, a képen multikristályos cella van, míg a "teljes felületű" lámpák hulladék amorf cellákból vannak.
Kedves György!
Köszönöm az infókat, mihelyst szerzek word-os gépet átfutom a jegyzetet. Én kétfajta Si napelem buheralasával foglalkotam még és a többi fajtát még nem mertem venni, az általad említett kertilámpásból sem. (Sajnos az elnevezésbe biztosan belekavarodok, de talán a multi/polikristályos az egyik.) Mellékelek pár képet néhány celláról azok közül, amelyekből mostanában próbálok összehozni egy napelem panelt egy nagyobb teljesítményű (általam most a 0,5-1A 5Volton van megcélozva) töltőhöz. Én úgy számoltam, hogy ennél a fajtánál 10cm2-nyi felületekből már 500mA áram kinyerhető, ha úgy darabolom, viszont még nemjöttem rá a tökéletes darabolás nyitjára. Igen vékonyak és könnyen törnek pici üvegszilánk szerűen. Sajnos általába nem az általam bejelölt vonal mentén ![]() Próbálkoztam motoros gyorsvágóval, majd kerekes üvegvágóval, vidiaheggyel, de úgytűnik még nincs meg a megoldás... Ha bárki tud jó ötlete, hogy a nagyobb méretű képen látható celláimat hogyan darabolom az általam kiszámított vonalak mentén kérem ossza meg itt ![]() Egyébként a legnagyob cella a képen (0.5Voltos mind) kb 1.7Amperre lenne képes, én 3,5 darabba szándékszom törni ha egyszer meglesz a nyitja, addig próbálkozok a kisebb törmelékkel, de még mindig nem sok sikerrel. Természetesen gondoltam arra is, hogy nem sorba kötöm őket egyenlő felülettel, hanem párhuzamosan, majd egy step-up konverterrel alakítom 5Voltra. Olvastam a cikket a step-up-ról itt, de egyrészt azt az a MAX IC-t itt most nemtudom beszerezni, másrészt nemtudom milyen step-up bír ki 2-3ampert bemenőbe, ráadásul igen alacsony feszkón. (A MAX-os tuti nem.) Erről is aki tud többet ossza meg mert egyszerűvé tenné a helyzetet.
Írok most kicsit a cellák kötéséről.
Természetesen más módszer is van, mint időközben lgyk irta is, de én azért megemlíteném ezt a módszert is, főként azért mert eredetileg terveztem, másrészről, mert eddig a kereskedelemben kapható 6volt körüli feszkót megcélzó napelemes panelekben a 18 egyforma cella sorbakötve módszert találtam és a gyakorlatban bevált. Igazából nem a cellaszám a lényeg. Ugyanazon tipusu celláknál, vagy ha ugyanannak a darabjairól van szó akkor a kisebb darabokat köthetjük addig párhuzamosan, amíg el nem érjuk a kívánt felületet. Több azonos felületü cellaegységet gyárthatunk kisebb darabokból, párhuzamosítva őket védődióda nélkül, mivel feltételezzük hogy egy síkba vannak, a feszkó megegyező és egyik sem lesz árnyékban persze ![]() Sorba kötés egyszerű ezek után, a cella alját kell a másik cella tetejéhez kötni. Ezt úgy tehetjuk meg, hogy a forrasztható vastagabb nyomtatott áramkör szerű bevonatra kell forrasztani a vezetéket. Az általam ismert Si celláknál a - pólus a felső (amire süt majd a nap), a + pólus az alsó, erről mellékelek is ábrát egy készletből. A napelem felületén található vezető hálózat nagyon fontos, általában 1-2 vastagabb forrasztható vonal van amire majd a vezetéket cinezzük, és erre merőlegesen igen vékony vonalak, amelyek begyújtik az áramot a távolabbi részekről. Az nagyon fontos, hogy az egész felületet behálózza ez a vezető bevonat, különben nem használjuk az egész felületet. (Persze azért vékonyak, hogy ne takarjanak sokat.) Mivel nekem is összetört darabjaim vannak ez komoly gond, hisz ha a vonalakra szögben tört a panel valahogy egy vékony vezető vonalat kell rá kreálni, hogy újra meglegyen az összeköttetés a vastagabb (könnyebben) forrasztható részhez. A cella alján általában csak a vastag vonalra tudunk forrasztani, mert a többi rész valami aluminium ötvözet. Az olyna celladarabok, amelyeknél nincs vastag forrasztható bevonat eléggé felejtősek ![]() Például a fényképen előző hozzászólásomban látható olyan amely 'menthetetlen' és sok kisebb olyan, amelynél össze kell ktni majd a vékonyabb vonalakat. Pár ötletem már van a vezető vonalak pótlására, egyik a rézszál ráforrasztása volt a vékony vonalakra/hoz merőlegesen, de elég necces ![]() A másik az ezüstfesték, mint vezető bevonat, ami elég drága vagy kisérletezni kell olcsóbb nem célfestékekkel. Akinek van jobb ötlete, kérem ossza meg itt! Nos elég idegesítő ha kapunk egy napelem panelt ahol a gyárban valahol rosszul forrasztottak és nem érintkezik valahol a vezető amivel összekötöték a cellákat, de persze az egész már bevan öntve egy panelba... Jártam így és többet nem szenvednék vele, hogy kinyomozzam hol van a szakadás... Persze sosem adom fel módon egy celát kiiktattam párhónapnyi fúrkálás és megcsapolás után, majd egyszerüen rövidrezártam azt az átkötő vezetéket mert ugye szilánkokra tört a cella mire megfurkáltam alatta a nyákot ![]() Ennyit a kész panel javításáról, csak az elvakultaknak ajánlom, de még ígyis egyszerübb ott kiiktatni a cellát ahol lehet egy kis rövidrezárással a környéken ![]() Visszatérve a soros párhuzamos kötésre pár lényegesebb gondolat. Ha már összejött a cellaszám és mevan a panelunk, vagymegvannak a paneljaink akkor a panelkat sorba kötve semmi gáz nincs. Minden igyen összeálított panel végére egy védődiódát kell tennünk viszont. Sorba kötött paneloknál csak 1dbot, ha párhuzamosan kötünk több cellát mindegyiknek meg kell lennije a diodaja majd utána közösítsük. Így a feszóesés ugye minimális és mégis védva vannak egymástól. Persze erre a védelemre párhuzamosításnál cella szinten nicns szükség csak ha már sorba kötött cellákat párhuzamosítnk újra. Természetesen ezt se mindig alkalmazzák, lehet kapni olyan napelemes töltőt, ahol előbb párhuzamosítják a 2db 6voltos panelt majd jon egy dióda, de szerintem es eléggé butaság, bitosabb ha mind után teszünk a végpont elé. A dióda tipusa is döntő. Én régebben ódszkodtam tle de ma már csak Schottky-t teszek, mert alacsony a feszkóesése ami igen fontos napelemes rendszereknél. (Amit mostanában használok az 1ampert is kibír egyébként és nem drága, szinte minden 5Voltos panelnél használható.) Természetesen Si dióda is jó, de több feszkó esik rajta és talán nem is kell olyan biztos védelem. Ennyit a cellák és panelek kötéséről illetve a védődiódáról. Remélem van akinek hasznos lesz ![]() Kicsit pihentetem a panel építés témát, amíg nem lesz meg pár szükséges infó. Most akkor az 5Volt kinyeréséről a saját tapasztalat. Általam ismert pár módszerből: - step-up konverterek Ez amiről a legkevesebb használható infóm van. Ami a kerti lámpában is van az nem ad igazi egyenáramot tehát számomra felejtős. Az itt fórumban is írt MAXos kapcsolás nemkezel több ampert illetve ajánlatos annál is 2voltnyi tereletlen feszkóig sorba kötni. - regulátorok, Ezeket igen kedvelem, de csak a low-drop-osakat. Elég nekik 0.5-1 volttal több bemenő feszkó, mint kimenő, és a 18 cella sorba ami 9Voltot ad terheletlenül, de 5Voltra stabilizálva nem olyan nagy mégsem a veszteség. A 7805 és egyéb nem lowdroposak felejtősek, sok hőt diszcipálnak el fölöslegesen, több cella kell nekik stb. 2fajta lowdropos 5voltos regulator IC-t favorizálok. Ezeket megépítettem és könnyen felszerezhetőek, mindegyikhez csak 1-1 pufferkondi kell a lábaira, hasnonló a 7805höz a bekötésük. Majd bemutatom őket, az egyik 160mA-ig engedi az áramot, a másik 500mAig, mindkettőt használom PDA töltésre. -step-down konverterek Ha olyan szerencsések vagyunk, hogy 12Voltra tervezett nagyobb tejesítményű (mondjuk 5-10W-tól kezdődően) napelem panelünk van. Vagy ha olyan szerencsétlenek, hogy 5watt fölött csak 36sorbakötött cellásat kapni és nembonthatjuk meg, akkor marad ez a hatékony áramkör. Ebből egyet szintén megépítettem, igen egyszerű volt, 40Volt bemenőig bírja, 3amper áramig, ami már elég szép ![]() Ugyebár a regulátor itt nem nyerő mert hőve alakítaná kb 60%at a teljesítménynek vagy többet. A step-down akár 80%os hatásfokkal visszapumpálja áramba és nem is melegszik légyegesen, ami elég hasznos ha a tűző napon van a kütyü. Nemsokára bemutatom a regulatoros és a step-downos stabilizátoraimat, napelemes töltőimet! Küldjétek a step-uposokat ha van! Köszi.
Átfutottam, köszi a jegyzetet!
Sokmindenre fénytderít majd, illetve helyrehoz pár fogalmat/terminológiát. Nemfogok mindent érteni belle, csak lakótelepi barkácsember lévén, de előjönnek az általánosiskolás fizikaóra emlékei! Step-down -ból amit megépítettem az egy LM2576T-ADJ ICt használ, csak mert ez volt a boltban... Elvileg 3Ampert bír és én 25Voltos kondit tettem bele, de amúgy bírná 40Voltig a bemenőt. Kapcsolást találtok a leirásában ha kerestek rá, én az alap kapcsolást építettem meg. Sajnos 12Voltra tervezett napelemem nincs, így még csak mezei táppal teszteltem, úgy működött. Ha veszek nagyobb teljesítményű napelempanelt készen, tuti hajlíthatót veszek és majd ezzel fogom használni. Sajnos tudtommal ahajlítható panelek még 3-5% közötti hatékonysággal használják csak fel a napsugárzást, így lehet kivárok még kicsit a vásárlás előtt. Mellékelem a képeket a kapcsolóüzemi stabomról készülés közben. Ha egyszer lesz egy ilyenem: http://www.flexsolarcells.com/Rollable_Series.php Akkor biztos hasznat veszem! Most bemutatnam az egyik regulatoros toltomet ami LP 2950CZ-5.0 IC-t hasznal. Az IC eleg picike es a hatranya, hogy nemkapott hutobordarogzitesi lehetoseget ezert a melegedes gondot tud okozni, igaz van benne vedelem es egy kisebb napelempanel nem is ad tul sok plusz feszkot neki. Talan mar 5.5Volt bemenore is ad 5voltot, akinek eleg 160mA annak hidegen ajanlom (melegen azert nemmert megsulne ha pl nem napelemnel hasznalnad hanem hazozati taprol).Ez a legkisebb mindkozul, 160mA bir max a lowdropos stab, a napelem kb 120mA-t szolgaltat. Igy is kenyelmesen tolti a PSPmet. Most csak bemaolom ide egy regi hozzaszolasom rola: Megcsinaltam a kis stabot, sokaig kerestem megfelelo dobozkat ami kicsi fem es raragaszthatom a napelemem hatuljara, hogy nekelljen tokot gyartani meg ne kivul logicsaljon. Mellekelem a "kapcsolasi rajzot" azaz lefotozva az aramkort amibe most eppen 2db hangfalkabel vezeti a napelempanelrol erkezo aramot (meg anapelem +labara sorbakotottema schottky diodat, igy az mar egyeniranyitva erkezik a dobozkaba es a 2950-esre). A dobozka vegul egy kubu udito teteje lett, ez 129forintomba kerult de ficnsi volt, megittam aztan a kupak furkalasa kovetkezett Van rajta 2db RCA aljzat kivezetesnek, azon a piroson jon ki egyazegybe a napelem kimenete az az a bemenet, ha a stabilizalatlan feszko kene nekem valamira, mobiltoltesre vagy hogy parhuzamosan kossek tobb ilyen panelt. A fekete RCA dugaszon meg a 5Voltra stabilizalt cuccos a 2950esrol (ami ugyebar 160mA-t tud max adni, de sebaj eleg az atlagos tolteshez.)
Szia!
Nagy gond lenne, ha ékezettel írnál? Elég keserves olvasni így a szöveget, a legtöbbet kétszer kell elolvasnom. köszi! proli007
Tudom, hogy nem egyszerű így
![]() ha otthon írok pár sor után ráállok az ékezetes billre. de ha a cégnél pötyögök akkor ékezet nélkül. Igyekszem tenni ez ügyben persze. Most úgysem akarok sokat írni amíg nem gyűlnek ide a népek! Elnézést az ékezethiányomért, és köszi, hogy benéztél!!! A hír pedig az, hogy lehet csinálok mégis step-up tápot ha a maxim küldi a samplét
Pedig nem zavaró az ékezet nélküli írás.Ha valakinek gány a böngésző kódolása, igy legalább el lehet olvasni. Pár szöveg után már automatikusan rááll az ember szeme, agya és folyamatosan olvasva remekül felfogja. Hidd el kedves proli007, gammabuta csak ezt a készséget szeretné erősíteni a remek cikkei mellett
Napelem téma engem is nagyon érdekel, nagyobb...egész ház villamos ellátásában is, csak még dráága
10év mulva lesz szerintem talán már olyan a napelem téma hogy gazdaságosnak lesz talán momdható...
Addig csak türelem a házépítésben
Üdv.
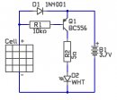
Szeretnék segítséget kérni napelemes töltéssel kapcsolatba. van egy napelemem (6v , 100ma) töltök vele akkut (3,7v , 800ma) A termelt energiával megy 1 db fehér led(3,6v , 20ma) Azt szeretném ,hogy csak északa világítana. A legegyszerűbb megoldás állítólag egy PNP tranyó beiktatása de nekem valamiér nem akar sikerülni. Megköszönném ha valaki segítene , a tranyo pontos típusával és egy kapcsolási rajzal.
Hello!
Sajna még nem volt napelemem, de aki tanácsolta valami ilyesmire gondolhatott. Próbáld ki, szerintem bármely PNP tranyó jó bele. üdv! proli007
Én vettem egy napelemes kerti lámpát, hogy megtudjam mitől kapcsol át. A lelke egy négylábú "tranzisztor", (a típusát most nem tudom), de nagyon nehezen találtam adatlapot, kínaiul. Valami komparátor van benne, amit sikerült kisütni az irományokból.
Most lesz
![]() Ma vettem egy napelemes töltőt, de elég érdekesen viselkedett, ezért leszedtem a burkolatot és megnéztem mi van alatta. Láttam már bonyolultabb szerkezetet ![]() (van másik kettő, egyiket nem tudom szétszedni roncsolás nélkül, mert ragasztott, a másik meg tölt elvileg, akku védelem is van rajta, de kivenni csak akku feszt tudok belőle, sehogy se akar 5V-ot csinálni) Na tehát a szóban forgó napelemes töltő egy NB-002 Solar Charger. A papírjára az volt írva, hogy 1350mAh akku van benne. Amikor szétszedtem, láttam, hogy egy igencsak lestrapált NOKIA BL-4C van benne. Pozitív, negatív csatihoz egy-egy kábel forrasztva, a 3. csatlakozó pedig szabadon van hagyva. Az akku gyárilag 860mAh. Csak akkor világít a LED, ha napelemről töltődik. Ha USB-ről, akkor nem. Ezt érdekesnek találtam, mert így nem tudom mikor fejeződött be a töltés kábelről. Ha kifele vételezem az áramot, akkor sem világít. Amikor szétszedtem, lekötöttem a napelemet és elkezdett világítani a LED. Miért? Utána kikötöttem az akkut is a biztonság kedvéért. Ha így rákötöm az usb részére a töltőt, akkor világít a LED. szintén érdekes. Sőt, ha a napelem nincs rákötve, csak az akku, és usb-ről töltöm, akkor is világít. Ha minden vissza van kötve, akkor lehetséges, hogy a napelemet akarja tölteni? ![]() Mellékelem a kapcs rajzot, van 3 alkatrész amiről nem tudok szinte semmit. Jobbra dőlő / jelek közé írtam ami az alkatrészre van írva. 2 IC és egy tekercs amiről nem tudok semmit. Töltésvezérlés gondolom nincs semmi, csak reménykedhetünk benne, hogy nem tölti túl, illetve meríti le nagyon az akkut? (elvileg az akksiban még benne van a figyelő elektronika, csak épp a kivezetése nincs sehova kötve) Mit mondtok erre? (ha kell még kép, majd a mai nap folyamán csinálok d.u. a panelről)
Ja, és kérdés az is, hogy azok az alkatrészek mik lehetnek, illetve milyen értékűek. (amiket nem sikerült beazonosítani)
Szia!
Ez ami a képen van egy Li-Ion aksis (igen, NOKIA aksi van benne) napelemes töltő, ami a napelemről a 3.7Voltos Litium aksit tölti és te a beépített aksiról (akkor is amikor nem süt a Nap) tudsz 5Voltos vagyis USB dolgokat tölteni. (Esetleg talán még van 6voltos kivezetése is, hogy régebbi telókat is lehessen tölteni róla, de ezt nem látom pontosan.) Én ilyen bonyolult Litiumost nem építettem és nem is tartom értelmét, mivel itt igen nagy a veszteség. Elmondom mi ez ahoyg én látom: - napelem panel - NOKIA 3.7Voltos Li-Ion aksi töltőárakör (valószínleg nem egy bonyolult, gondolom 4.2voltot generál kb. és az aksiban eleve van chip) - Step-UP DC-DC konverter ami a 3.7Voltos aksi feszültségét egy tekecsel és némi IC-vel 5Voltra emeli (ilyet már építettem korábban én is egyébként) Ha belegondolsz itt az történik, hogy a napelem miközben tölti a 3.7Voltos aksit egy áramkörön elvész ateljesítményed egy része majd amikor az aksiról töltesz valami ami ugye 5Voltot igénye a step-p konverteren megintcsak elvész egy rész (én 60% hatásfoknál jobbat még nem tudtam építeni). Az is kb 99%, hogy ami készüléket tötesz abban is eleve egy 3.7Voltos Li-ion aksi van tehát ennyi erővel sokkal hatékonyabb lenne, ha tölteni kívánt készülék aksiját tennéd a töltőbe ![]() (A napelemből jövő feszkót ez a kütyü átalakítja kb. 4.2Voltra, megtápolja vele a beépített 3.7Voltos Li-ion aksi töltő áramkörét, később ami 3.7volt jön az aksiból azt feltranszfonálja 5voltra ezt te bedugod az 5voltról tölteni kívánt készülékedbe, amiben szintén 3.7Voltos Li-ion aksi van tehét az megint leszedi a feszkót kisebbre.. és így töltődik fel a készüléked aksija sok veszteség árán ami ugye a teljesítmény rovására megy.) Jó az ilyen töltő, ha készen van, de házilag szerintem ne ilyet építs mert nem mindegy milyen Li-ion cellát használsz és milyen töltőáramkörrel. Megmondom én milyen 5Voltos napelemes tápokat használok: 1) a napelemet (csak a cellák sorba kötve) csak egy Schottky diódával sorba kötve használom, semmi töltőáramkör nem kell, közvetlenül töltöm róla: 1-A) a mobiltelefont amíg süt rá a nap, mert olyan panelt használok ami kb 5-6Voltot ad közepesen terhelve (ez persze nem minden mobillal biztonságos) 1-B) egy NiMH azaz nikkel metálhidrid akkupakkot, tehát nem Li.ion akkupakkot. mindössze 5db 1.2Voltos NiMH ceruza vagy mikroceruza akkut ha sorbakötsz csinálsz belőle akkupakkot azt 6Voltra fel tudod tölteni, frissen töltve akár többre is amről meg már közvetlenül töltheted az 5-6voltról tölthető mobilt. Tehát puffer aksinak nem 3.=voltos Li.iont használo, hanem 5db NiMH 1.2Voltos ceruzaaksit ami ugye 6Voltos. 2) még használok egy lowdrop 5Voltos fesztab kockát, hogy 5voltot sosem haladhassa meg a feszültsg a készülékek védelme értelmében. Szerintem ezekről a téma indításakor írtam, korábbi hozzászólásaimban. At javasolnám, hogy forraszd ki csak a napelem panelt és a tűző napon nappal merőlegesen mérd meg a terheletlen feszültségét voltmérővel. Ha ez nincs 9volt körüli, akkor nem tudod ezt a napelempanelt közvetlen 6Voltos akupakk töltésére használni, mivel kicsi a feszültsége,mert 3.7Voltos aksihoz tervezték. Persze sosem lehet tudni. Mindenesetre ilyen Li-ionos töltőáramkörös step-up-os pufferaksis napelemes töltő házi építését nem javasolom neked, még ha meg is tudnád nagy vesződséggel és pénz beinvesztálással csinálni, hézilag nem lenne csak 25-40% a hatásfok összeségében (nem számítva a cellák hatásfokát csak a 2szeres feszültség átalakítást. Használd ezt egészséggal amíg működik, ha meg nem tegyél bele új aksit egy ezresért símán kapsz ugyanilyt vagy olcsbbat ha már elöregedett volna.Ha pedig hasonló elvü töltőt akarsz építeni akkor használj inkább olcsó és hatékony NiMH akkupakkot töltőáramkör nélkül tegyél kívülre egy 5Voltos lowdrop feszstabot és kész is. PErsze kell még hozzá napelem ami terheletlenűl kb 9Voltos és 200-500mA terhelés mellett tud 6voltot leadni... hogy azért egy 2000mAórás ceruzaaksi pakk megtudjon telni 5-10 órányi tiszta napsütés mellett. Természetesen az akkupakk pufferként is üzemel, tehát azt is megjátszhatod, hogy a részlegesen töltött akkupakkot a napelemes töltőn hagyod, de mér töltesz is róla valami 5voltos mobilt pl. és igy amikor jön a felhő akkor az akkupakk besegít... Ha pedig közveten akarsz tölteni aksi nélkül 5Voltos készüléket akkor nem kel lmés ugye mint az 1A)-ban vagy 2)-ben leírtak! üdv, GB.
Adott egy 1200mAh 3.7V 4Wh lítium polymer akku. Ezt 5V os napelemmel szeretném tölteni. Tudom hogy van rá áramkö,r de ha az ablakba teszem 3.9V ot ad le. Ehhez kellene egy feszültségemelő áramkör ami az akksit töltené. Tudtok hozzá ajánlani kapcsolást?
A hozzászólás módosítva: Nov 3, 2016
Szia!
Az a napelem elég necces. A 3.9 volt terhelt állapot ( pl. fél amperrel ), vagy üresjárási fesz? Inkább szerezz be még egy napelemet, kösd sorba a kettőt és korlátozd a töltőáramot, ha egyáltalán szükséges lesz. Az akku feszültségét viszont figyeltesd. 3.9 voltról meredek lenne a hatásfokot is figyelmbe véve kihozni vmi 5-6 voltot, elegendő terheléssel.
Igen 3.9V az üresjárati fesz.
Szevasz!
http://www.ebay.com/itm/Mini-DC-DC-Boost-Step-up-Power-Supply-Modul...xX-mWs Ha megnézed a benne lévő IC adatlapját, akkor simán után lehet építeni. Ha készen veszed, akkor 1 vagy 2 ellenállás módosításával tetszőleges (magasabb kimenőfeszültség) állítható, persze korlátok között. (Lehet meg kell keresnem az enyémet, mert az IC típusa nem látható?) Maga a napelem 6 cellás, a 0,65V/terheletlen cellánkéntiből következeik, terhelve 0,5V általában a teljesítmény maximum, kb. 3V lesz a terhelhető bemenőd. Üdv: A hozzászólás módosítva: Nov 4, 2016
Vessetek meg, de akárhogyan is töröm a fejem, nem értem, miért működik ez a PNP tranzisztoros LED kapcsolás. Ami még rosszabb, betettem egy áramkörszimulátorba, és ott sem működött. Mondjuk napelem nem volt a szimulátorban, de egy áramforrással helyettesítettem, egy kapcsolóval sorbakötve. Az akkumulátor helyére pedig egy kondenzátort tettem. És a LED folyamatosan világított.
|
Bejelentkezés
Hirdetés |





)), viszont az atlatszo bevonat miatt lathatjatok a cellakat beleontve a mugyantaba/szilikongumiba.





















