Fórum témák
» Több friss téma |
Fórum » 6V alatt szakadást előidézni
Témaindító: instantwater, idő: Nov 24, 2008
Témakörök:
Hello
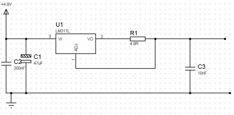
LM317 et használok áramgenerátoros bekötéssel. Ezt akkukról hajtom. Azt szeretném megoldani valami egyszerű alkatrésszel/alkatrészekkel, hogy ha a bemenő tápfesz tehát az akkuk feszültsége 6V alá esik, szakadjon meg az áramkör. Elvileg 6V nál már tud stabilan tartani, ha jól tudom. Én valami Zener diódás megoldásra gondoltam, de lehet hogy rosszul. Tehát olyan megoldás érdekel, ami 6V fölött engedi folyni az áramot, 6V alatt pedig szakadást idéz elő, mert 6V alatt elég instabil az LM317 és szaladgál rajta össze vissza az áramerősség. köszönöm.
Nem lehet, hogy gyenge az a táp? 5 V bemenővel gyönyörűen mennek az LCD háttérvilágítás ledjei. Amíg kb. 1.5 V különbség van a bemenő feszültség, és a kimeneten beálló érték között (1.25 V kellene, de hagyjunk rá egy kicsit), addig a 317 teszi a dolgát.
De ha ragaszkodsz hozzá, keress komparátoros kapcsolásokat, akár tranzisztoros, akár IC-s (pl. LM311) alkalmazásával (sőt, téma is van ilyen).
minél egyszerűbb legyen.
félvezetőre gondoltam, hisz egy dióda is 0,6 v nál nyit/zár. Zener az X voltnál kezd vezetni nem?
nem a fesz stab módról beszélek, hanem az áramgenerátoros módról.
kell neki olyan 6 volt kürüli feszültség, mert különben a rövidzárási áram nem ugyannnyi mint a terheléses áram. próbáld ki ha nem hiszed el.
egyszrű feszültségfigyelő áramkör kell!
ha 5,9V alá csöken a feszültség, akkor lekapcsol! valami ilyen kell?
Szia! Komparátor kell neked, ahogymár írták előttem is! Keresel egy alacsony tápfeszről működő, alacsony fogyasztású műverősítőt, vagy komparátort. Az egyik bemenetét egy pl 3,6V os zenerrel+1kohmmal, pozitív tápra teszed, a másik bemenetét pedig egy a +- tápfesz közé kötött néhány kohmos poti csuszkájára. A potival tudod állítani a küszöbszintet, a zenerrel pedig a referenciát. Ha a tápfeszed esik, a komparátor potis bemenetén esik a feszültség, a kompi átbillen, a kimenete kb tápfesztől tápfeszig változik. Onnantól egy p-s vagy n-es tranyó, meg egy alacsony fogyasztású pl reed relé, amivel megszakítod az LM317 terhelt kimenetét. Én simsonba építettem ilyen elvű fesszabályzót, az áramkör(relé nélkül) 250uA-t fogyaszt. Köszönet érte Köbzolinak
pontosan ez kell.
minél kevesebb alkatrészből, mert most úgy néz ki, hogy 3 kondi, LM317, 2 ellenállás. teát pici lesz a vezérlő.... illetve túlbonyoltani se szeretném... köszi
Idézet: „szaladgál rajta össze vissza az áramerősség” Csak egy valamit felejtesz el: nem szaladgál az áram össze-vissza, hanem folyamatosan csökken(Ohm törvénye ugye)! Az áram sosem nő az ellenállással beállított érték fölé!
Senki nem érti meg szegény instantwatert.
Márpedig az LM317 , meg a stab ic k működése is tud bizonytalanná válni! Így jártam a 7915 ös ícével, az terhelés nélkül -18 és -2 volt között ugrált. Egy ledet lógatva a kimenetére, beállt a stabil -15V.
nemtudom hogy nő e fölé. azt tudom, a 2 szememmel láttam, hogy 4 akuról beállítok egy X áramot rövidzárásban, rárakom a lézert, és 20-40 mA val kevesebet tud csak kipréselni a LM317 magából. 6 akkuval atomstabil rövidzáráson és terheléssel ugyananyit ad.
de kicsit kezdünk szétoffolódni.... burgdavid. kösz hogy megvédesz
Szia!
Idézet: „Egy ledet lógatva a kimenetére” Ellenállás nélkül!? Csak vicceltem!
Persze, az adatlapban is leírják, hogy mi az a minimális terhelés, ami alatt nem stabil.
Én igazából azt nem értem, ez miért fontos: Idézet: . Amikor az áramgenerátort megtervezi, a kimenet és az ADJ láb közti ellenállás meghatározza a maximális áramot. Ha elkezd esni a feszültség, az üzemi áram egy határ alatt valóban csökken, de a rövidzárási áram (ahol a legnagyobb a terhelés) akkor is legfeljebb annyi lesz, amennyit beállított az ellenállással, annál több nem. Vagyis azon kívül, hogy netán lemeríti az akkut, sok bajt nem csinálhat. Ha pedig a cél az akku védelme, arra van már jó pár kapcsolás. „kell neki olyan 6 volt kürüli feszültség, mert különben a rövidzárási áram nem ugyannnyi mint a terheléses áram”
Már többször leírtam neked, csak nem figyelsz oda!
Azért csökken az áram, mert a lézerdiódának kb. 3V a feszültsége! Az LM317-nek 2V a maradék feszültsége, 1.25V a referenciafeszültsége, ez így 3.25V. Négy akksinak a feszültsége 4*1.2V=4.8V 4.8V nagyobb mint 3.25V ergo stabil áramod lesz! Ha a 3,25V-hoz hozzáadod a dióda 3V-ját: 6.25V több mint az akksi 4.8V-ja, az áram kisebb lesz mint a beállított érték!
A referencia feszültséget miért kell hozzáadni a lézerhez?
Szerintem ezek párhuzamosan "léteznek" Csak a maradék feszültség adódik hozzá. Lehet neki nagyobb maradékfeszültségű példánya van ill nem ad az adj lábra elég áramot esetleg begerjed az egész. Talán ez jó:
Igen közben gondolkoztam, hogy bajt nem csinálhat.
de mi van ha mégis? na jó, nem hülyülök.akor törölje vmi mod ezt a témát.
összeraktam proteusban, de 0V van a kimenetén. akármenyi is a bemenet feszültsége.
Milyen értékekkel raktad össze?
off Azért remélem a tranzisztorok az én logikám szerint működnek (de ha nem akkor biztosan ők tudják jobban). A számítógéppel már nem tudok lépést tartani.
Ami viszont fontos lehet (az csak egy elvi rajz) a tranzisztorok B E közé egy egy ellenállás zavar védettebbé teszi az egészet.
Szia!
Ha megnézed az áramgenerátor kialakítását látod, hogy az R1 sorba van kötve a feszszabályzóval, és rajta mindig 1.25V esik! És ez sajnos soros veszteség!
Sziasztok!
A CMOS IC-k , ha 12v-ról táplálják őket, k.b. 6v-nál van az átbillenési feszültségük. Ha egy Hexainverter /asszem 4069/ minden kapuját /inverterét/ párhuzamba kötöd, akkor még el is hajt egy pici relét, ami átmehet a kapcsain szakadásba. Akkor a kimenet és a plusz tápfesz közé kell rakni a relét, természetesen levédve diódával. Talán ez a legeselegegyszerűbb, met csak egy 40Ft-os IC, és egy 12v 1-2A-es relé kell hozzá/300-400Ft/ Próbanyákra 20perc!!!
Ismét én!
Ha nincs külön 12v táplálni, akkor egy 12v-os relé 10-12v-on már behúz, de k.b. 6-7v-nál enged el. Ennél egyszerűbb feszültségesés véglekapcsolás nincs!!! Ha sok a 7v, akkor lehet vele sorbakötni /a behúzóval/ diódát! A relét öntartó kapcsolásban képzeld el!
Bocs, meg vagyok győzve nekem alapban a fesz stabilizátor rajz kering a fejemben.
Már csak az a kérdés 4 akkuról hogyan húz be a 12V jelfogó ,ill ami nincs tisztázva :ha egyszer megszünt a táplálás mit csináljon (lehet mivel akkus igazad van és jobb ha kikacsolva marad.)
Jut eszembe akkor az én kapcsolásom prellezni fog rendesen...
nah, mindegy, meg letem győzve, hogy az áramerősség csak csökkenhet a max beállítotthoz képest. szóval akko nekem már tárgytalan...
Csak a miheztartás végett szeretnék szólni: szűk három hónap alatt nyitottál tíz témát, egyiket-másikat talán fölöslegesen, ezekből értékeltél hármat. Olyan, hogy "tárgytalan", nem nagyon van; vagy fogadd el az egyik hozzászólást megoldásnak, mert mégiscsak voltak, akik dolgoztatták az eszüket miattad, vagy pedig kérd a téma törlését egy moderátortól. Az utóbbi eljárást választva azonban a jövőben igen alaposan gondold át, mikor és miért nyitsz megint egy témát.
A topikot átfutottam, de nem teljesen egyértelmű számomra hogy most mire is van szükség valójában.
Ezért a topik címét szem előtt tartva rajzoltam egy kapcsolást: Kapcsolási rajz Szimuláció Ez kb. 6V alatt galvanikusan leválasztja, azaz "megszakítja" a rá kapcsolt fogyasztót (Rt). Persze lehet ezt egyszerűbben is, de nekem ez most így volt szimpatikus. Ja igen, a relének 5V-osnak kell lennie. Üdv.: Attila
Idézet: „szóval akko nekem már tárgytalan...” Nekem viszont kb. bő fél órát vettél el a szabadidőmből. Pontosabban ennyit áldoztam én arra hogy segítsek neked, mint kiderült feleslegesen. U.i.: Ez nem feltétlen baj, legfeljebb csak nekem. De máskor jobban gondold át hogy valójában mire van szükséged vagy hogy úgy általánosságban mit is akarsz, és hogy mi a problémád. |
Bejelentkezés
Hirdetés |




ha 5,9V alá csöken a feszültség, akkor lekapcsol! valami ilyen kell?
Márpedig az

na jó, nem hülyülök.






