Fórum témák
» Több friss téma |
Szerintem nyugodtan szólj bele, mert teljesen igazad van!
Hello mex!
Azért az, hogy valaki kezdő, még nem jelenti azt, hogy nem kell tudnia leírnia a feladatot! Láttam már olyat, akinek fogalma sem volt az elektronikáról, mégis elsőre olyan feladatspecifikációt írt, (rajzzal, kapcsok beszámozva, mért feszültségekkel) hogy azonnal a végleges megoldást lehetett rajzolni a számára, és 12 órával később már működött is a kütyü!
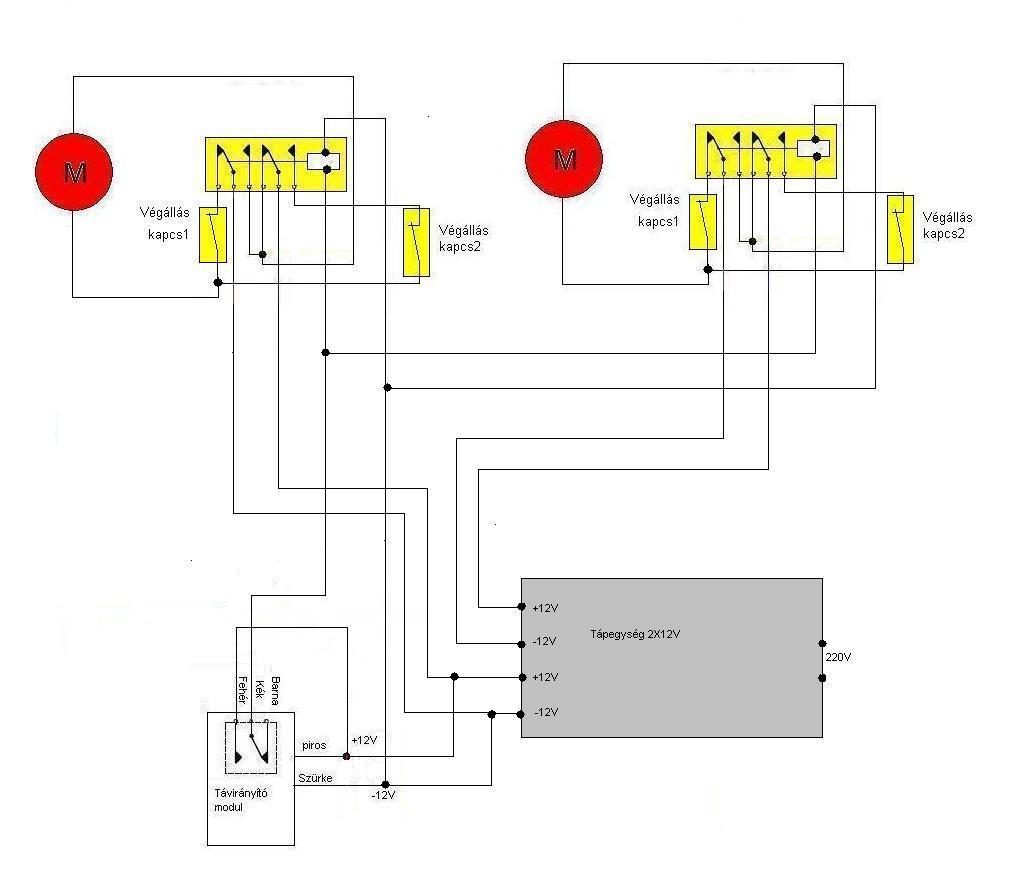
itt van a rajztrudom hogy nem a leg szebb de szttem érthető
itt kellene a végállás kapcsoló hejyére vmi relé de valaki itt azt írta hogy a sima relé is jó lesz és az kibírja h mindig be van huzva???
jah és két kép a megvalósításról...
Látod, mex? Végre csak hajlandó volt félig elárulni, hogy mit akar! Nem volt hiábavaló a ledorongolás!
borvendeg! Tehát csak a végálláskapcsolókat akarod tehermentesíteni? Az irányváltó relé maradjon így? Mert szerintem vagy minden legyen relés, vagy minden legyen félvezetős, a keverésnek nincs sok értelme! Azt az IC-t én nem használnám a helyedben. Milyen boltból tudsz vásárolni? Lomex megfelel?
Ok akkor megcsinálom relésre aszem az irányváltó marad így mert ez mér amint látod kész van és nem kevés melóm van benne veszek 4 relét és kész
Sziasztok, egy nagy problémával állok szemben, épp egy audió proci építésében vagyok, de elakadtam az adatlap megértésében, ehhez szeretnék egy kis segítséget.
Nos a szóban forgó proci egy max5406-os IC , az adatlap alján található a kapcsolása. Annyit ki tudtunk bogarászni Szilva mesterrel, hogy két féle tápfeszről megy a proci, +-2,7V vagy 5V , na itt már gondban vagyok, mert nem tudom hogy mit hova kell kötni ahhoz, hogy 5V ról menjen, konkrétan arra gondolokm hogy a Vdd és Vss- re menjen az 5V vagy a Vdd Dgnd- re? illetve valamit kell csinálni a BIAS- al is, és a CMSNS lábbal is, valahová kötni kell, de nem értem hogy hova kell 5Vos tápfesz használatakor. Az adatlap többféle megvalósítást kínál, sima sztereó, hang és balance szabájzással, vagy ugyanez mély és magassal kiegészitve, akkor ugyanez sub kimenettel, és így tovább, nekem sima sztereó kimenet kellene, AMB nélkül, mély és magas szabályzással. ez azt hiszem a második táblázat. Szóval ha valaki érti ezt a lapot és segítene, negyon hálás lennék. Itt az adatlap.
mind a két feszültség kell neki? az nem lehet.
hüüü, és hogy kell kötni a feszültségeket? melyiket hova?
Idézet: „Single +2.7V to +5.5V or Dual ą2.7V Supply Operation” ezt olvastam legfelül vastaggal az adatlapban, ez nem az hogy sima 2,7 és 5,5 vagy dual +- 2,7v ?
Szerintem NEM.
Sima 2,7V÷5Vig, vagy szimmetrikus 2,7V. Az én fordításom szerint.
ja, igen igazad lehet, 2,7 to 5,5 , ez tényleg az, 2,7 től 5V ig, de hogy kell kötni a lábakat, mit hova, ezt nem értem egyszerüen
Úgy van, ahogy KTobi is említette:
2,7V-tól adhatsz neki feszültséget 5,5V-ig. Sima mezei egyenfeszültséget (asszimetrikus módon). VAGY! Lehet neki adni szimmetrikus 2,7V-ot is adni. 5V-os tápláláshoz VDD-re kell majd kötnöd a +5V-ot, a CMNSNS, a DGND illetve a VSS lábakat viszont össze kell kötni, és arra mehet majd a GND. Mondjuk adatlap szerint az lenne a legjobb, hogy a CMNSNS és a Vss lábakat direktben összekötöd, aztán egy kis értékű kerámiakondin keresztül vezeted ezt az összekötést a DGND lábhoz. A DGND egyből a táp GND-hez megy.
olvastam legfelül vastaggal az adatlapban, ez nem az hogy sima 2,7 és 5,5 vagy dual +- 2,7v ?
De igen! Csak nem 2,7 ÉS 5,5V, hanem 2,7V-tól 5,5V-ig kaphat tápot. A belső splitter (fesz.osztó) ebben a módban mindig felezi belül a tápot. Ha + és - 2,7V-ot kap, azt észreveszi és arról dolgozik. (minő véletlen, a kettő összege épp az előbb megadott max.táp közelében van)
oké, ez eddig jó, ez már akkor tiszta, mondjuk legyen sima 5V a tápfesz, csak valami BIAS lábat kell kötni valahová, meg a CMSNS lábat is, de ezt nem értem.
Jó lenne kibogarászni.
Táplábakat nem tudod értelmezni? Melyik IC van neked, hosszú tokozásban, vagy négyzetben?
A tssop 48-as
de nem csak a táplábbakal van gond. fentebb irtam .
Sima 5V esetén a BIAS, az (Vdd+Vss)/2, itt Vdd most 5V, Vss pedig 0 (mivel nem szimmetrikus). Tehát 2,5V. Meg kell nézni, mekkora áramot kér itt, ha nem nagy érték, akkor két ellenállásból felépített feszültségosztóval megoldható. CMSNS re pedig, felette a 24.oldalon írja Vss, azaz itt 0V, vagyis föld.
A Vlogic ot pedig egyszerűen 5Vra kötheted, de tegyél még egy diódát be, mert valójában ide, olyan 3÷3,5Vos feszültség kellene, semmi árammal, ez kellene, hogy eldöntse a logikai résznek, mekkora érték a logikai 1 alatta logikai 0nak veszi..
Pedig az is le van írva (én sem olvastam végig, nem "magától" veszi észre)..
CMSNS: Ha Vdd-re van kötve, akkor letiltja a belső tápfesz-felezést, ilyenkor a BIAS-t kívülről egy fesz-osztóval állíthatod, ami a kimenet DC-szintje lesz. (nem ez kell neked) BIAS: ez a belső felező kivezetése. CMSNS-t Vss-re kötve engedélyezve van a belső splitter, ilyenkor erre egy 100nF-ot javasol oly közel az analog GND-hez, ahogy csak lehet.
Nem kell a fesz-osztó, benne van.
V_logic: a digitális rész pozitív tápja, csak kisebb lehet az analóg tápnál (vagy ua) Megengedi a 3,3V-os logikához való illesztést, ha itt is 3,3V-ot kap. Azért van külön az analóg és a logic táp, hogy ne zsizseregjen a hangszóróból a digit jel. Épp ezért a GND és a betáp nyomtatása sem közömbös.
Figyelmesebb voltál, elfogadom, én csak a határértékekből indultam ki.
Hát erre nem lehet egyszerű NYÁKot gyártani.
Na, kezd kivilágosodni hála nektek, szóval ha jól értem, Vdd- Dgnd 5V , BIAS láb lóghat, a CMSNS lábat Vss re kötöm és ezt a kötést pedig a DGND -re egy 100nF al.
A Vlogic 3,3V nem teljesen értem, illetve most hogy is van ez a digitális és analóg gnd?
Ha a fenti állítást használom, akkor a Vlogicra köthetek 5voltot anélkül hogy elpukkanna?
És akkor a tápfeszt a Vdd- Dgnd re kössem vagy a Vdd Vss-re szerinted?
Ejj Sebi mester, nagyon szépen köszönöm, ez így maximálisan érthető. De lenne még egy kis dolog amit nem értek, ez már nem a tápfeszültséggel kapcsolatos, hanem a rajzon vannak a kétszeres erősítésű opa-k, ez elhagyható ha nem használom az AMB-t? Ha igen akkor a lábak lóghatnak e? Ja és még annyit kérdeznék, véleményed szerint a Cbias és a Vdd lábaknál lévő kondik is 100nF -ok?
Köszönöm a segítséget.
Elhagyhatók, lógó lábakkal. Belül, ha megnézed leválasztódik, ha nem használod.
Cbias 50uF, a többi 100n. |
Bejelentkezés
Hirdetés |







de nem csak a táplábbakal van gond. fentebb irtam .

