Fórum témák
» Több friss téma |
Fórum » Akkumulátor töltő
Sziasztok!
A Proli007 által közétett akksitöltőt 1 hónappal ezelőtt megépítettem, de nem tettem bele amper meg voltmérőket, most vettem egy ilyet: Műszer Ebbe a töltőbe szeretném belerakni: Proli007 töltője Abban kérnék segítséget,hogy milyen módon és hogy kell bekötni, mi kell hozzá? Köszönöm a segítséget!
Hello! Elvileg "gond nélkül" hozzáilleszthető. A feszültségmérő bemenetét, a kimenti sorkapocsra kötöd, ekkor az aksi fogja táplálni a műszert és méri is. Az árammérésnél azt írják, nincs beépített sönt. Vagy is az is feszültséget mér. A töltő az ICHG kimenetén 20A töltőáram esetén, 1V feszültséget ad le. Ezt kell illeszteni a műszerhez. Vagy is megoldható, hogy az árammérő bemenetre kötsz egy párhuzamos "shunt" ellenállást. Így a töltőben lévő R28 1kohm és a külső "shunt" ellenállás feszültségosztót fog képezni. Az árambemenet számára. Hogy mekkora ellenállás kell, azt próbával, lehet megállapítani, vagy meg kell mérni, hogy az műszer árambemenete mekkora bemeneti feszültségre mutatja a 20A áramot. Mert az leírás nem említi, hogy a 100A mutatott értékhez mekkora bemeneti feszültség tartozik. (Mondjuk így külső tényleges shunt ellenállást sem lehet számolni. De lehet van itt már köztünk olyan aki tudja ezt a feszültséget. Mert én még közelről nem láttam ezt a műszert.)
Köszönöm a válaszod!
A műszerre az van írva hogy 20A/75mV Akkor gondolom 75mV-nál ír ki 20A-t, nem?
Mutass egy képet arról a műszerről, amit vettél. A link 100A árammérő részt emleget, nem 20A-t.
Itt vannak a képek a műszeremről, köszönöm hogy segítesz!
A hozzászólás módosítva: Okt 5, 2014
Hello! Ha ez igaz, ami rá van firkálva, akkor az árammérő bemenetére (párhuzamosan) csak egy 82ohm-os ellenállás kell. és már mutatja is a 20A-t az 1V-ra.
Ez hogy jött ki? Melyik az árammérő bemenete?
Nem olvasod el, amit írok?
![]() "A töltő az ICHG kimenetén 20A töltőáram esetén, 1V feszültséget ad le." (Egyébként meg légy oly kedves használd a Válasz gombot, mert így nem lehet tudni kinek írsz és miért..)
DE ezt elolvastam, de továbbra sem értem azt, hogy jött ki a 82ohmos ellenállás.
Nem értem ezt a műszert. Most van rajta sönt, vagy külső söntellenállás kell hozzá, esetleg Hall szenzoros? Külső ellenállást vettél hozzá?
Írtam, hogy az ICHG kimenten 1V feszültség van 20A mellett, sorba a kimenettel pedig egy 1kohm-os ellenállás. Ha ráteszed a 82ohm-ot, akkor kb. a kívánt 75mV lesz belőle..
Hello!
"Az árammérésnél azt írják, nincs beépített sönt." Egyébként ezért az árért, maximum a söntöt adnák oda. A hozzászólás módosítva: Okt 5, 2014
A link egy olyan oldalra mutat, ahol nem írják hogy van beépített sönt.
Az árat illetően tévedsz. A hozzászólás módosítva: Okt 5, 2014
Üdv kedves olvasó!
Szeretnék építeni egy olan áramkört mely a motorban 5-10 amperes akkutöltőként funkcionálna. A meghajtásáról természetesen a motor alaplapi tekercse gondoskodna, melynek egyik vége teste van a másik a gyári fesszabra megy fel. Akkuról akarok működtetni minden fogyasztót, viszont a gyári fesszboknak két része van, egyik a töltés, másik a világításért felelős. Nekem csak töltő kellene. Tudnátok segíteni egy jó kapcsolási rajzzal ez ügyben? Előre is köszönöm!
Sziasztok !
Bedobozoltam az accu mat töltőt és most az a jelenség áll fennt hogy mikor bekapcsolom és ráteszem az akksit és elindítom akkor nem tölt viszont a piros led nem alszik el . Mi lehet a gondja ? A sárga és a zöld led is világít.
Hello! A piros és zöld Led-et a 74LS00 kapukból kialakított RS tároló vezérli. Így abból mindig csak az egyik világíthatna. A nyomógombok a kapuk kimenti oldalról vezérlik a tárolót. Tehát nyomkodást a Led mindig jelzi, maximum nem billen át a tároló, akkor égve marad a Led. De ekkor ha elengeded a nyomógombot ki is alszik a megfelelő Led. De ha az aksiban nincs meg a minimális 9V feszültség, akkor azt a sárga Led elalvása jelzi. A T4 tranyó, pedig Stop állapotban tartja a töltőt. (Hiába nyomkodod a zöldet.) De mivel nálad a sárga ég, nem tilthatná a töltést. Viszont a BC639 tranyónak nem azonos a bekötése "más tranyóval". Ha oda másik tranyót ültettél be, akkor lehet "nyomja a piros gombot", hiába kapcsolná ki a sárga jelzése..
Mondjuk nem tudom melyik nyákot/készüléket készítetted el, vagy az eredetit, vagy Alkotóét. És működött-e dobozolás előtt a szerkezet. Mert a huzalozási terven itt-ott hiba van az előlapi vezérlőpanel körül. Esetleg azt elköthetted. Vagy netán zárlat van a "piros gombnál", vagy ténylegesen piros gombot használtál, ami nem záró, hanem bontó érintkezőt tartalmaz. De ez kiderül, ha megnyomod a pirosat, és hozz a zöldet.
Igen még reggel működött. Szerinted hol kezdjem ?
Akkor nézd át a vezetékeket, nem kötöttél-e el valamit, nincs-e GND zárlat valahol a "Stop" vonalnál (S2 és X0-2-es kötéseknél) és hogy a nyomógomb jó-e.
Megvan a hiba. A ledek vezetékezésénél van valami. Lekötöttem a ledek kábeleit és most ok minden.
Sziasztok !
Hozzám került javításra egy Электроника ЗП -01 akkutöltő. Valaki nemes egyszerűséggel elvágta a nyákra menő vezetékköteget - persze minden szál fehér színű...Most viszont az első kérdésem az lenne, hogy miért is van az X4, X5 és X6 csatlakozó ? És ugye csak helyes polaritással csatlakoztatott akku esetén mérhetem a megadott értékeket és jelalakokat ?
Sziasztok!
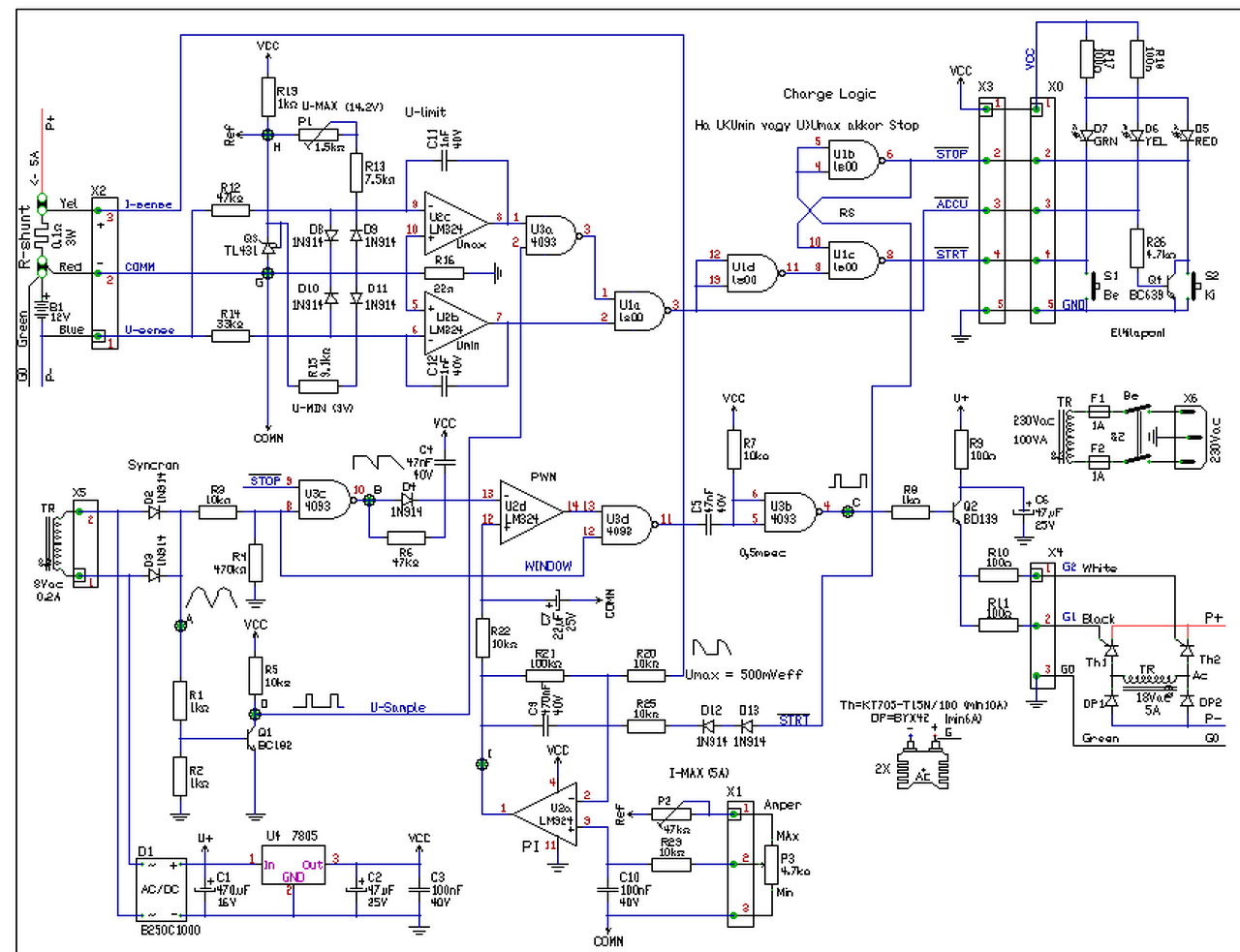
Megszeretnem epiteni az alabbi akksitoltot,mar mindent beszereztem hozza. Azt szeretnem kerdezni,hogy az A,B,C,D,G,H,I kivezetesek mire szolgalnak?Elore is elnezest kerek ha tul nyilvanvalo dolgot kerdezek.Epitek hozza egy feszultseg es ampermerot es ebben is a segitsegeteket kernem hogy hova es mikent kotsem a muszert. Koszonom a segitseget.
Szia
"Azt szeretnem kerdezni,hogy az A,B,C,D,G,H,I kivezetesek mire szolgalnak?" Ha beállítás, vagy javítás, a bemondott ponton, mért érteket kell, keresni. (nem azt mondom hogy a U3 (4033) 4lábán keres egy jelet, hanem azt mondom, hogy a "C" ponton lesz, az a mérés. ) "Epitek hozza egy feszultseg es ampermerot " Neked, minde ott van, a X2 csatlakozón, ha a akumulátort akarod figyelni. üdv. A hozzászólás módosítva: Okt 13, 2014
Koszonom a gyors es kielegito valaszt! Mostmar minden vilagos,kezdhetem az epitest.
Szia!
itt egy jobb felbontású kép a töltőről. Az ominózus ( X3-X4 ; X5-X6) csatlakozóknál lehet az automatikus töltést ki-, vagy bekapcsolni. Az "automatikus" azt jelenti ebben az esetben, hogy elérve a töltési végfeszültséget a töltő lekapcsolja önmagát az aksiról. Van ahol az átkapcsolást egy kapcsolóval, máshol viszont csak rövidzár dugóval oldották meg a nagy tesók. Ezeknél a töltőknél az akkuban egy bizonyos feszültségszint megléte esetén indul csak az automatikus töltés. " заряд"= töltés állapotban (az X3 - X4 zárva) az akkuról kap tápot a vezérlő elektronika. "запуск"= (töltés)indítás helyzetben a túlzottan lemerült akkuba először vissza kell tölteni annyit, hogy átváltva "automata" töltésre ne álljon le a folyamat. "Indítás" állásban az akku feszültségét figyelő rész ki van iktatva. Tehát akkutöltésre ezt csak rövid időre szabad használni! Esetleg akku nélkül, pl. steklámpát működtetni maradhat ebben az állapotban. Fordított akkusarkok esetére nincs védelem a töltőben! Az előírt méretű olvadóbiztosítékot sem tekinthetjük annak, mert mire kiolvad, a félvezetők már rég a túlvilági elektronmezőkön járnak. Szóval erre nagyon ügyelj! A hozzászólás módosítva: Okt 14, 2014
Nagyon szépen köszönöm a linket (ami egyébként először 403 Forbiddent adott) és a részletes magyarázatot.
Addig nem akartam nekifogni a javításnak, míg nem értem a működését - ami most már világos.Illetve még egy kérdés: a VD10 valami orosz csodabogár, vagy két szembefordított Zener ? A hozzászólás módosítva: Okt 14, 2014
Szia!
Most nekem is 403 hibát dob a linkre, de én lementettem magát a képet. Nem vágom az oroszt annyira, hogy tudjam a műszaki nyelvezetükben mit is takar pontosan a "sztabilitron" kifejezés. A gugli is simán zenerként fordítja. Valószínűleg egy picit speciálisabb Zener lehet. Vagy nem, - de valamelyik biztos! ![]() Ha cserére szorulna, helyettesítőnek hoznak többféle 350mW-os, vagy annál nagyobb terhelhetőségű 7,5 voltos Zenert. Az eredeti 150mW-os. Jó munkát!
Szia ! Csak egy megjegyzés. Ne építs hozzáfeszültség mérőt mert felesleges. Az elektronika amúgy is figyeli az akksi feszültségét. Én is csak ampermérőt építettem hozzá. Amúgy egy remekül eltalált töltő.
Köszönöm ! Közben én is keresgéltem, valamilyen "percíziós" Zener lehet...
|
Bejelentkezés
Hirdetés |











Addig nem akartam nekifogni a javításnak, míg nem értem a működését - ami most már világos.





