Fórum témák
» Több friss téma |
A söntöt nem lehetne egyszerűen csak a földágba tenni? Vagy oda is tenni egyet, ha a másikat nem lehet áthelyezni? Minden más megoldás sokkal problémásabb.
Igen, ez is egy megoldás lehet, de meglévő áramkört kicsit át kellene alakítani, és a földeléseknél is vigyázni kell.
Ha nincs más, ezt fogom tenni, de elegánsabb lenne ha kevesebb átalakítással járna.
Ha problémás az áramkör átalakítása, akkor próbáld meg a HPCL-7840 típusú erősítőáramkört. A bemenete és kimenete között opto elválasztás van. A bemenetére +-200 mV adható, a kimenetén a bemenőjel 8-szorosa jelenik meg. Kell utána még egy műveleti erősítő, ja és potencálfüggetlen táp a szerkezet bemeneti oldalának táplálására.
Jól hangzik ez a HPCL-7840, de könnyebb beszerezni, mint az AD-s műv. erősítőt?
Köszi a pontosítást, összekevertem a betűket (késő volt már...)!
A RET-nél találtam, kb. 1500 Ft. Hát nem olcsó, ráadásul nem csak egyre van szükség. Gondolkodom rajta, hogy az ár vagy az elegancia a fontosabb.
Mindenképpen köszönöm, mert nem ismertem ezt a lineáris feszültséget átvivő optocsatolós megoldást.
A HCPL-7840 a retnél kapható, az soselectronic jövő hétre vár 70 darabot.
Az AD6206-ra rákerestem, nem találok róla adatlapot, hol lehet kapni, illetve hol találtál róla adatlapot?
Mindjárt a kardomba dőlök.
AD8206-ot akartam írni. Megnéztem közelebbről a HCPL7840-et, de az a baj vele, hogy a bemeneti oldal tápfeszültségétől (5V) nem lehet nagyobb a bemeneti feszültség.
Mekkora áramot akarsz mérni, mekkora söntön?
Ha a söntödön keletkezik mondjuk 1V, akkor egy feszültségosztóval leosztod, hogy beleférjen a +-200 mV-ba. Nem értem, miért kellene 5V-nál nagyobb bemenőfeszültség?
Az AD8206 jó kis IC, neked szerintem jobban megfelel, mint a HCPL7840.
Egy többkimenetes tápegységben akarom használni, így mondjuk 100mA-től 10 A-ig széles méréshatárok lennének, persze ennek megfelelő söntökkel.
A pozitív ágakban vannak a söntök, amelyekről az áramkorlát működik. Még csak félig-meddig van kész az áramkör, de máris tovább akarom fejleszteni LCD kijelzővel. Ha a föld oldalra akarom a söntöket áthelyezni, akkor az áramkorlátokat kell egy kicsit átvariálni. Az optocsatolókkal még függetleníteni is lehetne a feszültségkimeneteket úgy, hogy nem kellene a méréshez reléket csattogtatni. Az áramkör egy része még csak a fejemben körvonalazódik.
Hát, nagyon a partszélről egy nagyon favágó megoldás: tegyél bele egy mindentől független feszültségforrást. DC-DC átalakító elég drága, de ha megoldható, ez lehet akár egy járulékos 50Hz-es paneltrafó is.
Szóval fogsz egy mindenkitől független fesz. forrást. Ezzel ott mérsz a körben, ahol csak akarsz. Erről járatsz egy műv. erősítőt, ami a söntön eső feszt. erősíti. Aztán optón kiküldöd a mért értéket mondjuk frekvenciaként. Az optó túloldalán meg visszaalakítod a frekit olyan jelre, amilyen tetszik. De mintha az optók tudnának analóg módon is működni... Keress ilyen kapcsolást és máris meg vagy!
Én is valahogy így gondolkodtam, DC-DC átalakítót, amely galvanikusan leválaszt, építeni is lehet.
Erről működhetne az áram és fesz. mérő. Csakhogy nálam több mérendő ág lenne, ehhez vagy több műszer kellene vagy mondjuk kapcsolókkal, relékkel kapcsolgathatnám a mérendő jelet a műszer bemenetére. Ettől jobb megoldás a lineáris optóval való leválasztás, mert nem csattognak a relék, és a műszer galvanikus leválasztása is feleslegessé válik. Csak az a baj, hogy az ilyen optók viszonylag drágák, minden körbe építeni kell egyet az áramnak, egyet a feszültségnek, de így megtartható a tápágak galvanikus elválasztása is. Az anyagiak miatt inkább az egyszerűbb megoldást választom, a söntök a GND-hez kerülnek, és közös földje lesz a tápoknak. Így egyszerűbb lesz a mérés, és egy pár alkatrészt megspóroltam, de nem lesz olyan univerzális, mint ahogy megálmodtam. Az opto és a fesz/frekvencia átalakítás sem rossz gondolat, én valami olcsó A/D-s mikrokontrolleren ötletelgettem, ami méri a feszültséget, áramot, optón digitális kód formájában átküldi a fő kontrollernek, ami LCD-n kijelzi. Így megspórolhatjuk a frekvencia-feszültség oda-visszaalakítást. Idézet: „DC-DC átalakítót, amely galvanikusan leválaszt, építeni is lehet. Erről működhetne az áram és fesz. mérő.” Régebben nekem is kellett volna egy ilyen, de még nem jutottam el odáig, hogy megépítsem. Én egy olyan nagyon olcsó megoldásban gondolkodtam, hogy: 555-el 50% négyszögjel, ami két kapcsolóelemet hajt, néhány kHz-en. A trafó alaplapokból kitermelt vasmagból lenne. Kis teljesítményeknél még működhetne is.Idézet: „Az opto és a fesz/frekvencia átalakítás sem rossz gondolat, én valami olcsó A/D-s mikrokontrolleren ötletelgettem, ami méri a feszültséget, áramot, optón digitális kód formájában átküldi a fő kontrollernek, ami LCD-n kijelzi. Így megspórolhatjuk a frekvencia-feszültség oda-visszaalakítást.” Azért nem feszegettem a kontrollereket, mert nem tudtam, hogy értesz-e hozzájuk. Sokan alapvetőnek tartják, pedig aki elektronikával foglalkozik, nem biztos a mikrokontrollerekhez is ért.
Sziasztok!
A rézből készített sönttel kapcsolatban kíváncsi lennék a gyakorlati tapasztalatotokra. Nagyobb áram esetén mennyire befolyásolja a pontosságot a réz melegedése. Esetemben 30A-es akkutöltőre kellene a régi "direkt" árammérő helyett panel műszert felrakni. A "gyári" söntök drágák kb. 1.500,-Ft...2.000,-Ft körüli áron kaphatók,ezért ebben "nem gondolkodok". Üdv. Ottó
Sziasztok, van egy 60mV-os kőzép állású analóg tábla müszerem Ampermérőként használom egyen áram mérésére. Most szükségem lettvolna nagyobb váltakozá áram mérésére ezért a sőnt és a müszer közzé betettem egy diódát de valami miatt nem müködik a dióda tip.BY4148. A segitségeteket előre is köszönöm.
Hello!
Igen ez sajnos így nem működik, mert a dióda nem ideális eszköz . A Shunt ellenállásodon, a névleges áramnál 60mV esik, a dióda nyitóirányú könyökfeszültsége, pedig kb.600mV. Vagy is amíg a feszültség el nem éri az 500..600mV-ot nem enged áramot át. Tehát sokkal nagyobb ellenállású Shunt ellenállás lenne szükséges, de a skála ekkor sem lenne lineáris. (Nézz meg egy régi műszer fényképét.) Ezért használtak régebben germánium, vagy réz-oxid (kuprox, vagy cserebogár) egyenirányítót, mert annak nyitófeszültsége alacsonyabb. A méréssel egyébként is problémák lennének, hiszen ez egy egyutas egyenirányító, vagy is a fél periódust "lenyeli", eleve fél teljesítmény jut a műszerre. De még a felét sem mutatná a váltónak, hiszen a műszered átlagértéket fog mérni, pedig neked effektív értéket kellene mérni. A kettő között kb. 10% differencia van. Hideg műszerek, nagyobb Shunt ellenállással, kisebb nyitófeszültségű diódával, módosított skálával, és egyedi kalibrálással készült. Ah a mutatott érték, csak szinuszos váltófeszültség esetén esetén volt "pontos". (Vagy is értelmezhető) "Komolyabb műszerek" esetén, mint pld. a GANZUNIV-3-nél áramváltót használnak, nem közvetlen Shunt ellenállást. Az áramváltó szekunderén már a terhelésen (shunt ellenálláson) már kb. 40V feszültség van, így a diódák karakterisztika hibája eltörpül, és a skála lehet lineáris. De a mért értékre, kalibrálásra ugyan az vonatkozik, min előzőekben írtam. üdv! proli007
Szia!
A söntön névleges áramnál 60mV feszültség van. A dióda nyitó feszültsége ennek kb. a tízszerese, ezért gyakorlatilag szakadásként viselkedik. Megoldás lehet, ha úgynevezett lágyvasas alapműszert sikerül szerezned, az egyen és váltóáram esetén is az effektív értéket mutatja. Másik megoldás lehet, ha a söntöt egy egyenirányító hídon keresztül kötöd a hálózatra, akkor a jelenlegi műszered is jó lehet, de az egyenirányító diódákon kb. 1,6V feszültségesésre kell számítanod.
Esetleg, ha a műszerre egy 1 µF os kondit tennél, gondolom mutatna is.
Szia köszönöm a gyors választ. Mégis pofátlan leszek és meg kérdem legálább egy saccolót, hogy lehetne ebből a műszerböl csinálni 1/2-1 Amper nemszámítana. Légy szives segits ??? A söntöt majd én kiszámolom csak a müködési elv kéne. Régi müszerem sajnos nincs ami váltót is mérne.
Köszönöm, próbáltam dióda híddal is de ugysem megy, esetleg nem lenne valami más ötleted?
Meg köszönném ha meg mutatnád hova kössem a kondit.
Sziasztok, Sajnos ígysem működik, lassan feladom.
Szia! Iktass az áramkörbe egyenirányító (graetz) hidat, a + és - kivezetésekre kösd a műszert.
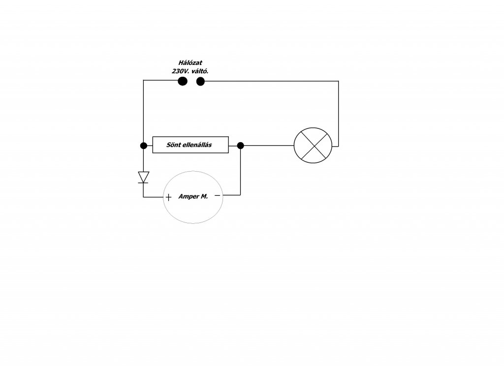
Legmegbízhatóbb módszer, ha a váltakozó áramú körbe kötsz egy Graetz egyenirányítót, annak egyenfesz. kimenetére a söntöt és a műszert. Ez esetben már kondi nélkül is elég jó értéket kell mutatnia. A váltakozó feszültségből lejön 2*dióda nyitófeszültség + a söntön eső érték. Kisebb váltakozó feszültségeknél nem használható, mert meghamisítja a mérést. Kisebb áram folyik, mint mérő nélkül. 230 V-on használható.
A Graetznek persze ki kell bírnia a váltakozó áram legnagyobb várható értékét is.
Köszi értem és ki próbálom. Majd szólók mire jutottam. Szia.
Valószínűleg nem voltam eléggé világos, úgy értettem a kapcsolást, ahogy erbe lerajzolta. Szerintem annak működnie kell.
Egy kérdéssel fordulnék hozzátok.
Dolgozom egy rajzon, de elakadtam. Meg kellene tudnom mérni egy fogyasztó által felvett áramerősséget, de van egy csavar a dologban. A fogyasztó saját áramát kellene tudnom mérni minél olcsóbban. A csatolt rajzban lévő R10 shunt ellenálláson kellene ezt megtennem, de a baj, hogy a rendszer gnd pontja az ellenállás után van, vagyis a pic, műveleti erősítő minden innen kapja a gnd-t. Az ellenállás előtt tehát a gnd-hez képest negatív lesz a feszültség. A mérendő áram maximum 1A. Tehát a gnd-hez képesti negatív feszültségből pozitív és erősített feszültséget kellene létrehozni valahogyan. Tudna valaki megoldást erre? |
Bejelentkezés
Hirdetés |







