Fórum témák
» Több friss téma |
A klónok CH340 Soros-USB illesztőjének drivere (Letöltés)
Odáig eljutottam, hogy ha megnyomom a hangerő-LE-t, akkor elkezd lefelé menni a hangerő, de nem áll meg, és ahogy elér 0-ra, átfordul 255-re és jön tovább le.
Ennek a hatására:
Arduino-val még nem csináltam meg, de PIC-el van működőképes programom rá. Viszont lehet itt az ideje elkezdeni. Amúgy nagyon egyszerű a dolog, mert a távirányítón lenyomott gombbal lehet növelni/csökkenteni egy változó értékét 0-254 között.
Idézet: Persze, hogy nem áll meg. Ehhez neked kell feltételvizsgálatot végezni a hangerő csökkentése előtt.„de nem áll meg, és ahogy elér 0-ra, átfordul 255-re és jön tovább le.” Csak akkor szabad csökkenteni, ha a régi érték legalább öttel nagyobb, mint a MIN_GAIN érték.
Köszönöm! Most már megadtam a határt a minimumra és a maximum hangerőre vonatkozóan is. Ez már nagy előrelépés!
Ha megnyomom a 2 gomb közül valamelyiket, elkezd le-fel pörögni a szám a megadott limitekig. A következő lépés az kéne hogy legyen, hogy gombnyomáskor csak egyet lépjen, mert így majdnem hogy megállíthatatlanul elmegy némába, vagy ordít a hangerő.
Lassítja a dolgot, ha 5 helyett csak egyesével lépkedsz. A ciklusba is be lehet iktatni egy késleltetést (10-15 ms), hogy ne szaladjon annyira.
Nem is a szaladás a gond, hanem hogy nem áll meg a lépkedés
Akkor áll meg, ha eléri a limitet, vagy közben megnyomok egy másik gombot a távirányítón.
Nem értek a távirányítóhoz. Mi jelzi, hogy elengedted a gombot?
Semmi. Elvileg le kéne futnia egy programnak, és a 'break' parancsra, ami az utasítások végén van, várnia kell a következő IR jelre. Ehelyett újra és újra lefut ez a program.
De csak a számolós program. Ha számolás helyett pl. egy LED bekapcsolása a feladat, akkor bekapcsolja, és vár a következő gombnyomásra. A számolást viszont mindenképp végig akarja csinálni addig, amíg érvényes a X < MAX A hozzászólás módosítva: Dec 31, 2013
Idézet: A "break" parancstól nem fog várakozni, az csak arra kell, hogy ne csorogjon rá a program a következő case ágra. Várakozni csak akkor fog, ha a switch elé vagy után beteszed azt a parancsot, ami újabb gombnyomásra vár. De ha van működő programod, akkor nem lesz nehéz összehasonlítani, s megtalálni, hogy mit felejtettél ki. „Elvileg le kéne futnia egy programnak, és a break parancsra, ami az utasítások végén van, várnia kell a következő IR jelre.”
Arduinora nincs ilyen program. De az a vicc, hogy működik a dolog 90%-ban, mert ha a mute gombot nyomom, mutézik és nem fut tovább a program. Ha a hangerő-fel gombot nyomom, elkezd felfelé menni, ha a hangerő-le gombot, akkor lefelé. Meg is áll ahol kell. Sőt, ki is veszi Mute állásból ha bármelyik hangerőgombot megnyomom.
Csak az a fránya számolgatás nem áll meg ahogy elengedem a gombot. Kipróbáltam azt, hogy kiiratom serialra, hogy a távirányítón melyik gombot nyomom épp. Na itt derült ki, hogy miközben pörög le/fel a hangerő és én már rég elengedtem a gombot, továbbra is kiírja, hogy az XY gomb van épp nyomva. Tehát "beakad a lemez".
Rájöttem!
Van ugye minden gombhoz egy szám rendelve. Az nekem beakadt, és mivel ezt a számot vette alapul újra és újra, ezért mindíg ugyan az a program futott le. Na én a programsor után, még a break előtt újra definiáltam ennek a gombnak a számát, méghozzá 0-ra. Így amikor újra leakar futni a program, már nem találta az előzőt és leállt. Most így néz ki ez a rész:
Csodálatosan működik, és ki is vehettem a késleltetést is, mert csak annyit lép amennyi ideig rajta tartom a gombon az ujjamat, és egyből! Még egy fontos dolog van hátra. Jegyezze meg az állást kikapcsolás után is. Ezen még dolgozok. A hozzászólás módosítva: Dec 31, 2013
Sziasztok segitséget kérnék, van egy arduino robotom Bővebben: Link gyakorlatilag azt írták ez a legjobb de sajnos nem sok infom van csak amit a gyár megad.
ha esetleg tudtok segiteni mihez is lehet kezdeni vele megköszöném. Én nem értékelem anyira mint az unot vele töbre jutotam. Link javítva. Használd a link gombot! -moderátor- A hozzászólás módosítva: Jan 4, 2014
Üdv mindenkinek!
Bluetooth modullal szeretnék kapcsolgatni valamit, az lényegtelen, hogy mit. Elemről kell mennie a modulnak, ezért csak BLE (4.0) modul jöhet szóba. A másik nagyon fontos szempont az ár. Találtam is egy modult $2 alatt, amit sejtésem szerint csak Aduinoval lehet felprogramozni. Annyi kell csak, hogy nevet adjak a modulnak, beállítsam a pint, meg a baudot. A többi elektronika lesz. Az a kérdésem, hogy ez a BT modul képes-e ezek után önmagában is működni, Arduino nélkül: Leírás nRF24L01 2.4GHz Radio/Wireless Transceivers How-To (Már sokat olvastam, de a fél angoltudásom nem igazán elég) A hozzászólás módosítva: Jan 5, 2014
Szia, amit linkeltél nem bluetooth modul.
BLE 4.0 modult 20$ környékén kapsz ebayen. A hozzászólás módosítva: Jan 5, 2014
Kösz, most esett le nekem is. Találtam már $6 alatt is, az alattit keresek.
Ez nem BT.
Önállóan a BT kezelése nem egyszerű, ha a GPIO lábakat akarod kapcsolgatni processzor nélkül. Az olcsó hús kezdetű mondást ismered? Fokozottan igaz ez elektronikára... Jópár BT volt már kuka, ami nem ill nem úgy működött, ahogy kéne... Ennyire ha árérzékeny, akkor: a, >10.000 db felett van a mennyiség b, nagyon SW közeli a fejlesztés, hogy megérje az árat faragni.... A hozzászólás módosítva: Jan 5, 2014
Tudom, hogy nem ebbe a topicba tartozik, de pl. a HC-05 modulról sokat olvastam, mindenhol dicsérik és nem bonyolult az üzemre bírása. 4 usd-ért lehet kapni. Ha nem 8mA lenne a fogyasztása, jó is lett volna.
Sziasztok!
Beszereztem egy Arduino Uno board-ot és azt szeretném, ha az ATMEGA8 kontrollert is tudnám programozni vele ami itthon van a fiókban. Mit kell moddolni hozzá? Mert a bootloadert beégettem az atmega8-ba ICSP módba az UNO-val. Kiválasztottam az Arduino NG or OLDER -t a menüben, a helyes soros portot is, viszont az avrdude valami sync hibát ír ki és nem akarja áttölteni az ATMEGA8-ba a BLINK programot sem Mi a teendő? Szeretném használni az ATMEGA8-at is ha már megvan.
ArduinoISP a kulcs, majd utána: File- feltöltés programozóval.
Nagyon köszönöm a segítséged már el tudok indulni ezekkel az infokkal.
Igen. De miért nem megy fel a program ha benne van az arduino unoban az atmega8? Mikor készített régebben atmega8- al is panelt. Ugyan az a kivezetés. Kvarc is stimmel. Ugyan ott van az Rx Tx is. Akkor miért nem engedi? Mibe lehetne buherálni a fejlesztő környezetben, hogy Feltöltse a programot és ne csak arduinoISP -vel.
Már régóta keresem, hogy hol találok egy Wiring++ próbaverziót. Bővebben: Link
Végül a http://lists.tired.com/pipermail/sketching13/2013-July/000015.html címen találtam egy archivált levelet (Ed Baafi, Modkit Italy), melyben hasznos letöltési linkek találhatók. Egy Arduino nano kompatibilis (Meduino nano enhancement) kártyán próbáltam ki a Help/ Examples/ Wiring++ mintapéldákat, s rendben működtek. Újdonságok a Wiring++-ban Események A megadott utasítások akkor hajtódnak végre, amikor a megjelölt esemény bekövetkezik.
Programszálak A prgramban az elvégzendő feladatokat programszálakba szervezhetjük, így egyszerűbb a konkurens folyamatok kezelése és áttekintése. Az alábbi plédában csak egy programszál (ECHO) szerepel, de a threads() szekció kapcsos zárójelei között több szálat is definiálhatunk.
Kivezetések mint objektumok Talán olvashatóbbá teszi a program olvashatóságát a kivezetések funkcionalitásának tisztázásával.
A metódusokat láncbafűzve is meghívhatjuk:
Kétféle (C++ és C) API Az alkalmazásprogramozói felület az új lehetőségek mellett - kompatilititási okokból - a "hagyományos" kezelésmódot is megőrizte.
Az Arduino áramkörödre a ArduinoISP-t feltöltöd és a 10-11-12-13-as lábakra meg a célIC-t!
Olvasd el az arduinoisp program elején leírást... ![]() A bootloader is beégethető a Mega8-ba, ekkor 6k memóriád marad. Az meg max. LED-villogtatóra elég.... A bootloader beégyetése után a tools alatt válaszd ki, hogy megha8 az alappaneled (1.0.5-ig van csak ilyen a keretrendszerben), az 1.5.x alatt (beta) nincs!
Na még jó hogy azt a bétát használom... Okés, Köszönöm. Még nem volt időm játszani vele, de mindenképp kipróbálom.
Sziasztok!
Segítséget szeretnék kérni: Arduino nano 328 panelre nem enged feltölteni programot az alábbi hibával: "connect mismatch error 0x0000 0x0c != 0x7f" Alappanel és port rendben van, usb kábel csere is volt. Valakinek valami ötlete? Előre is köszi. A hozzászólás módosítva: Jan 11, 2014
chipID kiolvasás OK? Feltöltés elindul?
Szűrőkondik rendben?
Nem nálam merült fel a gond, közvetlenül nem tudok ránézni, de a feltöltés elindul, a végén írja ezt a hibát pár másodperc töltés után.
Szűrőkondikon nem láttak sérülést. Köszi a választ, közben úgy döntöttek hagyják a dolgot.
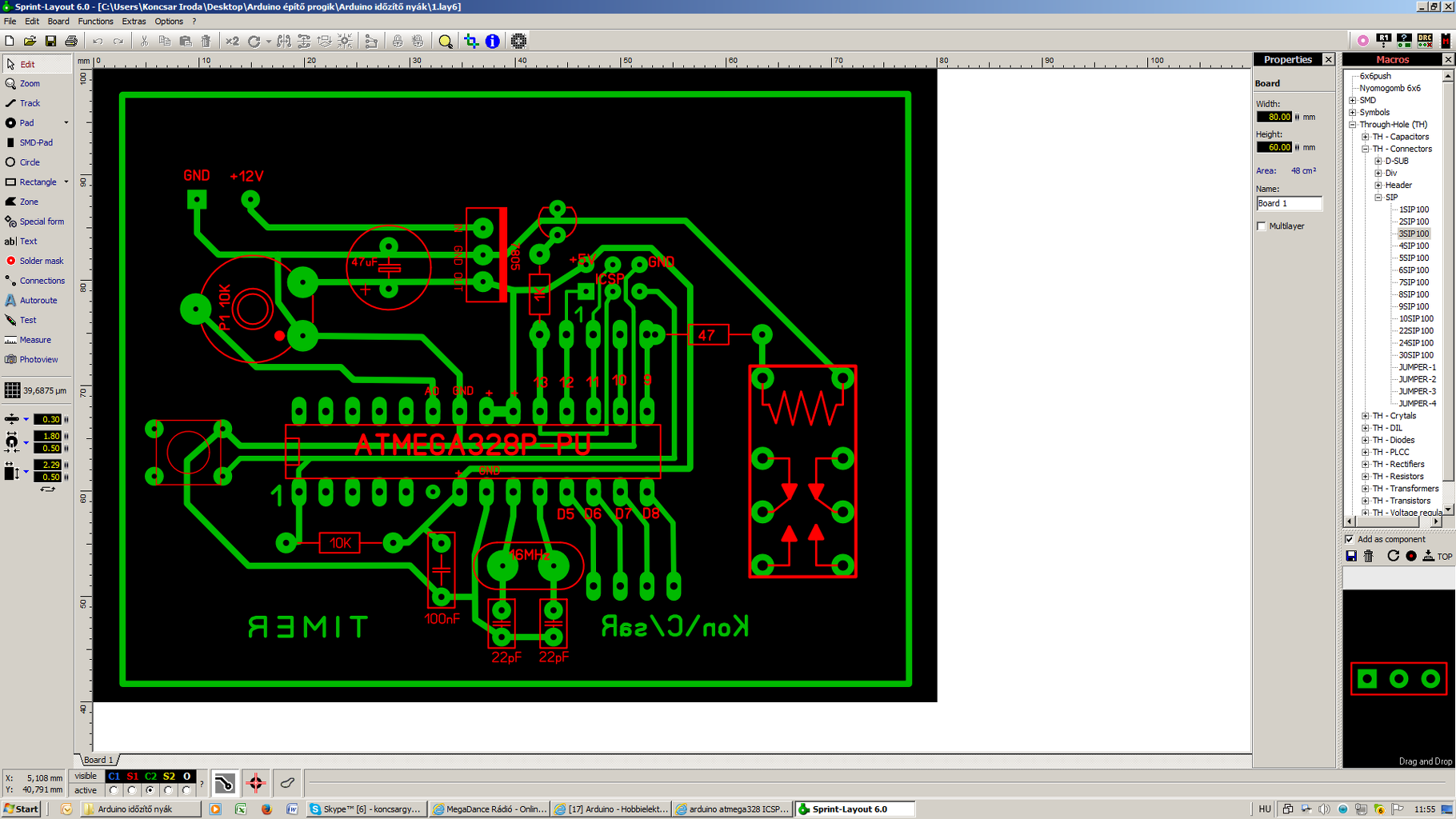
Sziasztok! Valaki ránézne, hogy jól kötöttem e be a dolgokat? Köszi. Egy egyszerű időzítő, a poti segítségével állítható az alsó felső időhossz. Köszi.
A hozzászólás módosítva: Jan 12, 2014
Ezt elfelejtettem hozzá tenni az előző hozzászólásomhoz. A progit Pepe kolléga segített gyorsan megírni. Köszi
A hozzászólás módosítva: Jan 12, 2014
|
Bejelentkezés
Hirdetés |




Akkor áll meg, ha eléri a limitet, vagy közben megnyomok egy másik gombot a távirányítón.







