Fórum témák
» Több friss téma |
SZiasztok!
Egy kis segítségre lenne szükségem Lehet, hogy már csinált ilyet valaki.Lenne egy spy LC112 pageres riasztóm ami nem can bus-os. Melyik illesztő lenne hozzá az ami kezelné ezt a számomra ezt a szupi kis riasztót. Hozzátenném: már 2 octáviámban is volt és működött is az zárás, ablakfelhúzás stb., de 2 perc után visszanyitni csak a gyári kulcsávalval lehet.(riasztó kikapcs, csári távir nyit) Riasztószerelő kötötte az első, és azt másoltam, de most egy új Caddybe kell és nem tudom, hogy ebben ugyanaz lesz a szín mint a octaviaban volt? Köszönöm a válaszokat ,ötleteket előre is köszönöm!! Üdv A hozzászólás módosítva: Jan 30, 2013
sziasztok. Vettem egy magicar 870as pageres riasztot es szeretnem bekotni egy renault megane 2 be. az auto 2007 es. Amielott nekifognak szeretnek egy kis infot kerni toletek hogy ki dolgozott mar megane 2-vel. Azt szeretnem tudni hogy hol induljak el mert fogalmam sincs mit hol keressek az autoba. Hol talalom meg a gyari kozponti zar vezerlo dobozt, es hogy az ujat betudom kotni a regi helyett vagy ki kell bogaraszni minden kabelt? Elore is koszonom a segitsegeteket.
Miért akarsz új vezérlőt bedugni a régi helyett? Hagyd meg a régi kp zár vezérlőt, ha jól működik és azt vezéreld a riasztóval.
nem igazan ertem a valaszod...nezted meg az emlitett riaszto tipust? (magicar 870as). Az lenne a lenyege hogy az autot teljesen a magicar 870as vezerelje ne a regi csipkartyas kulcs. A renault sajat kulcsat be kell epiteni a csip miatt a kocsiba mert hanem nem kepes a magicar 870as a tavinditasra es a teljes zaras nyitast meg mindent a magicar 870as vegezne, ugyhogy a regi csipkartyas kulcsnak lenyegeben semmi szerepe nem lenne csak az immobiliser miatt kell..
A hozzászólás módosítva: Feb 24, 2013
A konkrét Megan infóktól eltekintve, ami miatt írtam neked:
Az utólagos autóriasztók nem fogják teljesértékűen kiváltani a kp zár funkcióit. A gyári, vagy más utólagos Központi zár vezérlő tudja azt, hogyha a bal első ajtón levő gombot (központi zár gombot a műszerfalon, kart, gyári távirányító gombját, mindegy) zárod/nyitod, akkor vezérli az összes zárat, erre rákötve pluszban a riasztót, ez kiegészül a riasztó távirányítójával való vezérléssel. Ha kiveszed az eredeti kp zár vezérlőt, akkor már csak a riasztó távirányítójával tudod vezérelni a zárakat, a belső lehetőségek kiesnek, csak azt az ajtót fogja működtetni, amit zársz/nyitsz. Eddig 1, azaz 1db olyan autóriasztóval találkoztam (annak is csak a rajzát láttam), ahol teljesértékű kp zár vezérlő is volt a készülékbe építve. A Magicar M870 nem ilyen, csak a motorokat tudja közvetlenül működtetni, vagy vezérelheti a már benne levő kp zár vezérlőt, ha nem veszed ki belőle.
Sziasztok van egy Thunder CA-107-es riasztóm! Bátyám vett egy autót és abban van egy riasztó ami nem működik... van hozzá mozgás érzékelő szenzor, ezt az enyémbe be lehet valahogy szerelni az ütés érzékelőhöz vagy valahová?
és mit írjak le, hogy tudj nekem segíteni, hogy hogyan...?!
köszi
Arra válaszoltam, amit kérdeztél.
Meg kell nézni, hogy sima rezgésérzékelő-e, tehát kap tápot és kapcsol valamit...ha jól rémlik többségében testet. Ha van a riasztódon olyan szabad kimenet, ami tud ilyet fogadni akkor oda kell kötni, ha nincs, akkor diódás leválasztással az ajtókapcsolókra.
Szabad csatlakozóm nincs... ez az ajtókapcsolós megoldás, hogy van pontosan?
Sziasztok!
Szeretnék a AS 80-as SPAL autóriasztómra/központi záramra rákötni egy ilyen motort, hogy a távirányító felső gombjával tudjam nyitni a csomagteret. Megoldható ez valahogy? Előre is köszi! Laci
Addig jó lenne tudni, hogy mi újság azzal az érzékelővel. Testet kapcsol?
Az ajtó testet kapcsol az autók zömében. Ide kell egy diódával bekötni az érzékelő kimenetét. Egyébként a riasztódban nincs ilyen érzékelő?
Meg kell nézni, hogy az AUX kimenet mennyire terhelhető, valószínűleg kell egy relé hozzá.
Üdv. Inhouse. Azt megtudnád mondani milyen dióda kell leválasztáshoz? Azért kellene, mert amikor kinyitom első ajtót akkor világít csomagtartó világításom is..
köszi holnapra megnézem! sajnos nem volt mozgás érzékelő csak 1 ütés-.... ezért gondoltam hátha abba be lehet kötni...
A hozzászólás módosítva: Márc 15, 2013
Igazából ezek rezgés/ütésérzékelők szoktak lenni. Legtöbbször 1 piezo lap jelét figyelik. Magyarországon annyira nem divat pl. az emelésérzékelő, ez inkább higanyos.
Aztán ott vannak a mozgásérzékelőnek mondható ultrahangos és radaros érzékelők. Vajon neked mid lehet?
Tudnál esetleg segíteni valahogy benne?
A hozzászólás módosítva: Márc 17, 2013
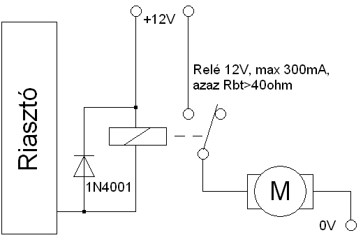
Van rajzod? AS90-esem van, ott talán fekete-fehér, max 300mA és testet kapcsol. Ha ennél is így van, akkor a relé behúzójának egyik lába a fix +12V-ra, a másik erre a szálra, azzal meg már kapcsolhatod a motort. Rövid időn belül kétszer kell nyomni, hogy aktív legyen a kimenet, aztán addig megy, amíg nyomod.
És milyen relét vegyek hozzá?
Bocs a sok hülye kérdésért...
Mivel max 300mA-t tud a kimenet, tehát ezt nem haladhatja meg a behúzótekercs árama. Jellemzően az autós 12V-os reléké (mezei 4 ill. 5 lábú) nem haladja meg a 300mA-t. Rakj velük párhuzamosan egy 1N400X diódát záróirányban. A relé érintkezőinek pedig olyannak kell lenniük, hogy tudják kapcsolni az általad linkelt motort. Sima autós relének szerintem ez sem lesz gond.
Köszönöm szépen!
Esetleg egy egyszerű Mórickás kapcsolási rajzot tudnál küldeni? Csak mert még az nem világos, hogy a diódát pontosan hova, milyen irányba kössem... Pneumatikában jobban otthon vagyok
Csak, ha megígéred, hogy átolvasod ott a HE fórumon az alapkapcsolások 1-4-et...
Halihó mindenkinek.Kis segitségre volna szükségem.Kaptam 1 autóriasztót persze se rajz se egyébb irás nem volt hozzá.Szétszedtem h megtudjam h milyen tipus a lapon irja h Portman AM 305-ös.Sajna nemigen sikerült rajzot találnom hozzá.Amikor jobban szemügyre vettem a kontaktoknál a lapon van rövidités ráirva.Ha valaki tudna ezekben segiteni h mi micsoda az nagyon jó lenne.Elöre is köszönöm.
Tényleg nem sok van róla, egy román oldalt találtam, Portman AM305 néven. Ezek szerint ez nem egy távirányítós riasztó, hanem egy gyári távvezérlős központi záras autóba szerelhető típus. Az ajtó zárása/nyitása kapcsolja be és ki. Így a gyári távvezérlő marad az autóhoz.
Igaz az egész szett 3 darabbol áll.Távirányitó ami két relét vezérel a központi zár és a riaszto.A központi az nem volt gond bekötni de a riasztoval nem tudok mit kezdeni.Próbáltam tápot adni neki és leméregettem a kimeneteleket de nem sokra mentem vele.Egyszerüen az a bajom h fogalmam sincs h hogyan üzemeljem be.Próbáltam az Armed-re tápot kapcsolni de az sem csinált semmit.Egyedül ha jól emlékszem a kapcsoló eggyes állásba kapcsolva akkor a tg 2 adott ki 5 V ot.Jó volna rájönni h ezek a röviditések mit is jelentenek.Azért köszi a fáradozásodé.
Nagyon szépen köszönöm a segítséget!!
Nagyon jól működik
Üdv! Van 1 bontóba szánt autóm amiben van 1risztó és központizárat is vezérel ki szeretném venni belölle és átrakni egy másik autóba amiben csak 1ajtó zárását akarnám üzemeltetni a riasztórésze nem kellene csak a gombal működtethető zárás nyitás lenne a feladata mit kellene csináljak hogy csak ez a funkció működjön? Előre is köszönöm.
Szívesen, örülök, hogy jó lett!
|
Bejelentkezés
Hirdetés |




Lehet, hogy már csinált ilyet valaki.







