Fórum témák

» Több friss téma
Fórum » Autóban 12V --> 3V
 
Témaindító: Krajcsooo, idő: Szept 25, 2007
Témakörök:
Lapozás: OK   1 / 4
(#) Krajcsooo hozzászólása Szept 25, 2007 /
 
Hello!

Problémám a következő: adott egy 3V-ról működő készülék, autóban szeretné használni édesapám. LM317 a megfelelő beállításokkal tökéletes a célra, eddig rendben. Viszont: egy autóban sok fogyasztó van, plusz még egyidőben egy generátor is működik ha jól tudom, szóval bonyolult a rendszer. Ebből adódóan az a 12V ami az adatlapon van, csak hivatalosan annyi, könnyen megszalad, leesik. A leesés még nem gond, én a megfutástól tartok, amit az LM317 nem kedvel kimondottan. Milyen védelmet lehetne építeni, csinált már valaki ilyet? Vagy a kocsiban kellene lennie ilyennek? Google barátunk nekem eddig még csak kamikáze számítógépvédő áramköröket adott ki.
Remélem létező dolgok keresek

Előre is kösz: Ákos
(#) ferci válasza Krajcsooo hozzászólására (») Szept 25, 2007 /
 
Mi fut meg? Kösd direkt az akkura a cuccot, ahová a rádió is van kötve.
(#) potyo válasza Krajcsooo hozzászólására (») Szept 25, 2007 /
 
Feleslegesen agyalsz. Az LM317 40V-ot tűr el a bemenete és a kimenete között. Namost ha az autóban felmegy a feszültség 40V-ra, akkor már ez a készülék lesz a legkisebb probléma. Egy biztosítékot azért tegyél sorba a szabályzó elé.
(#) ferci válasza potyo hozzászólására (») Szept 25, 2007 /
 
Ez igaz... de megnézném azt az akkut, amin 40 voltig felmegy a fesz...
(#) dcsabi válasza Krajcsooo hozzászólására (») Szept 25, 2007 /
 
Ha ekkora problémát csináltok belőle,...? vegyél egy szivargyújtóba dugható, átkapcsolható kimenetü tápot, ha jól tudom 2000-3000 között van. Pont ilyen célra találták ki, dugó is van rajta, meg be van dobozolva, meg bizti is van benne. ...
(#) potyo válasza ferci hozzászólására (») Szept 25, 2007 /
 
Hát, ha a generátor szabályzója bezárlatosodik, akkor az akkuból a savat a túltöltés kihajtja, és onnantól az akku csak kondenzátorként viselkedik, vagyis elvileg megemelkedhet a feszültség. Ebben az esetben sorban minden tönkremegy az autóban, valszeg az LM317 birja legtovább.

Persze ez mind csak elméletben lehetséges, előbb fog leégni a generátor gerjesztése, mint hogy az akkuból kimenjen a sav, láttam már szabályzó miatt leégett forgórészt.
(#) potyo válasza dcsabi hozzászólására (») Szept 25, 2007 /
 
Az LM317+aprólék meg úgy 2-300Ft, és ez sem kevésbé megbízható, mint a gyáriak. Csak nincs szép doboza, viszont jó eséllyel beépíthető a készülék házába is.
(#) dcsabi válasza potyo hozzászólására (») Szept 25, 2007 /
 
Lehet, hogy igazad van, viszont a kérdező olyan dolgokban is bizonytalan, vagy járatlan, hogy az építés (vagy kudarc) sikerének értékét össze kell hasonlítani a müködtetni kivánt cucc esetleges "halálával" illetve kárával. A kérdező eltünt, mi meg jót vitatkoztunk...
(#) még1MbR hozzászólása Szept 25, 2007 / 4
 
Szerintem a tranziens tüskéktől kell félni egy autóban leginkább... arra meg ott a tranziens szupresszor dióda.
(#) gsx válasza dcsabi hozzászólására (») Szept 26, 2007 /
 
Sziasztok ! Ha már úgyis eltünt a kérdező, akkor kérdeznék Én ugyanebben a témában :
Szeretnék 12V --> 2V...3V, 40A DC-DC tápot építeni autóba minnél jobb hatásfokkal.
A kérdés az, hogy szerintetek milyen (átlagos boltban -pl. hqvideo is megvásárolható) alkatrészekből és milyen típusú tápot építsek (fly-back?) ? Hogyan tekerjem meg a trafót (nem elmélet érdekel) a gyakorlatban ? Csinált-e már valaki a ehhez hasonló paraméterekkel rendelkező konvertert ?
(#) Pafi válasza gsx hozzászólására (») Szept 26, 2007 /
 
Step-down (magyarul feszültségcsökkentő). Menj ki a Puskás börzére, ott kapsz kompletten 17 A-est, amit még lehet slave egységekkel bővíteni! (n*17A)
(#) ferci válasza gsx hozzászólására (») Szept 26, 2007 /
 
Ha step-down-t csinálsz, kb. ilyen tekercs kell bele...
4-5 szál 1,2 mm átm. CuZ-ből 3-5 menet, 50-100 uH.
Freki 2-300 kHz, légréses ferrit, ehhez való jó fetek, diódák össz. 60-80 A....

Alacsonyabb frekin is próbálkozhatsz, de változnak a méretek.
Nekem még csak 6 amperig kellett, 12-ről 6 voltra.

step down.JPG
    
(#) Pafi válasza ferci hozzászólására (») Szept 26, 2007 /
 
Na igen, azt elfelejtettem hozzátenni, hogy szinkronegyenirányítós step down kell, ha valaki jó hatásfokot akar. Vagyis dióda helyett MOSFET kell alulra is (ellenütemben vezérelve). Enélkül nem lehet 75 % fölé menni.

50 uH fölöslegesen sok 40 A-hez ekkora feszültségen, iszonyú nagy mag kellene hozzá. 5 uH bőven elég. Így 50...70 mm^3 légréstérfogat kell. Pl. RM12-es mag kb. 0,5 mm-es légréssel (Al=250), 5 menet.
(#) ferci válasza Pafi hozzászólására (») Szept 26, 2007 /
 
Ismerem a témát.
Nem kell iszonyú nagy mag.
(#) Pafi válasza ferci hozzászólására (») Szept 26, 2007 /
 
5 uH-hez tényleg nem kell. Csak 50...100 uH-hez (40 A-nél). Meg 6 A-hez sem kell, de nem az volt a feladat! 40 A-hez 44-szer nagyobb légréstérfogat kell azonos induktivitás eléréséhez, mint 6 A-hez.
(#) gsx válasza ferci hozzászólására (») Szept 26, 2007 /
 
Köszönöm a válaszokat.
Pafi :
- ferci által csatolt képen levő diódák helyett kellenek FET-ek ? És a "felső" FET-eket meg az "alsókat" vezérlem ellenütemű jellel ?
- Az RM12 az E-porvasmag ? nem találom a neten Mik kb. a méretei, hol szerezhető be ? Hogyan kell rá tekerni a meneteket ?

(#) Krajcsooo válasza gsx hozzászólására (») Szept 26, 2007 /
 
Hello! A kérdező nem tűnt el, csak dolgozik + iskolába jár, sorry. A kérdést sokan elbagatelizáljátok, pedig sajnos létező probléma. Elektrótanárom, aki több évig ezen a területen is dolgozott, nem egy ilyen esettel találkozott.
"Szerintem a tranziens tüskéktől kell félni egy autóban leginkább" .. na pont erről beszélek. Találtam szakirodalmat a témában, áttanulmányozom amint lesz rá időm.
Lehet "felesleges agyalás", de azért jobb a biztonság. Nem egy erősítőt, és egyéb áramkört építettem már, működik mindegyik, szóval nem vagyok kezdő, de persze messze van még a tanulás vége.. ha van neki?!
Köszönöm az építő jellegű válaszokat! Bocs a késésért!
(#) Pafi válasza gsx hozzászólására (») Szept 26, 2007 /
 
Igen!

Az RM12 egy forma, amit ferritből szoktak készíteni. (A porvas és a ferrit nem ugyanaz!)

Bővebben: Link
Én a Tali Bt-nél vettem, de valószínűleg máshol is kapható. Na meg nem kell pont ilyen, elég ha csak hasonló. (Lehet fazék, E, vagy ETD is, csak a kereszmetszet és légrés stimmeljen nagyjából!)
(#) gsx válasza Pafi hozzászólására (») Szept 26, 2007 /
 
Értem. Köszi. A Tali nem jutott eszembe, pedig már rendeltem onnét
És akkor ennek a magnak a közepén van a légrés ha jól látom, és a meneteket erre a közép-részre kell tekernem ugye ?
(#) gsx válasza Pafi hozzászólására (») Szept 26, 2007 /
 
Ja még egy kérdés az AL=250 -et Te hol látod. ? Az RM12-es magnál a különböző anyagminőségek esetében AL=4590-től 7820-ig mennek. (Tali oldalról letöltött pdf-ben)
(#) Pafi válasza gsx hozzászólására (») Szept 26, 2007 /
 
(#) gsx válasza Pafi hozzászólására (») Szept 26, 2007 /
 
Ja igen, a tali-oldalon csak a légrés nélküli magok AL-értékei láthatóak... bocs
Akkor a 0,7mm-es légrésest kell választanom (Al=250).
Ok. többet nem kérdezek. Köszi !

(#) Chokapick hozzászólása Nov 2, 2007 /
 
szesztek. En is szeretnek a 12V-bol 3V-ot hasznalni,de nem lattam rajzot hozza.erdekelne az LM317 el kapcsolatos kotes.IC az wan csak kellene egy rajz. tudna e walaki segiteni?
(#) potyo válasza Chokapick hozzászólására (») Nov 3, 2007 /
 
Tudunk segíteni, ha leszoksz a w használatáról a v helyett!
(#) Krajcsooo válasza Chokapick hozzászólására (») Nov 3, 2007 /
 
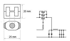
Hello! Még én nyitottam a témát pár hete, azóta sikerült összehozni a kapcsolást, a kérdéses védelemmel együtt. Kipróbáltam, működik, nincs vele semmi probléma. Csatoltam a rajzot (bocs hogy kézzel rajzoltam)
Sok sikert!
(#) Chokapick válasza Krajcsooo hozzászólására (») Nov 4, 2007 /
 
koszonom szepen a cuccost.nem baj,hogy kezzel rajzolt.A heten majd occedobom.Nem melegszik az IC ?
(#) Chokapick válasza potyo hozzászólására (») Nov 4, 2007 /
 
igyekszem,de en igy szoktam meg.ez miert gond? w-v
(#) potyo válasza Chokapick hozzászólására (») Nov 4, 2007 /
 
Akkor szokj le róla!
(#) Dzsoni hozzászólása Nov 4, 2007 /
 
A melegedest nagyjabol elore ki tudjatok szamolni.
Pl. ha 12>3V a cel, es 0.5A az aramfelvetel akkor 4,5W a disszipacio. Ehhez mar bazinagy hutoborda kellene az LM317-nek.
En azt ajanlom hogy hasznaljatok kulso ateresztotranyot pl. 2N3055-ot...
(#) potyo válasza Dzsoni hozzászólására (») Nov 4, 2007 /
 
Arról is ugyanúgy 4,5W-ot kell elvezetni...

Inkább kapcsolóüzemű átalakító: http://www.hvlabs.hu/hobbi/34063_2.gif
Következő: »»   1 / 4
Bejelentkezés

Belépés

Hirdetés
XDT.hu
Az oldalon sütiket használunk a helyes működéshez. Bővebb információt az adatvédelmi szabályzatban olvashatsz. Megértettem