Fórum témák
» Több friss téma |
Még annyi infó van, hogy az egyik gombbal nyit vagy zár/élesít a másik pedig "pánikgomb" azzal rögtön szirénázik.
Mivel nem ugrókódos, rögtön nem zárható ki a megoldás... de így is nehéz lesz...
Egyébként miért kellenek hozzá új távirányítók? Ezek utólagos ára (ha lehet kapni) vetekszik egy komplett riasztó árával, amiben benne van a 2 távirányító... Ha rossz, inkább meg kellene javítani... vannak pótló oldalak, de... olaszul tudók előnyben
Sziasztok!
Selca riasztó problémám van. Vettem egy új Selca FC 6.21-es tipusú riasztót a régi helyére. Ugyanaz a típus volt az előző is. Az újnál viszont az autó csatlakozásnál kettővel több vezeték és más csatlakozó áll rendelkezésre. A központi egység csatlakozója megegyezik a régivel, így ott összetudom kötni. Előszőr csak azt csináltam, hogy a központi vezérlőegységet cseréltem a régi vezetékelés maradt, mert elvileg így is kellene működnie. De nem. Tápot kap, mert csippen amikor rádugom, illetve az immot sem tiltja le. Az új köteg vezetéket nem tudom cserélni, mert a csatlakozója nem egyezik az autóban levővel. Keressem végig a szálakat és jöjjek rá mik azok a plusz szálak?! Valakinek valami ötlet? Kell valahogyan élesíteni legeslegelőszőr? Arra is gondoltam, hogy lehet nem az a távirányítója meg mágneskulcsa, amit kaptam hozzá...pedig vadi új dobozos.
Sziasztok!
Van az autóban egy Nasar riasztó.Legalábbis a távirányító alapján a neten keresve az jött ki,hogy Nasar a típusa.A motortérben található a központi egység,amin a "Made in Italy"felíraton kívül más nem olvasható.Működik rendesen a riasztó,csak az automatikus visszaélesedést szeretném kiprogramozni belőle. Ha valakinek lenne leírása a riasztóhoz,vagy ismeri a programozását,nagyon megköszönném a segítségét. Hozzászólásokat előre is köszönöm!
Sziasztok!
Egy renault thaliám van és nem akar az immo működni benne ahogyan kellene. Tud esetleg segíteni benne valaki hogyan tudnám esetleg kiiktatni belőle????
Sziasztok. Egy Wagon-r riasztóján szeretném a távirányítót újra betanítani. A központi egységen nincs típus, a távirányítón csak annyi van hogy Selca RC42. Létezik ilyen típus, de leírást nem találtam a betanításról. Valaki tudna esetleg leírást vagy linket küldeni? Előre is köszönöm. Zoli
Köszönöm, segített. Sikerült a betanítás.
Fiat 500C 2007 gyári központizár távvezèrlèse.,utolagosan
Üdv segitenitudok! Tudna küldeni valaki egy itinert a rákötès részleteiröĺ : .,vezèrlès tipusa,nyitó- záró vezetèk helye ès szine az autóban.Gyárilag nincs távvezérlös kivitel. Köszöm!
Üdv. Lenne egy kérdésem. Ford galaxy Mk2 2004 1.9 Tdi. Központi vezérlö egységet hol találom meg. Meghalt a vevö nem veszi a kulcs jelét. Kulcsal nyithato zárhato baloldalrol minden ajto ha tovább tartom a zárba a kulcsot az ablakok lenyilnak és fölmennek automatikusan. Ujratanitást probáltuk kigyullad a piros led de a tanitás végén nemjelez vissza h érzékélné a kulcsot. 2 távirányitos kulcs van egyisem müködik. Terv az h bekötnék egy univerzális egységet .
Univerzális központit POZITIV vezérlésre kösd össze---azután a rajzon a DoorLock-t kövesd! 100% hogy jó!
Köszi az infot. Megprobálom beszerelni. Még nemsikerült megtalálni a galaxyban a gyári modult. Kerestem a neten leirást de semmit nem találtam. Mondták a kesztyütartot lebontottam de ott nincs és nemakarnák csak ugy mindenfelé bontogatni a kocsiban.
Nem kell a központi modulra dolgoznod!!! Egyèbbkènt "icsak igazi" Fordoknál van a központizárvezèrĺő modul valoban a kesztyütartó mögött..,de a Te autod nem Ford hanem VW villamosilag..,Sharan.,ennèl egyszerübb---- ès szakszerübb is egyben----- nem lètezik!!!!
Esetleg valamelyik hátsó lámpánál is jó., ha csomagtèrajtóról is tudod kulcsal vezèrelni a ķözpontit..,nagyon règen csináltam., igy fejböl nem emlèkszem a szinekre.,maradj a Galaxy2004 -s rajznál. ,tuti jó.,fogsz egy mezei probalámpát.,+12V ra teszed a csipeszes felèt., a tüs rèszèvel " bökdősve" a rajzon megjelölt Nyitó ès Záró vezetèket . megtudod vezèrelni a Nyitást ès a Zárást.Nem tudsz semmit tönkretenni.Elötte kösd pozitiv tipusú vezèrlèsre a kèszülèkedet!!!
Az a soros 1µF-os kondi minek van a rajzban?
Jó kèrdés..,fogalmam sincs.,ez egy règebbi 750 sorozatú Mèta riasztó.. ,a meglèvő gyári távadó kapcsolja Be ès Ki a riasztót ,ezenkivül van mèg kettö ":inhibit" tiltó vezetèk is ami ,megfelelö helyre kötve megakadályo,zza hogy kulcsos központi nyitásnál nehogy kikapcsolodjon a riasztó is.,mivel a megllèvö központi be-ki jeleit használja a riasztó be-ki kapcsolásához.
Ez nem egy analog ès nem CAN buszos riasztó volt mèg,
Sziasztok. Egy kis segítségre lenne szükségem. A Fiat Grande Puntomban van központi zár, de csak kulccsal működik. Vettem univerzális távirányítót, de nem tudom bekötni. Hat vezeték megy a zárhoz. Vékony fekete, fehér, kék, vastag zöld, sárga, kék. Ha a fehér vezetékre negatívot adok, bezárnak az ajtók. Viszont nyitni nem tudom. Elvileg a vékony vezeték a vezérlés. Fekete a test, fehér a zárás, kék nem csinál semmit ha testét kap. Viszont a Multiméter szakadás vizsgálatra kapcsolva a testhez képest egyszer folyamatosan sipol, egyszer szaggatottan. Tud segíteni nekem valaki?
Valószinüleg IGEN..,évjárat,benzin-dizel., motorkodót küldj!!!
Volt valaha gyári távvezérlés hozzá? Vagy csak sima kulcsos központizár a szériafelszerelés?
Az általánosak DC szintekkel operálnak, oda felesleges a kondi, hacsak nem egy impulzust akarnak csinálni egy folytonos jelből. De mi süti ki a kondit?
Szia, privátban elküldtem az adatokat. Az autóhoz két kulcs volt amikor vettem (egy sima, egy bicska) távirányító nem volt hozzá. Központi zár van benne, kulccsal működik, illetve belülről is gombbal. Ami zavar hogy a csomagtér ajtó csak belülről nyitható. Munkás autónak vettem, és idegesít hogy körülményes a hátulját nyitni naponta többször. Jó lenne gombnyomásra kívűlről. Ezért vettem egy olcsó kínai központizár modult. Gondoltam egyszerűen beledobom. Az elektronikához kicsit konyítok. Csöves erősítőket építek, és javítok. Elvileg mindenem van a kiméréshez, beépítéshez.
Köszönöm a segítséget. A hozzászólás módosítva: Szept 4, 2017
Szia. Sajna nemboldogulok a bekötésel a csomagtarto ajtonál.
Most odáig jutottam h kiiktattam valahogy a központi záramat teljesen vagyis mostmár kulcsal se tudom lezárni minden ajtot. Valamit rövidre zárhattam
Ok.., most csak ennyit .,ha ezt tapogattad le .,akkor elméletileg legnagyobb valószinüséggel ez a két variáció van .,amit ki is probálhatsz rögtön de megirom majd konkrétan melyik kell..,
" Ha a fehér vezetékre negatívot adok, bezárnak az ajtók. Viszont nyitni nem tudom. Elvileg a vékony vezeték a vezérlés." Variácó egyes: A vezérlő szálat (amire negativot adtál és bezárt a központi!) a központizár NYITÁSHOZ bontani kell kell egy "pillanatra"..,gyakorlatban bezárod a központit és elvágod a szóban forgó vezetéket..,ez esetben kikell nyilni a központinak., (single wire system).,ez esetben az elvágott vezetéket keresztűl kell vezetni a nyitó relé alaphelyzetben Zárt kontaktusain., "irány" sorrend nem lényeges. Variáció Kettes :"Ellenállás kódólt" .., fejből nem tudom az ellenállás értékét de megirom ..,ez esetben kell egy "normál Negativ és egy negativ egy Ellenálláson keresztül.
A csomagtartós variációt én az utoljára hagynám ,ha nem vagy aut.vill..szerelő
A VW.Galaxi 2004 angol rajzon a Door Lock-t csináld! A Komfort modul a kormány jobboldala körül van ..,én ezt is a hagynám.., Egy mezei probalámpát szerzzél be., és a csipeszes felét valahol fix +12V.., -ra Ezzel megbögdösve pl a vezető ajtóból jövő kötegben lévő vezetékeket.., pozitivval be tudod zárni és., ki tudod nyitni is a központit .., ha eltaláltad a Nyitó ill.Záró vezetéket :ENNEK SZINEI ÉS HELYE A RAJZON VAN. Ha ez megvan akkor Pozitiv vezérlésre kösd össze a központizár vezetékeit.Lásd rajz.
Nem jött levél..,évjárat elég lett volna..,esetleg kapcs.rajz is van akkor.
Lehet sima negativ vezérlésü is .,ez esetben két különböző szálra sima negativ kell a nyitáshoz ., és sima negativ a Záráshoz. Ha egy vezetékes(single wire szisztéma) akkor ugyanarra a vezetékre kell pl Záráshoz sima negativ.,és Nyitáshoz ugyanarra szintén negativ 470Ohmoson keresztül. Talán okés valamelyik verzió.
Bocsi..,nem vettem észre eddig a leveled...
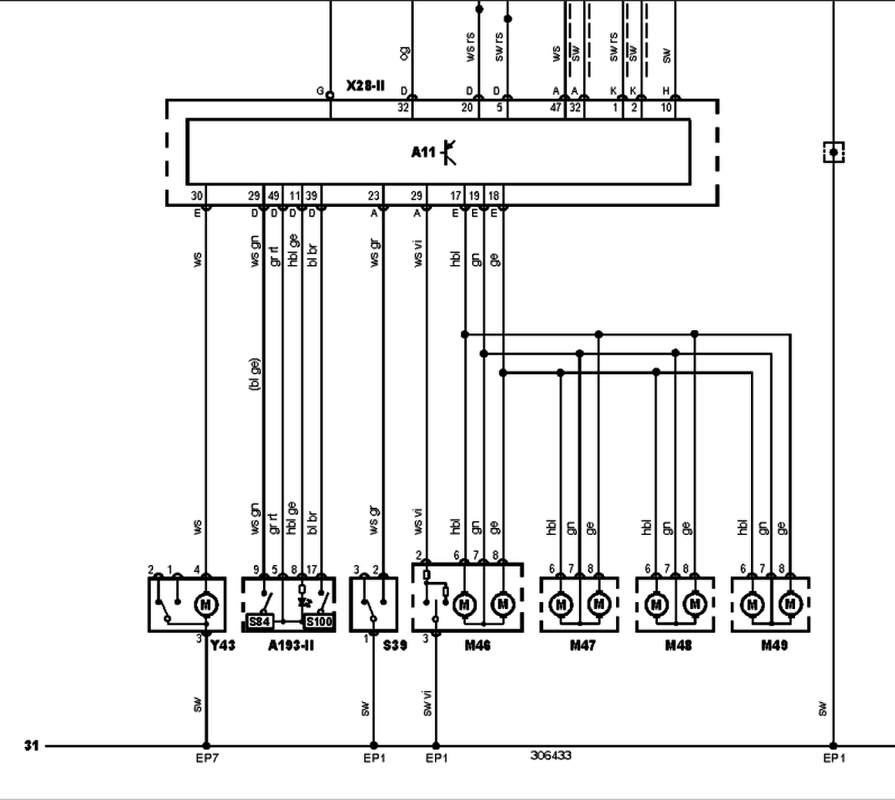
M46 : A vezető oldali ajtózár motor Y43 : Csomagtérzár és mikró Általában vezetéktörések szoktak problémák lenni a csomagtérzár hibánál
Köszönöm a segítséget. Holnap ha az idő engedi, megnézem. Gondolom az ellenállásnak nem kell nagy teljesítményűnek lennie.
Köszi a segitséget. Megoldodott a probléma. Konfort modulrol lehuztam a csatlakozot kontakt sprey és ujra felélett a rendszer. Vevö elfogadta a kulcsokat
1watt kb bőven jó..,majd jelezd vissza melyik variáció jött be.., ez már CAN-es autó..,de az is lehet hogy esetleg ellenállás nélkül is megy, mint az elöző Puntók.., A Bsi csatlakozóban vannak.., de ha már bementél az ajtóba akkor onnét is Ok.
Működik. Köszönöm a segítséget. Egy 470 Ohmos ellenállást kötöttem be. A csomagtér nyitását a középkonzolon lévő nyomógombra kötöttem. Oda nem kellett ellenállás.
|
Bejelentkezés
Hirdetés |













