Fórum témák
» Több friss téma |
Minden, ami gyári benne az halott.
Idézet: van 5 vezetékes motorom is, a vezerlőhöz kapott bekötési rajzot mellékeltem a hozzászólásomban. „többe kerülne mint az autó, ezért vettem egy utólagos távirányítós vezérlőt és motorokat. A 2vezetékes motort simán bekötöm, működik is ahogyan kell. Viszont szeretném elérni, hogy kulcsfordításra is nyissa a többi zárat, ennek bekötéséhez szeretnék segítséget kérni.”
Ezzel ne szeressed kulccsal is, ez azt nem tudja. Mint ahogy a többi sem, talán egy, azaz 1db volt eddig távirányítós utólagos ami ezt is tudta. Ha mégis szeretnéd, akkor kell egy hagyományos vezérlő, az vezérelje a motorokat és ez az utólag meg csak azt. Raktam fel itt a HE-n egy Uno gyári kapcsolást, igen könnyen megépíthető, de tudsz venni is.
Köszönöm az infót! Kicsit csalódott vagyok. A NyÁK építéshez piskóta vagyok, meg eszközeim sincsenek hozzá. De minek az a sok vezeték?
Na.
Ezt szerettem volna kérdezni. -megkeresed a BSI-ből kijövő motor vezetékeket,elvágod,bekötöd a helyére az új vezérlőt,de én 2 relét akkor is betennék,mert ez az utólagos vezérlő legfeljebb 1 motort bír a gyenge relé,csati és fólia miatt. Kulcsról így nem fog működni,csak távirányítóval. -újra vezetékeled kompletten -Megjavíttatod a gyári hibát. Régen volt infrás vevő,annak az a baja,hogy a rádió tetőantennánál bejut a víz és belefolyik a vevőbe. Az újabbnál írtam fentebb. Ajtóátvezető ellenőrzés,víz gyanús. 1 vezetékes vezérlés,kényes. Az elektronika letiltja a működést rendellenes vezérlő jelnél,hogy ne égjenek le a motorok.
Nem egy vezetékes! Mindkét oldalsó zárra 6 szál megy, a csomagtartóé pedig ugyanúgy működik, mint egy univerzális motor(3 ajtós) . A tetőantenna alatt semmiféle vezérlés nincs, a minap cseréltem. Csak a világítás van. Ha a gyárit totál kiiktatom, nem fog működni a belső világítás ajtónyitásra. Teszteltem. Szerencsére sehol nem ázik be. Azt meg tudod mondani, hogy a gyári zár 6 vezetékéből melyik mi? Erre is kíváncsi lennék.
A zárban az ajtókapcsoló is benne van(ami belső lámpát kapcsolja).
Ha széthúzod,ezért nem működik. Apropó,egyébként a belsőtér világítás jól működik? Mert egy állandóan nyitva levő ajtó is tilthatja a kp.zárat. Sajnos nem tudom a bekötését a zár kötegnek. De valami rémlik,hogy franciásan agyon van komplikálva. Olyan emlékem van,hogy ha elvágtam az ajtókapcsoló vezetékét,lehalt a kp.zár. Megnézem,van-e hozzá rajzom,de nem ígérem azonnal,türelmet kérek. REM: A 6 vezeték így is lehet logikus: 2 a motor,ez tuti. 2 lehet az ajtókapcsoló 2 lehet az 1 vezetékes,amit már említettem De most csak söprögetem az emlékeket. Valaki még?
Köszönöm! A világítás jól működik, sőt ha lezárom az autót akár kulccsal, akár a most beépített központival, akkor elalszik. Az igaz, hogy zár oldás után nem, viszont ajtónyitásra felkapcsol. Ha beülök, becsukom az ajtót és gyújtást adok, szintén elalszik, tehát szerintem OK.
Az univerzális volta miatt szükséges, hogy sokféleképpen be lehessen kötni. Ezért a benne levő 2db relé egy-egy morze érintkezője ki van vezetve, ez máris 6db (de ebben nincs benne a motor mikrokapcsoló, ami kellene neked). Kap 12V-ot, testet, vezérli az indexeket, ez még 4db. Hangjelzést is ad, csomagtartót is nyit, komfort ablakot is indít, ez még 3db.
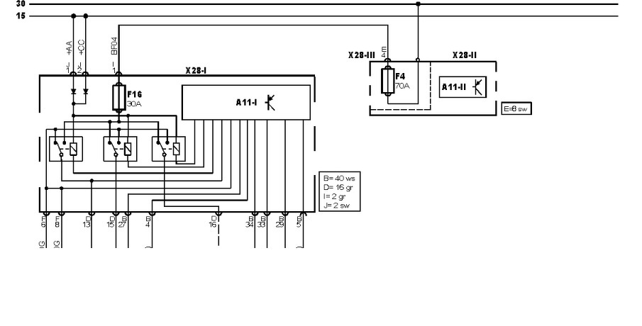
Kp zár vezérlők: Ez sajnos már nem vásárolható. Kb. a duplájáért, de talán ennyi még belefér. Ez a gyári Uno kp zár vezérlő visszarajzolva. A hozzászólás módosítva: Jan 14, 2019
Ennyit tudok segíteni.
Hogy miért van így agyonbonyolítva? Francia.
Köszönöm, ezek a rajzok meg jól fognak jönni.
Köszönöm a segítséget, valamint a linkeket
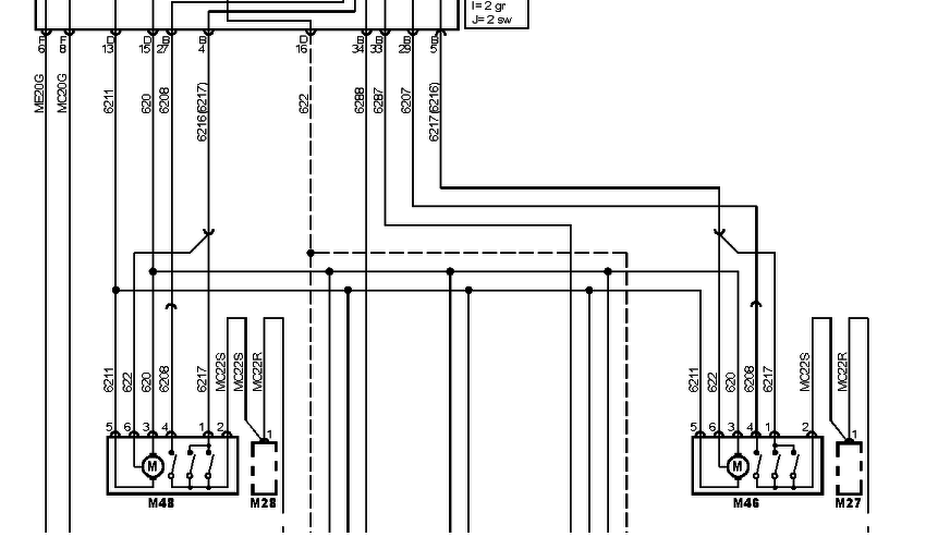
Gondolom észrevetted hogy ez egy rajz,csak a felbontás miatt szedtem 3 részre.
Igen.
Még annyi jutott eszembe,hogy a rajzon az első motorokhoz csatlakozik a tükör behajtó motor(ami Peu-nál kp.zárásra behúzza a tükröt),és ha esetleg egy törés után valami olcsó utángyártott tükörházat tettek fel,amit elfelejtettek rendesen összecsatlakoztatni...
Köszi! Ebben ilyen extrák nincsenek
Sziasztok!
Van egy Audi A6 C5 1.9 tdi afn motoros autóm. A problémám az vele, hogy csak kulccsal működik a centrálzár, távirányítóval nem. Vag com-al kiolvasva nem ír hibát, de a mérőblokkokban azt írja a Remote ablakban, hogy "nem működik " a kulcsban jók az elemek, másik autóra rá lehet őket tanítani. Már végignéztem mindent, antenna kábel csatlakozók, stb. A jelenlegi a harmadik komfortelektronika benne, bár nem volt egyik sem beázva vagy ilyesmi, mind a háromnak működik minden funkciója, belül is teljesen hibátlannak tűnnek, kivétel a távirányító. Amikor tanítani akarom vcds-el a kulcsokat, egyszerűen, nem veszi a jelet a diagnosztika szerint. Kódolva is jól van, már azt is megnéztem. Esetleg valakinek ötlet... Köszi előre is!
Üdv mindenkinek.Egy Suzuki swift 1.0 1999 3 ajtós autóba szeretnék bicskakulcsos Kp. -vezérlöt bekötni.Lenne valakinek kapcsolási rajza(vezeték színezéssel) az autóhoz vagy kötött be már valaki ebbe a tipusba?És megosztaná velem hogyan kell.Köszönöm a segitsége.Az email cimem:szt76@citromail.hu
Üdv!
Szégyellem,de elfelejtettem már a színeket(talán piros-zöld az egyik irány,de csak találgatok)pedig rengeteg ilyet szereltem annak idején. Sajna nincs hozzá rajzom,de nem bonyolult. Sima 2X negatívos vezérlése van. Keresd meg a vezető ajtóból jövő köteget a kormány alatti burkolat mögött vagy a küszöbhajlat burkolat mögött. Ha van izzós próbalámpád,testre csipteted. Amikor rámérsz egy vezetékre,az izzón keresztül tulajdonkép testet kapcsolsz rá;előbb-utóbb megtalálod a záró vezérlést(a zárat csavarhúzóval kattintsd be,ajtókapcsolót lehet hogy nyomni kell,de ez még régi,lehet hogy csak lámpát kapcsol) A nyitást ugyanígy megtalálod. A vezérlőben egy-egy relé van záráshoz és nyitáshoz. A két COM-ot testre kötöd a vezérlő testjével együtt(az autóban általában fekete,vagy tedd fémet összetartó csavar alá szemes saruval) A záró N.O.-t a záró vezérlésre kötöd,a nyitóval ugyanígy jársz el. Két N.C-t leszigeteled. + tápfesz általában vastag fehér Suzukiban,ide biztosítékkal kösd a vezérlő tápját,ha van irányjelző villogtatás COM,akkor azt is. Irányjelzők zöld-fehér és zöld-piros. Ha végképp szükséges,a hátsó ajtó mögött egy karosszéria üregben van a kp.zár vezérlő elektronika,ha jól emlékszem a menetirány szerinti j.o. Ha nem vagy jártas elektronikában,kérlek kérd szakműhely segítséget. A nem megfelelő beszerelés tüzet is okozhat!
Persze minden bekötési pont ellenőrizendő.
Gyújtás ne legyen rajta,kulcs legyen az autón kívül. Ha van beállító kapcsoló vagy jumper,az sima rövid(általában 0,5s)idő legyen.
Azt nem is írtad,hogy tulajdonképpen gyári vagy utólagos kp.zár van benne.
De az elv ugyanaz utólagosnál is.
Köszönöm a segítséget.A kp zár gyári a suzukiba de csak kulcsal müködik,ezért szeretném megcsinálni távirónyitosra.Szereltem már be más tipusba(Fiat) csak még suzukiba nem.Amint jó idő lesz hozzá megpróbálom a leírtak szerint.Jó lett volna találni hozzá egy rajzot de igy is köszönöm a segitséget.
Üdv.Megjött a vezérlő amit be szeretnék szerelni a suzukiba. UViktor ha kérhetnélek rá néznél a képekre.Tudom hogy már el magyarássztad hogy hogyan kössem be ,de lehet hogy igy egyszerüben megérteném mit hová kössek.Köszönöm a segítséget
Üdv!
Fig1-et kell megvalósítani. 0309.jpg-n fentről lefelé: Zöld:negatív kimenet ablakhúzó modulhoz vagy gyári komfort záráshoz zárásra kb. 30s-ig aktív.N.C. Kék:negatív csomagtartó nyitó impulzus(létezik erre monostabil motor vagy mágnes,ami meghúzza a csomagtartó bowdent/zárat.Relézni kell,közvetlen nem bírja a motort. Nem rossz dolog,de további befektetést igényel.N.C. Barna:irányjelző (autóban zöld-piros) Barna:irányjelző (autóban zöld-fehér) ellenőrizni! Fekete:test(fémes felület van bőven) Piros:+tápfesz.(autóban ajánlom a vastag fehéret,mert az indexek árama keresztül fog folyni rajta,tehát ne egy gyárilag 4A-el bizosított vékony tápról vedd .Ha nincs a kötegen biztosíték,tegyél mindenképp! Vezérlés: Sárga és sárga-fekete:test Fehér: záró Fehér-fekete:nyitó vezeték,amelyeket az izzós próbalámpán keresztül meg tudsz vezérelni. (Olvasatomban...ha fordítva megy,egyszerűen csak megcseréled...nem close és open,hanem down és up,szóval...hogy áll benne a motor?na mindegy...) Fehér:gyújtás Szerintem ne kösd be. Automatikusan zár gyújtás után...és ha elfelejted,és jeget kaparsz? Saját felelősségre kösd be. És nehogy összekeverd a vezérlés sorban levő fehérrel!
Még egyszer nagyon szépen köszönöm.Ha jó idő lesz megcsinálom.
Üdv Uviktor. Mai nap sikerült beszerelnem a te útmutatásod szerint.Tökéletesen müködik. Még egyszer köszönöm a segítséget.
Sziasztok!
Nagy nehezen sikerült kinyomoznom, hogy eurocar 25 típusú immoval van szerelve az autónk, amit múlt héten vásároltunk. Vásárlás után úgy működött az autó, hogy az ajtó nyitás után 15 mp-el rá kellett adni a gyújtást, különben az immo letiltott. Most viszont már annyira letiltott az immo, hogy egyláltalán nem hajlandó elindulni az autó. Kulcsot a gyújtáskapcsolóba helyezve, csak a műszarfalon lévő kis kulcs ikon villog. Valaki esetleg nem tudja hogy hogyan tudnám teljesen kiikatatni ezt az utólagosan beszerelt förmedvényt?
Szia,
Ajtókapcsoló működik? (Beltér lámpa kapcsol ajtó nyitásra?) Leírása a google-n; Bővebben: Link Amikor "régebben"tiltott,akkor is villogott a kulcs ikon? Nem ejtetted le a kulcsot mostanában? Ha ennyire nem kedveled,inkább szereld/szereltesd ki. Üdv!
Igen az ajtókapcs. működik. Annyit még elfelejtettem leírni, hogy a távirányító nem működik, hanem az autó indítókulcsával mechanikusan nyitom ki a zárat. Akkor ezekszerint az nem is adeaktiválja az immot.
Ha találnék rá szakit, menten kiiktatnám.
Elsőként az elemet mérd meg a távirányítóban,ha szükséges, cseréld.
A linkelt leírásban benne van a vészkikapcsolás menete is,de gondolom nem tudod a kódját. Sajnos így távolról,tulajdoni jogviszonyok ismerete nélkül többet nem tudok segíteni egy biztonságtechnikai eszköz kiiktatásában,remélem ez érthető. Üdv! |
Bejelentkezés
Hirdetés |

















