Fórum témák
» Több friss téma |
Már müködik kulccsal minden,a belsö zárás is müködik.Az első ajtoban a zár vezetékekre kellene gondolom kötni.Ebben szeretnék segitséget kérni.Gondoltam arra is hogy a zárat külön vezéreltetem,de a vezérelhető szálakra jobb lenne rá kötni.
megigértem...
1. Hogyan tudod kiválasztani az egy db vezérlő szálát ,ami kabinon belül van és vezetőajtóból jön. 2.Egy C.Xara.autótipus beépitésit is küldök 3.Hogyan kell a kinait összeállitani erre a speciális egyvezetékes vezérlési módra. Estig remélem lesz időm üdv
1.Vezérlő szál kikeresése...,ajtóból jövö kötegból jövöre.., megvan a BSI-ben is de eldöntheted.,
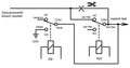
egyértelmübb .ha direkt ajtóból jövöre kötöd.. Kulcsot kivenni--ablakot leengedni--zárat kiakasztani . Próbalámpát testre ajtóból jövő kötegben nagy valószinüséggel FEHÉR., de lehet BARNA is..,lényeg hogy valamelyikre testet beadni ,ha eltaláltad a helyes vezetéket akkor lezár a központi. Ha ugyanezt a vezetéket elvágod akkor ki kell nyitni a központizárnak. Tehát Záráshoz negativ kell---Nyitáshoz ugyanazt a vezetéket bontani. Kinait központi részét igy kötözd össze: ZÁRÁS: Narancs :ÜRESEN Sárga- Feketével egybefogva :Testre Fehér : Zárás negativ. ------------------------------- NYITÁS: Narancs/Feketén és Feh/Feketén átvezetni az elvágott vezérlő szálat.Sorrend közömbös. Sárga/Fekete: ÜRESEN. Vigyáz a SÁRGÁBÓL kettő is van!!!Neked a szemből baloldali kell!!!
Köszi._A héten beleméjLYedek.
A hozzászólás módosítva: Feb 3, 2022
Moderátor által szerkesztve
Szia.Miért kell lehuzni az ablakot?Kikeresem az ajtoban probalámpával a záro szálat.Amelyiknél zár a központi,az a záro.Elvágom ezt a szálat,akkor nyitni kell a közpőntinak.kinainál,narancs üresen sárga fekete együtt megy testre,fehér szálat kötöm az elvágott vezeték egyik végére.Az mindegy melyikre?A zár vagy a karosszériába menő végére?Narancs/feketét fehér!feketét összekötöm az elvágott szál másik végével.sárga/fekete üresen.Ezen sárga,és sárga/fekete van.Nincs két sárga.Kulccsal is nyitni fog igy igaz?Tvábbá még egy kérdés,ablakot rá lehet kötni a felhuzo zőld szálra,müködni fog?
Szerintem valahogy így gondolta.
"Miért kell lehuzni az ablakot" : Biztonságért leszoktam, kizárhatod magad stb.., csak ennyi.
"Ezen sárga,és sárga/fekete van.Nincs két sárga" :Akkor ez ilyen..., amin én most kiprobáltam .(SMP V709),azon két db Sárga vezeték volt., szemből jobb szélről vissza egy helyen is volt egy plussz Sárga=csomagtérnyitás jelöléssel. "Narancs/feketét fehér!feketét összekötöm az elvágott szál másik végével." NEM EGYMÁSSAL ÖSSZEKÖTNI A KÉT VEZETÉKET!!! Narancs/Fekete szinú az elvágott vezeték egyik vége., Fehér/Fekete szinű az elvágott vezeték másik vége!!!!Az alaphellyzetben záró relékontktuson vannak keresztülvezetve !!! A ZÁRÓ FEHÉR vezetéket a karosszériába menő oldalra kell kötni., nem az ajtóoldalra! "Tvábbá még egy kérdés,ablakot rá lehet kötni a felhuzo zőld szálra,müködni fog?" Van az automatikus ablakfuttás fölfelé is? Vagy csak addig megy ,amig nyomod a kapcsólót? Ha nincs akkor .,csak külön ablakfelhuzómodullal lehet megcsinálni ,amit a távvezérlőd vezérel meg . Ha van automatikus futtatás fölfelé, akkor esetleg kisérletezgethetsz probalámpán keresztül., + vagy minuszt beadni valahol az elektronikának/kapcsolónak stb..,ha reagál., probálkozhatsz a ablakzárókimenettel is---lehet .,hogy átlehet ,szükségnek megfelelő polaritásra állitani.., innét meg nem mondanám.,ezzel a probalmpánkeresztüli probálkozással nem tudsz semmit hazavágni.., de ha direktbe beadod valami motorféleségba , akkor garntált a KO..
Igen--ez egy önmagáért beszélő tökéletes C.Xara P. központi rajz!
Sziasztok! Valaki nem tudja mi a típusa ennek az autóriasztónak? Felirat már nincs rajta...
Igen van benne az ablaklehuzásnál vezető oldalt ilyen funkcio.Köszönöm a segitséget.Hétvégén nekiállok .
Érdekes hogy Nálad csak vezető oldalt van.., most néztem egy mezei kb 2000-es Berlingon .,mindkét oldal LE és FÖL is automata., nem kis meglepetésemre..., ráadásul középkonzolban vannak a kapcsolok, 5 perc volt kipattintani és kipróbálni.
sok sikert
Picasso az autom,és ezen csak vezető oldali ajton huzodik fel az ablak.Az ablak motorban van ezeknek a vezérlöjük?Mert Picasso forumokon azt irták,hogy angol vezetö oldali ajtobol kell venni motort,és akkor másik oldalon is müködni fog.Gondolom a motorok nem cserélhetök jobb bal oldalra,mert van rossz vezetö oldali ablakgépem,amiben a bovdenezés ment tönkre.
Pass X-Piccassó....
Most olvasom hogy Nálad is a középkonzolon vannak az ablakemelő kapcsolók??? Ez .majdnem ideális ..,az esetleges ablakfelhuzó-modul körüli ténykedésedhez! A kiprobált Berlingon is ott voltak a kapcsolok. Ahoz a abl.motor.átcseréléshez nem tudok hozzászólni--nem tartom kizártnak az átcserélhetőséget..,talán valami cikkszámkeresés eredményt hozhatna??? De szerintem legalábbis munkában majdnem egyszerübb egy kétablakos ablakemelő modul beszerelése .,mivel jó hozzáférhető helyen vannak a kapcsolóid .,ahol rákell csatlakoznod a modullal., kb 6-8000.Ft szokott lenni egy ilyen modul. Küldök egy rajzot a bekötésről.,müködéskor a fölfelé pozitvvá váló szálat kell elvágni. Jól értem hogy van egy jó VEZETŐOLDALI ablakemelő motorod----lehet hogy megérne egy probafeldugást..., A hozzászólás módosítva: Feb 6, 2022
Utólag jut eszembe az angol motorcserés figuráról..
Van vezető oldali motorod---. és hány PIN van a csatlakozóban??? Ha csak kettő ,akkor igen nagy valószinüsége annak hogy sima szénkefekivezetések---tehát NO ELEKTRONIKA! Nagy valószinüsége annak .,hogy a BSI modul vezérli már az ablakemelőket!!!! Két abl.kapcsoló "érintésre-beakadásra" is egyformának tünnek??
Igen van, a bovdenek nem jók benne.Majd megpróbálom.Most az ablak felemelésében kérnék kis segítséget.Müködik az ajtó nyitás zárás hála nektek.A modulon van egy zöld szál,amin záráskor kb 30 másodpercig plusz van ,a rajzon ez ablak felhúzásként van feltüntetve.Kimértem a nyitó szálat az ablakgépnél,egy felvillanásra van rajta plusz,a másikon lehúzáskor villan a próbalámpa.Van még egy fix plusz,és mínusz.a Kis dobozt csak az ajtóba tudom tenni,innen vezetéket kihúzni elég nyügös lenne.Gondolom nem lenne szerencsés fixen rákötni a felvillanó szálra.
Ablakgép?
Az elektromos motorok irányváltása, mindegy, hogy kp zár, vagy ablak 2db ávltóérintkezőn keresztül történik. Az egyik a motor egyik, a másik a másik pólusát kapcsolja. A váltóérintkezők közös COM pontja közé megy a motor. A további érintkezőkre megy a +feszültség, és a negatív, vagy itt test. Az azonosok, NO az egyik, a NC a másik. Így alapból mindkét motor kivezetésre azonos potenciál kerül, nem folyik áram, a motor áll. Egyszerre csak az egyik érintkező vált, így rákapcsolódik a motorra a feszültség és megindul az egyik irányba. Ha a másik, akkor a másik irányba. Ennyiből nehéz megmondani, hogy te most a motorra menő lábat mérted, vagy azt a kapcsolót, ami a vezérlőbe megy. De a vezeték megszakítása nélkül közvetlenül a motorra az előbb említett okok miatt nem köthetsz semmit. Illetve ez a vezérlődből kijövő szál terhelhetősége miatt sem lesz jó, továbbá az automatikusság, végállás sem biztosított. Mindenképpen az elektronika előtti vezérlési pont kellene, amit a gombról tudnál szerezni. De itt is ismerni kéne a bekötést, mert ha esetleg itt is így van megoldva a bekötés, akkor oda sem lehet csak úgy ráforrasztani.
Ha két tüs az ablaktőrló motorod ,akkor szeritem felejtős- fölösleges a motorcsere- bere, mert nincs Elektronika a motorban csak forgórész es 2 kefe...., nagy valószinüséggel..
Szerintem max a vezetőoldali Kapcsolónál érdemes próbálkozni , gyujtás rajt-- probalámpát pluszra vagy minuszra -- és végigböködöd a kapcsolón lévö vezetékeket- rajt is tarthatod ha szerencséd van akkor valamelyik vezetékről elindul az ablakfelhuzás--- plussza és minusszal is próbálhatod.., de kizárolag csak probalampan keresztül!!! Ha sikerül is,ezzel a módszerrel csak a vezetöoldalt tudod felhuzatni!!! Utast semmiképp se! " Kis doboz" az mi a manó akar lenni??? Csak nem a távvezérlőd??? Ha mindkét oldali felhuzás kell ., akkor mindenképp kell , egy már emlitett 2 ablakos felhuzo modul.Ezt vezerli majd a Zöld vezetéked. Adnak hozzá leirast.., plusz,+ minusz,+ Zöld vezerlöszálad, + ablakonkent 2db vastagabb vezeték, amiböl egy párat sorba kell kötni azzal az elvágott vezetékkel amelyik pozitiv lesz ,amig megy fölfelé az ablak.A csatolt leirásban bennt van a kapcsolon levö vezetékszin is.,amit majd elkell vágni a felhuzáshoz. Ajtón belül modult berakni nem szerencsés., de Nálad egyszerü volna mert nem ajtókarfán ,hanem középkonzolon vannak a kapcsolók..., ugy rémlik azt irtad. Ha a két ablakemő kapcsolót egymásközt fölcseréled mi történik??
Találtam egy Bal Motor fényképet :Szinte biztos hogy a bal-jobb motor nem csereszabatos .
A bal motor 6 TÜS !!!! Ha van Komfortkapcsolás---mint Nálad Becsipődésgátlás miatt .,valami végállás-terhelésérzékelés akárminek kell lenni---Ezért ez egy elektronikás ablakemelő motor. Feltehetőleg egy ilyen 6Tüs Motor.., + feltehetőleg kapcsolócsere is megoldja a problémád.
Kösz a választ,jo hogy kérdeztem.Ablakgép=ablak emelő.
Kis doboz=központi zár modul.Első ajtoba tudtam betenni.Az ajtó emelő motorba 4 vezeték megy.
Igen 6 tüs a bal motor.Jártam már ugy hogy autot lezártam,de ablak lehuzva maradt.Ezért gondoltam arra hogy bekötöm ,ha véletlen ugy marad az ablak felhuzza nekem.De egyelöre akkor hanyagolom.
Kis doboz= Kinai távvezérlő doboza? Vagy rosszul értem? Vezetöajtón belül elhelyezve?
Nem a leggyakoribb helyet választottad, de elektromosan tök jó ott is, gondolom kicsit becsomagoltad..
Üdc C
Be,de még nincs kész.Vezetékköteg nagyon be van zsufolva a BSI nél.
Kérdés:
Bmw E39- 520i 2000. Van gyári riasztó .,amit vezető oldalról -KULCSRÓL .,be-és ki lehet kapcsolni!! A kulcs távvezérlő része hibás.., ha utólag beszerelnék egy kinai univerzális k.p.zárvezérlőt ., akkor az a központi Zárása-Nyitása mellett ,egyidejüleg bekapcsolná a gyári riasztót is??? köszi minden Vélaszt üdv A hozzászólás módosítva: Feb 7, 2022
Szia,
Már csak OFFban merek írni,nem akarlak összekeverni. Megint csak az emlékeket próbálom felidézni. Valamiért az rémlik hogy az ajtók felől jövő vezérlés minden második zárásra visszanyit,talán mintha a csomagtartó vezérlése működne "simán"... Olyat is láttam hogy valaki szétszedte a kesztyűtartó mögött levő grundmodult és a relék lábára forrasztotta a vezérlést...ezt nem ajánlanám... Járatom a megmaradt agyam,hogy E39-nél kell-e dupla zárást nyomni hogy reteszeljen,mert a gyári ria.mintha együtt kapcsolna a retesz zárással. A nyitás is érdekes lehet,BMW-nél nem valószínű,de pl.Audinál a kulcsos nyitás után max.30s-ig gyújtasra kellett tenni a gyári kulccsal,mert különben azt gondolta hogy zártörés és riasztott.Én továbbra is a gyári távvezérlő javítása pártján vagyok. Üdv! |
Bejelentkezés
Hirdetés |








