Fórum témák
» Több friss téma |
Sziasztok!
Van egy autós erősítőm és egy cd-játszó az autóban.A cd-játszónak nincs sub kimenete és egy hangszóró kimenetről szedtem le a hangot.Na most a cd csatornánként 45 wattot ad le,tehát elég erős előerősítést ad az erősítőnek ami emiatt besokall és kisebb túlcsordulásnál kicsit levest a mélyből,pontosabban minden második basszus hallatszik,nagyobbnál pedig el is hallgat.Egy discman-ről meghajtva viszont finomabban tudom a hangerőt ráadni és jobbat szól arról.Kérdésem hogy lehetne megoldani,hogy a bementre kisebb hangerő menjen és ne torzítson,illetve ne halkuljon el az erősítő?
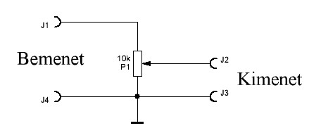
Hello, egy ellenállásos osztó, egy trimmerpotenciométer alakjában megoldhatja a problémádat. MIvel nem ismerjük az impedanciaviszonyokat, ki kellene próbálni néhányat, pl egy 10kOhmossal lehetne kezdeni. Egyik vége testen, a pálya végére adod a HF jelet, a csúszkáról viszed tovább az erősítő felé.
Ne haragudj Zoli,de nem találom.
4 ohmos hangsugárzók és 4 ohmos az erősítő.Ezt hol lehet beszerezni?illetve kb. mennyi az ára?
És ha csak elétennék pl egy 1kohmos ellenállást?
Szia!
Ne egyet tegyél, hanem kettőt osztónak bekötve, a rajz szerint. Ez kb. tizedére osztja a jelet.
Ne haragudj,de nem értem,nagyon laikus vagyok.A csomópont után berakom akkor egyszerűen a hangszóró elé?A 100ohm-osat pedig hova?Lent az egy test?Vagy a bemenet elé az 1 kilosat?
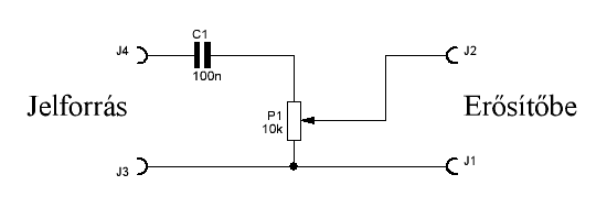
Igy kellene, vagy ahogy Lapose mutatta, ez állítható. ..Mindkét csatornára kell egy ilyen...
Azt még tegyük hozzá, hogy ezek a rajzok csak akkor érvényesek, ha a fejegységen a testre és a hidalt kimenet egyik meleg pontjára kötöd. A hidalt kimenet negatív szálát testre kötve zárlatot kapsz...
Esetleg egy kondi sem árt az osztó elé, mivel testhez képest a fejegység minden kimeneti pontján (8db), féltáp van. A pukkanást meg majd megszokod, ha szerencséd van esetleg elmarad... Üdv Inhouse
Igy igaz, ebben az esetben módosítok. Remélem a hangszínre nem lesz befolyással.
Szerintem ha a direkt a hangszóróbemenetekre volt kötve a rádió akkor ott sokkal kisebb az impedancia a 100nf tuti mély vágás .Ha így van megoldva a hangszóró kimenet egyik ágával sorba kötnék egy 1Kohm potit,szerintem azzal már be lehetne állítani a hangerőt (az erősítő belső ellenállásával osztó lesz belőle.)Ha eddíg nem koppant ezután sem fog.
Bár elég régi autóerősítő lehet ha nincs rajta magasszintű bemenet.Tuti nincs?Újabb erősítőkön van magasszintű és vonalszintű bemenet és még hangváltó is ha mélyládához kell...
|
Bejelentkezés
Hirdetés |







