Fórum témák
» Több friss téma |
Fórum » Autós erősítős kérdések, problémák
Témaindító: Thomas10100, idő: Dec 28, 2005
Témakörök:
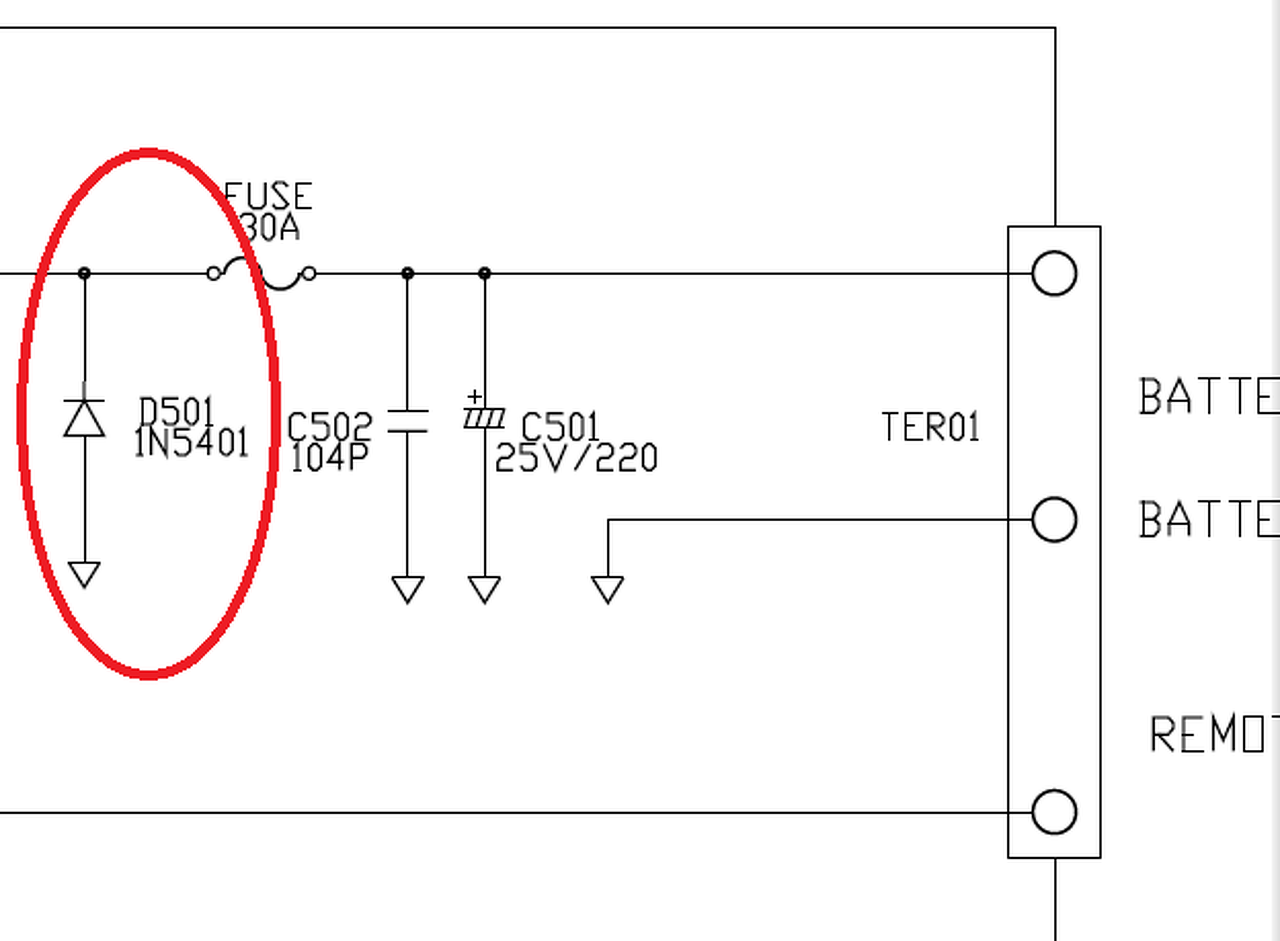
Sziasztok. Hoztak nekem egy autós erősítőt javításra. A hiba az volt, hogy használat közben megállt és onnantól kezdve csapkodta a biztiket. A tápágban található dióda ment át zárlatba. Ideiglenesen egy kisebbel pótoltam, működik a szerkezet. Kérdésem, hogy ami benne volt az egy 3A és 1000V-os darab. Ragaszkodnom kell ehhez vagy elég lesz oda az itthon fellelhető 3A 60V-os is?
Szia. Nem jellemző arra a védődiódára, hogy "csak úgy" tönkremegy.
![]() Inkább az lehet, hogy elkötötték, a dióda meg tette a dolgát. Helyettesítésnél arra figyelj, hogy ez schottky dióda. Gyors és kicsivel kisebb feszültségen már nyit, mint egy "mezei" egyenirányító dióda. Hasonló paraméterűt tegyél oda. Megeshet, hogy a most beletett dióda egy következő fordított bekötés esetén az átfolyó nagy áram miatt szétrobban, utána meg már nem fogja semmi megvédni az elektronikát.
Nekem csak ennyit mondtak
Hogy mi a valós előélet nemtudom A Remote bekötés körül is a nyák össze vissza volt bántva át kellett forrasszam. 1N5822-t gondoltam a helyére ez van itthon. HA jól olvastam egy is schottky. Ez is 3A, csak a feszültség tűrése más.VAgy van HER302 még. A hozzászólás módosítva: Feb 6, 2016
Üdv!
Megvan már a hiba? Ha nincs akkor tanácsolnék egy két dolgot! A végfok végtranyóit , kösd ki, ha elindul akkor végfok probléma , ha nem akkor táp, azon belül a gyorsdiódák , vagy a fetek megfelelő kimérését ajánlom! Lehet még más egyéb is, pl , ha nagy volt a zárlat mikor elromlott, lehet menetzárlat is a toroid tekercselései között , iszonyatosan fel tud melegedni! Röviden ennyi remélem hasznos lesz amit tanácsoltam.
Sziasztok, ma vettem egy kicx icq 6.2-t, a rms 125W az egész szettre vagy csak egy db-ra vonatkozik?
Szia! Ezekben a teljesítményadatokban több a vevőcsalogató mint műszaki tartalom, a fejegység 15-20W-os kimenetéhez illeszkedhet a valóságban, ne kösd nagyteljesítményű erősítőre!
Sziasztok!
Van egy régi interconti erősítőm, és az a problémám vele, hogy nem kapcsol le amikor elveszem a remote-ot :/. TL494-et cseréltem, de nem az volt a probléma forrása (Mondjuk ez sejthető volt). Tudnátok segíteni, hogy hol kezdjek el keresgélni? (Van oszcilloszkópom, precíziós multiméter, meg igazából minden ami kellhet). A válaszaitokat előre is köszönöm!
Szia! A remote gyakran a TL494 tápja, kövesd le, honnan kap mégis feszültséget.
Azt próbálom, de valahogy érdekes nekem a dolog
. 11-es lábra kéne mennie elméletileg a remote-nak. A két meghajtótranzisztort lekötöttem, hogy addig ne kapcsolgassa a FET-eket, és nézegettem. Ahogy a 11-es lábra adok 12V-ot, úgy szépen jön is rajtuk a négyszögjel. Tehát gondolom annak kéne lennie a remote-nak. Ebben csak az az érdekes, hogy ha csak az erősítőnek a remote bemenetére adok 12-t, akkor odáig el sem jut, a tranzisztorokat sem kapcsolja. Tehát érdekes nekem a dolog :/. Na, de majd holnap kicsit jobban megnézem, hátha.
igen, a 12-es láb az, bocsánat
. Azzal próbálkoztam. Holnap majd végignézegetem. Köszönöm szépen! Szép estét!
Sziasztok
Van nálam egy 2.1 wrc 500 somogyi erősítő és úgy szól mintha nem jönne be a rádió adás rendesen szóval recseg. Ami már cserélve lett benne : Összes kondenzátor,összes 2n5551 és 2n5401 tranzisztor,összes vég fet irf540n, a TL494CN Kapcsolóüzemű ic,a gaint póti. A táp oldalon lévő fetek még nem lettek cserélve.(4 db f1010e, 1db f12c20c, 1db f12c20a) A nagy ellenállások nem szakadtak,és szinte minden át lett rajta forrasztva. A kábelek,táp és a magnó jó mert egy ugyanilyen másik végfokom van és azzal teljesen jól szól. Szerintetek mi lehet a hiba,vagy hol kezdjem el keresni. Sajnos nem vagyok egy oszcilloszkópos szakember,de a multiméterrel és a forrasztópákával eltudok bánni Segítségeteket előre is köszönöm A hozzászólás módosítva: Márc 21, 2016
Bármilyen alkatrészt aztán cserélünk, miután megállapítást nyert hogy rossz. Most kicseréltél egy halom alkatrészt teljesen feleslegesen.
![]() A hiba behatárolását úgy kellett volna kezdeni, hogy: - szét kellett volna választani az erősítőt valahol félúton a bemenet és a végfok között, és megnézni hogy a csupasz végfokon, csatlakozók, kezelőszervek, előfok nélkül is jelentkezik-e a probléma - ha 2 csatorna van és hidalt, külön külön a csatornák jók-e - a táp kimenetén ha a szimmetrikus tápfeszültség megvan, abban hiba nem nagyon lesz, mert a zavarszűrő elemek nem szoktak tönkremenni - bármiféle problémát az esetek 80-90%-ában vagy kiszáradt elektrolit kondenzátor okoz, vagy visszáramos dióda, vagy zéner.
Köszönöm szépen az információt,akkor ezeket kiméregetem.
Hello. Kaptam egy ismerőstől egy Magnat Rave 300 típusú autós erősítőt ami azt a tünetet generálja, hogy folyamatosan világít rajta a védelem ledje, de néha-néha felvillan a zöld és akkor nyom is a mély hangszóró egy-egy ütemet. A panelt átbogarászta de egyszerűen nem jövök rá, hogy mi lehet a baja. Valakinek valami ötlete esetleg ?
Forrpont repedés valahol. Át kell nézni és átforrasztani, ha hamar meg van, akkor nyert ügy. Ha nem, akkor lehet sokáig szöszmöszölni...
Van egy Autós erősítős kérdések problémák, nem kell minden gyártó, minden márkájának, minden típusának külön topicot indítani.
Az a baj, hogy valaki már nagyon belepiszkált, van jó pár cserélt alkatrész és most vettem észre, hogy az egyik diódánál meg van feketedve a panel. A diódákat már forrasztották újra, kapcsolás alapján nem is jó dióda van belerakva. 12 volton nyitó van benne de kapcsolás alapján 15 volton nyitó kellene. Más hibát még nem találtam. Mit kéne megnéznem még esetleg ?
Elsőre úgy tűnik, hogy már a kérdezéssel baj van. Az első hozzászólásodból megtudtuk, hogy kaptad az adott típusú erősítőt és az rakoncátlankodik. Erre kellett volna ötletelni. Most meg kiderül, hogy elbarmolták, cseréltek alkatrészeket, ráadásul nem megfelelőre, és talán rajzod is van hozzá...talán először helyre kellene állítani azt az állapotot, aminek esélye lenne működni.
Ez az egy dióda ami nem a kapcsolásban szereplő értékű. A többi alkatrész jól van forrasztva és megfelelő is a kapcsolás alapján amit cseréltek. Az előbb kipróbáltam tápra kötni, az elején ahogy mondta ismerős világított egyszerre a power illetve a protect led. Majd mikor megkapta a fejegységtől az impulzust egyből kiégett a biztosítéka. Ő használta így ezt az erősítőt az elején még jó volt és egy idő után kezdte el ezt csinálni. Utólag kiderült most, hogy rosszul volt bekötve a jel az erősítőnek, mivel nem a fejegységről kapta hanem gyújtáskapcsolóról, ami azt eredményezte, hogy miután levették a gyújtást még utána is búgott elég erőteljesen a hangszóró.
Idézet: „..megkapta a fejegységtől az impulzust egyből kiégett a biztosítéka.” Egyértelműen végfok leégés, rövidzárlat. Ez biztos, ezenkívül még lehet más baja is.
Idézet: „A nagy kondenzátorok 2200µF-osak. ” Ezek az infók édes kevesek! Tudni kellene hány ohmos hangszóróra van tervezve, meg hogy a azok a nagy pufferek hány voltosak! Esetleges a hűtőborda mérete adhat némi utalást, de azt nem látjuk. De kinézek belőle kb 50wattát.
Először is köszi a választ.
4ohmos hangszóróra van tervezve. Sajnos nem vagyok otthon, de holnap leolvasom az adatokat, amik szükségesek. Itt egy kép a bordáról: Borda
Mivel két helyen is kérdeztél (feleslegesen), az erősítős témában már válaszoltam én is.
Sziasztok! Van egy sal pro 900 erősítőm és olyan gondom van vele, hogy a protect folyamatosan világít. kiforrasztottam belőle minden vég és táptranzisztort kiméregettem minden jó. tápfeszültséget lehet mérni a kondikba (40v) nem tudom merre is kellene tovább induljak. esetleg ha az segítene valamit, hogy használat közbe történt a probléma és amikor kivettem az autóból kicsit párás volt belül. A másik probléma hogy kevés volt a test az autóban
(nem kapott elég testet a kaszniról) a segítségeteket előre is köszönöm
Sziasztok!
Van egy Rockford Fosgate Power 1500.1bd erősítőm. A képen látható hibája van érdemes vele foglalkozni vagy kuka?
Lehet vele foglalkozni, ha van hozzáértő emberke! Igazából így nem lehet felderíteni az összes hibáját!
Ha nem jutsz vele dűlőre akkor engem érdekelhet a jószág, némi ellenjuttatás fejében is.
Privátba írj, hogy mennyibe.
Sziasztok!
Nem értek különösebben az autós erősítőkhöz, ezért lenne egy kérdésem. Erősítő Egy ilyenről lenne szó. Az lenne a kérdésem, hogy ha otthon használnám, a hangerőt miként tudnám szabályozni? Ugye nincsen rajta hangerőszabályzó. Hogyan működik ilyen téren az erősítő? Az én értelmezésem szerint a bemenő jel függvényében változik a teljesítménye(?). Tehát ha én a bemenetre rákötöm pl. a számítógépet, akkor a számítógép "hangerőcsúszkájával" tudom állítani a hangerőt? Tehát a max teljesítményt akkor adja le az erősítő, ha itt a gépen maxon van a hangerő. Nyilván függ ez a bemenő jeltől is, de ez valamennyire gondolom, hogy szabványos(RCA bemenet van rajta ugye). Ha ez így működik, ahogy leírtam, akkor ezt biztonságos így használni, vagy érdemes külön hangerőszabályzót építeni/venni? Előre is köszi. Üdv. |
Bejelentkezés
Hirdetés |







Hogy mi a valós előélet nemtudom
. 11-es lábra kéne mennie elméletileg a remote-nak. A két meghajtótranzisztort lekötöttem, hogy addig ne kapcsolgassa a FET-eket, és nézegettem. Ahogy a 11-es lábra adok 12V-ot, úgy szépen jön is rajtuk a négyszögjel. Tehát gondolom annak kéne lennie a remote-nak. Ebben csak az az érdekes, hogy ha csak az erősítőnek a remote bemenetére adok 12-t, akkor odáig el sem jut, a tranzisztorokat sem kapcsolja. Tehát érdekes nekem a dolog :/. Na, de majd holnap kicsit jobban megnézem, hátha. 









