Fórum témák
» Több friss téma |
Sziasztok!
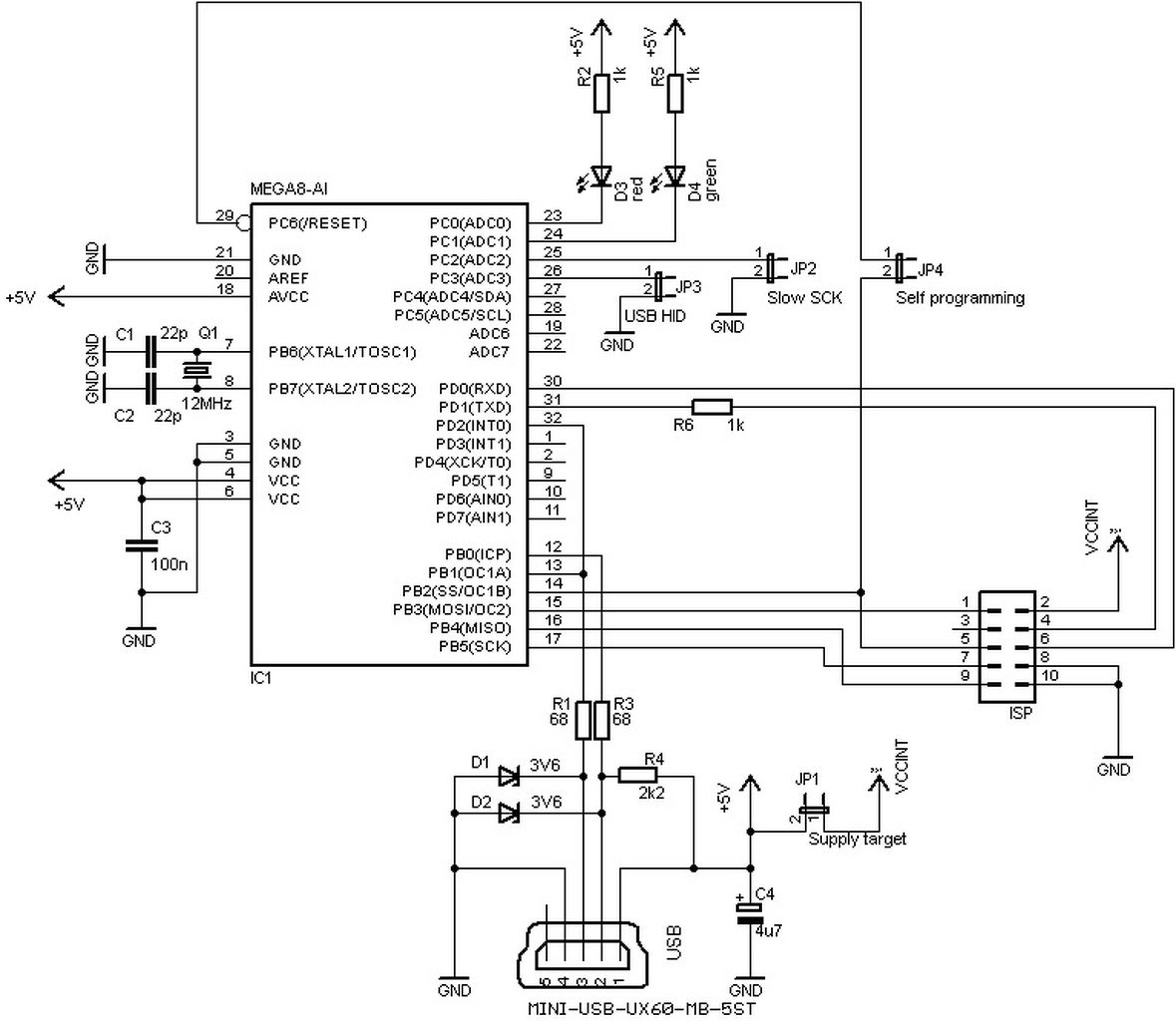
Van egy ISP programozóm, aminek a kapcsolási rajzát csatoltam. Viszont nemnagyon akar programozni. Fusekat kiolvas, meg feszültséget stb. De írni nem akar, vagyis ír, de egy idő után megáll. Elméletileg van rajta SELF PROGRAMING mód, csak nemtudom, hogy kell felprogramozni. Gondoltam ha valakinek akadna rá működő firmware, akkor megpróbálkoznák vele. Esetleg Arduinoval valahogy rádobni.
Szia!
A self programming a benne lévő AVR felprogramozásához kell. Az isp-n keresztül rákötsz egy másik programozót, ha rá van dugva a J4 jumper, akkor betöltöd a programot. Ezután leveszed a jumpert és elfelejted hogy létezik. Belevaló programot és drivert (xp) találsz az oldalamon. (USBASP) Win7 leszedi az update-ről. Nekem régóta hibátlanul megy, bár én az összes adatvonalra kötöttem sorosan egy-egy 220 Ohmos ellenállást védelemnek. Bővebben: Link A hozzászólás módosítva: Máj 28, 2014
Szerintem tápfesz probléma lesz, akkor csinál ilyet. Nézd meg hogy a céláramkör kap-e áramot.
Az ellenállás oks, azzal nincs baj. Nem árt (Doper esetén) a CKDIV8 nevű FUSE bitet kikapcsolni. A hozzászólás módosítva: Máj 28, 2014
Szia! Szerintem nekem akartad címezni. Próbáltam Arduinoval rádobni az USBASP fw-t, de nemsikerült. Bekötöttem úgy, ahogy írja. AVRDUDE (AVRDUDESS GUI) kiválasztottam az STK500 v1 et és 19200 BR, de nem komunikált. Ha arduinot választottam, akkor talán komunikált, de semmi értelmeset nemprodukált. Azt csatlakoztattam az ISP programozót a géphez, de nem is ismerte fel, csak hogy COM3 ismeretlen eszköz. A driver telepítést meg nem is csinálta, mert, hogy az friss...
Így néz ki a dolog.
Sziasztok!
Remélem nem rossz topikban kérdezősködök: meg szeretnék ismerkedni az AVR-ek harverközeli programozásával, és nem tudom, milyen programozó(k) lenne/lennének nekem megfelelő(k). Elsősorban egyszerűbb, ATMEGA8, 16, 328-asokat és ATTINY-ket programoznék (DIL-es tokozású chip-eket). Windows 7-em van (64 bites), és Atmel Studio 6.1 van rá feltelepítve. Mi az, amiket még számításba kell venni a programozó megválasztásánál (pl. utángyártott programozóktól óvakodni kell-e)?
Utángyártottból olyat, ami aláírt driverrel rendelkezik (Win7x64, Win8, Win8.1). Pl. FT232RL chip (STK500, de csak a legújabb firmware-val), vagy MKII (itt firmware csere kellhet a AVRStudio és egyebek közt).
Emulált USB-s Doper, AVRISP, USBASP nem jó. Ezek például jók.
Én egy ilyet vettem. XP alatt az Atmel Studio 6.1 egyből felismerte MKII-nek és tökéletesen működik. Egy apróság van vele: csak a 6 pontos ISP csatlakozó van rajta, ezért kellet egy 6/10 konverter panelt készítenem.
TavIR-AVR-nek igaza van, az olcsóbb AVRISP, USBASP bizonytalan működésűek. Annó vetten egyet és pl. csak Khazama programozóvak működött rendesen.
Ilyen ISP MKII clone-t vett már valaki?
Nekem pont olyannak tűnik mint az AVRISP mkII programozó című cikkben épített. Annak csak az anyagköltsége majdnem ennyi. A hozzászólás módosítva: Júl 3, 2014
Igen, pont olyan. Ezek mind egy kaptafára mennek. Legfeljebb az alkatrész elrendezés más. Ha nem szeretnél kintről rendelni, itt is megpróbálhatod. Én egyébként pont két éve építettem egyet és kifejezetten robusztus az áramkör. Kitűnően működik. Itt találod. (A hozzászólásban említett BASCOM-probléma megoldódott)
Sziasztok!
Megint bénázok és egy kis segítségre lenne szükségem. Összeraktam egy ATMEGA8-as készüléket (forrasztóállomás). Az orosz honlapon a melléklet szerinti fusebit értékeket kell beállítani. Fusebit calculátor-al megpróbáltam átfordítani a biteket, de nem jött össze, nem működik az áramkör. Valaki tudna segíteni? Olvastam, hogy Ponyprognál inverz a beállítás, ezt is megpróbáltam, de semmi. A proci új és el sem indul szkóppal nézve a lábait! Egyábkén USBASP-t használok ExtremeBurner-el. Üdv: Zsolt
Akkor az úgy nem stimmel .Mert az atmega8 belső órajele , amit fellehet használni az csak 1MHZ.
Az ExtremeBurner programot használva , és mondjuk az USBASP programozót használva az extremeburner felismeri még az atmegát , akkor van esélyed , hogy helyre hozd , ha hibával leáll , és nem fut végig mondjuk a read , akkor sajnos a fuse bitek helytelen beállítása miatt valószínű kizártad magad a processzor lelkivilágából. Egyébként a belső órajelet használva az atmega 8 fuse bit beállításai L=E1 H=D9 A hozzászólás módosítva: Júl 7, 2014
Szia!
Közben megoldottam a problémát. Hibás volt a vadiúj Atmel. Hagyja magát programozni, meg minden, de nem indul. A fusebit nem probléma, mert van fusebit doctorom. Érdekesség kedvéért összeraktam gyorsan egy LPT prgramozót és a kép szerinti beállításokkal megírtam a procit, majd beolvastam USBASP-vel és L=24, H=D9 értéket olvasott ki. Egyébként a kalkulátorral, nekem is az általad írt értékek jönnek ki. Mindenesetre köszönöm a segítséget. Egy másik Atmega8-ra rátéve a progit, szépen fut. Üdv: Zsolt
Egyébként elnéztem a kalkulátort. Most visszakarestem az: L=24, H=D9 értéket, ez 8MHz belső órának felel meg. Amit te írtál az 1MHz belső óra (alapérték).
Ja és lehet 8MHz-ig az Internal Clock. A hozzászólás módosítva: Júl 7, 2014
Üdvözlet
Szeretnék egy eszközt építeni a fényképezőmhöz, de nem értek az AVR programozáshoz! Keresnék valakit, aki rá tudja rakni a progit az ATMEGA88PA-PU chipre! Van egy ".hex" és egy ".eep" kiterjesztésű fájl hozzá!
Sokat jelentett volna ha földrajzilag is behatárolod hogy hol, mert lehet hogy a szomszédodban is meg tudja valaki csinálni..
Igaz! Bocsánat, de ebben a melegben lassan forog az agyam! Budapest, Csepel környékén vagy a 4-6-os vonalán.
Szia! Ha ez normál (keskeny) DIP 28 tokozású segíthetek (Szigetszentmiklós).
(Csak ehhez van adapterem.) A hozzászólás módosítva: Júl 20, 2014
DIP 28-as. Most rendeltem meg a Hestore-ban. Nem tudom mikor kapom meg, de ha megjön, akkor szólok és megbeszéljük a részleteket! Addig is köszi a lehetőséget!
Ok. jelentkezz, ha meglesz. A Fusebit beállítások is kellenek hozzá, kivéve ha alapérték, vagy a konfigurációs paraméterek, amiiből ki lehet kalkulálni.
Azok is megvannak!
Sziasztok,
építettem egy avrisp mkII-t viszont nem tudom beletölteni a firmware-t mert mikor a Flip.3.2.1 ben kiszeretném választani az usb kommunikációt, hiányzó dll file-okat keres amiket sehogy sem tudok orvosolni(Win7 x64 mellett). Hogyan lehetne ezt a hibát megoldani?
Szia!
Mivel most nem otthon vagyok, ezért csak emlékezetből tudok esetleg segíteni. Tehát, a tévedés jogát fenntartva: Nagy valószínűség szerint nem telepítetted az általa óhajtott USB meghajtókat. Ezek lelőhelye: Programfájlok (x86) - Atmel - Flip 3.4.7 - usb. Remélem ez volt az. És ez itt, egy kis segítség. A hozzászólás módosítva: Júl 24, 2014
Hello!
Régóta tervezetem, hogy szeretnék elkezdeni foglalkozni mikrokontrollerekkel, ezért pár hete rendeltem a hestore.hu-ról egy ilyen égetőt. Felhívtak, hogy ilyet már nem tudnak nekem küldeni, de van egy újabb (jobb?) fajta, ami jelenleg gyártás alatt van, de van egy példányuk, amit elküldenénék nekem, így tudok vele foglalkozni. Megérdeklődtem, hogy van e hozzá hasonló leírás, mint ami ahhoz a programozóhoz, amit az előbb linkeltem. Azt mondták igen, úgyhogy mondtam, hogy semmi gond, akkor az újfajta jó lesz. Kiszállították, elkezdtem vele foglalkozni, de sajnos nem találtam hozzá a cikket, amiben erről van szó. Egy AVRISP MKII programozót kaptam (az Eszközkezelőben ezt a nevet látom az Egyéb eszközök alatt). Leírásként kaptam egy fecnit, amire rányomtatták a programozó tüskéinek nevét. Megpróbáltam ugyanazt a drivert használva működésre bírni, mint ami a cikkben van, de nem sikerült. Találtam egy programot, libusb-win32-bin-1.2.6.0 amivel generáltam hozzá egy drivert. Ezt használva annyit sikerült elérnem, hogy a programozón lévő kék LED kialudt és már csak a piros világít. Ettől függetlenül az Eszközkezelőben nem jelent meg nekem újabb COM port, viszont lett egy újabb eszközcsoport LibUSB néven. AVRStudioban, viszont nem sikerült kommunikálnom a programozóval az ebben a cikkben leírtak szerint. Ezt lepróbáltam Win7 64 biten és WinXP 32 biten is. Kérdésem az volna hogy: AVRISP MKII esetén, ha AVRStudio 4-et akarok használni, milyen drivert kell használnom, hogy tudjak programozni? AVRISP MKII-nél lehet-e Win7ről programozni, vagy mindenképp csak WinXP-ről? Esetleg ha valaki leírná nekem hasonlóképp lépésről lépésre, mint a cikkben, hogy mit hogyan, azért nagyon hálás lennék! ![]() Sajnos én teljesen új vagyok az ilyen programozósdihoz, tehát a tudásom egyenlő a nagy nullával. Minden segítséget köszönök!
Hello.
Én klón programozót használok, XP és win7 alatt is kifogástalan. Próbáltam az AvrStudi4-es és 5.1-es verzióval, semmi gondom nem volt. Win7 alatt az eszközkezelőben a JUNGO bejegyzés alatt az "AVRISP mkII" eszközkezelőt kell látnod. Szerintem az USB eszközök közé nem teszi be, legalábbis nekem nem. Szerintem az "AVR miértek, hogyanok" topokban előbb kapsz segítséget. Nézd meg ezt: Bővebben: Link üdv. A hozzászólás módosítva: Aug 23, 2014
Hello!
Köszi a segítséget, elolvastam párszor. Azt hámoztam ki belőle, hogy ez olyan esethez íródott, amikor valaki magát égetőt építi meg és az égető-programot kell beleírni a mikroprocesszorba. Én vettem egy égetőt, amin már (elvileg) rajta van a program is. A problémám az, amit a linkelt pdf egy mondattal elintéz, hogy nem tudok hozzá megfelelő drivert találni. Olyan drivert, amivel AVRStudioban fogom tudni használni. Ha ehhez esetleg lenne, ötleted, akkor megköszönném! |
Bejelentkezés
Hirdetés |












