Fórum témák
» Több friss téma |
Köszi, akkor ez így teljesen jó lesz. Megrendeltem a tesztert, meg még egy ilyen akku szint jelző modult.
Ez majd jelzi, hogy tölteni kell az akkukat, ha már csak egy csík jelez. Addig meg elvileg jól fog mérni. De a jövő héten majd megjön, kipróbálom.
Szerintem azért használnak inkább elemeket, mert nagyobb a belső ellenállásuk. Hiba esetén sem szaladhat fel amperekre az áram, míg egy akkunál előfordulhat.
Ez főként akkor fontos ha nincs védelem a bemeneteken. Lásd AY-AT verziónál TVS circuit protection. Amúgy nem kell hozzá kettő cella, egy is elég M28 + li-ion A hozzászólás módosítva: Nov 3, 2022
Ne felejtsd el hogy a 7805-nek kb 2V plusz kell, hogy "jól" működjön... Nem csoda 6.5V-ról...
Elméleti okoskodás:
Emlékeim szerint 20-30 mA a készülék áramfelvétele működés közben. Ha HT7350 LDO stabilizátorra cseréljük a 7805-öt, máris nyerünk a tápon legalább másfél voltot.
Szerintem itt ez nem fenyeget. De egy polyfuse biztosítékkal ez amúgy is kiküszöbölhető.
Persze, meg lehet oldani egy cellával is, plusz egy stepup konverter, de annyi cellám van, hogy emiatt nem bonyolítom a dolgot.
Sziasztok!
Újabb kérdések merülnek fel bennem az LCR-T4 12 Voltos használatával kapcsolatban. Az első,hogy mi van akkor,ha rákötöm a 12 Voltot,és nem akar utána bekapcsolni? Inkább rákérdezek,mielőtt nagy bajt csinálnék. Nem igazán akarok új műszert venni emiatt, most az anyagiak miatt sem. Lehet nem vacakolok vele,és járatom 9 Voltos dugasztápról,abból baj tényleg nem lesz,úgy is van egy belőle.A másik kérdés,hogy a 12 Voltot a kijelző hogyan mutatja?Van szabad szegmens,mert ha 12 Voltot kell kijeleznie,az már ugye egy digittel több,ki fog férni a kijelzőre?Vagy ez máshogy megy? Szoftveresen?A kérdésem lényege,hogy tudja-e mutatni a 12 Voltot gond nélkül,vagy nem? Remélem érthető voltam.
Utóirat.A leglényegesebbet elfelejtettem megkérdezni,hogy a 12 Voltot is le tudja tesztelni és kijelezni?
Ilyeneket ír ki:
8.95 V, 9.24 V, 12.1 V A kijelző háttérvilágításával lehet gond, ne járasd 12 V-ról.
Szia!
Rendben,köszi,megfogadom tanácsod,és nem vacakolok vele többet 12 Voltról. Tehát akkor a kijelzéssel nem lenne gond,mutatná pl. a 12.1 Voltot is. Idézet: „járatom 9 Voltos dugasztápról,abból baj tényleg nem lesz” Azért azt a tápot mérd meg , hogy mennyire 9 Volt jön ki belőle ? Üresen (terheletlenül) akár 12 V is adhat , terhelve meg 8-at. Mindez attól függ milyen kivitelű az a tápegység , hacsak 1 trafó és tologatós kapcsoló akkor a 6Voltos állásába üresen akár 10V is mérhető. Ha van analóg/kapcsoló üzemű szabályzója akkor talán jobban lehet bízni benne. Kapcsolós táp esetén a szűretlensége okozhat zavart a teszter működésében.
Ha 12V-os stabil dugasztápod van, ami nem transzformátoros. ( A súlyából is kiderül. )
Akkor simán sorba kötsz 3 diódát, és azon keresztül adod be a tápot. Az kb 2V-ot levesz a tápfeszből, és 10V meg jó kell, hogy legyen. Persze, ha van hasonló 9V-os, az még jobb.
Szia!
Valószínű stabilizált táp,mert 9.15 Voltot mérek a kimenetén,ami fix,nem állítható. És ha minden igaz,akkor nem kapcsolóüzemű. De meg fogom kérdezni akitől vettem,hogy melyik fajta. Egyébként ez egy Philips táp 9 Voltos és maximálisan 1.8 Amperrel terhelhető. Ideírom a típusszámát is: Model:ADPV25A ( AY4117/00 ). Mindenképpen meg fogom nézni a guggolóban,hátha találok infót róla.
Itt lcr-4 azt írják hogy az eszköz üzemi áramfelvétele 25 mA
Itt Kijelző hogy a kijelző háttérvilágítás áramfelvételének (13 oldal) 61-100 mA között kell lennie. Ha leméred az eszköz teljes áramfelvételét és kivonod belőle a 25mA akkor megkapod hogy mennyit fogyaszt az lcd világítás. Ha ez határértékek között van akkor nem lehet gond. Amúgy az 5V-os stab ic-nek ezek szerint 12-5=7*0,025=0,175W teljesítmény által termelt hőt kell elviselnie.
Szia!
Köszi az infókat,ha jól értelmezem,akkor az 5 Voltos stab IC totál disszipációja 175miliWatt. Szerintem ennek még a tűréshatáron belül kellene lennie.Mondjuk megnéztem,elég pirinyó ez az IC benne.Azt nem írják,hogy mennyit bír maximum?Nem szeretném tönkretenni emiatt.
Szia!
Köszi,igen a hozzászólásom megírása után megnéztem ezt a Philips dugasztápot. Meg is találtam elég gyorsan,hogy kapcsolóüzemű.Úgyhogy sajnos ez a rosszabbik eset. Kera_Will társunk azt írta,hogy a kapcsolóüzemű táp szűrtetlensége okozhat zavart a teszter működésében.De például ez hogyan nyílvánul meg?Utólag nem lehet egy szűrést beiktatni? Ezt végső esetben kérdezem,mert ha nem,akkor marad a 9 Voltos elem.Csak evvel meg az lesz a gond,mint eddig,hogy hosszabb állás után,ha nem használom,totál lemeríti az elemet,úgy hogy be sem lehet kapcsolni utána.
Szoktak beletenni kapcsolót (talán újabb dobozokon van is kialakítva hely).
Szia!
Igen,természetesen én is gondoltam rá,nekem is egy műanyag dobozban van,arra semeddig sem tart egy lyukat fúrni,ha kell,felcsavarozni,bekötni,és kész.
Határon belül van. Ugyan ez egy másik stab ic. (de a mérete alapján a tied is hasonló lehet) adatlapja szerint 350mW a maximum. 78L05 sot23
Amúgy ezeket az IC-ket nehéz túlterhelni, mivel a beépített hővédelem lekapcsolja ha túlmelegszik. Ami teszterednél lényeges a kijelző háttérvilágításon átfolyó áram, nem haladhatja meg a 100mA-t. Vagyis ha összeadod 100mA+25mA=125mA lehet max átfolyó áram az eszközön. Ezt kellene lemérni. 9V-os elemhez annyit, hogy az enyémbe kb. 2-2,5-3 évet simán kibír egy jó minőségű tartóselem. Amit vettem 1000 Ft körül két éve az még mindig csak 7.9V-os. (6,5V-ig tudok lemenni, de 7V körül szoktam cserélni). De ha csak 2 évre számolom akkor is 1000Ft/2év= 500Ft/év. Nekem ennyit megér hogy nincs vezetékhez kötve, nem kell töltögetni. Ami fura hogy nálad olyan magas készenléti áramfelvétele. A linkelt adattáblája szerint max 20nA lehet. Érdemes lenne ezt is lemérni. Vagy az elem minősége nem jó. Tesco, Auchan, Pepco, stb. saját márkás termékeik nálam is csak fél évet bírtak. A hozzászólás módosítva: Nov 8, 2022
Lehet utólag szűrőt alkalmazni.
Ha megnézed EZT a linket, akkor láthatod a megoldást. Itt egy pi szűrőt alkalmaznak a nagyfrekvenciás zaj (ez esetben 500kHz) kiszűrésére: 2x 22µF (kerámia!) - 4,7uH - 2x22uF. Én egy külső RIAA korrektorban használom ezt a megoldást. Egy 12V-os dugasztápról csinál 2x15V-ot. Szkóppal nézve is 10mV alatt van a nagyfrekis hullámossága a tápfesznek. A hozzászólás módosítva: Nov 11, 2022
Sikerült végre lemérnem az LCR-T4 műszerem áramfelvételét a 9 Voltos elemről.
Megmondom őszíntén többre számítottam.Rá akasztottam azért közben egy tranzisztort mérésre. Egy pillanatra felment 15.5 miliAmperre,utána beállt az állandó 13.8 mA-re. Ez jóval kisebb érték,mint amelyeket te írtál.Maga a műszer nem is vehetne fel 125mA-t. Na az aztán tényleg gyorsabban merítené az elemet.Apropó 9 Voltos elem.A mostani teszteremben is márkás Energizer Ultra Plus van.De most már az elem lemerülése ellen befogok kötni egy kapcsolót,ha nem használom,lekapcs,és kész.
Jó tudni,hogy még vannak ilyenek.Mondjuk ennek a pí szűrőnek az árából simán vennék egy új
LCR-T4-et.a régi is k.b. ennyibe került.De mint érdekesség is,nagyon hasznos tud lenni egy ilyen. Főleg,ha tényleg hatásos.Gondoltam mindig is,hogy megoldható az utólagos nagyfrekis zaj szűrés egy kapcsolóüzemű táp kimenetén.
Szerintem nincs is értelme ilyen drága lítium elemeket használni erre a célra.
A márkás elemeket ki lehet fogni időnként nagyon jó áron,nekem sikerült is.
Jó amit mértél. Főként ha használt az elem.
Teszter 9V-ról táplálva az adatlapja szerint is 25mA vesz fel. "Working power: DC-9V (9 Volt block battery or 2 li-ion batteries to form 8.4V) Standby current: 0.02uA Shutdown Current: 20nA Operating current: 25mA" 125mA úgy jött ki hogy a teszter 25mA fogyasztásához hozzáadtam az lcd háttérvilágításra adható max. 100mA-t. Ez a felső határ. De ez csak akkor számít ha növeled a tápfeszültséget. Ha jól számolom 12V-nál kb. 19-20mA lehet teljes áramfelvétel. Bár Bakman által talált kapcsolási rajzból számomra nem derül ki hogy honnan kapja a háttérvilágítás az áramot. Vagy egy tranzisztor kapcsolja a tápfeszt a háttérvilágításra (talán Q1), ami nincs feltüntetve, vagy az 5V-os stab ic-n keresztül jön az áram. Az elem merülésre jó megoldás a kapcsoló. Vagy ha van kedved megnézheted hogy teljesen zár-e Q1 tranzisztor kikapcsolt állapotban, mennyire tér el az adatlapon feltűntetett 20nA-től az áramfelvétel. Vagyis ha mA-eket tudsz ilyen esetben mérni, akkor érdemes lehet cserélni a tranzisztort. Lítiumos elemet én sem használok Annyira maximalista nem vagyok Ismertebb márkák jöttek be. Duracell, Gp, stb. a lényeg hogy alkáli elem legyen. A hozzászólás módosítva: Nov 12, 2022
Bocsi, az nem a Pi szűrő ára, hanem a teljes 12V-ból ±15V-ot előállító táp és a két tápfeszen lévő Pi szűrő ára. Ráadásul csak példaként csatoltam be, mivel az értékek részben leolvashatók és a kapcsolás neve is "HIFI Low Noise Single Voltage To Positive Negative Regulated Power Supply Module", amiből az első3 szó a lényeg, vagyis alacsony zajú (HIFI) ... tápegység.
Magának a Pi szűrőnek az ára SMD kivitelben HEStore árakkal számolva: 100.334.03; 4,7 uH / 3,5A / 0,038R 66,35Ft (netto) és 4db 100.353.27; 22 µF / 25V 348Ft/db, (mondjuk így drágább, mint az egész áramkör az ebay-en )De természetesen furatszerelt megoldás is létezik. A lényeg a legalább 2A-es fojtó és a kerámia kondik.
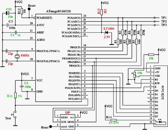
Sziasztok!
A mellékelt rajzon látható kikapcsolás nélküli, hálózati táplálású teszterem van megépítve, amit kölcsönadtam a napokban, és tönkretették kondiméréssel. AVR-t vettem bele újat, de már nem emlékszem milyen tartalom volt beletöltve anno, és amikkel próbáltam nem megfelelően működik. A fordítgatáshoz nem értek, ezért ha van valakinek a "padláson" egy firmware ami az alábbi funkciókkal rendelkezik legyen szives segítsen egyel! -kikapcsolás nélküli -9V táplálás -8Mhz kvarc -Önteszt -Zener mérés(ext. feszültség mérés) -Atmega328P -alkatrész teszt -TL431 -2x16 LCD PWM-re, frekvenciamérésre, menü stb.-re nincs szükségem. Előre is köszönöm! A hozzászólás módosítva: Jan 16, 2023
Megoldódott. Némi szenvedéssel sikerült lefordítanom saját szájíz szerint. Ha valaki hasonlóval szenvedne tudok segíteni.
A hozzászólás módosítva: Jan 16, 2023
|
Bejelentkezés
Hirdetés |





)





