Fórum témák
» Több friss téma |
WinAVR / GCC alapszabályok: 1. Ha ISR-ben használsz globális változót, az legyen "volatile" 2. Soha ne érjen véget a main() függvény 3. UART/USART hibák 99,9% a rossz órajel miatt van 4. Kerüld el a -O0 optimalizációs beállítást minden áron 5. Ha nem jó a _delay időzítése, akkor túllépted a 65ms-et, vagy rossz az optimalizációs beállítás 6. Ha a PORTC-n nem működik valami, kapcsold ki a JTAG-et Bővebben: AVR-libc FAQ
Sziasztok! Ha egy LDR-el csak azt szeretném vizsgálni, hogy sötét van vagy nincs akkor szükséges ADC-re kötni ATMGEA8 esetén?
Nem szukseges. Lehet hasznalni a belso analog komparatort vagy kulso analog komparatort (muveleti erosito) vagy ha eleg nagy tartomanyban be lehet allitani az LDR kimeneti feszultseget akkor direkt az I/O bementre is lehet kotni.
Köszönöm a válaszokat!
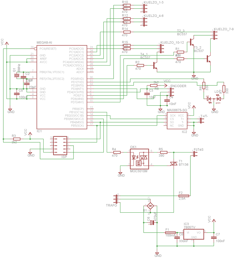
@vzoole: Ahogy ígértem: kód és kapcsolás. (mellékletben van teljes kód mindennel együtt) Ez az spi init:
@Zsolt2: A CPHA-ra figyeltem, bár próbáltam már fordítva is, hátha úgy jó lenne. A kódod még nem próbáltam, de úgy látom ilyen az enyém is. Megpróbálom az ic-t ki- és visszaforrasztani, de szerintem nem ezen fog múlni. Szerk: az olvasásban ki van kommentezve egy rész, és csak az spdr-t adja vissza, de a nyitott hőelem miatt 0-tól különböznie kellene, ha van válasz A hozzászólás módosítva: Júl 7, 2015
Köszönöm fiúk a válaszokat!
Igazából nem akarom nagyon túllihegni a dolgot, így első körben megpróbálom a bemenő feszt figyelni ADC-vel és az alapján indítani a mentést.
Így gyorsan átnézve jónak tűnik minden.
Szerintem az ebay-es IC lesz a ludas.
Köszi! Ettől félek. Pedig eddig még minden jó volt amit ebay-en vettem (szenzor, mega8, napelem,...)
Hello. Lehetne free running is, és interrupt lenne meghívva, ha kész a konverzió, ott pedig csak megnézed, hogy kisebb-e mint a határ, ha igen, indulhat a mentés, így a háttérben futna az egész az ADC előosztóját pedig úgy állítod be, hogy elég sűrűn legyen mérési eredményed, de ne túl sűrűn! A soros diódát és a nagy pufferkondit ne felejtsd el. Az sem hátrányos, ha mentés előtt azonnal kikapcsolod a nem kelló perifériakat, portokat, mindent, ami nem kell! Így biztosan lesz idő a mentésre.
A homerseklet visszateriteset probald meg kijavitani.
Nem vagyok benne biztos de igy nem valoszinu, hogy jo erteket terit vissza.
Szia! Köszönöm a segítséget! Rendelek másikat, de jobban odafigyelek majd az eladóra.
Szia! Igen az tudom, hogy nem jó értéket ad vissza, de már arra is gondoltam, hogy a logikai és bitműveleteket rontom el. Így az alsó byte-ot adja vissza, ami levett páka esetén biztosan különbözik 0-tól (nyitott hőelem jelzőbit miatt). De így is 0 jött, ezért gyanakodtam az spi-ra meg a max-ra.
Elég sok cuccot vásároltam Ebay-en, 50-ből egy ment tönkre idő előtt. Meg kell jegyezni ebay-en a megbízható partnereket.
Szerintem kevesebb gagyiba futsz bele, mint itthon a boltokban. Legutóbb digitális hőmérőt vettem egy Tesco patikában, azt mutatta, hogy 34 fokos vagyok. Az emberfélék 35 fokon indulnak, alatta a hüllők vannak. Visszavittem, hogy kérem az 1200 Ft-ot, mert láthatóan félremér. Azt mondták írjak a Hartmann-nak, mert ők patika és nem foglalkoznak garanciális ügyekkel 3 napon belül sem. Mondtam nekik, hogy inkább bukom az 1200 Ft-ot és önökkel nem fogok többet foglalkozni. Gratuláltam, hogy az évi 10-20 ezres forgalmukat lenullázták 1200 Ft miatt. Azért tudni kell, hogy egy Paypal claim ment volna az Ebay-en és visszakapom a pénzt (arról nem is beszélve, hogy ott 300-ért megkapom). Ehelyett itthon fogyasztóvédelemmel levelezés, meg a többi gittegylet. Ebay-en ilyet nem mertek volna kézbesíteni. A hozzászólás módosítva: Júl 8, 2015
Beírtam a vásárlók könyvébe és pontosan az történt, ami ilyenkor Magyarországon szokott.
Sziasztok, kéne egy kis S.O.S segítség. Egy Atmega328 uc-n állítottam be 122Hz-es pwm jelet a PD5 PD6 lábakon. Két érdekes dolog történt: 1- 0% kitöltési tényezőnél is jönnek impulzusok a lábról (led-del néztem) 2- az impulzusok 122Hz-nél jóval kisebb frekire utalnak, mint ahogy hallható a videóban a kattogás, csak most leddel villogtattam ki: Bővebben: Link
A kód mindössze ennyi:
szerk.: egy sec után próbaképp elkezdem növelni a kitöltést kb 25%-ra ettől a led fényesebben villog (nyilván hosszabbodnak a magas jelhez tartozó idők). A fő kérdés, miért villog már az elején is, amikor 0% a kitöltés? A másik, miért ilyen lassan? A hozzászólás módosítva: Júl 8, 2015
Mindenekelőtt, ha új az uC akkor alapból be van kapcsolva az órajel /8 osztó!
Szóval fuse biteket babráltál már?
Sziasztok!
Ezt tervezem megoldani: ------ Start nyomógomb: SD kártyára szöveges állományba írás, amíg meg nem telik. Stop: file lezárás ------ Ismét start esetén, a .txt file felülírása. Nézegettem fórumokat, de mindenhol FAT32/FAT fájlrendszert használtak. Olvastam olyat is, hogy nem kell hozzá fájlrendszer. Hogyan lehetne ezt megoldani legegyszerűbben?
Fast PWM-nél van ilyen bug. Használj PC PWM-et.
Nekem nem úgy tűnik, mintha kitöltési tényezőt adnál meg.
A CTC módban a timer OCRA-ig számol, utána RESET-el. Ez leginkább a frekvenciára van hatással. Ha 10-ig számol a timer, értelemszerűen gyorsabb, mintha 200-ig számolna. Utána megfordítja A és B kimenetet is. Tehát ez frekvencia-osztást jelent 2-vel (COM0A1). Kicsit jobban át kellene gondolni, hogy mit akarsz. Ha PWM-ezni akarsz, az OCRA-t állítsd be fixre, OCRB meg lesz a kitöltési tényező.
A fuse bitekhez nem nyúltam, az ábrán látható a beállítás.
Hohóó CKDIV8, akor egy része megoldódott, úgytűnik. Ezekszerint 1MHz-en jár, a prescaler 256 szóval F(PWM) = F(Clock Freq)/ (256 * N) = 15Hz nagyjából.
Az adatlap szerint ha WGM02 = 0 WGM01 =1 és WGM00 = 1 akkor ez fast PWM (Mode 3) ami FF-ig számol. OCR0A és OCR0B-vel állítom a kitöltési tényezőt a PD5 és a PD6 lábakon nem?
Nekem mindkét lábra azonos frekvenciájú PWM jel kell amiknek a kitöltését külön állítgathatom.Ez elvileg nem CTC mód, hanem fast PWM. A hozzászólás módosítva: Júl 8, 2015
Akkor a miért van impulzus 0% kitöltésnél kérdés még nyitott marad
Szerintem a csipogód/motorod nem összehasonlítható, PWM es üzemmódban!
A motor meg sem fog röceni attól a rövid tű impulzustól, amit kap, míg a csipogódnak bőven elég a muzsikáláshoz.
Multiméterrel 0.02V-ot mértem a pwm lábon, ez ugye 5V lenne 100% kitöltés mellett, azt már tudom hogy kb 15Hz volt a freki, számolás..., kisebb mint fél % volt a kitöltés amikor én 0%-ot állítok be, 15 Hz az 66ms szóval az impulzusok kb 0.03 ms-esek voltak ez már elég hosszú volt hogy felvillanjon a led/kattogjon a motor. Mitől lehet ez? Fogadjam el és kész? 122Hz-en majd úgyse látom?
szerk.: az a0.03ms jólesz 0.3ms nek is nehéz dolog fél %-ot kiszámolni este 9-kor. A hozzászólás módosítva: Júl 8, 2015
Utánaolvasok mit tud ez a PC PWM, még sosem használtam.
A mode-ok közt nem is látom, miféle állatfaj ez?
Hát, ezt én is megettem. Az elképzelés az volt, hogy az álló vonatot a terepasztalon úgy érzékelem, hogy nagyon rövid inpulzust adok és ha folyik rajta áram, akkor van vonat.
Ahogy Móricka elképzeli. A DC motor egy induktivitás, amire ha néhány us-es impulzust küldesz, azon bizony mérhető áram nem fog elindulni. Annyi sem, hogy egy opto csatolót behúzzon. Nekem 300 us hosszú impulzus kellett ahhoz, hogy érzékeljem a motort. |
Bejelentkezés
Hirdetés |













