Fórum témák
» Több friss téma |
Sziasztok!
Én szeretnék egy bárszekrényt épiteni aminek az ajtaja függölegesen mozog le illetve fel. Az a gondom hogy egy olyan nyáklapot,vezérlést szeretnék összerakni ami mindösszesen annyit csinál hogy a motort addig müködtetti amig leér a sinpája végéig majd polust vált és elindul felfelé. Azért akarom igy megcsinálni mert nemlényeges hogy megáljon mert egy távirányitos dugaljal szeretném müködtetni igy csak annyi kéne hogy ezt a mozgássort csinálja nem akarom bonyolitani majd ha szinten van elvszem az áramot és megáll. csak azt nemtudom hogy hogyn lehetne egy olyan kis "vezérlést" csinálni ami vissza forditja a forgás irányt! Bocsi ha hülyeségeket irtam volna de ehez nem értek de kreativ vagyok. Légyszi segitsetek! Elöre is kösz! Várom az ötleteket!
Erősen ajánlom figyelmedbe a Fórumszabályzat következő pontját:
VIII Ez fokozottan érvényes az esti órákra, különösképpen éjfél környékére!
Ehez nem kell panel. Ehez csak egy kétáramkörös váltókapcsoló kell.
Szia! Vagyis az ajto lejön majd egy kapcsolot átkapcsol erre gondoltam én is igy elindul viszza de hogy jön le ujra? És bocsi ha hülyeséget kérdeztem de tényleg nem értek ehez a részhez.
Szia!
Valójában egy multivibrátorral is meg lehet oldani! Mint szamóca kollégánk is nagyon jól rámutatott egy relét is lehet így bekötni, és egy multivibrátorral meghajtani! Egy picikét számolnod kell hozzá, hogy körülbelül mennyi időre van szükség a le illetve fel mozgásra az ajtónak és úgy bekalibrálni a multivibrátort. Multivibrátorhoz való kapcsolást, és számolási lehetőséget ITT találhatsz Küldtem egy kapcsolást ami mutatja, hogy hogyan kell egy multivibrátorral relét vezérelni Bízom benne, hogy sikerül megépítened!
Hali!
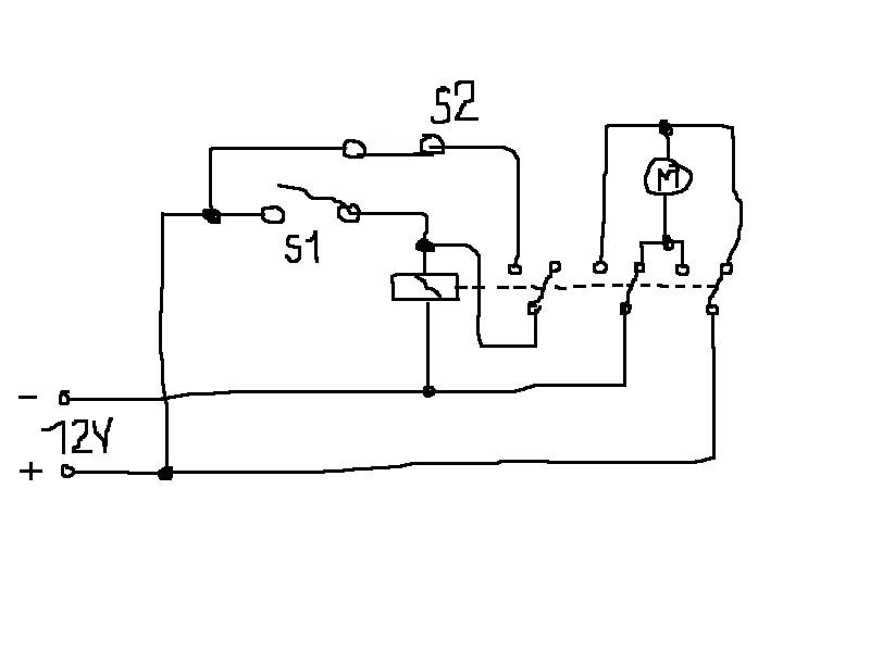
Kell neked egy alaphelyzetben nyitott nyomógomb (S1), egy alaphelyzetben zárt nyomógomb (bontó, S2), és egy négy áramkörös két állású relé. S1-et beépíted alsó végállás kapcsolónak, S2-t felső végállás kapcsolónak. (A működésére most nem térek ki, mert most nincs rá időm, esetleg este.)
Sziasztok! Légyszi legyetek részletesek! Mert mindent tudni akarok! Nem lehet ilyet kitbe kapni???? Vagy nemis tudom légyszi részletesek legyetek!!!!
Mit akarsz részletesebbet 1 elvi rajznál ?
Te tudod mekkora helyed van .. mekkora alkatrészt tudtál beszerezni ... hogy tudod beépíteni stb ... Azt írtad kreativ vagy akkor most hol a kreativitásod !?
Szia! Köszönöm a válaszod! Annyit tudok mindössza hogy kb 30 cm ert kellene megtennie az ajtonak. Ami tudomnem sok informácio! Én csak egy alkatrész listát szeretnék meg egy elvet ennyi!
Hali!
Kit-be nem igen kapsz... Tehát kell két nyomógom, az egyik alaphelyzetben zárt, a másik alaphelyzetben nyitott. Kell egy egyenáramú 12V-os motor, és egy 12V-os 4 áramkörös 2 állású relé. Az alaphelyzetben nyitott nyomógombot beépíted a szekrény aljába, ez lesz az alsó végállás. Az alaphelyzetben zártat pedig beépíted a felső végállásnak. Amikor ráadod a tápot (12V) akkor az ajtó elindul lefelé,majd amikor eléri az alsó végállást, megnyomja az S1 gombot, ennek következtében a relé behúz, és a motor forgásirányt vált. Ezzel egyidőben pedig a relé az S2 gombon keresztül öntartásba kerül. Amikor az ajtó eléri a felső végállást, megnyomja az S2 gombot, ami bontja a relé öntartását, ezért a relé elenged, így a motor ismét forgásirányt vált. Közben bármikor megállíthatod, a tápot (12V) leveszed róla. Ennél egyszerűbben nem lehet... Ja még annyi, hogy megépítésnél arra kell figyelni, hogy a motor úgy legyen bekötve, hogy a táp ráadása után az ajtó lefelé induljon meg. Ha fölfelé indul, akkor fordítva kell bekötni a motort.
Köszönöm szépen!!!!!!!! Hogy ennyire bután elmondtátok,és ez idézöjelben! Sokat segitettetek!
Szívesen! Most elteszem magam, és egy pár napig nem leszek netközelbe, ezért ha még kérdésed van, azt már csak jövő hét vége felé tudom megválaszolni.
Üdv!
Jó pihenést!!!!!!Remélem nem lessz már kérdésem de ki tudja!
Azért remélem, hogy egy aprócska videót, de pár fotót mindenképpen belinkelsz nekünk.
Jó látni, ha valami megvalósul.
Azt azért hozzátenném, hogy ha elengeded bármikor a gombot, a relé is elenged, így minden gombnyomásra először lefelé kezd mozogni (pontosabban az alaphelyzetben nyitott kapcsoló felé). Tehát ha bezáródás előtt engeded el, a zárás folytatása helyett újra nyitni fog a következő gombnyomásra.
Persze be lehet kötni fordítva is. Amúgy a megoldás nagyon tetszik.
Hali!
Ha elveszi a tápot, akkor amikor legközelebb ráadja, lefelé fog elindulni. Egyetlen esetben fog felfelé elindulni, mégpedig akkor, ha előzőleg akkor veszi el a tápot, amikor az alsó végállás gombja éppen zárva van. Mert ez esetben a táp ráadása után a relé azonnal meghúz, ezért felfelé fog megindulni. (Egyébként tudom, hogy működik, én "terveztem".) Ja, és neki gombokat nem kell nyomkodnia, azt majd az ajtó elvégzi. Neki csak a tápot kell ráadnia, ahogy a témaindító Hsz.-ében írta. Persze több elektronikával is kivitelezhető a dolog, de ez így egyszerű is, nagyszerű is...
Bocs!
Én e szerint a rajz szerint gondoltam. (Vagy két db 1áramkörös a véghelyzetekbe tett váltókapcsolóval de közös működtetőrudazattal is megoldható. Így az ajtó, bármelyik kapcsoló megnyomásával pólusváltást (irányváltást) eredményez. ) Ettől nincs egyszerübb megoldás. és ha inkább mechanikai, mint elektromos beállítottságú vagy ezt könnyen megcsinálod.
Nagyon köszönöm a sok választ, ötletet! Majd irok hogy hogyan sikerült!
http://www.hestore.hu/termek_10025483.html szoval ez az a relé amit vettem és az a baj hogy már az is gondot okoz hogy nem értem a tetején a rajzot az meg hogy hogy kössem be a te kötési rajzodba hát ja nemigen értek ezekhez
Hali!
Na elég mórickaábra lett, de hírtelen csak erre futotta. A tetején lévő rajz felülnézetből mutatja a lábak bekötését. Az S1 kapcsolót kell az alsó végállásnak, az S2-t pedig a felső véggállásnak beépíteni. A relét jó lenne nyáklapra ültetni, ha megtudod oldani. (Ha szükséges, azt is megrajzolom.) Ja a két kapcsolóról nem írtál, az is megvan? Ha bármi nem világos, nyugodtan kérdezz! Üdv! |
Bejelentkezés
Hirdetés |









