Fórum témák
» Több friss téma |
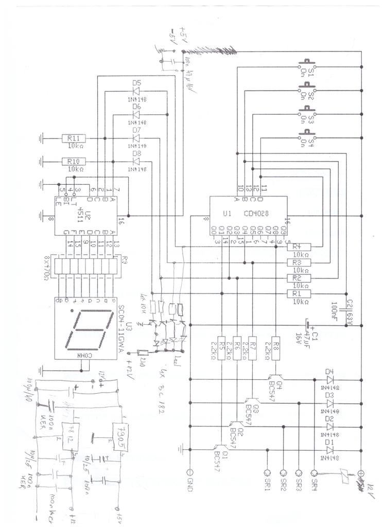
Szia ne haragudj hogy újból zavarlak a rajzodba kicsit bele kontárkodtam kérlek véleményezd 12 V -ra azért van szükségem mert a relék 12 voltal müködnek
Ez így "nem gól".
- Az IC-knek azonos tápról kell járni. Más tápról más a logikai kimenet szintjei, és a bementi szintjei. - Az 5V-os stabit, teheted a D4 katódja és a C1+ közé is. De 12V tápból nem lesz 12V stabi. Viszont a reléknek szükségtelen a stabil feszültség. - A Led-ek fordítva vannak berajzolva. De a meghajtóik is szükségtelenek, hiszen ha a relék és a Led-ek is 12V-ról járnak, akkor a relémeghajtó tranyók a Led-et is tudják kapcsolni. Vagy is csak párhuzamosan kel kötni a D1..D4 védődiódákkal a Led+előtét ellenállásokat. (Egyébként minek a Led, mikor a digit mutatja a bekapcsolt csatornát?)
Bocs de a rajzon szereplő kijelzőt nem kapok de nekem van itthon TDSO5150 JÓ HELYETTE ?
Szia!
Ebből a kapcsolásból nincs véletlenül nyákrajzod? 3 bemenethez szeretném használni.
Szia ! Akkor itt válaszolom meg: Én egy ilyen szettet használtam fel. 12V DC kell neki standby tápegységről, ami független az erősítő tápjától. Nem nagy az áramigénye, így kicsi trafóról oldottam meg. Van rajta "key" bemenet - innen lehet be-kikapcsolni mikrokapcsolóval a sarkán lévő OC kimenetet, amire csak egy 12V-os relét kellett tennem. Nálam a relével párhuzamosan van egy védődióda, egy led és egy előtét ellenállás is. A dióda védi az OC kimetetet, a led jelzi a bekapcsolást - de végül is ez felesleges a kijelző miatt, csak a bekapcsoló gombba, már "befaragtam" a ledet, gondoltam, be is kötöm. Van 4 db OC kimenete, amire szintén csak relé és védődióda kell. Nekem csak ez hiányzik már. Lehet venni (létezik hozzá) kész panelt is, amivel csak össze kell dugni, bár még csak a kínai leírásban láttam eddig. A bemeneteket a ki-bekapcsoló gomb rövid nyomásával választod ki. A, B, C, D jellel jelöli a kijelzőn, de tulajdonképpen a ledek kimeneteiről bármilyen jelzést meghajthatsz. Van hozzá távirányító is, amivel a led fényereje is kapcsolható, illetve a teljes kijelző lesötétíthető, ha zavarna. Ha kell - nemsokára jön piros plexim - akkor méretre gyártva tudok adni hozzá, mert cnc-vel csináltam az áttetszőt is. Azaz a program és a gép megvan. A plexim 3mm vastag lesz az előlap kb 1,2-1, 3mm vastag, ennyit martam le az éléből, hogy síkba lehessen az előlappal. Kerestem hozzá kapcsolási rajzot, de nem találtam. Viszont a panel maga elég egyértelműen van feliratozva. Egyedül a "mute" funkciót nem sikerült megoldanom vele. De nagyon tetszik, hogy a saját végfokomat távirányíthatom és a motoros poti is látványos. Ha még egyszer építeném - a zaja miatt elgondolkodnék a külön motoros potin esetleg enkóderen és megcsinálnám hozzá a saját - bedobozolt mikrovezérlős elektronikámat. Nem egy nagy durranás. Akár touchscreennel is meg tudnám oldani, színesben, ami lehetne egyben VU meter is.
A hozzászólás módosítva: Nov 10, 2016
Szia!
Értem... szóval a bemenet választó az a elektro poti része. Kár Én simán megelégednék egy bemeneti választóval, ami a bekapcsolást ill. a bemenet választást intézi.A zajjal én meg biztosan haragban lennék, mert pont egy nagyon "csendes" canamp clont szeretnék bemenet választóval ellátni. Jelenleg egy CD4017 el gondolnám megoldani, ill. CD4017 el vezérelt reed relékkel... ........na mi is van azzal a touchscreennel???? Mikrovezérlős bemenetválasztó???? Tetszene!
Beletetted a bogarat a fülembe. Már egyébként is piszkálja a fantáziámat. Azon még agyalok melyik lenne egyszerűbb. Mert Propellerrel 2 sec alatt meglenne a szoftver is, de az Arduino népszerűbb. Talán van is ilyen projekt rá. Ma a a 2,4-es Touch is megvan a fiókomban és egy behuzalozott tesztboard is. Már csak szoftver kell rá.
Kolléga Úr!
![]() Mivel én a mikrovezérlők területén konkrétan fehér foltban járok, teljes mérték rád tudom bízni a döntést Tehát most van az a rész, hogy én okosan nézek, bólogatok, és várom, hogy a szakértelmeddel megalkosd az általam ismeretlen; de vágyott műszaki megoldást! -és türelemmel is jól állok!
Semmi gond, nem vagyunk egyformák. A Parallax propellert pedig éppen neked és nekem találták ki. Nem kell hozzá szinte semmi. Nem kell bonyolult programozókörnyezet, sok mintaszoftver van hozzá és gyors. 32I/O amit használhatsz bármire. Olvasni gondolom szeretsz: ilyen kész szoftverekből válogathatsz hozzá, csak ollózni kell. Vannak kész projekt panel is. erre például csak a kijelzőt kell bedrótoznod és a kimeneteket. Így egyben a fejlesztőpanel maga a végső panel is. Persze használhatsz Arduinót is, az olcsóbb és ahhoz is sok mintaszoftver van. Nem ördögtől való. Ugyanígy megcsinálható a projekt a Texas Launchpad vezérlőivel is - itt a fórumon is van cikk róla. Igaz ez már C nyelv.
...ja kérem, ha az én angol tudásom ennyire jó lenne?!?!?
...de nem az! Nem lehetne, hogy csak úgy simán támaszkodnék a TE tudásodra???
Google fordító az én tudásom is
De gondolom a "download" szót ismered .. Mert ha van egy ilyen paneled, csak letöltöd a fájlt és a kb 6MB -os kis letöltőszoftverét és már működik is. Nem a tudással vannak gondok - az idő faktorral.
Nem a download-al van a baj... Alapból az egész logikáját nem ismerem, így elég nehéz elindulni, végig menni a kész termékig. (elképzeléseim vannak, de azzal nem megyek messzire ) Ennek neki kéne ülnöm és az alapoktól elindulni. -működési elv- megoldások -lehetőségek -vezérlés -programozás, és így tovább... Ezért bíztam abban, hogy Te már átlátod ezt a módszert, és a mellékvizeden elevezgetek egy 3 bemenetes touchscreen-es megoldáshoz...
Szia.
Hibás a rajz, azt is GND -re kell kötni.
Köszi.
Akkor átjavítom a rajzomon. Szép napot
Sziasztok!
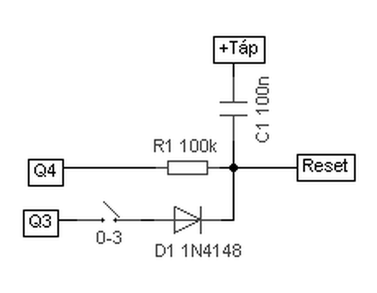
A CD4017 -es ic-nél, ha mondjuk a Q3-Q4 egy jumperrel közösíthetőre van téve... (-tehát, ha elég a 3 kapcsolás és már nincs szükségem a Q3 ra, akkor egy jumperral le közösítem a Q3-mat a Q4-el, ami a reset; így a Q3 kerül reset pozícióba, hogy onnan induljon újra a ciklus.) Akkor a Q3-Q4 közösítésnél nem lesz probléma, hogy a Q3 kimenete rákerül a Q4 kimenetre is, és a Reset -re is? ( itt talán a reset nem is kérdés; inkább az, hogy Q4 kimenet mit szól Q3 kimenő jeléhez.)
Miért akarod összekötni a Q3-Q4-et? Ha 3-ig akarsz számolni, akkor azt kösd őssze a resettel.
Ha elég három kapcsolás, akkor a Q0, Q1, Q2 kimenetet használod, a Q3-at pedig összekötöd a Reset-tel.
Q0,Q1,Q2,Q3, az általában használt, Q4 Reset. De van, hogy változnak menet közben a fogyasztók, tehát elég a Q0,Q1,Q2, és a Q3 üresedik. Hogy ne kelljen egy üreset nyomni, gondolnám, egy jumperrel ( feltételes, a panelban mindig benne, csak akkor van rövidre zárva, ha nem kell a Q3) kizárom a Q3-mat úgy, hogy közösítem a Q4-el...
Hello! Kimeneteket sosem illik összekötni. Megoldható a gond egy VAGY kapu alkalmazásával. Ez akár egy ellenállásból és egy diódából is állhat. A Q4-ről vezeted az ellenállással a jelet a Reset-re, és a Q3-ról egy diódával a magas szintet a jumper-en keresztül a Resetre.
Így a Q4 mindig hat, de ha zárod a jumpert, akkor már a Q3 is Reset-eli a számlálót. A hozzászólás módosítva: Dec 8, 2016
Két diódával közösítsd, akkor nem tud áram folyni egyik kimenetből a másikba.
Vagy ha jumpereled, sokkal egyszerűbb ha a jumpert úgy teszed fel, egyik állásban egyik kimenetet teszi a bemenetre, másik állásba meg a másikat. ( hamár a jumpert úgy is kell tenni valahova.) Ha háron tüskét teszel egymás mellé a középső a reset, a két szélső meg a két kimenet. Így a váltásnál csak eggyel odébb teszed.
Végül is így oldottam meg...
...de tanultam 2 kiváló másik megoldást is!
Sziasztok!
Az alábbi kapcsolás teljes leírását keresem.kapcsolás.Ahogy nézem valamelyik régi RT újságból van.Ha esetleg valaki tudja az évfolyamot írja meg nekem.Köszönöm. Szép estét A hozzászólás módosítva: Dec 17, 2016
Szia.
Ez a kapcsolás Bikki János: Ujjgyakorlatok hangfrekvenciás kapcsolásokon című, 1988- as könyvében van. A "teljes" leírás kb. 6 sor. |
Bejelentkezés
Hirdetés |





Én simán megelégednék egy bemeneti választóval, ami a bekapcsolást ill. a bemenet választást intézi.
Mikrovezérlős bemenetválasztó???? Tetszene!
.. Mert ha van egy ilyen paneled, csak letöltöd a fájlt és a kb 6MB -os kis letöltőszoftverét és már működik is. Nem a tudással vannak gondok - az idő faktorral. 









