Fórum témák
» Több friss téma |
Üdv! Lassan elkészülök a 3tengelyes mechanikámmal (50x50x5 profil etc) és szeretnék hozzá egy viszonylag egyszerűbb 3 tengelyes meghajtót ezért lenne pár kérdésem hozzátok:
-valaki próbálta/használja ezt a drivert? PICES. Ha akad ilyen emberke megírná tapasztalatait? Ebben a firmware-ben megvan írva, hogy álló helyzetben a motorokra feszt kapcsol (elmozdulás ellen), vagy csak szimplán úgy van programozva, hogy DIR HI vagy LO (irány) és STEP impulzusra biteket forgat a DIR függvényében? Ha az előbbi akkor megépítem hozzá az áram limitet és nekem ez tökéletesen megfelelő lenne. Mennyire fontos optocsatolást tenni a PIC és LPT közé? Mert akkor alapból úgy rajzolom meg a PCB-t. -Olvastam korábban, hogy amit ehhez TACH42a kapcsoláshoz tettek fel áramlimiter nem működőképes, viszont, ha a PIC-es nem tökéletes akkor megépíteném ezt a kapcsolást ezzel a limiterrel PIC-es alatt. Működőképes lenne? -Végső megoldás EZ lenne. Alapból ezt építeném a FET-temető helyett csak ugye a mocskos anyagiak (5e Ft./SLA 7062M*3 + sallangok az ugye nem kevés ). Összességében ennyit szerettem volna írni/tanácsot kérni. A PIC-es szimpatikus egyszerű olcsó viszonylag+kevés alkatrész, TACH42 olcsó de millió alkatrészből áll sok helyet foglal. Az SLA 7062M-s meghajzós megoldás pedig horror ár
Üdv mindenkinek! Szerintetek ez az egyszerű kis vezérlő működőképes lenne egy léptetőmotorral, mondjuk KCAM szoftverrel.
Egyszer a nyáron belefognék egy kis "CNC" NYÁK maró gép építésébe, ahhoz keresek egyszerű, de emellett jó léptetőmotor elektronikákat.
Tökéletes az áramkör. Hogy jó-e a KCAM-hoz, azt nem tudom, de úgy látom támogatja a progi. 5,25-ös floppyból bontott fejmozgató motorok ideálisak erre a célra.
A hozzászólás módosítva: Feb 21, 2013
Az elektronikát és a motorokat nem egy tápról járatnám. Az ic-ket 5 voltos stabilizátorról, a léptetőknek 30 - 40 Volt egyenfeszt.
Idézet: És azt hogy bírja ki pl. egy 12V-os motor? Ez az áramkör nem veszi lejjebb a feszültséget a pozíciótartáskor, s lépéskor sem csak egy impulzust ad ki. „a léptetőknek 30 - 40 Volt egyenfeszt”
Akkor úgy rossz ahogy van. Egy nyák marógépet nem fog flopi motor meghajtani.Oda is kell a tartó nyomaték.Esetleg lézerhez jó lehet.
Azért írtam a floppy motorokat, mert van nekem sok-sok, és olyan bika a tartónyomatékuk, hogy talán csak csőkulccsal tudnám megforgatni.
Kötött már valaki 6 kivezetéses unipoláris motort bipoláris-á.
A bekötéssel nincs gondom. Azt olvastam, hogy párhuzamosan kötött tekercseknél nem növekszik a motor nyomatéka miközben az áramfelvétele duplája lesz, hiszen a tekercsek ellenállása felére csökken. Érti ezt valaki az áram felvétel nincs arányban a nyomatékkal?
Ha elolvasod a cikk elejét, akkor vastagon ki van emelve, hogy áramgenerátoros üzemmódot használunk, így az áram nem fog nőni.
Ezért írtam, hogy nem a motor hajtja a vezérlőt. Nehogy már a befőtt tegye el a nagymamát...
Az érdekelne, nő a nyomaték ha nő az áramfelvétel? Tegyük félre az áram generátort.
Az átalakítás előtt a léptetőim 6 V, 1 A-es, a tartónyomaték 0,56 mN. Bipolárisra alakítva 6 V , 2 A-es lett. A vezérlőm 2,2 ampert tud. Mekkora lett a tartónyomaték?
Rövid ideig jóval nagyobb. Nyomaték és áramfelvétel arányos, de nem lineáris.
Hosszú távon viszont le fog égni a motorod, emiatt kell az áramgenerátor... A hozzászólás módosítva: Márc 8, 2013
Értem, a vezérlőn van lehetőségem az áram beállítására(Motion)
Köszönöm a válaszodat.
Sziasztok!
Nagyon figyelem a tanulságos fórumot, de 3-4-vagy több naponként kapok emailt, hogy hozzászólás érkezett. Ezután ha belépek, az utolsó 3- 4-vagy több hozzászólás pirossal be van keretezve amit még nem olvastam. Bejelöltem, hogy ha új hozzászólás van akkor kapjak értestőt. Szerintetek mit szúrtam el? Üdv, és köszi
Kérdez meg egy modit ők segítenek. A nick neved egy zöld sávban jelenik meg a másik végén van egy lefelé mutató nyíl arra klikkelj: moderációt kérek.
Nekem a 6V-os motor 35V ról megy !
Hello.
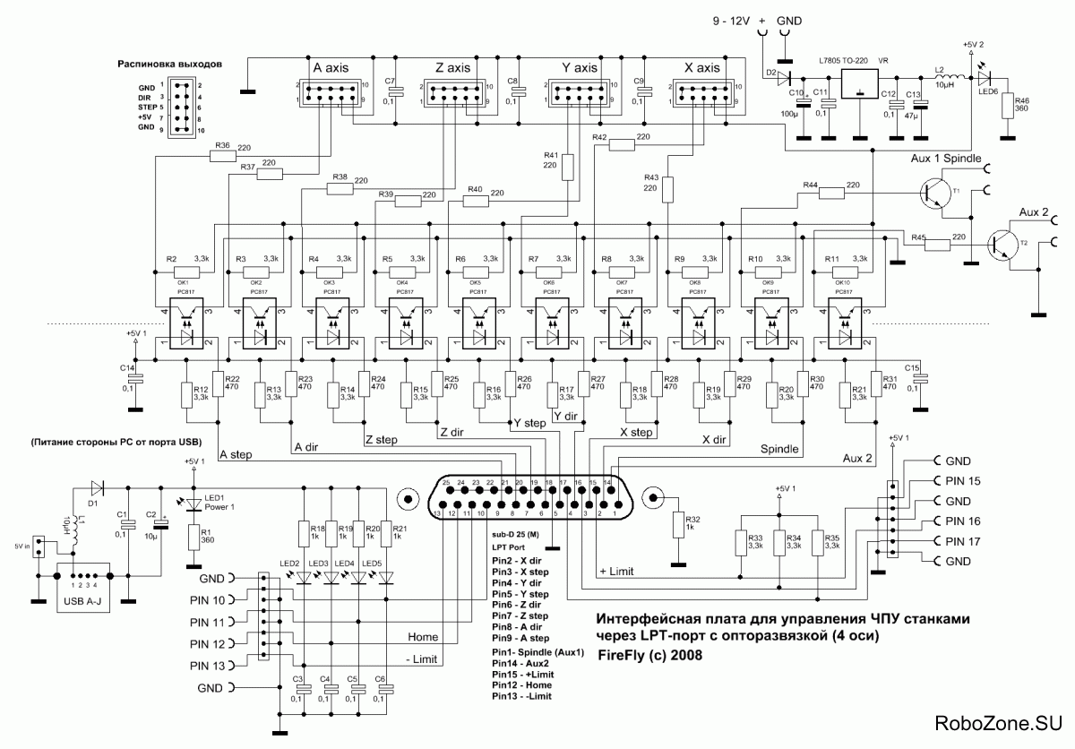
A segitsegeteket szeretnem kerni. Megepitettem egy orosz honlaprol egy lpt opto levalasztot de nem tudom h mukodik. A kerdesem az volna h hogyan tudnam le elenorizni a step es a dir jeleket leddekel. A masik problemam az h megepitettem egy tb6560 motor vezerlot az enablet rahuztam +5voltra egy 10k elenalason keresztul bealitottam a mach3 mat az orosz lpt levalaszto szerint de nem mukodik. Bekapcsolaskor a motort tengelyet nem birom megforgatni kezel de nem forog egyik iranyba sem es elegge melegszik az ic. Mi lehet a baj?
Először a Mach3 ban kell beállítani a STEP DIR jeleket .
Majd aztán próbálni a TB6560 hoz. A motor tartó áram alatt van azért nem tudod megfordítani
Ha az IC sorozatszáma 028GB11, vagy 705GD01 Ezek igazából nem TB6560AHQ IC-k. Ezekbe egészen más, TA8435H chip van benne. Ha ez a gyáriszám (028GB11 VAGY 705GD01) , és a linkelt kapcsolást építed meg, akkor az nem működik. aZ Az a kapcsolás csak az eredeti TB6560AHQ IC-vel megy.
Még úgy tudod megnézni, hogy az IC eredeti-e, hogy a 6-os láb a GND. A GND egyben az IC hűtőfelülete. A hamisítvány esetében a 1-17-22 lábak vannak a GND-n. Mérd meg ezeket a dolgokat, kíváncsi leszek, melyik IC-d van. Honnan vetted?
Szia!
Nekem is ez a leválasztó van megépítve, de nálam tökéletesen működik. Ha jól van beállítva az LPT port, akkor annak mennie kell. Az optók jól vannak bele téve, nem fordítva?
Hello
Nagyon szepen koszonom a gyors valaszokat a mach3 ban a SETP DIR jeleket mar bealitottam az orosz lpt rajz utan. Az ic szerintem eredeti volt sajnos mar nem tudom megmondani h mit irt rajta de lemertem a 6 labat az ic hutofeluletre es csak az futyult. A amit nem ugy csinalatam az az h a diodak hejet 1n41007 hasznaltam remelem h nem baj az NFB es az NFA elenalasok nalam 0.33 ohmosak mivel a motr aram 1.4A (ez van rairva a motorra) atnesztem meg az lpt arankort es jol van minden bekotve meg az optok is amugy en pc817 hasznalok remelem h ez jo. A motor vezerlojen talaltam egy kiseb rovidzarlatot lehet h ez volt a problema ? En 12 voltrol probaltam taplalni a motor vezerlot de azon kivul h par masodperc alat felforosodot az ic nem tortent semi mas meg nem attam neki egy kicsikevel tobb feszultseget 18 voltot egybol ferrobant az ic. most rendelhetek meg egy ic-t.
Bocsanatot kerek tobbet nem fog elofordulni.
Arra figyelj, hogy előbb az 5V-ot kapja meg az IC, utána a motor táp. De legjobb, ha egyszerre kapja meg a tápokat. A motornak lehet nyugodtan 24-30V-ot is adni, ha már megy 12V-ról. Nekem 28V-ról megy a TB6560, még borda nélkül is elmenne 1,5A-en. (De azért ezt nem próbálom ki. )
Ha csak a 6-os sípol, akkor az eredeti. A step-dir bemeneteket kösd fel tápra egy 4,7K ellenálláson keresztül.
Majd ha megjonnek az ic ek jonnek majd az ujabb tesztek.
Tettem fel a Ki mit épített-be egy kis érdekességet
Hello.
Cnc építésébe fogtam bele, nem az a lényeg hogy elsőre tökéleteset csináljak, hanem hogy végigjárva a szamárlétrát belássak minden lépésbe. Gyűlt össze pár olyan kérdés ami érdekelne. Bővebben: Link Ezt a vezérlőt és meghajtó áramkört akarom megépíteni, több helyen találtam utalást arra hogy korlátozza a sebességet, ennek a miértje és a mértéke érdekelne engem?? Motor, nema23 tip. használok, bipolásis soros bekötés esetén ohm képlet alapján I=2,1A R=0,7ohm ból kijön a 3V os feszültség, na már most több helyen azt olvastam hogy jóval nagyobb tápfeszt használnak 24-30V okat, ez miért van? Hogyan kellene akkor a tápot méretezni? Üdv Gábor.
Én is építgetem a CNC gépemet, 3 tengelyes, bipoláris vezérléssel.
A nema23-as motorok egész jó lesznek, 08-1Nm nyomatékúak. A motor egy tekercsére ennyi feszültség mellett ennyi áramot lehet kapcsolni a motor károsodása nélkül. Valóban, a motort nagyobb feszültségről kell hajtani, (nálam 28V-ról járnak a bipoláris motorok) Nekem Bipoláris vezérlésem van, TB6560AHQ IC-vel. Ez az IC gyakorlatilag beállítja a motor áramot ezen a feszültségen. Most tervezek még egy unipoláris vezérlőt építeni, szintén cél IC-vel. SLA7062M-el. Először egy tisztességes LPT kártyát és egy rendes tápot kell építeni. Az LPT lehet a Robozone-s, vagy 74HC14-es TTL IC-vel felépíteni. A táp lehetőleg toroid, vagy valamilyen trafós megoldású lenne a legjobb, a tengelyekhez tartozó motorok össz áram felvételéhez méretezve. (Nálam 2A-es motor van 3db, a táp Toroid és 7A-es a szekunder) A hozzászólás módosítva: Márc 30, 2013
Sziasztok!
Ebéd utánni pihenesem töltottem, mikor is elgondolkodtam az oldalon megjelent kapcsolasokon, csak ELVI sikon. Lattam mar CNC gepet -mint itt a csapat nagyresze is -gondolom --. Egyet nem lattok csak ENCODEREKET -üveglécet/forgójeladót-. Vagyis a lpt porton bejon az utasitas es a gep azt vagy vegre tudja hajtani vagy sem. Majd jon a kovetkezo es a kovetkezo.... Ez ugye a vezerles lényege, hogy a parancs vegrehajtasarol nincs visszajelzes. De itt szabalyzasnak kellenne tortenie erzesem szerint, azaz a kiadott parancs végrehajtasat visszaellenorzesnek alavetve kiadni a kovetkezo mozgasparancsot. A hozzászólás módosítva: Márc 31, 2013
Szervónál nincs ilyen probléma, mert ott van a tengely végén az enkóder, ha nem bírja teljesíteni a parancsot hibával leáll.
Steppernél pedig ha nincs túlhajtva a motor és a mechanika nem szorul lelépi amennyit kell. De vannak enkóderes stepper motorok is. Szerintem felesleges bonyolítás...
Így van. Tök felesleges bonyolítani, egyetértek. A szervónál encoder a visszajelzés, illetve vezérlés, a léptetőnél- ahogy kolléga is mondta, - fölösleges visszajelzés, ugyanis a step-dir vezérlés lényege hogy a gép kiadja a step jelet és a motor lelépi a kiadott lépésszámot. Ez bevált és jól működik.
Köszönöm válaszotok.
Akkor vagy szervo vagy léptetőmotor sajat vezerlojevel A megoldas. kulonbsegnek utanna olvasok majd. A hozzászólás módosítva: Márc 31, 2013
|
Bejelentkezés
Hirdetés |




). 






