Fórum témák
» Több friss téma |
Üdv mindenkinek!
Találtam egy oldalt, ami foglalkozik Primo utánépítéssel. Innen az ötlet, hogy építek egy commodore 64-est. Tud valaki valami segítséget, ötletet, tanácsot adni? Minden tanácsot szívesen várok!
Szia!
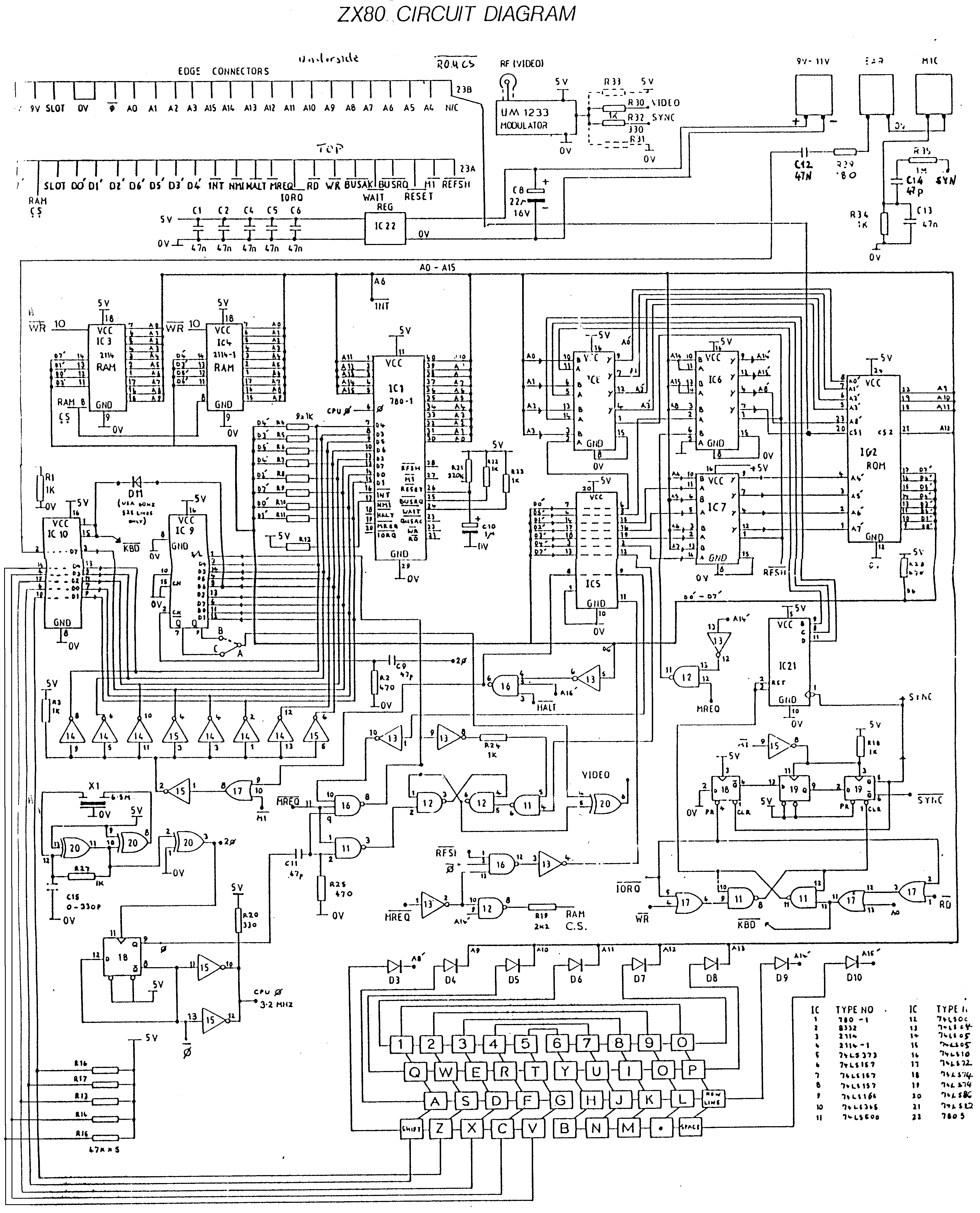
A Primót sokkal könnyebb utánépíteni! Abban nincsenek speciális IC-k. Ha ismered a C64-et, akkor abban sok speciális áramkör van (VIC, SID stb). Én sokáig kerestem alkatrészeket a rossz C64-em hez. Aztán Kb. 3 hónappal később sikerült beszereznem egy félig hibás gépet, abból szereltem ki a cuccokat. De itt a fórumon biztos tud valaki alkatrészt adni neked. Én inkább a ZX-80 -at ajánlom neked. ZX-80 ismertető kapcs rajz Itt van a teljes összeszerelési lista + ROM image
Hú, ez gyors volt! Kösz, ez a link is naygon érdekes. Nem néz ki nagyon komplikáltnak ez a ZX-80-as... Te megépítetted? Van hozzá rendes nyákterved? Látom, hogy azon az oldalon is csak egyszerű próbanyákon építették meg, de én nem igazán szeretem a próbanyákot... De azért a téma még mindig nagyon érdekel! Anmúgy igazad lehet, sok alkatrészt nehéz lehet beszerezni a commodore-hoz... (Egyáltalán gyártják még valahol a 6510-es mikroprocesszort?)
Én még nem építettem meg, de nekem már be van ültetve a próbanyák + kész az eprom. Én is inkább keresnék kész panelt, nem szeretek huzalozni.
Szerintem lesz itt valaki, aki fog gyártani nekünk panelt Amúgy lehet kapni egy klónt kit formájában doboz nélkül, de billentyűzettel. Persze elég drágán, 100 euró + postaköltség. Amúgy ennek a gépnek az értéke kb. 100 000 Ft körül van. Ez volt az első otthoni számítógép.
Hát igen, a legnagyobb gond a billentyűkkel van. 100 euró? Hát az egy kicsit sok... A billentyűt hogy lehetne megoldani? Az a gond, hogy nem értem ezeket a membrán billentyűket. Ezt nem lehetne sima nyomógombbal helyettesíteni?
Én sima nyomógombokkal fogom megoldani. Szerintem nem kell "pergésmentesíteni" a billentyűket, mert elég lassú a gép ahhoz hogy csak egyszer vegye be a lenyomott állapotot.
Hát igen, elég lassúnak tűnik az adatok alapján.
Hogy működtek a régi gombok? Úgy, hogy amikor megnyomtuk, akkor összekapcsolta őket? (összeérintkeztek?)
Így van, egyszerűen ősszekapcsol két vezetéket. Amúgy a gép használható sebességű kis programokra, ha gondolod, töltsd le az emulátort és látni fogod, milyen. De persze bőven nem lesz olyan gyors mint a mostani gépek! De jól el lehet vele marháskodni + rengeteg tapasztalatot szerezni az építés közben. Az én gépem fényvezérlőként fog funkcionálni megépítés után: 8 vezeték vezérlése (256 kombináció) lesz a feladata.
Tényleg, most vettem csak észre, hogy az alkatrészlistában is ott van 40 nyomógomb.
nekem van egy feles c64-m
ha vkit érdekel.. írjon és megdumáluk :yes:
Te milyen programozóval programoztad fel az epromot? Milyen programot használsz hozzá?
Nem akar valaki gyártani a kapcsolási rajzhoz egy nyákrajzot? Nagy segítség lenne!
Engem érdekel!
icbuher@freemail.hu
tudom ajánlani neked az eagle-t, nem akarsz a kötözésel vesződni (megértem elég komplikált), megrajzolod a kapcsolást eaglebe (az nem olyan bonyolult) és a gép megcsinálja a nyákrajozt helyetted !!! (szerintem egyoldalassal ne is próbálkozz)
Honnan lehet letölteni? Van hozzá magyarosítás? (Én eddig a PCB123-al vesződtem, de az nagyon nem jött be... Alig van néhány alkatrész ...stb.)
ebbe van bőven
lesz miből válogatni, hát magyarosítás nem tom hogy van-e, jó lenne. Ha valamilyen segítség kell majd tedd fel bátran megkérdezünk majd valakit ![]() ![]() ![]() ![]() nincs benne sok spec IC, Rom, Ram valami más típussal lehet helyetessíteni aminek ugyanaz a lábkiosztása, egyedül az a 780 as valami lesz akadály, de azt meg todod csinálni library szerkeztővel illetve remélem ![]() ja progit letudod tölteni a www.cadsoft.de oldalról, csak van egy bökkenő ez a nyák nem fog kijönni 10*10 panelon (gondolom én ![]() ) és a fölé nem lehet menni, habár valakinek már sikerült találni regisztrációs kódot, egyszer nekem is ment, (ja az a baj hogy lehet nagyobb nyákot is csinálni csak ha elmented akkor nem tod visszatölteni), de most valmiért nem akar .
már kezd derengeni hogy hogy kell spec IC ét csinálni
milyen inditatásból építetek ilyen gépet?
(hiszen venni is lehet nagyon-nagyon olcsón!)
Gyakorlat, poén, meg érdekelnek az ilyen gépek...
Amúgy hol tudsz venni ilyen gépet? Kb. mennyiért?
de lehet valmire használni? vagy csak jó hogy van?
konkrét elképzwelésem még nincs a géppel, de majd biztos ki fogok találni vele valamit. Szóval jó, hogy van.
18000 huf-ért laptopot láttam......
Szerinted? Ha hidetnéd, hogy ilyet keresel szerintem 5000 huf alatt szőröstül-bőröstül, aranytálcán adnának át ilyen gépet...
Csak egy saját építésű gép sokkal nagyobb örömet tud szerezli az építőjének, mint a drágán megvásárolt
Idézet: gép....„CSILI-VILI” Persze lehet venni bármit! De ha az ember elkészíti, mégha az nem olyan minőségű mint a gyári verzió, az mégis csak a saját alkotása!!! Tehát nevegyük el mások kedvét azalkotástól!!! Még akkor sem ah olcsóbban és jobb minőségben lehet elöállítani... A többit + döntse el mindenki maga....
ha már így rátértünk, a laptopra én 2000 Ft vettem 386 os Laptopot és működik 3.1 es windóz van rajta (német nyelvű) Mario elfut rajta igaz kicsit szaggat meg lassú a képrfrissítés, de nagyon király elmosódás effekt
![]() ![]() ![]()
Nem volt célom letörni az építési kedvet!!
Csak javaslat volt... Pl a billentyűzetet is fel lehetne használni. Vagy egy régi laptopot kibelezni és tenni bele valami mást.....komolyabbat,egyszerűbbet,ps2-t..... A lényeg az hogy a másolást nem "támogatom",akkor valami egyedit építsen az ember.....
most megmentk valakit
![]() ![]() nekem van otthon egy comodor 64esem és tök jól müxik mert még játszottam vele egykor és még most is néha ha nem engednek géphez ..ha kell akkor tudok küldeni róla kapcsolási képeket... mármint anyákról és alkatrészekről....
nekem az lenne a kérésem h commodore 64-hez magnót otthon lehet barkácsolni?
Lehet. Én anno visszarajzoltam az egészet, de biztos a neten is meg lehet találni.
|
Bejelentkezés
Hirdetés |




Amúgy lehet kapni egy klónt kit formájában doboz nélkül, de billentyűzettel. Persze elég drágán, 100 euró + postaköltség. Amúgy ennek a gépnek az értéke kb. 100 000 Ft körül van. Ez volt az első otthoni számítógép. 

. 
..
