Fórum témák
» Több friss téma |
Fórum » Csöves erősítő készítése
Ne feledd betartani a fórum viselkedési szabályait, és a topik megmaradásának feltételeit. [link]
A téma átmenetileg fagyasztva lett, hozzászólni nem tudsz!
[OFF]Hogy került a látóteredbe ez a 2009-ben feltett kérdés?
Szia! Én ezzel a meghajtással triódába kötött EL34-et hajtottam... Pentóda/sugártetróda hajtásához a katódkövetőt nem kell megépítened
Ha már ez egy trióda meghajtás a DC csatolást a triódának kellene tartogatni, és előtte kondizni, szerintem.
100k ra nem dolgoztathatom a 88 ast, mert nekem azért kis belső ellenállás kell, hiszen direktben pentóda rácsot fogja, azaz 22k -t tettem oda, egyenlőre 1k az Rk, majd kiderül hová áll be, ill a táp CRC t mennyire húzza le.
Te tudod... 22kOhm munkaellenállást én a DAC-om 12BH7 IV konverter csövének anódjába tettem... Lehetséges a 88-at "keményen fogni", de ki tudja, a hangja jólesz-e úgy... Amúgy itt is igaz, hogy minél nagyobb a terhelőimpedanciája a triódának, annál kisebb a torzítása
Visszatérve egyik korábbi kérdésedre, a 6V6 a 6L6 "kistestvére", egy kis sugártetróda, valószínűleg a 6P3S tapasztalataid nagyon értékesek lesznek a munkapontbeállítást tekintve...
Sziasztok. Szeretnék építeni egy csöves erősítőt végre én is.
Most bontottam szét egy Vidi R4900-at. Arra gondoltam, hogy kiemel belőle az eredeti végpanelt és azt használom (csatolt képen). Valamiért nagyon halk és torzít is kissé, valamit biztos lehagytam, mert egészben még jól szólt, viszont elég sok huzal ment ide-oda a másik paneltól... ekkor gondoltam, hogy nem bonyolítom az életem, inkább megépítem ezt a kapcsolást. Szerintetek a videoton kimenő transzformátorát és tápját felhasználhatom hozzá?
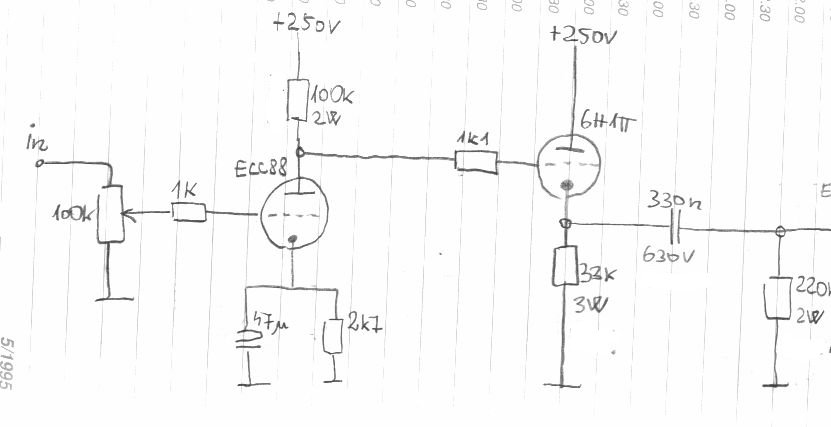
Természetesen felhasználhatod, de ne ezt építsd meg. Inkább ezt. A megadott cső helyett az ECL86-ost használhatod.
De ha az eredeti panellel nem működik rendesen, akkor ha újraépíted, akkor mitől fog meggyógyulni?
Szerintem javítsd meg az eredetit, azután ha nem tetszik akkor építsd át...
Valószínűleg sikerült elkötni valamit. Én egyébként nem tartom jó ötletnek az ilyen visszacsatolós, hangszínszabályzós kapcsolásokat, mint a rádiókban találhatók. Még ifjúkoromban tapasztaltam, hogy - általában - ezek a rádióáramkörök nem szóltak túl jól külső hangszóróval. A Pacsirta is nagy csalódás volt.
Szerintem:
1.) Működjön rendesen. 2.) Ha utána sem tetszik, akkor lehet átépíteni. Egyébként meg igazad van (mikor nincs?)
Lehet, hogy én vagyok a gyök2, de nem tudok elmenni a kapcsrajzon, mert nagyjából nincs sok köze a valósághoz, gondolok itt elsősorban a poziciószámokra. Plusz az is bejátszik amit Imi65 mond, semmi szükségem hangszinszabájzásra.
Köszönöm segitséged! Ez miért jobb? Sokkal több alkatrész és még visszacsatolás is van. Szerintem előbb megépitem az egyszerűbbet aztán továbblépek ha nem leszek elégedett a minőséggel vagy a hangerővel.
Visszacsatolás mindíg van, nem ez az alap probléma. Ha megnézed a Te rajzodat, azon többféle visszacsatolás is van, amik azért egymással is összefüggésben vannak. Ezek úgy lettek összehozva, hogy a saját eredetileg alkalmazott hangszóróik sajátosságait is figyelembe vették. Ezért másfajta hangszóróval másképpen is szólnak. Ennél az Imi által ajánlott kapcsolás sokkal egyszerűbb, tisztább, inkább azt építsd meg.
A 6V6 az nem pentóda?
A 6550 az pentoda szintén úgy tudom, evvel szemben a 6L6 6P3S az tuti sugártetroda. Még a régi rajzokon is a 6V6 ot 3 rácsúnak rajzolják, mint az EL34 et. Nekem a 10k Ra E88CC megy a cdim végén, és nemigen mondanám rossz hangúnak. A keményre fogás nem fog itt bekönni, mert ide eősítés is kell, azthiszem a középút a tiéd enyém közt a 47k fog belekerülni, hogy legyen NVCS nek tartalék.
Aztán lehet a 68k Ra sem elég, de akkor már 6n2p-ev is bedugható, és akkor tuti elég az erősítés.
Sőt ha 68k van Ra ban akkor eről a 280V körüli tápról Rk 1k mellett mehet e88cc és a 83 megfelelője a 6n2p is, mert ugye annak a fűtése a 88 as szerinti, és 68k 1k mindkettőnek jó. A 6V6 osok is 360Ohmra lesznek ültetve így a 310V os nagyanódról 6V6 os és 6P3S 6L6GA is bedugható, sőt 6P3S-E is. Ez olyan mindennel elmegy erősítő lesz.
Azért, mert sokkal jobban szól (volt szerencsém hozzá, a tervezője elhozta hozzám is, igen jól szerepelt!). A HE-s cikk szerzője is már továbblépett, komolyabb áramkört kivitelezett magának.
Akkor lehet mégis inkább megpróbálom. Csak a táp dolgot nem értem... egyenirányítás után a 230 váltóból miként lesz 250V egyen??? Annak 320 körül kellene lennie..
Sziasztok!
Egy Resprom 102-ből tervezek csinálni egy kis erősítőt és az lenne a kérdésem, hogy turretboard-hoz bakelit lapot honnan tudok rendelni?
A valóságban valóban több lesz, de a cső elbír többet is, mint 250V ( 250V tápfesz esetén nem is kap annyit, mert a katódellenálláson is "elveszik" közel 8V). Ha lényegesen több, felemelheted a pentóda katódellenállását 180 Ohm -ra.
Majd megépítem aztán megmérem és kiderül. Már csak nyák-ot kell neki csinálnom, az mindig jó sokáig tart, mert nyomtatni csak a munkahelyemen tudok, maratni meg csak szüleimnél.
Először kipróbálhatod, hogy közvetlen a foglalathoz forrasztod az alkatrészeket. Így lehet kísérletezni. Ha tetszik a hangja akkor építsd meg nyákra.
Azt ma kipróbáltam, füstgenerátor lett belőle.
Mindig belebonyolódom a légszerelt és próbapanelos dolgokba...
Nagyhirtelen erről a kérdésről ezt találtam így hajnalban
Bővebben: Link
Sziasztok.....A kővetkező amin nem tudok túllendűlni.. {PLAZMACSŐ VEZÉRLŐ}..kb..2-éve lett kész a csőves erősitőm gondoltam ha lúd legyen kővér .Ezen a nyomon elindulva ha csőves az erősitő a kijező se lehet más,de nem akartam csinálni egyet igyhát vettem .{egyedi.hu,valamint elektroncső .hu}egyik se birta tovább fél évnél...Előre is megkőszőnném ha valaki tudna egy olyan kapcsolást ami megbizható. További szép estét
Nincs tapasztalatom, de érdeklne, hogy mi a gond? A cső hal meg vagy a kapcsolás?
Nekem sincs tapasztalatom, de szintúgy érdekelne a dolog, mert a most soron következő - dobozára váró - eltitkolt dizájnú erősítőmben két ilyen IN-13-as fog ugrálni. Én a "gyári" elektroncso.hu-s összeszerelt-élesztett meghajtó panelt vettem meg és egy évnél tovább szándékszom használni javítás vagy csere nélkül
Amúgy kizártnak tartom hogy a cső adja meg magát, mert a vele azonos müködésű nixie csövek 10-15 évig gond nélkül üzemelnek kikapcsolás nélkül illetve ha rákeresel a net-en olyan komoly installációkat találsz ezekkel megvalósítva aminek alapfeltétele a hosszabb élettartam, szerintem... ...remélem #1195052-ebben a hozzászólásban mellékeltem is egyet, talán a gazdája tudna mesélni a csövek lelkivilágáról!
Nekem az elekroncső.hu-s már elsőre se tápászkodott fel, ami azért elég fura, ha valamit az ember megcsinál úgy, ahogy kell
Aztán végül nem tudtam vele mit kezdeni, egy másikat építettem meg, és tökéletesen ment. Most hőmérőként szolgál
Ha jól értem Te megvetted kit-ben és magadnak forrasztottad össze.
Én ezért választottam az élesztett verziót, a hobbi keretén belűl kipróbál az ember ezt-azt de hogy smd-t forrasszak... Na remélem nem ér meglepetés, bár van hely egy házilagos nyáknak is a dobozban szerencsére. Annó az Urbános kit-ekről terjesztették hogy nem működnek pedig azok is nagyon korrektnek tünnek, de lehet hogy csak urban legend
Dehogy, magamnak csináltam, egyedi terv alapján. Én ezeket úgy szoktam megcsinálni, hogy ami elsőre nem működik, azt 90%-ban elbontom végül... Figyelek az IC-k, tranzisztorok lábkiosztására, meg amire ilyenkor kell. Egyszerűen nem találtam a hibát. Egy másik kapcsolás alapján pöccre tette a dolgát... Balázs egyébként megbízható ember, tud ezt-azt... Téma lezárva, nem ide vág teljes mértékben.
Csak nem hagy nyugodni ez a tápegység kérdés. Az egyik rajzon látható módon néz ki jelenleg a táp, ami a Vidi R4900 gyári kapcsolási rajza szerint van. A mérési ponton üresjáratban 327V-ot mértem, 3MOhm és 470KOhm terhelésekkel próbáltam, mindkettővel 325V mérődött. A rajz szerint viszont 230-240V kellene, hogy legyen. 10KOhm mellett már leszorult 275V-ra, ami még mindig sok. Fog ennyit terhelni az erősítő (második rajz) a tápra??? A legfurcsább az, hogy a Videoton-ban ezzel a tápegységgel ment, igaz egészen más kapcsolás szerint.
Ezt mindenképp tisztázni szeretném, mert nem akarom gyorsan leölni szegény ECL86-ot. Mi lehet a magyarázat?
A 235V nyers szekunderből valóban 320V körüli egyenirányított lesz, az teljesen hihető. A végfok pentódájának nyugalmi árama 30-35mA között lesz. Ez az áram az 1k soros ellenálláson eleve 30V körüli feszültségesést fog eredményezni, plusz még a trafó belső ellenállásán is esni fog valamennyi. Az eredeti helyén a rádió többi részegysége által felvett áramok miatt nagyobb feszültségesés volt, mint ami most lesz, de 300V-ig egészen biztosan nincs gond a PCL86-tal.
Amikor majd először bekapcsolod, akkor mérd meg, hogy mekkora feszültség esik a katódellenálláson, és ez alapján számolj katódáramot. Ezt összeszorozva a terhelten mért anódfeszültséggel megkapod az anódra eső disszipációt. Arra figyelj, hogy ez ne haladja meg a cső adatlapjában szereplő maximumot. Pl. ha 5V-ot mérsz a 150 ohm-on, az 33mA katódáram. Ha az anódfeszültség 280V, akkor 33mA*280V=9.33W lesz az anóddisszipáció. A PCL86-nak 9W a maximális anóddisszipációja, így ez sok, lejjebb kell venni a katódáramot pl. a katódellenállás megnövelésével (mondjuk 220 ohm-ra). Utána újra mérj és számolj. (Ha jól emlékszem, az ECL86 a PCL86-tól kizárólag a fűtés módjában, feszültségében tér el.) |
Bejelentkezés
Hirdetés |



Most bontottam szét egy Vidi R4900-at. Arra gondoltam, hogy kiemel belőle az eredeti végpanelt és azt használom (csatolt képen). Valamiért nagyon halk és torzít is kissé, valamit biztos lehagytam, mert egészben még jól szólt, viszont elég sok huzal ment ide-oda a másik paneltól... ekkor gondoltam, hogy nem bonyolítom az életem, inkább megépítem 
Mindig belebonyolódom a légszerelt és próbapanelos dolgokba...


