Fórum témák
» Több friss téma |
Hello!
Diódáknak először MBR20200 -at néztem minimum 10darabot. De találtam e-bay-en MBR40250 -et 8db 4400huf. Ennyi biztosan elég lenne. Találtam egy rendkívül olcsó megoldást hall-elemes gázpedálra, nem tudom mennyire ismeretes: Bővebben: Link Persze a megfelelő dobozolással és nem tollból készült tengellyel lehetne jól használni.
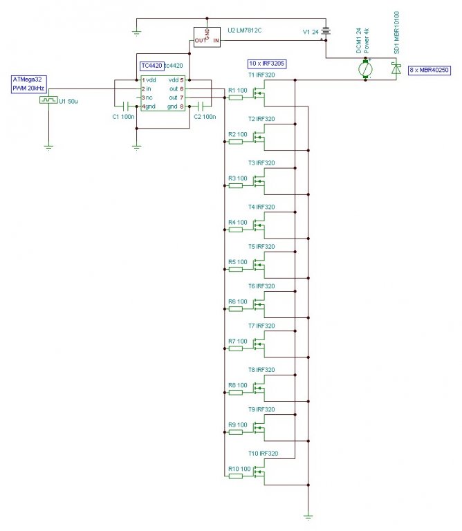
Próbáltam összeütni valamit. Mi a rossz benne?
Hiányoznak a tápon a kondenzátorok, a 7812 bemenetére + lc vagy rc szűrő, fet-ekre snubber áramkör akár több párhuzamosan, gate-re zener dióda, meg ha jól tudom a nagy motorokkal tekercset is kötne sorba.
Tettem kondenzátorokat, de az értékek nem tudom mennyire jók. Gate-ekre tettem zénereket(15V 5W), de snubbert nem láttam a hasonló rajzokon. Olvastam még olyanról, hogy a motorral párhuzamosan kellene kondenzátor, hogy amikor a fetek már nem, a schottky-k még nem vezetnek akkor legyen valami.
Szia.
Kondit lehetőleg ESR-t és egy kerámiát tegyél a meghajtó IC táplábaira.Párszáz mikrós bőven elég.Bekötését minnél rövidebb huzalozással.Ebböl fog táplálkozni a gate meghajtás.Gate ellenállásnak én 33ohm-ost használok.Szerintem tehetsz te is 10-nél nagyobbat. És ha jót akarsz és szeretnéd az akksi áramát simitani akkor teszel kondit a fetek source lába és a diódák kathód lábai közé.Valahogy igy Ezeket a kondikat áramra kell méretezni.Megnézed az adatlapon hogy mennyi áramot bir és felszorzod annyival amekkora árammal használni akarod a motort.Én 120db 470µF-os ESR kondit tettem be.Gyári vezérlőkben nem ilyen durva a hejzet.Ott van pár darab párezer mikrós kondi és kész.De legalább van. És próbáld meg az egész nagyáramú részt a lehető legkissebb hejen megcsinálni.A fórumon volt téma a nagyárambol adódó problémák és azok kiküszöbölése. Sznubbert én nem raktam,szerintem nem is szükséges ha jól megvan tervezve a huzalozás. Legalább is engem ezekre tanitottak ezen a fórumon és igazábol nekem működik rendesen.
Minden elismerésem rozsda! Végigolvastam a 30 oldalnyi tapasztalatszerzésed motorvezérléssel kapcsolatban. Nem semmi! Nekem is hasonló terveim vannak, csak egy kisebb soros 72V DC motorom van, kezdésnek egy 2,8kw -os. Végül is az is majd 4 le.
Bár azzal nem vagyok tisztában, hogyha a motoron 2800fordulat/perc van megadva, de ha leemelem az egyik tekercset akkor lehet hogy pörögne többet is? A végsebesség miatt...A vezérlésről közzétett nyákterved működő képes? vagy az még csak egy kezdetleges verzió, és kár lenyúlni? Mondjuk te elég profin oldottál meg dolgokat, amin én simán átsiklanék. Mint pl az áramtalanítás. Ha áll a kocsi, akkor simán egy késes megszakítóval oldanám meg a dolgot. Igaz nem olyan szép, mint a tied, de egyszerű. Katt! Szerintem az útszéli sebességmérők pontosak. Az autókban lévő km óra általában felfelé csal egy picit. Főleg ha a gumiméret sem tökéletes. 50km/ órát mutat a kocsi, akkor az erős 45-47km/h sebesség.
Végre egy rendes fórumtárs aki olvasni is szeret.
Elősször is tudni kellene hogy pontosan milyen motorjaid vannak. Melyik nyáktervre gondolsz?Mert sikerült már igen sokat föltennem. Ha kifejted az igényeid akkor jobban tudunk segiteni.
Bevallom, szoktam én is forumozni más témákban máshol, és elég idegesítő tud lenni, amikor valaki olyat kérdez, ami 2 sorral feljebb már megvan. Sajnos a forum keresője nem tökéletes, így maradt az olvasás. Bár érdekes volt, és kb 1,5 2 óra alatt végig lehetett futni rajta. Egy Balkancar EC 2,8/7,5/28-01 típusú elvileg soros gerjesztésű DC motorom van. tehát a tieddel ellentétben ehhez elvileg nem kell külön gerjesztő áramkör. a 2,8 a 2,8kw ot jelöli, a 7,5 a 75v -ot ls a 28 pedig a 2800 fordulatot. 12V os kis 7,2A -es akkuról próbáltam, szépen forgott, igaz nem túl gyorsan, és erő sem sok volt benne.
Na látod az jó kérdés, hogy melyik nyáktervre gondolok... Azt hiszem vezérléses nyáktervet csak egyet csatoltál , legalább is ebben a topicban. Az Építsünk mi is el.autót pedig ennyire tüzetesen nem néztem végig, csak 10 - 15 oldalt olvastam vissza. Az igényem nem túl sok.. Mozgassa a kis mopedautóm (Chatenet Media). Ha jól olvastam, akkor végül is egy marék FET 2 marék kondi a nagyfesz rész, és egy 15x10 cm -s nyák a vezérlés + egy poti? Nyálazgattam én is a netet, de nem nagyon találtam semmi működőt, főleg ekkora áramokra. Még egy olyan jutott eszembe.. hogy a kis inverteres hegesztő trafók vezérlését lehetne felhasználni, de aztán eszembe jutott,hogy azok bizony váltakozó áramú dolgokkal vannak tele, így elvetve...
Nézzetek utánna, hogy milyen papírok szükségesek ahhoz, hogy forgalmi engedélyt kapjon. Álmodozni lehet, meg is lehet az álmokat építeni és jó is lesz, de ha nincs papírja, akkor csak nálunk lehet használni! Ugyanis, errefelé keskeny, de hosszú telkek vannak...lehet furikázni.
[OFF]nálunk is ilyen telkek vannak, enyém pl 350m hosszú. A mopednek sincs papírja , amúgy se tudnám használni kint. De ezen kisérletezni jó, aztán ha összejön mehet egy normális lepapírozhatóba. Amúgy meg ezeket a kocsikat 1x kell levizsgáztatni. utána motor ki, elektro hajtás be.[OFF]
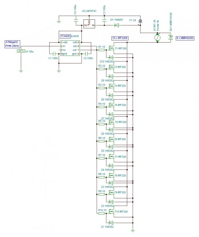
Nekem is sikerült pár nap alatt átrágnom magam az elég hosszú topicon és sok hasznos dolgot olvastam. Én is mérő-fojtó tekerccsel szeretném megoldani az árammérést, és 400A-ra korlátozni a kitöltési tényező szintentartásával. A FETek irf3205 helyett irfp064n-ek lesznek. A szabadonfutó diódák mbr40250 típusúak. Tanácsaitok alapján kondenzátoroknak 40db 2200µF 35V low esr-t gondoltam amiknek kb 240A összesen az árama. A végfok kialakításánál az ausztrál ZEVA példáját követem, de még 140es nyák, réz és alumíniumelemek kellenének hozzá
Ilyen vastag nyákot sehol nem találtam, tudtok esetleg valami forrást? A mérő-fojtó hogyanjához még visszaolvasok, mert az nem tiszta. Főkapcsolóként az indítómotor beépített reléjét szerelem ki elég izmosnak tűnik.Mellékletben a kezdetleges nyák felső oldala a rézsinekkel. És a FET driver 12V-al egy TC4422 lenne
Itt egy kényelmesen használható nagyáramú mérő:
http://webaruhaz.permanent.hu/termek/_zold__auto-1-kiegeszitok-137/...ok-789 PCT400A árammérő. A napelem cellák összeforrasztásához lehet kapni ónozott rézszalagot. Vékony rézvastagságú nyáklapokra szerintem fel lehet forrasztani hogy növelje a keresztmetszetet.
Köszi a linket ez tényleg a megfizethető kategória, csak a +-12v-ot nem tudom összehozni
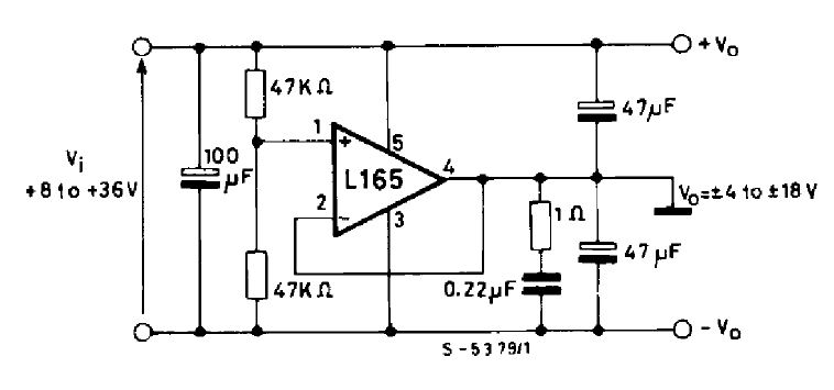
![]() Lehet párban egy 7812 és egy 7912-vel? Rézfóliát én is nézegettem de az öntapadós volt. Minél kevesebb ónozást szeretnék belevinni. A legjobb a 140es nyák lenne, de az meg égen földön nincs
Közben rájöttem hogy 7812-7912 nem jó ide.
De találtam egyet L165-el. Ez könnyen megvalósíthatónak tűnik:
Itt van készen feszültség konverter:
http://www.ret.hu/Page.aspx?pageid=8&code=74-00-21&mfnb=2
Hello!
Bevallom, nem olvastam, végig a teljes topicot. Csak az első 3 oldalt. Ott az irf250-et javasolja mindenki. Találtam lomexbe IRFP90N20-as FET-et. Ez 200V 94A és sokkal kisebb a maradék ellenállása. Van egy kb. 60V 300A-es motorom. Szintén trabiba szeretném használni. Ebből a FET-ből 5-6db szerintem simán elég lenne jól gondolom?
Szia! Elég sok érdekes van pedig a topicban, érdemes legalább átfutni, de tényleg elég hosszú. 200V-os IRF fetek között csak egy jobb van annál amit írtál, az IRFP4668, de az elég borsos, E-bay-ről kb 3500HUF/db itthon boltból gondolom drágább. Én is éppen tervezgetek egy vezérlőt, de elakadtam a 140es nyáknál, ha sikerül vennem akkor majd folytatom. A gyári leírások a TO220 és a TO247 tokozásnak is max 75A-t adnak meg, de maga a szilícium a FET-ben többet is bírhat ezt adják meg adatlapokon. Én a TO220-al kezdtem mert sokkal olcsóbb mint a többi, de túl közel vannak a lábai, ezért inkább a TO247-et javaslom. Én a legmagasabb felvett motoráramra méretezném, ha az a 300A akkor FETenként 40-50A-al számolva kijön egy darabszám.
Sok sikert
Hello!
Ez a FET TO 247-es tokba van. Igazából amotor 60V-os. Nem tudom elég lenne e a 100V-os fet mert az stp120 110A, de azt hiszem maradok a 200V-osnál. Ráadásul az STP to220-as tokba van. Ami kérdés még felmerült bennem, az az hogy mért nem használ senki fet meghajtót. Láttam már olyat is, hogy a gyorsabb zárás érdekében a FET G-jét mínuszba húzza. üdv.:Matyko
Pedig csak egyszerű esetekben nem használnak meghajtót. Több FET párhuzamos kapcsolásánál mindenképp érdemes. És figyelni kell az egyforma meghajtó-gate távolságokra. Bővebben: Elpukkant Curtis vezérlő Az enyémbe egy TC4422-t néztem ki.
Értem!
Számolgattam, egy kicsit, légyszíves nézze át valaki, hogy jól számolok-e? 12db IRFP90N20 Rdson=0,02ohm Ifet=300/12=25A/db U=Rdson*Ifet=0,02*25=0,5V Pfet=U*Ifet=0,5*25=12,5W Egy fet disszipációja! Tehát összesen kb. 12.5*12=150W-ot kell elfűtenem! A bordát hogyan tudom számolni, hogy mennyit fűt el? Sajnos nem méreteztem még soha sem mindig csak szemre! Azt látom hogy meg van adva, hogy xK/W de hogyan tovább?
Szerintem jól számoltál. Itt található egy jó kis cikk hűtőbordával kapcsolatban: Bővebben: Link
Hello!
A K/W azt jelenti, hogy 1W bevitelével hány Kelvinnel lesz magasabb a borda hőmérséklete, a környezeténél. üdv! proli007
Probalj meg kisebb feszultsegu FET-et alkalmazni ezzel a Rds-on is kisebb lesz, tehat csokken a disszipaciod. A masik ami fontos, hogy a G meghajtast nagyon jol meg kell csinalni, mert a be ill kikapcsolaskor az atmenetek alatt megno a FET disszipacioja. Ezt akar 3 tranzisztorral is meg lehet oldani, vagy valamelyik MCHP meghajtoval. En ezt a meghajtot alkalmazom, termeszetesen tobb FET meghajtasahoz illik nagyobb aramu tranyokat alkalmazni, pl PN2222A-PN2907A.
Nem számoltál a kapcsolási veszteségekkel a reverse recovery töltés veszteségével valamint azzal, hogy ha melegszik a fet akkor egyből növekszik a csatornaellenállás. 70 fokon már majdnem 1.4x-es érték.
Hello!
Kérdés, hogy 60V.hoz elég e a 100V-os FET? Azt olvastam, hogy 2szeresen túl kell méretezni. A 60V több is lehet ha az aksik töltve vannak. Így már elég kevés tartalék marad.
A kapcsolási, illetve a reverse recovery veszteség, az milyen nagyságrendű? Hogyan számolható?
Elég lehet 100V-os is. A védődiódák elintézik a motorból érkező feszültséget, az akkupakk pedig csak nem megy sosem 100V fölé.
Hát ez az amit nem értettem én sem, hogy mért kell kétszeresen túlméretezni. De valami oka csak van...
60 voltos akkucsoport maximum 70 volt lehet toltes alatt. Ehhez egy 100 voltos FET boven elegendo. Pl egy SUP90N10 8.8 mohm ellenallasu. Osszehasonlitasul egy SUP90N15 150 V 18 mohm. A motorra ugyis kell a szabadonfuto dioda, tehat a D-S fesz nem haladhatja meg az akkufeszt. Viszont lenyeges szempont a nagyaramu reszek geometriaja. Ugy kell tervezni, hogy a FET-ek egyenlo hosszu vezetokkel legyenek bekotve, es a dioda (diodak) szinten rovid vezetekkel legyenek bekotve. Alkalmas hutobodara fel lehet csavarozni a FET-eket, es a diodakat is, igy kis ellenallasu lesz a hozzavezetes. Na meg persze a jo meghajtas is fontos.
Hello!
Hétvégén megrajzolom hogyan szeretném megoldani. (Csütörtök-péntek körül) |
Bejelentkezés
Hirdetés |






Bár azzal nem vagyok tisztában, hogyha a motoron 2800fordulat/perc van megadva, de ha leemelem az egyik tekercset akkor lehet hogy pörögne többet is? A végsebesség miatt...







