Fórum témák
» Több friss téma |
Bővebben: Link
Tanulmányozd a 7. oldalon található ábrákat. Először is tudni kell, hogy mekkora frekin fog majd kapcsolgatni, valamint hogy mennyi lesz a kapcsolásí idő (tri, tfu, tru, tfi) (7. oldal 3. ábra. )
Hello!
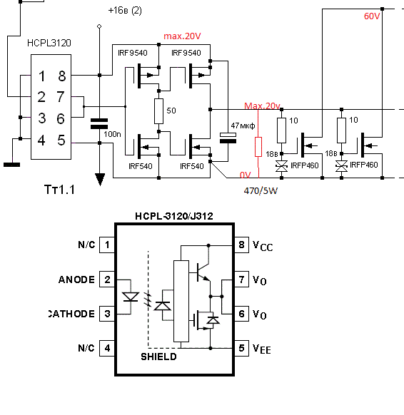
Nagyjából megrajzoltam, az általam tervezett(összelopott) vezérlőt. A kapcsolási rajzon látszik, külön panelen szeretném megcsinálni, a 12db FET-et, hátha gond lesz a meghajtással, az cserélhető legyen. Minden ellenállás 5W-os. R9-R10 szerepe, ha hosszabb kábellel lesz bekötve a meghajtó akkor a tüskéket levezesse. Védődiódának gyors diódákat használok. A 12db FET meghajtása, két 6-os csoportban történik, mivel sok fet párhuzamosításakor a megnövekvő gate kapacitás lassítaná a kapcsolási időt. A két csoporthoz két szintén FET-es meghajtó áramkör került, amiket HCPL3120-al szeretnék meghajtani, a szintillesztés miatt. (Ezt nem tudtam egyenlőre berajzolni, mivel nem volt meg az Eaglem-ba.)
Tele van hibákkal a rajz.
Mindenhol fel van cserélve a D-S láb, a kimeneten a védődióda szintén fordítva kell. A meghajtásban a P-s feteket fordítva kell bekötni (source megy a +12V-ra) Feleslegesen 5W-os ellenállásokat használni.
Igen! Megtaláltam a hibákat, sajnos elkapkodtam a feltöltést! Holnap javítom!
Nah javítottam, a kapcsolást!
Kérdésem még az lenne, hogy a két meghajtó után a szintillesztés miatt terveztem még egy HCPL3120-at. Ebből kettőt tegyek (mindkét meghajtónak külön) vagy elég egy is?
Miért kell bele szintillesztés? A negatív tápon vannak a FET-ek source-jai, ehhez kell megcsinálni a vezérlést is, így nem kell semmilyen szintillesztés. A bemenetre felesleges FET-eket tenni, jobb lenne sima emmiterkövető BJT-ből, vagy sokkal kisebb teljesítményű FET-ből.
A bemeneti pufferkondikat nagyon közel kell szerelni a FET-ekhez, meg a diódákhoz. Ezt úgy kell megcsinálni, hogy egy panelen ( nyákon ) legyen az egész. Nézd meg, hogy rozsda fórumtársunk hogyan csinálta meg.
A meghajtó, azért kell mert a FET-eket 12-al "rugdalom" viszont a PWM jelet PIC fogja szolgáltatni. Bocs a hülye kérdésért, de mi az a BJT? Az emitterkövetős megoldás van, Ecopityu megoldásában az mért jobb mint a FET-es?
Rozsda rajzát kb hol keressem?(Fórumeleje...vége?) Idézet: A lap tetején lévő kis fényképező ikonra kattintva minden rajzot kilistáz. Könnyen megleled. :yes: „Rozsda rajzát kb hol keressem?(Fórumeleje...vége?)”
Ott meg azt nem írja ki tette fel, de szerintem ez az.
A kiválasztott képen a H betű a hozzászólásra visz.
Ami FET-et beteszel a pic jelének fogadására, az jó nagy gate total töltéssel rendelkezik, egy pic nem fogja tudni csak lassan meghajtani. Ezért kisebb FET kell, ott ez gyorsabban megy. Ha pic hajtja meg, akkor ezek a FET-ek nem is jók, gondolom a pic 5 V-os, a FET-nek meg 8...10 V kellene a gate-jén. Van olyan, hogy logikai szintű FET, ilyet keress. Mindenképpen meg kell oldani az 5-ről 12 V-ra a szintillesztést, tehát az emmiterkövető nem jó, de a mostani sem, mert a felső FET nem fog tudni kikapcsolni az 5 V-ról.
BJT - bipolár junction tranzisztor - tulajdonképpen a " mezei" tranzisztor.
Nem ez az, de a lényeg itt is látható. Rozsda elrendezését azért ajánlottam, mert az építés során elég sok minden tárgyalásra került a felmerülő kérdések közül. Azokat kellene elolvasnod. Szép terjedelmes anyag, de sokat tanulhatnál belőle.
Írtam feljebb, hogy nem volt az eagle-mba HCPL3120 alkatrész. Ez tulajdonképpen egy opto! Ezzel gondoltam a mostani 4FET meghajtását. Mellékletben csatolom a hogy honnan az ötlet.
Délután/este nekiesem az olvasnivalónak...
Apróba találtam nagy kondenzátorokat, nem is drágán.
10.000µF/100V 1000ft Ebből ha jól láttam a képeken 4db van! Ez elég lehet?
Azt én is tudom, hogy ez egy optocsatoló gatemeghajtó ic, de erre írtam, hogy nincs szükség rá. Először is tisztáznod kellene, hogy milyen lesz a főáramkör. Utánna lehet gondolkodni azon, hogy mi kell bele.
Több kis kondival olcsóbban jössz ki.
Jó olvasgatást kívánok, van mit...
A főáramkör véleményem szerint megvan! 12db FET! Ezeknek a meghajtása zavaros, számomra mivel mindenki mást csinált más vált be neki.
Nem vártam el tőled, hogy fejből tudd a típusszám alapján hogy milyen ic ezért írtam. Elnézést kérek miatta! Az olcsóság relatív! Ha megveszem a 4db 10.000µF-et 4000ft-ért, az szerintem nem sokkal drágább mint sok kis kondi és az áramköröm is egyszerűsödik.
Azt nem ertem miert kell bonyolitani ezt a meghajtast. A MCHP gyart eleg nagy valasztekban FET meghajtokat. Pl MCP1403 Nem nagyon dragak es TTL/CMOS kimenetrol meghajthatoak. A CHPCD tart is beloluk. Ez peldaul 4,5 A kimenetu. Boven elegendo akar 20 FET meghajtasara is. De az a kapcsolas amit en kuldtem az is jol teljesit. Felesleges ez a FET-es meghajtas, es nem is nyersz vele semmit, sot ennek a meghajtasa is problemat jelent. Lenyeges szempont a nagyon gyors meghajtas mint irtam is, mert a lassu meghajtas az atkapcsolasi idoket noveli, es ezzel megno a disszipacio az atkapcsolasok alatt.
A Fetekhez teszel egy vagy kettő nagy meghajtót, és ez(ek) kapják a PWM jelet az MCU-tól. Én 10 fethez egy 9A-eset akarok, de volt itt egy pdf ennek a számításáról, (még énis átnézem) hogy nyitás/záráshoz mennyi amper kell.
Megint erről az oldalról linkelek: Bővebben: Link Ez egy már a piacon szereplő termék fejlesztésének rövid leírása. Én ezt koppintottam le, nagyon nem lehet mellélőni. A cikk végén van szó a kapcsolási időkről. A kondikkal kapcsolatban már írták régebben, hogy nem csak a kapacitás számít, hanem a kondik maximális árama amit az adatlapokról lehet lenézni. Ez az áram nem egyenesen arányosan nő a kapacitással. Nekem 40db 2200µF kondi 240A-t tud majd.
Ezek között is válogathatsz:
Bővebben: Link
Hát, ez a hosszában elhelyezett tranyók tömege a legrosszabb megoldás... nem kell mindent kp-nek venni, ami a neten feltalálható... szerinted, mekkora különbség lesz az első- és az utolsó FET áramában? Korábban erről is írtam ebben a topicban, csak el kellene olvasni.
Nincs semmi bajom az optomeghajtóval, ráadásul fejből tudtam, hogy mit takar a típusszám. Legfeljebb azon csodálkozom, hogy nem tudod mit akarsz tervezni, de máris ragaszkodsz bizonyos alkatrészekhez.
Látatlanban mondom, hogy 4 x 10mF nem fogja elbírni azt az áramot, amire igénybe lesznek véve. A kondik méretezésére is találsz leírást a korábbiakban. Ha jól emlékszem, a motorod 60V 300A. Ez ugye 18 kW. A kérdés az, hogy elég ez a teljesítmény, vagy esetleg gyorsításkor túl is akarod terhelni? 4...5-szörös áramot majdnem biztos, hogy kibír, de akkor már több FET kell.
Most a gate hozzávezetések hosszára gondolsz? Mert azok egyformák lesznek.
Arra is gondoltam, de inkább a drain-source kivezetésekre. Ha a jobb oldalon vannak a ki-és bemenetek, akkor a baloldali tranyóhoz jóval hosszabb a hozzávezetés. Ez már alapból aszimmetriát okoz.
És ez az asszimetria a vezeték ellenállásánál 70-80mm2 sínkeresztmetszetnél is számottevő lehet? Én ezt elhanyagolnám. A gate vezetékeket az egyszerre kapcsolás miatt tartom fontosabbnak. Nem vagyok szakértő, hobbiszinten is kezdő, de azon a néhány gyári vezérlőn amit láttam nem törődtek ilyenekkel. És ha azok kimehettek a piacra akkor én nem félek
Hello!
Tanulni kell a vizes kollégáktól.. A radiátor hogyan is van bekötve? Átlósan. üdv! proli007
Nagyon találó a megfogalmazás!!!
Sajnos nem csak az ohmos ellenállással van probléma. Ennél az elrendezésnél, bal oldal felé haladva egyre nagyobb területet fog közre a sinezés. Egyre nagyobb hurkok lesznek, egyre nagyobb szórt induktivitással, túlfeszültségekkel, stb.
A gate vezetékeknél az ohmos ellenállás nem olyan nagy gond, hiszen ott van minden gate-tel sorban egy 1 ohmos ellenállás. Én inkább nagyobbat tennék bele, mert a gatevezetékek elég hosszúak lesznek, így nagy lesz az induktivitásuk ( ráadásul különbözőek ). Tehát egy rezgőkör alakul ki a gate kapacitással együtt, amit csak az 1 ohmos ellenállás csillapít. Ilyenkor szokot a FET gate-je elszállni, mert túl nagy feszt kap. Az jó, hogy odatetted a zenereket, de azok sem mindenhatóak. ( A piacra akkor is kimennek, ha hulladékot gyártanak... Az a Curtis vezérlő miért égett le? ... ) |
Bejelentkezés
Hirdetés |







