Fórum témák
» Több friss téma |
Eredetileg a motorvezérlésre vagyok kíváncsi. Villamosd válaszát megfontolom, kipróbálom.
Számomra a sín az másodlagos kérdés, elsősorban a motort szeretném betörni, hogy úgy viselkedjen, mint ahogy elvárom. Köszönöm az egyéb ötleteket is. A drótköteles dolgot megfontolom. A sínen még gondolkodom, de szerintem ez ráér akkor ha már működik. Először megcsinálnám a lineáris mozgatás,, utána a sínt. Ezt követően forgatást, de ehhez már valószínűleg léptető motort használok. Az egész egy egyetemi projektfeladat része, főleg a motorvezérlés megoldása a lényeges.
Az IRF 3205 helyett használhatnék mondjuk egy IRL 3705-öt, akkor lehetne logikai szinttel vezérelni.
Viszont nem lenne célszerű egy optocsatolóval elválasztani a mikrokontrollertől az egészet?
Adatlapok bongeszese mindig segit. A FET meghajtasanak az a lenyege, hogy a gate nagy kapacitasu (nF nagysagrendu) es ezt gyorsan kell tolteni. Tehat olyan aramkort kell kialakitani, amegy nagy aramot tud biztositani, es ezzel meggyorsitja az atkapcsolast. A nem megfeleloen kialakitott meghajtasnal az atkapcsolaskor megno az eszkoz disszipacioja.
Mivel hordozhato eszkozt akarsz epiteni gondolom nem viszel magaddal tobb akkut, tehat az optos levalasztas csak bonyolitana a dolgot. Meg annyit a FET kivalasztasanal, hogy sokkal fontosabb az alacsony Rdson ertek valasztasa mint a meghajtas alacsony feszultsege. A logic level FET is akkor terhelheto igazan, ha legalabb 8-10 volt van a G-n. A hozzászólás módosítva: Okt 10, 2014
Szerintem meg pontisan a kamera vezetése a lényeges a zsinort akár egy vekkerora is el tudja huzni.
Ha olyan áttételt veszel amiben csigakerék van akkor a fékezéssel sincs gond, mert az áram nélkül nem mozdul ( ablaktörlö motor, központi zárak motorjai stb.). Nem irod milyen sebességgel akarod mozgatni, de normális esetben inkább lassu mozgásokrol van szo, igy nem igen van gond a vezérléssel. Ha sok pozicioban akarod megállitani a kamerát akkor jobb, ha csörlö fordulatát számolod - optoelemmel stb. A hozzászólás módosítva: Okt 10, 2014
Böngészem őket.
IRF3205 elé milyen fokozatot javasolnál? Timelapsehez lesz, így minden egyes kép előtt meg kell állnia. Ha 300 lépés alatt teszek meg egy métert, akkor ugye 4 mm-t kell lépnie. Ha az egészre van mondjuk tíz perc, azaz másodpercenként kb 1,5 mm. Az 1 másodpercet nem használhatja ki, mert lehető legtöbbet kell állnia a kép elkészítése előtt.
Miért akarod mindenáron megállitani minden képhez. Egy kép készitéséhez általában 1/50-1/250 másodperc kell, ilyen zársebesség simán elbirja a 1-2mm/s sebességet. Persze, ha éjszakai képeket csinálsz, akkor már más a helyzet.
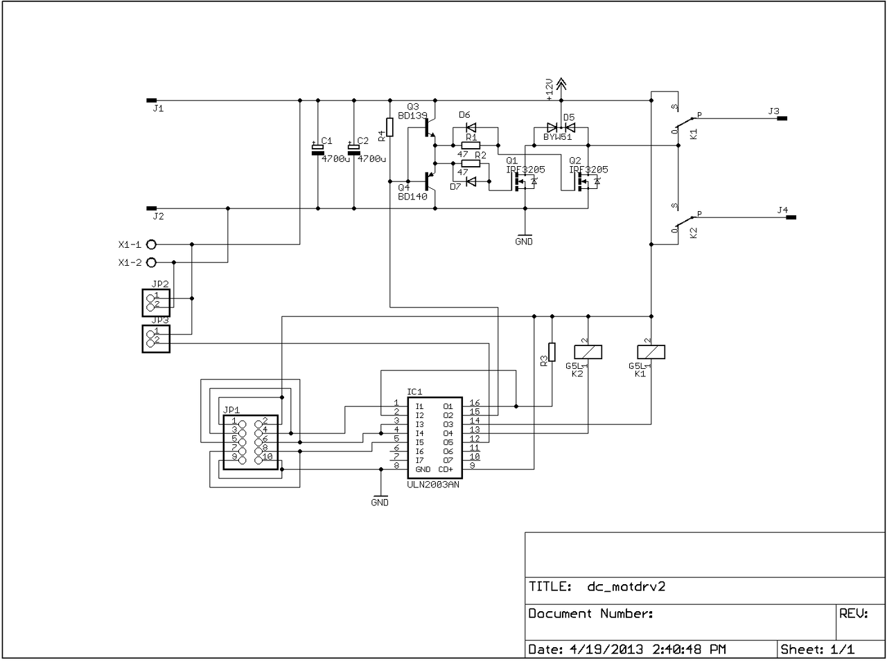
A mellekletben levo meghajtas egy 25 A motort visz. A ket rele az iranyt valtja, es ha fekezni akarsz akkor az egyik rele huzva a masik pedig nyugalomban van. A ket fet parhuzamosan biztositja a megfelelo kimenoaramot, de Nalad nem fontos, mert gondolom kisebb lesz a motor. En egy 400 wattos motorhoz csinaltam ezt a vezerlest. A relek omron G5 tipusuak.
Mondom én hogy cnc lesz belőle. Szerintem a cnc-s topicban több hasznos gyakorlati tanácsot kaphatsz olyanoktól akik már építettek cnc-t. Ne felejts el számolni a gyorsulással. A motor inkább egy nagyon kicsi átmérőjű (akár huzal, akár bordás szíj) meghajtású legyen, mert a kicsi szögelfordulása miatt a 4mm-t sitty sutty megteszi és hiába figyeled precíz érzékelővel, a megtett lépésköz nagyon kicsi. Ezért tényleg jó választás a hajtóműves motor, mert az ablaktörlőmotor kb 1:45 vagy 1:50 áttételű s talán ki tud pörögni a motor. De maga a probléma egy tipikus CNC probléma, s előbb a mechanikád legyen készen fejben mint a motorvezérlésed, mert újra kell majd tervezned mindent. Tudod, a fizikát meprütykölni nem lehet!
A hozzászólás módosítva: Okt 10, 2014
Sziasztok!
Segítségeteket kérném! A képen látható mozgató mágneshez szeretnék szabályzót építeni. 12v-ra a tekercs behúzza a mágneses tengelyt, így jön létre a mozgás. Egy olyan kapcsolásra lenne szükségem ami ezt a 12v-ot szaggatja meg, akár egy másodpercen belül többször is, potméterrel lehessen állítani a sebességet. A tápja 12v 1,5A. A pwm vezérlés sajnos ide nem jó. Üdv!
Szia!
Pontosítani kellene a problémát, illetve a technológiát; azaz mit mozgatsz vele, mik az időzítési elvárások. A megoldás feltehetően valamilyen vezérlő áramkör lesz. Külön szabályozót csak akkor szokás építeni, ha a felgerjesztési időnek nagyon rövidnek kell lennie (a névlegesnél jóval nagyobb feszültséggel alakítják ki a gerjesztő áramot, utána névleges feszültséggel tartják bent), vagy rövid idejű forszírozásra van szükség.
Szia!
Ezt a szerkezetet folyamatosan szeretném működtetni, mint pl a dekopírfűrész mozgása. A mozgás sebességét szeretném változtatni potméterrel. A leglassabb mód az 1 másodperc lenne, a leggyorsabb pedig (ha lehetséges) másodpercenként 6. Kapcsolóval tesztelve nem tűnik lomhának a szerkezet.
Ezt az ötletet gyorsan felejtsd el. Egy szerszámot ( dekopirfürész) nem lehet igy mozgatni. A mágnes behuzása igen gyors, ami a legtöbb esetben a szál azonnali szakadásához vezet. Ilyesmit motorral, áttétellel ( pl. Ablaktörlö motor) illik megoldani és nem mágnessel.
Magyarán túl gyorsan akarom működtetni a szerkezetet és ez a gond? Akkor mennyi az az idő amivel ezt még működtetni lehet?
Köszi.
Meg lehet csinálni, de visszajelzés kellene a rúd helyzetéről. Akkor arra lehet építeni egy szabályozást. De ez elég bonyolult, inkább valami más megoldást keress. A behúzómágnes nem erre való.
A mágnes behuzását (sebességét) nem tudod szabályozni. Az adva van a mechanikus megoldással. Te csak az intervallumokat tudod elvben szabályozni, pl. hogy percenként 60-600 -szor huzzon meg ( a 600 lehet, hogy már tul gyors), de maga meghuzás a másodperc töredéke alatt történik meg!
Ráadásul komolyabb erö kifejtésére meglehetösen erös mágnes kell ( keményebb anyagban a fürész nehezen megy), ami sok áramot igényel. Ehhez jön még a visszahuzo rugo által kifejtett erö (a kissé szorulo fürészt is vissza kell tudnia huzni). Az egész szerkezet nagyon hangos is lesz a mágnes rángatásai miatt. A hozzászólás módosítva: Okt 17, 2014
Még valami, ha a fürészszál lombfürész akkor egy további gond is van, mégpedig a szál feszítése. Üresen a felsö visszahuzo rugo adja a feszitést, de amint meghuz a mágnes a feszitöerö megsokszorozodik ( akár 100x is nagyobb lehet), ez vezet a szál szakadásához vagy a befogoszerkezetböl valo kicsuszáshoz. Ezért a használhato gépek egy keretet mozgatnak fel le, amiben a szál fixen van állando erövel rögzitve, és csak az anyagellenállást kell leküzdenie.
A te általad elképzelt szerkezet csak nagyon puha és vékony anyagok vágására lenne alkalmas.
Igazad van, rosszul fogalmaztam, nem a sebességét hanem a meghúzást szeretném, szabályozni.
Szivacsot szeretnék vágni vele (az elv hasonlo), egyenlőre ez tűnik (tűnt eddig) a legjobb megoldásnak. Ez a szerkezet azért kellene,hogy ne az álló pengét toljam, hanem lenne egy pár mm-es mozgása a pengének. De lehetséges ,hogy elegendő lenne a másodpercenkénti 2 meghúzás.
Szivacsot vágnék vele.
Elvben 20-25 Hz-s mozgást el lehet érni mágnessel, de nem azzal ami a képen van. Annak a mozgása persacc max 4-5 Hz. (Tul mélyre merül a vasmag). Ahhoz, hogy ilyen mozgást tudj produkálni zártkörös mágnes kell (mint egy relé, vagy kapucsengö). Az képes ilyen gyors, de rövid pályás mozgásra. Azonban a videon levö gép is inkább excenterrel - azaz motorral megy mert az sokkal jobban szabályozhato, és a mozgás kézben tarthato.
Hello! De hogy ne csak "üres kézzel távozzál", itt egy 10 perc alatt összerakható áramkör és már k is próbálhatod, használható-e vagy sem..
Ha a mechanika egyszerűsítése miatt választottad a lineáris elektromágnest, érdemes lehet megnézni lineáris motorokkal foglalkozó témákat. Köztes megoldás lehet az íves lineáris motor, akár úgy mint a HDD-ben van, vagy egyszerűen egy motort egy szögtartományban járatsz ide-oda. Ha a vágóeszköz két végére teszel egy-egy motort, a feszítését is szabályozhatod.
Eddig sikerült a motort vezérelni villamosd rajza alapján.
A jövőhéten beszerzek síneket hozzá. A drótköteles megoldásnál milyen dobot használnátok? Forgó jeladót hol lehetne olcsón venni? A hestoron van szenzor, csak egy mezei tárcsa kéne perforálva.
Az egészben nem is annyira a fel-le mozgás a lényeg, hanem annak a vezetése, söt itt még forognia is kell. Az egy a varrogéptöl annyival bonyolultabb szerkezet hogy a motor forgatja a kést. Ezért gondolom, hogy a legegyszerübb és legkönnyebben kivitelezhetö szerkezet egy excenter lenne, ami felülröl nyomkodná le a forgo rudat ( akár az autokban a bütykös tengely). Igy magának az excenternek vagy bütyöknek nem kell fordulni - ami elöny, hiszen csökken a mozgatando tömeg. Persze ez is még elég bonyolult a kenés illetve anyagválasztás szempontjából.
A hozzászólás módosítva: Okt 18, 2014
Sziasztok
Lenne egy költői kérdésem. Adva van egy Renault hátsó ablaktörlő motor aminek a vezérlő panelja tönkrement. De a motort működésre kellene bírni (a motor lepróbálva működik). Természetesen a saját funkcióját kellene betölteni. Kérdés: Milyen vezérlőt vegyek hozzá? Küldök a motorról egy pár fotót. A hozzászólás módosítva: Okt 23, 2014
Ez egy nibbelő gép.
Az előtolás folyamatos a visszaemelést nem lehet rugóra bízni, emelni is az exzenterrel kell. A vezetésnek mindenképpen jónak kell lennie komoly lineáris csapágyazással. A mozgató bütyök szintén csapágyazva van horizontálisan. Az exzentermotor áll. A fel le mozgást produkálja. A rúd a saját tengelye körül el tud fordulni, mert a bütyök csapágyazása egy beszúrásban mozog, amit egy másik szervóval vezérelhetünk. Ez a szervó is áll a rúd mozog fel le vagy siklóretesz vagy bordástengely vagy hatszög tökmindegy milyen menesztést használunk. A fizikai méretek a lökethossz függvényei. Ha a kivágott darabnak precíznek kell lennie akkor a vezetésnek is. A vezetés lehet dryline bevonatú edzett alumínium (kapható az igusnál) és ZX100-as típuszámú műanyagcsapágy ezt gyártatni kell esztergályosnál. Ez kenésmentes, hosszú élettartamú csapágyazás, jelentéktelen hőfejlődéssel. Tudom, mert rengeteg anyagpárt kipróbáltam. S a gyári igus perselyek elolvadtak az első 20 másodpercben. A kompozitot pedig nem tudjátok megfizetni, mert egyedileg állítják elő, és rendelési értéklimit van. Az ár pedig horror, igaz tökéletes lenne a feladatra. A ZX100 az ár-érték-kopás-élettartam legjobb kompromisszuma. Ipari gépekbe építettem be ilyet és évek óta gondozásmentes lisztes környezetben Iránban, nem kis terhelésen. Suszterolni, persze lehet, csak nem lesz sem olcsóbb sem jobb annál a mechanikánál ami sajnos kell bele, de ez majd a 4. átépítéskor derül majd ki. Nem véletlenül szokta azt mondani a cégben a PLC programozó kollegám: Elektronikus? Nem kell, ha van mechanikus alternatíva. Pedig hát ő tudja mit beszél, elhihetitek A hozzászólás módosítva: Okt 23, 2014
A lehető kisebb átmérőjűt, hogy a motorod ki tudjon pörögni amire a kocsi előrehalad 4mm-t.
A dobra nem felcsévéled a kötelet, hanem csak néhány menetet rátekersz és a fordítócsigán átvetve az egyik végét visszakötöd a kocsi egyik végére a másik végét a kocsi másik végére, egy feszítővel. Ekkor a néhány menetnyi drótköteled a forgásiránytól függően jobbra balra vándorolni fog a dobon ezzel számolni kell. B-terv a dob középen osztott. Jobbra feltekersz annyi huzalt amennyi az elmozdulás hosszúságához kell balra ugyanabban az irányban csak a biztonsági tartalékot. A jobboldalira feltekertet a kocsi egyik végére a biztonsági tartalékost a fordítócsigán átvetve a feszítőn át a kocsi hátsó végéhez. A dobra ekkor a kötelek végeit rögzíteni kell. Mindkét megoldásnál a dobnak olyan hosszúnak kell lennie, hogy a fel és a lecsévélődő, vagy a vándorló menetek elférjenek a kocsi teljes elmozdulási tartományában. Ugyanis ha egymásra felcsévélnéd a drótkötelet akkor a kerületi sebesség folyton nőne. ezáltal semmit se ér az optikai kapud mert a lineáris elmozdulás nem arányos többé a szögelfordulással. Emiatt javasoltam a lineáris útmérést, mert akkor tökmindegy a meghajtás. De mintha mondtam volna már, hogy a mechanika fog orronütni ebben a projektben nem a vezérlés.
Sziasztok,
tudnátok olyan egyszerű, lehetőleg cél IC-s kapcsolást ajánlani, ami egy sima DC motort, amire enkóder tennék, STEP/DIR módban vezérelne? Úgy mint pl. az L298 egy léptetőmotort? |
Bejelentkezés
Hirdetés |









nem a vezérlés. 




