Fórum témák
» Több friss téma |
Idézet: „de a szervó motor vezérlés 3 vezetékes legalábbis amit én tudok (+ - és a freki)” Nem egészen, hanem a a +/- és az impulzusszélesség, ami proporcionális az elmozdulással (a freki stabil).
Ja igen
. Most ezt találtam, (potis) de ez oda vissza forog automatikusan. Ezt átalakítani vagy inkább teljesen új rajz?
Mi lenne, ha egy ilyen elég meddö agytorna helyett vennél vagy épitenél (letöltheted a rajzot is)egy ilyen primitiv áramkört.SZERVO teszter meg egy mezei szervot, és ez pontosan azt fogja neked csinálni, amit akarsz.
Pont ezt akartam kivédeni, de köszönöm.
ezt találtam jó lehet már csak a potit kell vezérelni a két jellel, meg az ic-t valami használhatóbb tipusra cserélni.
Az jo lehet, de nem lesz egyszerü megépiteni, ehhez sok tapasztalat kell, hogy jol müködjön.
Nem tudni mit akarsz épiteni igy nehéz a segitség. Lehet, hogy 2 léptetö motirral meg 4 tranzisztorral egyszerübben is lehetne.
Miért nem egyszerű megépíteni? ( Pár kapcsolást építettem már meg nyákot is tudok gyártani nem vagyok "nagyon" kezdő csak kezdő
) Lehet nem írtam le rendesen : Van egy áttételes dc kis motorom, ennek lenne 2 végállása és egy középállása. nyomógombbal vagy potival most már mindegy. 2 jellel vezérelném egyik az egyik irány másik a másik irány. De ha nincs egyik jel sem akkor álljon vissza középállásba. A kapcsolásba, hogy tudnám beleapplikálni a teljesítményfokozatot? Az ic lm358 lenne csak azért.
Mert az ilyen hidakba épitett vezérlések nagyon meg tudnak szivatni. Ehhez messze nem elég, ha valaki forrasztani tud, meg már látott egy NYAKot.
A korábban berakott szervovezérlés meg millioszor kiprobált valami, minden csapda megoldva, minden meglepetés kizárva.....
Nem hittem volna de tényleg
összereaktam próbanyákon mindent csinál csak azt nem amit kéne .
Sziasztok ismét
![]() itt kértem egy kis segítséget valamiféle kapcsolást a "problémámra" de igazán jó megoldást nem találtam. Most volt egy kis időm beleolvasgattam a fórumba és "aki keres az talál" találtam egy jónak tűnő kapcsolást, csak nem relékkel kellene megoldani , hanem h híddal, ebben tudnátok-e segíteni. (ez lenne az) Segítséget előre is Köszönöm!
A h híd problémát megoldottam azt hittem bonyolultabb lesz
. De most az van, hogy 3 tápfeszültséget igényel, és nem 12 v-t, hanem 6 v-t szeretnék rákötni. Kérdésem az lenne, hogy le lehet-e redukálni 1 tápfeszültségre?Válaszokat Köszönöm.
Ennyi tapasztalattal nem ( sok mindent meg kellene oldanod). Inkább keress egy másik kapcsolást ami 6V-rol megy.
Hát igen sok tapasztalatom nincs e téren, az a baj hogy ezt is véletlenül találtam, összeraktam tökéletesen működik csak hát tápfesz probléma van de majd keresgélek hátha...
Hello! Fog az működni, csak így..
Köszönöm szépen!
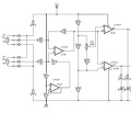
Próbálkoztam hasonlóval ( ellenállásosztóval csak lehagytam a műv erősítőt. ) végül is csak "megfelezi" a tápfeszültséget . csak azt nem értem miért kell bele ez referencia feszültség? miért pont féltápfeszültség? (Bocsánat a bugyuta kérdésekért, de elektrotechnika óra régen volt 1,5 éve )A rajzot köszönöm ha lesz rá lehetőségem kipróbálom A hozzászólás módosítva: Júl 29, 2014
Hello!
Az első fokozat, egy különbség képző. A két poti feszültség különbsége jelenik meg a kimenetén. Ha az R6 a GND-re csatlakozna, akkor csak egy irányban tudná a különbséget kivonni. Hiszen negatív nem lehetne a kimenet. Ezért az eltolás, célszerűen a tápfeszültség felére, hogy legyen mozgási lehetőség mind két irányban. A következő ablakkomparátornak is ez a féltápfesz vonatkoztatási pontja. Ha ellenállásosztóról adnánk a féltápot, akkor az osztó feszültségét az R6 árama terhelné. ezért az osztóban lényegesen nagyobb áramnak kellene folyni. Ezért van beiktatva a követő erősítő. Így annak kimeneti ellenállása közel nulla, nem terheli a különbség képző árama feszültséget. Egyébiránt is akár LM324, akár LM358 az OPA-k párosával vannak benne és a kapcsolásban úgy is van egy felesleges.. "elektrotechnika óra régen volt 1,5 éve" Hűha! Az nem semmi.. Az enyém meg 45 éve. Már amit én hallgattam, és nem én tartottam..
Köszönöm szépen a kielégítő választ
![]() hát igen "csak" 1,5 éve. Szégyenlem is, hogy nem tudtam rendesen megfejteni a kapcsolást
Hello
Elég sokat el olvasgattam a témából de nincs időm az egészet. Nekem egy 100V DC motor hoz kellene vezérlés (fordulat szabályozás) nem tudom a KW de körülbelül max 20 Kw, és ha kevés lenne az Áram akkor még plusz alkatrész beiktatásával tudnám növelni. Keresgetem még de nem találom a megfelelő alkatrészeket vagy csak rossz helyütt keresgetek. Előre is megköszönném a válaszokat.
Ablaktörlő motort szeretnék vezérelni mikrokontrollerrel. Lineárisan kell majd mozgatni egy fényképezőgépet egy sínen.
A cél az az lenne, hogy minél gyorsabban elérjen egy fordulatszámot, majd amikor szükséges, a lehető leghamarabb megálljon. Az egészet akkumulátorról üzemeltetném. A terhelés nem változik. Optikai jeladóval figyelném, hogy megtette-e a megfelelő elfordulást, ha igen, akkor meg kell állnia. Nem kell pontosan megállni, de jó lenne a pontatlanság mindig ugyanannyi maradna, azaz elég tapasztalati úton játszani azzal, hogy mikor kell elkezdeni megállni. A fordulatszámot PWM-el állítanám be, az optikai jeladó alapján. A fő kérdés, hogy hogyan érdemes megoldani a fékezést. Nincs sok tapasztalatom motorvezérlésben. Idézet: A DC motorok fekezese rovidrezarassal tortenik. Viszont egy atteteles motor a tapfesz elvetele utan eleg gyorsan megall. „A fő kérdés, hogy hogyan érdemes megoldani a fékezést”
Hogyan oldanátok meg, hogy PWM-el tudjam szabályozni, de adott esetben megállni is megtudjon?
Van erre kimondottan vezérlő IC? Ha H hidat használok, akkor azon megoldható, hogy rövidre zárjam a motort? Optikai jeladót hol keressek? Találtam egyet a Hestoron ( TCST 2103 ), de kellene még a megfelelő forgóelem is. A hozzászólás módosítva: Okt 9, 2014
Talan ugy lenne jobb a PWM, hogy egy FET vinne a motort, pl. IRF3205. Ez egyszeru, csak a meghajtasat kell rendesen megcsinalni, mert a uC csak 5 voltot ad ki az meg nem elegendo a meghajtashoz. A H-hid az keves aramort tud leadni, ami egy ablaktorlo motort nem bir el. Esetleg 4 FET-bol imeg lehetne csinalni, de ennek bonyolultabb a vezerlese. Az iranyvaltast egy ket morzes relevel, a stop pedig egy 1 morzes relevel megoldhato. Optikai jeladot en regi fenymasolobol, vagy printerbol szoktam kibanyaszni. A tarcsara kell meg egy index erzekelo is, ami jelzi, hogy egyszer korulfordult.Vannak keszen is optikai jeladok, amik ket jelet szolgaltatnak es ezzel lehet erzekelni az iranyt is. De ezek eleg dragak.
Úgy hogy ne repüljön el a drága gép
![]() Sehogy amint a pwm kitöltése 50% lesz a motorod le fog bökni. Ha H-hiddal csinálod. Nekem 90 kilós fűnyírót mozgat egy PWM vezérlés és az előre és hátra irányokban iszonyúan ugrik minden látható átmenet nélkül. Úgyhogy elsősorban a rögzítés a problémád és a körmozgás lineáris mozgássá alakítása. Vagy menetes orsót használsz ehhez, vagy mint a szkennerben, bordás laposszíjat. Ha menetes orsóval dolgozol, akkor a súrlódás a problémád és a kenés, valamint a hőfejlődés, (bár műanyag anya acél orsóval kenésmentes kapcsolatot eredményez), a bordásszíjnál pedig az irányváltáskori ütésszerű terhelés. Ha a lineáris vezetékedre elhelyezel egy optikai kaput és ezt a kaput tudod állítani mechanikusan(nem tudom mi a konkrét feladat), akkor elképzelhető, hogy programra sem és kontrollerre sincs szükséged, de ezt neked kell tudnod. De ha csak egy bizonyos távolságot kell állítanod és több a pozícióban lévő vagy a megtett út mentén sorozatfotózás a feladat, akkor pic nélkül egyszerű optikai ütközővel megoldhatod az ablaktörlő motoroddal. Ha viszont programból akarod állítani a végpont koordinátáját akkor jobb ha BLDC (léptető motorral) kezdesz.
Körülbelül le tudod vázolni, hogy mit szeretnél?
Móricka rajz is elég. S a hosszúság is fontos illetve pontosan fogalmazd meg a feladatot.
A feladat a következő:
Fényképezőgép mozgatása timelapse felvétel készítéséhez. Egyenes vonalon először is, aztán szeretném forgatni is. Gondolkodtam rajta, hogy hogyan mozgassam, és a bordás szíj maradt megoldásként. 1-1,5 m hosszú alumínium pályát szeretnék. Szakaszonként szeretném mozgatni, hogy a felvétel előtt bizonyos idővel már álljon, hogy csillapodjanak rezgések, majd a mikrokontroller exponál. Aztán ha vége a záridőnek, akkor menjen tovább. Az egész pályát kb. max. 1000 lépésben szeretném végig járni, de van amikor kevesebben. Leggyorsabban kb 5 perc alatt. A kocsival a gép simán meg lesz 3 kb. Plusz majd ha ez már működik, akkor szeretném ha kocsin még egy tengelyen elfordulni is tudna.
Tisztázni kell, hogy milyen vezetősínet szemeltél ki ha már választottál.
Mennyire legyen merev, stb stb. Gyakorlatilag az elmondásodból kiderül, hogy egy többtengelyes cnc-t fogsz építeni, csak még nem tudod. Nem lesz egyszerű a feladatod, ennyire nincs időm. Van alternatív javaslatom a meghajtásra ami játékmentes, a te igényeidet kielégítően merev is relatív olcsó is de sok munka van vele. Tudod ez olyan mint amelyik munkahelyre ki van írva, hogy olcsón, pontosan, és gyorsan dolgozunk, azonban Ön ezek közül egyszerre csak kettőt választhat. Én neked a bútoriparban használatos toloajtó vasalat-ot(alu) ajánlom. Ezek közül érdemes kiválasztanod a vezetést. Ezek nagy teherbírású, golyóscsapágyas, toláskor zajcsökentett gördülőelemel rendelkeznek. Folyóméterben, húzott minőségben kaphatóak. Nekem 2500mm hosszú van és csaknem 1300x2000mm es ajtók futnak rajta, jelentős súly mellett, mintegy 4 éve, de most is, egy ujjal odébb tolható. Excenterell állítható be a futás játéka. Hátrány: valamilyen kaloda kell hozzá ami közrefogja. Ez lehet zártszelvény keret is vagy akár csavarozott bútorlap is. A mozgatáshoz pedig felesleges a bordás szíj, mert drága. Bár kapható folyóméterben is és a két végét egyszerűen egy feszítővel összehúzod a kocsihoz megoldva a feszítést is ezzel. Viszont agyonfeszíted a szerkezetet. Ehelyett: Sima műanyag borítású vékony acéldrótkötél. A közepén feltekerve egy dobra úgy mint a hajókon van a kötélfelcsévélő amit emberek is tudnak mozgatni. A két vége a kocsihoz van visszakötve, itt van kifeszítve a drótkötél. Mivel minimális erőre van szükséged néhány menet felcsévélése elegendő. A körmozgásos közvetett hosszmérést hagy a fenébe csak bonyolítja az életed. Kapható lineáris mágneses jeladó szalag nem is túl drága ez akár 0,005 mm es osztással is vásárolható a T2CNC honlapját keresd. S van ott enkóder is. A lineáris megtett utat méred ehhez kell kontrollert programoznod.a körmozgásból közvetett útmérés mindig macerás a pi értéke miatt és megőrülsz majd mert a kerületekkel kell majd számolnod. A bordásszíjkerék osztóköre nem a külső kerületen van , de ott kell számolni vele.Azután ott van a kábellánc amivel a drótokat ,( forgatómotor vezetékei,érzékelők, stb) a kocsiról az álló részre vezeted) ez mind mind zaj, s ha természetben szeretnéd használni akkor ez bizony nem előny. Továbbá a PWM vezérlés is fürtyül a motorban. csak ezt mi emberek nem halljuk mondjuk 16kHz vagy 20kHz, de az állatok igencsak meg tudnak bolondulni ettől, bár csak sejtem de nem tudom mihez is kell ez a szerkezet. Csak feltételezem, hogy ha akkuról akarod üzemeltetni. Letisztáztad, hogy mennyit is szánsz rá? Hát nem irigyellek! A hozzászólás módosítva: Okt 9, 2014
Mielött még egy sereg balhét okoznál magadnak nézd meg ezeket a sinek-t. Nagyon jo minöségüek, hosszu ideig gondtalanul müködnek - a mienk már vagy 10 éve is igen erösek még a közepes videokamerát is elbirják ( a DSLR még nagy objektivvel sem gond persze ki kell egyensulyozni föleg ha forgofej is ott van). Könnyü több darabot összeilleszteni és a csuszoka észrevétlenül megy át a toldáson. A szán huzallal van mozgatva és azt szerelsz rá amit akarsz ( nekem van forgo fejem és most kisérletezek egy aktiv gimballal.)
Igazad van!
Használtunk mi is a cégben Igus DryLine síneket csak nálunk a lisztpor megölte őket, s emiatt kikerült az érdeklődési körörömből, ezért nem ajánlottam. De ebben az alkalmazási helyzetben ez tényleg optimális választás. Egyébként az Igus honlapján ott a kalkulátor is amivel a várható élettartam is kalkulálható.
Valahol volt már ez téma - 2-3 ilyen topik volt, de én sem találtam, pedig egyböl odaküldtem volna. Ha megtalálod rakd át oda légyszives.!
A DC vezérléshez van némi köze, mert DC motorokkal is mozgathato a szerkezet. |
Bejelentkezés
Hirdetés |




. Most
)
. De most az van, hogy 3 tápfeszültséget igényel, és nem 12 v-t, hanem 6 v-t szeretnék rákötni. Kérdésem az lenne, hogy le lehet-e redukálni 1 tápfeszültségre?
Hát igen sok tapasztalatom nincs e téren, az a baj hogy ezt is véletlenül találtam, összeraktam tökéletesen működik csak hát tápfesz probléma van de majd keresgélek hátha... 
Próbálkoztam hasonlóval ( ellenállásosztóval csak lehagytam a műv erősítőt. ) végül is csak "megfelezi" a tápfeszültséget




