Fórum témák
» Több friss téma |
Fórum » DCF77 óra Nixie-csövekkel
Helló Mindenki !
Nézegetvén az oldalakat akad egy két jó kis kapcsolás Pl nixi óra ![]() Arr gondoltam úgy is itt heverészik 9 Db nixi csövecske a fiókomba mi lenne ha csinálnék egy nixi órát ![]() csakhogy jó lenne ha a kicsike DCF77 kompatibilis lenne olvasgatván az ittein forumot nem nagyon lettem okosabb ![]() A csővek a következők lennének 2 Db óra(24 kijelzéssel) 2 Db a perec 2 Db a másik perec és 3 Db század másod perec ![]() Lehet hogy lüke vagyok enny csövet berakni egy órába !
Másra is jó az a cső nem szak századmásodpercnek...
http://www.spettel.de/ralf/projekte/clock/plex/index.shtml" target="_blank" rel="nofollow" >LINK
Hi
Ezt a cikket olvastátok? Én réggebben kaptam már kedvet egy ilyen órához, csak nekem még bonyolultnak tünik az egész... Nixxi csövek felhasználása Isa [off] a *.pcb kiterjesztést mivel kell megnyitni?
Szia!
Engem kb. 1,5 hónapja kezdett érdekelni a téma, akkor határoztam el hogy csinálok egyet, miután véletlenűl ráakadtam erre a képgalériára és néhány kinézete ragadott meg: infóért[link=http://www.electricstuff.co.uk/nixiegallery.html]http://www.electricstuff.co.uk/nixiegallery.html[/link] Eredetileg a szkópcsöves óra ragadta meg a fantáziám: [link=http://www.webx.dk/oz2cpu/clock-scope/scope.htm]http://www.webx.dk/oz2cpu/clock-scope/scope.htm[/link] Napokig bújtam a internetet használható infó után. Kapcsolást elég sokat találni, de a mikrovezérlők programjai ritkán publikusak. Azt hittem, hogy manapság már szinte extrémitásba hajlik egy nixie csöves óra, de akkor ráakadtam egy nixie csöves propeller clockra. [link=http://www.electronixandmore.com/nixieclocks/4.html]http://www.electronixandmore.com/nixieclocks/4.html[/link] Sajnos mikrokontrollert nem tudok programozni, már 1-2 alkalommal nekiugrottam, de időhiány miatt mindig abbahagytam. Tehát így nem tudok megfelelő programot írni az elképzeléseimnek. Pedig azok vannak bőven, főleg mióta olvstam a 2004/2-es angol elektorban megjelent óra leírását. A funkciók gazdagsága tetszik nagyon. Igaz ez 7 szegmenses ledkijelzővel van megvalósítva de nagyon jó. - Óra - 8 előre programozható ébresztési idő amit ki tudok választani mikor melyik legyen. - "Snooze" funkció naagggyon fontos késő esti lefekvés kora reggli kelés esetén - Áramszünet esetén a kijelző nem megy csak a mikrokontroller telepről de ébresztés így is van. - Az ébresztéseket napokra lebontva is lehet programozni - Hét napjainak kijelzése Nekem ez az óra is tetszik és ami az én szempontomból jó az az, hogy van 7 szegmenses nixie kijelzőm is!! De amit igazán szeretnék megvalósítani egy egyszerű 6 csöves óra amin esetleg van egy ébresztés és DCF77-es szinkronizáció. Nagyon sok kapcsolás a hálózat 50Hz-re szinkronizál, vagy 4MHz-es kristályt használ leosztva órajelnek de ha jól tudom ez ad néhány ezred százalék eltérést a helyes órajeltől. Érdekes módon nem nagyon láttam órakvarccal működő mikrokontrolleres órát, ez miért lehet, alacson az órajel (32768KHz)? Ja meg még egy nehézség, 74141-es IC beszerzése Mo.-on legjobb tudomásom szerint lehetetlen. Tehát marad a számjegyenkénti MPSA92 vagy MPSA42. üdv hegman
húhuú
, ilyen ( [link=http://www.electronixandmore.com/nixieclocks/4.html]http://www.electronixandmore.com/nixieclocks/4.html[/link] ) pörgő dolgoknál javaslom az smd kivitelt...:yes:
nem épp SMD de kicsinek kicsi
Besz...ok! Nixie csöves karóra!!!!!
Naggggyyyyon állat design!!!
Nem semmi...
Felvesz szerintem 500W-ot és csak az időt mutatja....
mos igen ez arról is tanúskodik, hogy valakinek nagyon, nagyon sok ideje volt
Szerintem azt a másik három csövet használd dátum kijelzésre.
Ugyan ezt akartam írni!
Sziasztok!
Minap vettem egy ét panelnyi nixit. És mi mást szeretnék belőlle mint egy órát... Csak nem tudom hogy induljak el... Alap órát szeretnék, semmi bonyolúltat (ébresztő,DCF77,stopper-ilyesmi nélkül). Ugyhogy ha nem baj íde írok, mert nem volt más nixie-s topic. Addig jutottam hogy kikerestem az adatlapokat hogy mi kell nekie. Akitől vettem azt mondta hogy csak táp kell neki meg a BDC kód. Nah a programozáshoz egyáltalán nem értek. De ha adtok egy kis támpontot, azt megkösznném. Mi kell ehez? Egy 16F877-es PIC?? Meg kell hozzá egy kvarc amivel majd tudja adni az 1hz-es jelet? A panelen Z573M cső van: http://www.neonixie.com/store/product_info.php?cPath=26&products_id...l+%23+ A vezérlő IC pedig 74141 : http://www.datasheet4u.com/html/7/4/1/74141_NationalSemiconductor.pdf.html Nah ebből anyit tudtam meg hogy kell a csőnek 140V anódfesz, az IC-nek pedig 5v tápfesz. Viszont azt nem értem hogy az IC-k főldje közösítve van de nics kivezetve vagy összekapcsolva. Hogy müködik ez igy? A képen ez látszik is... A tápot azt meg is tudnám oldani két kis nyáktrafófval.. (az ötletért kösz szabi83-nak) Erről az oldalról: http://www.mcamafia.de/nixie/ncp_en/ncp.htm A másik problémám hogy az első cső nem számkijelzős hanem karakterkijelzős. Így csak 5 cső van. Most hogy oldjam meg a kijelzést. Bár van mégegy panel abbol betehetnék egy csövet. de a vezetősávokat el kéne vágni ,és légvezetékelni. Valakinek ötlete?? meree induljak a PIC-ek felé?? Köszi Isa
Nos ha a Pic-es megoldást választod mint ahogy ezen az oldalon van,akkor a pic mellé elég csak 2db 74141
http://www.webx.dk/oz2cpu/clock/nixie-clock2x3.htm (hozzá a kapcsrajz: http://www.webx.dk/oz2cpu/clock/2x3e.pdf De mivel a panelodon elég szépen egyben vannak a csövek az IC kell így talán érdemes megnézni ezt a megoldást: http://www.tuberadios.com/nixie/ Ennek egyébként én is nekifogtam ,de még nincs kész A karakterkijelzős csőre pedig az lehet a megoldás ha csak 4 digites órát csinálsz (ÓRA : PERC) és még marad 1 tartalék csöved is ![]() A linkeknél tessék használni az URL gombot! Jav. -vicsys
Csak nem téged is elkapott a Nixie-láz?
Itt egy adatlap a csőről, érdemes betartani az értékeket, különösen az áram maximumát. Van is egy ellenállás a panelon, ha jól sejtem. Rengeteg ilyen project van a neten, keresgélj. Nem feltétlenül kell PIC, egy óramű megvan 4-6 IC-ből, a dekóderek meg már megvannak. Hol vetted a csöveket?
HElló!
Jah elkapott Én még túl fiatal vagyok hogy beépítve láttam volna ilyet valaha is....Jah, mostmár látom hogy tényleg nem olyan vészes a dolog. CSak éppen kábeldzsumbúj lesz belőle. Az adatlap az megvan, és az ellenállás is rajta van a panelen, Csak azt valószínű kí kel cserélni. Viszont ahogy a Tonsil álltal belinkelt oldalon is van az 1Hz-es generátor nem jó. mert itt ugyebár 50Hz a váltófesz. És az is állandóan ingadozik. Azon az oldalon ahol mutattam a táp megoldást pedig kvarcot használnak, de azt meg nem tudom kimérni mert nics hozzá müszerem... Amúgy itt az aprón vettem...Még megvan azsem a hirdetése...
Az én ébresztőórám egy régi gyári (szégyen és gyalázat) óra, és az 50Hz az órajel és pontos. Nagyon ritkán kell állítgatni, szerintem jó lesz neked is időalapnak.
Ha nem ipari környéken laksz, akkor meg pláne. Én az első Nixie órámba 10MHz kavicsot tettem és nagyon pontatlan volt, mert nem tudtam beállítani az órajelet pontosan. Ráadásul hőmérséklet és tápfeszfüggő. Hogy 50 vagy 60Hz, az mindegy. Nem 60-nal, hanem 50-nel kell osztani. Ez gondot okoz? Csak mert a 7490-ben éppen egy 5-ös és egy 2-es osztó van. Az 50Hz-et elosztod 5-tel (1. 7490), aztán még 5-tel, aztán 2-vel (2. 7490) és szép 50%-os, 1Hz-es négyszögjeled lesz. Én ezt csinálnám pontos frekimérő nélkül. Csinálsz új panelt és nem lesz kábeldzsumbuj, de ne vesződj vele.
Ja igen azt elfelejtettem hogy én se az ott látható megoldással adtam meg az órajelet,hanem egy KIT-ből építettem egy 1Hz-es órajel generátort.
Az 50Hz-es órajel kiváltására is van egy kapcsolás, asszem a 86-os RT-évkönyvben van, (Ha megtalálom,akkor felteszem.) ez igen pontos, de kell bele egy SAJ300T IC, ami nem tudom hogy mennyire beszerezhető. (vicsys-nek köszi a jav.-t,és bocs.)
Hi!
Haverommal már évek óta akarunk gyártani egy Nixie órát, illetve már ő egyet csinált is, de az nem lett tökéletes. Pár napja találta ezt a német kapcslást, ez elég egyszerü, 3 IC van benne, lehet rákötni DCF vevőt, ébresztőt, 6 számjegyes, teljesen érthető dolog. Tervbe van véve, hogy legyártatjuk a nyákot, ha úgy döntünk hogy megépítjük. Igaz először próbapanelen akarjuk kipróbálni egy-két részét, nem akarunk ezzel is ugy járni, mint előzővel... itt a link: http://www.jogis-roehrenbude.de/Leserbriefe/Simple_DCF-Nixie-Clock/...ck.htm Német tudás elkel hozzá, de minden fentvan a forráskód is, meg a lefordított fájl is ha jól tom. Jó olvasgatást ![]() Zoli
Helló.
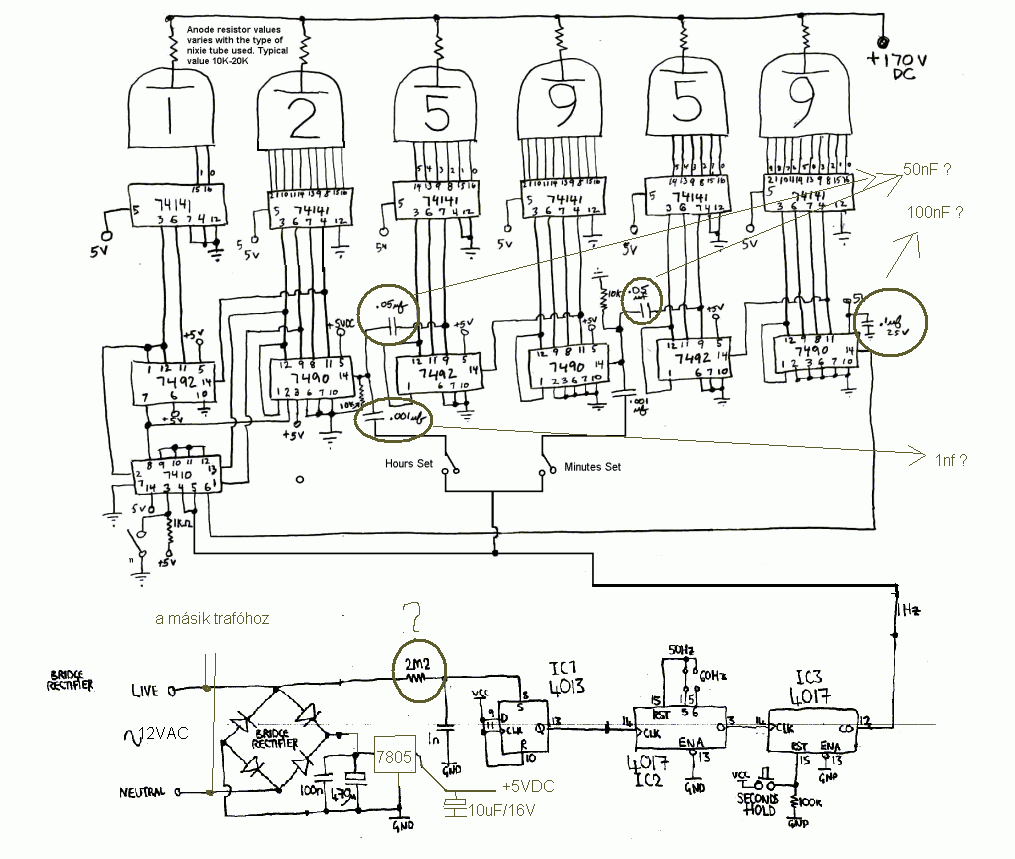
Nem rosz a kapcsi, meg egyszerű is. De ebbe is PIC-van...( ami nemm felltétlen baj) Nah megmutatom hogy mit ollóztam össze. Szerintetek így működne?? Már csak azoknak a kondiknak az értékeit nem tudom. Szerintetek mi lehet? A másik hogy abból a kapcsibol ahonnan az 1Hz-es órajelgenerátort kiolóztam, ott a srác a 240-voltos hálózatból vette a jelet. Gondolom az első trafóról azért sokkal biztonságosabb. utána meg mehet a delej a fordított 2x115V+12v-os trafóra. De nem tudom hogy az a 2m2-es ellenállást milyenre kell cserélnem ha csak 12V-ról veszem a jelet le. hány voltnak kekll annak lennie? 470ohm? mint a másik kapcsolásban?? Üdv mindenkinek... Isa Idézet: „Már csak azoknak a kondiknak az értékeit nem tudom. Szerintetek mi lehet?” az amiket oda írtál értéknek biztos, h azok. mF=µF az egyik 7490-en az 5V on és a gnd-n, az tuti 100nF (zavarmentesítésnek) szal ebből kiindulva a többit is eltaláltad ![]() 2m2 R-t :nemtudom:
A kondik értékeit eltaláltad, mivel a rajzon minden µF-ban van megadva ezért 1000-el való szorzás után nF-et kapsz.......
De nem tom mért akarod a hálózatról az órajelet venni??Ha a második trafó 230-áról veszed le az 50Hz-et akkor biztonságos lesz,e hogy nem lesz pontos az tuti(valamivel mindig 50 Hz- alatt lesz) De nézd meg ezt: http://www.mcamafia.de/nixie/ncp_en/ncp.htm én az itt látható táppal,és 1Hz-es generátorral építettem meg ugyanazt a kapcsolást amit feltettél. Ja meg van benne egy kis számoló rész is ahol az anód ellenálás értékét tudod kiszámítani Üdv Tonsil
Tény, hogy kaviccsal lenne a legjobb, de éppen az fáj isamisa kollégának, hogy nem tudja bemérni.
Egy nem beállított kvarcnál a hálózati 50Hz is jobb. Az én órám pontosan jár a hálózatról. Idézet: „Egy nem beállított kvarcnál a hálózati 50Hz is jobb” Igaz,de az 50Hz-nél jobb egy beállított kvarc.... Én innen nem látom hogy kinek mije van otthon.... |
Bejelentkezés
Hirdetés |






vagyok enny csövet berakni
egy órába !











