Fórum témák
» Több friss téma |
Sziasztok!
A kerdesemaz lenne,hogy : Van 8 adatvonalam(EPROM). Egeteskor az LPT adatvonalakra kellene kotni (ne JMP-vel ). Egetes utan meg 8 LED-re. Gondoltam hogy berakok 74LS07 ismetlot(ami a bemeneten ,az a kimeneten is),ezen vezetem at az LPT -rol az adatokat,mikor leszedem az ismetlorol a tapot,akor megszunik-elvileg - a kapcsolat az EPROM -al,ugyanakkor bekapcsolnam a masik ismetlon a tapot,ami a ledekkel csinalna kapcsolatot. Rajzom egyelore nincs ha nem voltam ertheto akkor kovetkezoben beszurok rajzot is. Mennyire alkalmazhato megoldas ez igy? Koszi!
Alkalmazhato ez igy? Elcsusztak a tapok,az ismetlohoz jonnek..
Az a helyzet, hogy az EPROM kimenet sztem nem bírja el a LED-et: ahogy az egyik adatlapban néztem, ha low a kimenet, akkor 2,4mA-t tud nyelni, ha high, akkor csak 400uA-t tud kiadni. Következésképpen, az összes kimenetre kell a buffer (Te ismétlőnek hívod) és azzal kell a LED-eket meghajtani. Az LPT felőli buffer mehet a bemenetekre, és ha nem zavar hogy a LED-ek mindig villognak, akkor így jó lesz. Arra gondolj, hogy a 07-es az open kollektoros, tehát felhúzó ellenállások kellenek.
Tkp Neked kétirányú buszmeghajtó kellene. Idézet: „ az összes kimenetre kell a buffer (Te ismétlőnek hívod) és azzal kell a LED-eket meghajtani. ” Igen,ahogy most utobb be is szurtam a 'rajzot',minden kimenetre buffer lesz. Mivel nem akarom hogy a LEDEk villogjanak,igy olyan formaban akarom levalasztani ahogy irtam es lerajzoltam ![]() A rajzolt formaban jo lesz? Open kollector,tehat +ra jon egy ell.?
Igen, a +felé kell felhúzni az összes kimenetet, hiszen csak "lefelé" tud húzni a kimenet a 07-nél. Ez a LED-eknél előny, az LPT felőli működésnél hátrány, mert a felhúzó ellenállást is kell hajtania az EPROM kimenetnek. Ezért javasoltam a buszmeghajtót (LS245) az LPT felől, mert ez 8bites és tri-state, tehát kikapcsolható a kimenete (3.állapot=high Z) olyankor mintha ott sem lenne.
Hello/
Lenne egy kérdésem, de nem akarok neki új topicot nyitni, mert valamennyite idevág. Egy mikorvezérlőt akarok összekötni egy ADC-t meg egy USB vezérlőt. 8 vezetékem van. Úgy szeretném összekötni hogy az ADC->USB adatirányt tudjam használni, máskor meg a mC<->USB kétirányú forgalmat. (ADC<->mC nem kell) Gondoltam hogy simán nem lesz jó ha összekötöm a vezetétkeket , hanem két buffer/driver-t kell használnom, ahogy a csatolt ábrán van pirossal. Ezt a két buffert pedig a mikrokontrollerrel vezérelném, és így egyszerűen leválasztom az egyikkel az ADC-t, felcsatolom a kontrollert, a másik irányú fotgalomnál pedig leválasztom a kontrollert és visszacsatolom az ADC-t. Szerintetek ez működik így? Van valami bevált tipust mondani, ami nem open collectoros mint itt az előző példa?
Csatoltam a rajzot.
Tovabb a KISSEPROM szerint lenne a csatolas nagyjabol. Egy helyen hasznalok invertert,bar lehet hogy az nem bir el 2 db 74LS07 -t?(Akkor meg rakok siman tranzisztoros kapcsolast.) Amit irtal azt foltetlenul megnezem,de azert meg varom ezzel kapcsolatos velemenyedet/eket. Koszonom!
LS245 : Legyszi mond el,hogy kell ezt bekotni
![]() Mindket oldalon(LPT, ledek) ezt hasznaljam? Koszi
Nincs véletlen az ADC-n és az USB-n valamilyen kimenet engedélyező láb? Azzal meg lehetne oldani a problémát...
Ha lenne akkor sem lehetne úgy megoldani, mert amikor az USB-felől a mikrokontrollerre megy az adat, akkor mindenféle leválasztás nélkül az ADC kimeneteit szembe hajtaná és az szerintem nem lenne neki egészséges. 3 állapotú kimenet kéne akkor rá, de azt nem tartom valószinűnek.
Milyen AD konvertert használsz?
Mert mondjuk tlc5510ben, tlc5540ben TDA8703 ban is van ilyen funkció
Amúgy találtam egy IC-t : tri-state octal buffer
74LS241 , LS helyett lehet HC
Igen, használd ezt mindkét oldalon és akkor 2 tokkal meg van oldva. Nézd meg az adatlapot: ezek source-ként (ahogy Te kötötted a 07-est aLED-ekre, de az mint mondottam így egyáltalán nem műxik) 12mA-t képesek adni, de sink módban (amikor a LED-ek a táp felé vannak) akkor már 24mA!-t. Ahogy a nyákterved jobban enngedi, kijelölöd az egyik oldalt bemenetnek, a másikat kimenetnek és a DIR lábbal kijelölöd az irányt amit választottál, amikor eldöntötted melyik oldal lesz a bemenet.
Az E (enable) bemenettel meg ki tudod kapcsolni a kimeneteket (high Z=nagyimpedancia) módra, ekkor mintha ott sem lenne. Szóval a rajzodat így meg se kíséreld megépíteni, mert nem műxik: a LED-ek csak a táp felé lehetnek az open kollektor miatt, hiszen ez egy talajra kötött emitterű, kivezetett kollektorú tranyót jelent. Ebből villany ki nem jön, csak a talajra tud kapcsolni terhelést. Ugyanezért az EPROM bemeneteit sem fogja hajtani, mert nincs ami a logH szintet adná.
Gory, Neked is a 245-ös buszmeghajtót tudom ajánlani. Ha az ADC-d tri-state kimenetű az jó, akkor oda nem kell plusz meghajtó.
Max118-at fogok használni, van bene 3 állapotú kimenet funkció, csak még nem találtam meg az adatlapban mivel lehet kapcsolni. A másik helyen azt a szerintem 74LS245-öt fogom használni, köszi a segítséget mindenkinek. A digitális szkóp projectben majd fenn lesz a teljes kapcsolás.
Koszi szepen!
Buszmeghajtot fogom hasznalni. Miutan lerajzolom berakom ide is hogy jo vagy sem... Idézet: „ Ugyanezért az EPROM bemeneteit sem fogja hajtani, mert nincs ami a logH szintet adná. ” Mar csak az ujabb ismeret kedveert : felhuzo ellenalasokkal sem megy az emlitett dolog?
Dehogynem megy, csak nem célszerű, mert ugyan kiapcsolod a 07 tápját, de a felhúzó ellenállás ott marad a (már kimenetnek használt) lábon, tehát még azt is hajtania kell. A LED oldal az jó lenne, csak a táp+ felé kell kötni a LED-eket.
Koszi
![]() tehat akkor a bekotes: LS245: Bus B adat --> Bus A iranyban : E=L,DIR=L vagyis E=0, Dir=0v Bus A adat --> Bus B iranyban : E=L,dir=H vagyis E=0, Dir=+5v Isolation : E=H,DIR=X E=+5v,Dir=?? Mi jon az utolso sornal a Dir-hez? A tobbi jo?
Atolvastam az LS 245 adatlapjat.
Most mar vilagos a L,H(0-0.8, +5V),de az X meg mindig nem vilagos ,hogy azt hogyan kell.Amit meg nem ertek az a 'Test Conditions' -nal az CL,RL; mi az?
Az "X" a digit igazságtáblákban = irrelevant, tehát mindegy milyen szint van rajta. Az (output) enable mindig felülbírálja.
Az én adatlapomon nincs "test conditions" ne törődj vele, ennél több infó nem kell.(talán a low állapot kapacitás és/vagy ellenállás terhelhetősége)
Ok.
Koszonom! Megprobalom kilogikazni a kapcsolast es ha elkeszultem, akkor orulnek ha atnezned hogy helyes vagy sem,hogy potyara ne dolgozzak az aramkor epitesen. Majd berakom ide a kepet. Udv,gtk.
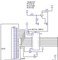
Nos itt lenne a kapcsolasi rajz ezen resze ami ide tartozik.(azt hiszem elfer ebben a topikban ,hiszen ha jo,akkor egy digi,kapcsolo alkamazasra pelda..)
Beszurom az OE-t ado aramkort is,- a KISSE. resze-, hogy atlathatobb legyen.Eleg fesz.-t biztosit hogy a megfelelo szinteket beallitsa,vagy modositani kell?? Az 555 egy masik aramkozbol van.Erre gondoltam,hogy ez adna az orajelet a LEDes jatekhoz majd.Ezt is osszefuggesbe kellene hoszni ugy az OE-vel,ugy,hogy amikor OE=0v, -vagyis be van kapcsolva az EPROM kimenet-, akkor induljon a timer.(Gondolom a fenti 555 kapcsolas eleg nagy sebesseg tartomanyban allithato orajelet tudna biztositani..) Varom velemenyed/eket.
Meg mindig nem ertem ezt a (output) LOW/HIGH dolgot,hogy hogy is van.
Remelem jol kotottem be mindket IC-t,es a LEDek is jo iranyban vannak(?) Egy picit modositottam ..,egy inverter -ert nem akarok egy IC-t betenni,igy atalakitottam Tr kapcsolasra.A Tr kapcsolas inverter szeruen kell(ene) mukodjon. Csatolt rajzon a T4-es kapcsolas. Jo lesz igy? -heelp mee- Idézet: „ Nézd meg az adatlapot: ezek source-ként (ahogy Te kötötted a 07-est aLED-ekre, de az mint mondottam így egyáltalán nem műxik) 12mA-t képesek adni, de sink módban (amikor a LED-ek a táp felé vannak) akkor már 24mA!-t. ” A source lenne a HIGH szint,meg a sink a LOW szint? Ha igy van,akkor a LEDeket + fele kellene kotni ,igy nagyobb aramot tud adni az IC.(ahogy TE is irtad) 1.kerdes: A->A,B->A irany mindegy hogy hogy van?,ettol fuggetlen a HIGH,LOW szint? 2. kerdes,hogy ha tap fele kotom.akkor meg kell forditani a LED polaritasat(tahat LEd +laba tap felol,- laba IC felol jon?)? 3. ebben a formaban ha jon az EPROM-bol az 1 szint,akkor egni fog a led vagy sem(ez egy picit zavaros meg nekem,-nem szeretnem ha forditva mukodnenek a ledek - )Bocsi hogy picit hosszu lett. Mar az aramkor befejezese fele tartok,de ezekre az infokra meg szuksegem van. Koszi!
Az adatlapot nezve erre kovetkeztettem:
HA DIR = LOW,akkor kimenet = LOW HA DIR = HIGH,akkor kimenet = HIGH Tehat akkor a fenti kapcsolas eseteben a LEDeket a + fele kell kotni,mert a DIR = LOW. Akkor: LED +(+5V) laba + felol, - laba - felol? Nem fog az EPROM-bol kijovo 0,1 szinttel ellentetesen egni?(ez nem lenne jo ) ha + fele kotom?; 1-nel kellene egjen,0-nal nem.
Nos sajnos olyan xar netem van hogy 6. probalkozasra toltotte be ezt az oldalt felig!
A pont mkndenkeppen Neked jar; Szerettem volna meg az utolso kerdeseimre valaszt kapni,..foleg arra hogy jo-e a bekotes,es a tranzisztoros inverter megoldas mennnyire fog mukodni es az LH iranyok jok-e.
én nem bonyolítanám így túl a dolgot, presze lehet h nem jó amit én gondolk:
lpt portból 1-4.7kohmmal bele ahova kell (eeprom), emprom és az ellenállás közé egy 74hc00 az egyik egyik kapu egyik bementeére, ~5V vagy ~0V (ez a kapcsoló) az össszes kapu másik bemenetére. kimenetre a led ~270ohmmal a 5V-ba. ennyi, persze nem 100%, hogy jó lenne. kipróbálom ha lesz időm..... valszeg ha a eepromnak nem kell nagy áram (tehát elég ami átfolyik az ellenálláson) akkor müxik...
Megfontolom az otleted!
Mar elkeszult a panelrajz is,ugyhogy ezt mostmar osszerakom.Az en elmeletem szerint mukodnie kell,majd meglatjuk. Udv, gtk.
lenne még egy másik jobb ötletem szintén 1 icvel, de + diódákkal meg ellenállásokkal, (sokkal).
|
Bejelentkezés
Hirdetés |





, hanem két buffer/driver-t kell használnom, ahogy a csatolt ábrán van pirossal. Ezt a két buffert pedig a mikrokontrollerrel vezérelném, és így egyszerűen leválasztom az egyikkel az ADC-t, felcsatolom a kontrollert, a másik irányú fotgalomnál pedig leválasztom a kontrollert és visszacsatolom az ADC-t. Szerintetek ez működik így? Van valami bevált tipust mondani, ami nem open collectoros mint itt az előző példa? 

,hogy azt hogyan kell.
ne törődj vele, ennél több infó nem kell.







