Fórum témák
» Több friss téma |
- Ez a felület kizárólag, az elektronikában kezdők kérdéseinek van fenntartva és nem elfelejtve, hogy hobbielektronika a fórumunk!
- Ami tehát azt jelenti, hogy a nagymama bevásárlását nem itt beszéljük meg, ill. ez nem üzenőfal! - Kerülendő az olyan kérdés, amit egy másik meglévő (több mint 17000 van), témában kellene kitárgyalni! - És végül büntetés terhe mellett kerülendő az MSN és egyéb szleng, a magyar helyesírás mellőzése, beleértve a mondateleji nagybetűket is!
Szintén hibás, felcserélted a táp két ágát, nincs be és kimenet.
Nem. Egyrészt nem otthon vagyok és most csak megnézni tudom a rajzot, másrészt ez egy nagyon egyszerű rajz, nyugodtan kezd el előröl. Közben pedig tapasztalatot és gyakorlatot is szerzel.
Üdv! Nekem az lenne a kérdésem, hogy a képen látható műszerben miért van az a kis tekercs sorba kötve a műszerrel. És, hogy miért akad ki a műszer akármekkora feszre? Még a multiméter diódavizsgálójára is. Vagy ez a műszer csak előtét ill. söntellenállással használható? Köszi
Szia!
Idézet: „Vagy ez a műszer csak előtét ill. söntellenállással használható?” Pontosan, ez csak egy alapműszer.
Csak mert van egy ampermérőm is ilyen. Abban eleve benne van a sönt. Köszi!
Üdv mindenkinek!
Van egy 200W-os erősítőbe szánt trafóm. Az egyetlen baj vele h 110V-os. Mit lehetne vele kezdeni, hogy 220-ról is menjen? Tudom tekerjem át de ez nem megoldás, valami más 'trükk' kéne.
Hátha van egy másik 230/110V-os, akár autótrafód..
Sziasztok!
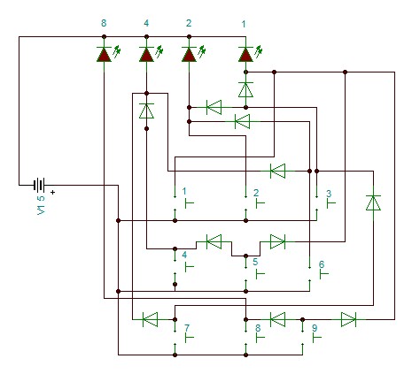
Szeretnék készíteni egy dec -> bin 9 jegyű billentyűzetet. A melléket rajzot össze is hoztam és működik is, de nem tetszik a sok dióda. Ezt meglehet oldani elegánsabban? (a rajzot igen, ezt gyorsan csináltam)
Ha nem akarod áttekerni akkor csinálsz neki 110VAC-t.
Vagy szerzel másik trafót.
Pl. itt néz körül: Bővebben: Link
Köszönöm.
Csak egy kérés: 74LS147-nek kellene a CMOS megfelelője.
Köszi!
74HC147 van is itthon. Megvan a hétvégi program
Hello!
Úgy fest bénaságom határtalan. Van egy kapcsolási rajz, amit nem sikerül megcsinálni. Próbapanelen, NYÉKba forrasztva se, sehogy se. MIvel próbepenelt nem sokat használtam (most vettem nemrégen) nézzen már rá valaki, hogy mekkora hülyeséget csináltam. Az első kép a kapcs rajz. A második, meg ahogy én beültettem a próbapanelbe, meg a NYÁKba is. Jó ez így? vagy valamit elbaltáztam? Van valami okos szabály arra, hogy a rajzot hogyan érdemes beültetni a próbapanelbe? (én úgy próbálkozok, hogy megkeresem a "csomópontokat, amik a NYÁKon is egy csík lenne. Ezek a lábak lesznek 1-1 vízszintes sorba beültetve. ) A harmadik kép ezt mutatja, színezve és számozva a sorokat. http://kepfeltoltes.hu/110325/KapcsRajz1_www.kepfeltoltes.hu_.jpg http://kepfeltoltes.hu/110325/kapcs2_www.kepfeltoltes.hu_.png http://kepfeltoltes.hu/110325/Indexvillog_Szineszve1_www.kepfeltolt...u_.jpg
Hi!
Most megpróbáltam más módon beépíteni a panelba, de most sem működik. (eddig csak sípolt, most meg sem szólal). Nem tudom mit csináljak. 3dik kapcsolást próbálom megcsinálni és nem működik. Lenne itt még egy : http://bsselektronika.hu/album.php?src=rajzok/indexvez2.gif&x=555&y...z&lst= Véleményt szeretnék kérni rá. Nekem (jelenleg) 24Vra kellene rákötni. Gondolom, hogy akkor a tranzisztornak kell elég nagynak lennie, valamint ami az 555höz kellene valamivel kisebb feszültség. Meg lehet ezt tenni valahogy? UI: tudom, hogy nem a kapcsolás a hibás, de ha 5dik összeszerelésre sem tudom életre kelteni, akkor nem tudom mit tegyek.
Kicsit fel kellene turbóznom a bemérő tápomat. Diódahidak bekötésével kapcsolatban kérem a segítséget!
Van egy leválasztó trafóm, aminek ~2 x 12V kimeneti feszültsége van, illetve 2db 60A-es diódahidam. Kétféle módon szeretném használni a tápot: 1. amikor a leválasztó trafó kimenetei párhuzamosan vannak kapcsolva 2. amikor a leválasztó trafó kimenetei sorba vannak kapcsolva Milyen formációban lenne a legjobb a diódahidak bekötése? A két felhasználási mód közötti átkötözés nem akadály, a legjobb megoldás érdekelne, hogy közel egyformán legyenek a diódahidak terhelve, ha kidől az egyik, ne hasaljon el minden, stb. A mérendő rendszer 12V-on ~50A egyenáramot vesz fel csúcsban, amit nem órák hosszan, de 5-10 perc között tartósan szeretnék járatni is. A diódahidak hűtése egy bitang nagy bordával megoldott, szükség esetén akár vízhűtő körre is tudom kapcsolni. Még annyit, hogy a kimenetek sorba kapcsolására azért van szükségem, hogy emelt tápfeszültségről is meg tudjam nézni, hogyan viselkedik az áramkör. (Terhelésnél beesik a bemérő táp feszültsége pár V-ot, sorba kapcsolás nélkül nem tudom emelt tápfeszről teljes terhelés mellett járatni.)
Sziasztok!
Heli potit mikor érdemes/kell használni? Nem valami olcsók, de a hagyományos tengelyes potik főleg a műanyag házasak elég
Szia!
Akkor érdemes használni, ha nagyon fin finom és pontos beállításra van szükséged.
Erre tippeltem.
Akkor lehet, hogy a tápomra ilyen potit teszek. Viszont van egy gondom. Az adatlapon a 100 ohm potihoz az van írva, hogy 10-100 ohm. Vagyis nem lehet nullára tekerni?
Szerintem az akarja jelölni, hogy 10-100 OHM-ig jó mindegyik. De , nem tudom. :pirul: :yes:
Üdv!
Privátban kérted tőlem a hangszínszabályzós nyákrajzot, mert kételkedtél a jpeg képem helyességében. Mondtam, hogy miként tudod ellenőrizni a méretet, de sebaj. Itt van a nyákterv.
Az egyenirányított feszültségeket kellene sorosan/párhuzamosan kötni... Szerintem ez a legegyszerűbb.
Idézet: „Szerintem az akarja jelölni, hogy 10-100 Ω-ig jó mindegyik” Ezzel most mit szerettél volna mondani? Ne bántsd szegény srácot. Annyira lelkes csak túl mohó. Közben rájöttem, hogy lehet elnéztem valamit. A forgalmazó úgy adta meg a főcímben, hogy 100/10 ohm. Én ezért kezdtem el gyanakodni, de az adatlapon Bővebben: Link én nem találtam olyan utalás, hogy a 100 ohm potinak 10 ohm lenne az alsó határa. Persze lehet, hogy vak vagyok.
Szerintem a 10 azt jelenti hogy 10 fordulat alatt jut el az egyik végállástól a másikig, azaz 0-tól 100Ω-ig.
|
Bejelentkezés
Hirdetés |













