Fórum témák
» Több friss téma |
- Ez a felület kizárólag, az elektronikában kezdők kérdéseinek van fenntartva és nem elfelejtve, hogy hobbielektronika a fórumunk!
- Ami tehát azt jelenti, hogy a nagymama bevásárlását nem itt beszéljük meg, ill. ez nem üzenőfal! - Kerülendő az olyan kérdés, amit egy másik meglévő (több mint 17000 van), témában kellene kitárgyalni! - És végül büntetés terhe mellett kerülendő az MSN és egyéb szleng, a magyar helyesírás mellőzése, beleértve a mondateleji nagybetűket is!
Hopp el is felejtettem hogy nem csak LS van hanem más is, és nem is kerestem, köszi. Innentöl menni fog(remélem), ha nem akkor még írok.
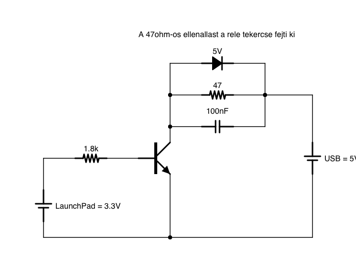
Sziasztok,
Eredetileg itt tettem fel a kérdést, de úgy látszik az a topic már halott. Vettem egy launchpadet (Link) és annak ez egyik digitális kimenetéről szeretnék meghajtani egy relét. Csatoltam az áramkört, ami szerintem el tudná látni ezt a feladatot. Ahogy én okoskodom, az 1,8k-s ellenállás (B=100-nál) szaturálja a tranzisztort vagyis a relére jutna az 5V feszből szinte az összes. A védelmi diódát és a 100nF-os kondit a másik fórumban elhangzottak szerint bekötöttem. - Fog-e ez így működni anélkül, hogy agyonölné az alaplapom/usb portom? - Miért pont 100nF-os kondi kell? - A dióda 5V-os kell, hogy legyen? Milyen tipust lenne célszerű használni? Köszönöm a segítséget!
csak annyi lenne hogy szeretnék csinálni egy a képen látható USB-s toldót, (anya,anya)
annyit mondjatok meg légyszi hogy úgy vannak e összekötve ezek ahogy én pirossal behúztam vagy valahogy máshogy ? esetleg valaki tud hozzá rajzot? bocsi de bizonytalan vagyok és nem szeretném elcseszni a telómat.
Sziasztok
El tudná valaki, röviden magyarázni, hogy hogyan néz ki egy réteg ellenállás, és egy huzal ellenállás? Pl. réteg ellenállásnál mit jelent a "beköszörülések helyigénye", és huzal ellenállásnál a "D" miért nagyobb, mint a "d", ha egyszer az testen van rajta a huzal? Legalábbis én így képzelem el. D: ellenállás test átmérője d: huzal átmérője Köszönöm
Valaki elmagyarázná nekem , hogy hogy működik az alábbi kör? Azt értem, hogyha benyomjuk a startot akkor a kontaktor meghúz és a teljesítményérintkezők zárnak.
Amit nem értek: üzemzavar esetén hogy működik a lámpa, illetve alapjáraton hogy működik? A motorvédő segédérintkezői, hogy működnek? Ha megnyomom a startot a vezérlőáramkör hogy záródik? Hiszen Q2 motorvédő segédérintkező nyitva?! Szóval amit nem értek az főként az hogy hogyan vezéreljük a motorvédőt és hogy a vezérlő á. kör 2 ágában a Q2 záró és Q2 bontó hogy működik? Köszi a választ előre is. Még most tanulom, úgyhogy sorry ha balgaságokat kérdezek. A 0002-es kép a vezérlő á kör (24V DC ).
Sziasztok egy nagyon egyszerű dologban kérném a segítségeteket takarítás céljából széthúztam a strobimat de nem néztem mi micsoda
ac/n ac/l ac/e igy vannak sorban és szeretném tudni ebből melyik a 230 és melyik a test valaki megmondaná megköszönném mert ezek a /-es jelöléseket nem találtam. Köszönöm
Sziasztok! Van két ilyen ütemre vilogó fénycsövem ha jól tudom a hangfal kimenetre kell kötni! De látszik rajta, hogy elfüstölt pár dolog rajta mivel nincs benne sok cucc ezért gondoltam, hogy megépíteni az egészet újra! És még arra lennék kíváncsi, hogy milyen tápforrásról tudom külön megnézni a fénycsövet, hogy működik e? Köszi!
Sima toldónál azonos kell legyen a kiosztás: 1-est az 1-esre, 2-est a 2-esre stb. Multiméterrel ellenállásmérő állásban ellenőrizheted.
Ami a képen van, azt hátulról nem látom, így nem tudom, hogy jó-e a rajzod.
A rétegellenállás: Kerámia hordozóra vezető réteget gőzölnek. A pontos értéket spirális köszörüléssel állítják be. Képzelj el egy hengert, aminek a palástja felől, mintha egy menetet vágnának bele.
Huzalellenállás: Kerámia hordozóra vezetéket tekernek fel, mint egy tekercsnél. Az átmérőkről: nyilván kisebb kell legyen a vezeték átmérője, mint az őt hordozó test. Próbálj meg egy 10mm-es huzalt rátekerni egy 2mm-es testre.
Szerintem jó így a rajzod, és fog is működni. DE: nagyon nem mindegy a tranzisztor típusa!!
Pl: ő jó lenne: Bővebben: Link Diódának pedig ez: Bővebben: Link
Hello. van 2d 6V 10ah-s akksim. Ha lemerülnek egy pc-táp +12 és +5V-ja között található 7V-tal szoktam tölteni.A 12V-ot egy izzóval tarhelem így lehet áramot szabályoyzni. Az egyik jó is szépen veszi az áramot A másikra viszont ha rákötöm a tápot egyből leold. Eléggé le van merülve csak 4V van benne. próbáltam hogy nagyobb áramot adok(nagyobb izzó a 12V-on de úgy is leold.) Mi lehet kuka az akksi? A másik is volt már ilyenyyire lemerülve és szépen feltöltötte.
köszi akkor úgy csinálom ;D de mindkettőből ufyanolyan szěnű vezetékek jönnek, akkor pedig csak színt színnel kell kötnöm , ugye ? mármint zöld zöl piros piros fehér fehér fekete fekete.
Jó esetben igen, de azért ha ránézel egy multiméterrel is, akkor tuti jó lesz. Az a plusz két perc talán megéri, hogy ne dobd ki a telódat!
Kösz szépen, akkor olyanokat fogok rendelni. Azt meg tudná valaki mondani, hogy a 100nF-os kondi miért pont 100nF? Illetve ebből valami konkrét tipust vegyek, vagy bármelyik 5V-os jó?
Egy ellenálláson vagy kis izzólámpán keresztül add rá a feszültséget, ami korlátozza az áramfelvételt.
Sziasztok!
Adott egy régi AIWA hifi, a CD-tár és a magnó deck-ek rég bekrepáltak, de a rádió, és főleg a vonalbemenet príma rajta. Eddig a PC volt rákötve amolyan erősítőként, saját 40W-os hangfalaival gyönyörűen szól. A kérdésem, hogy az ilyen hifiket meg lehet-e csinálni szivargyújtósra, vagy egyszerűbb és biztosabb autós invertert használni? Nem nagyon tudom mekkora inverter kellene, az egész hifi csak mint erősítő működne egy hangfalával. Megéri szenvedni az átalakítással, vagy használjak invertert? Ahogy nézem egy kis átdobozolással és a CD/magnó rész elhagyásával tök laposra lehetne építeni, amolyan szegény ember erősítőjévé.
Rendes akkutöltővel adtunk rá egy kis szuflát most már a táp is viszi.
Másik kérdés. A motorba két darab 6V10Ah-s akksi van. Ezek sorba vannak kötve hogy 12V-om legyen. Viszont van a töltő a motorban ami valamiért nem működik(elektronikus) így arra gondoltam hogy nem 3 tekercsről hanem csak egyről kapná a töltés egy sima diódán át( a gyújtás kisfesz része 3 tekercsből áll sorba vannak kötve így 12V 60W hozható ki belőle) és hogy csak 1 tekercsre van kötve az ~20W ami körül 1,5A. De mivel a indexek+ féklámpa sűrűn használva van így szerintem a másfél amper állandó töltést elbírja a két akku. Javíts ki kérlek ha nagy hülyeséget írtam.
Mindenképpen érdemes lenne a gyári töltést megcsinálni, nehogy füstbe borulj a barkácsolás után.
A gyári töltés egy dióda meg egy tekercs. Ezt kivettem mert hiányzott a tekercs most egy elektronikus volt. annak az a baja hogy csak nagy fordulaton kapcsol be. Eleinte alapjáraton is töltött de most már csak 7-8E fordulaton tölt.
Sziasztok
Van egy cd-s magnó, bekötve halványan világít de nem mutat reakciót egyik gomb megnyomására sem ! Lehet hogy valamelyik központi IC szállt el vagy csak kondi hiba lenne?
lehet hogy valahol zárlat van és nagyon leterheli az amúgy is aprócska trafót. Először szerintem nézd á a trafótól jövő feszültslgeket majd az egyenirányítás után.
Sziasztok
AVR-el szeretnék vezérelni egy kismotort. Úgy szeretném megoldani, ha az avr egyik lába +5V-ra áll, akkor egy megfelelő ic-n keresztül a motor jobbra forog, viszont ha az AVR ugyanazon lába 0-ra áll, akkor a motor polaritása megfordul, azaz balra forog. Tudtok ilyen IC-t, vagy valamilyen más áramkört mondani nekem? Üdv, yoman
Szia!
Ehhez miért akarsz kompjútert használni?Bővebben: Link
Helo mindenki csak azt szeretném kédezni hogy azonos tekercsnél azonos teljesitménynél a váltóáramú vagy az egyenáramú elektromágnes az erősebb?
Az egyenáramú az erősebb.
Szerintem ez kell neked: h-híd vagy Ba6208, 6209 ic valamelyike.
Sziasztok!
Tud valaki olyan programot ami egy hét változós logikai függvény egyszerűsítésére képes? Köszönöm
Szia,
Dobd fel a függvényt, szerintem megoldjuk. Vagy keress rá így: minterm, maxterm. |
Bejelentkezés
Hirdetés |
















