Fórum témák
» Több friss téma |
- Ez a felület kizárólag, az elektronikában kezdők kérdéseinek van fenntartva és nem elfelejtve, hogy hobbielektronika a fórumunk!
- Ami tehát azt jelenti, hogy a nagymama bevásárlását nem itt beszéljük meg, ill. ez nem üzenőfal! - Kerülendő az olyan kérdés, amit egy másik meglévő (több mint 17000 van), témában kellene kitárgyalni! - És végül büntetés terhe mellett kerülendő az MSN és egyéb szleng, a magyar helyesírás mellőzése, beleértve a mondateleji nagybetűket is!
Szia!
Milyen feszültségen akarod táplálni a fogyasztót, és mekkora a maximális áram, ami átfolyhat rajta? R=U/I Kaqukk megmondta, hogy mit kell csinálni. Üdv! Balázs
1000 hála és köszönet!!Akkor jól gondoltam!!Majd felteszem az eredményt.
Nálam az adapter az a fekete házú cucc ami jó nehéz és kis áramú DC-t ad.
A mobilltöltő az mobiltöltő.
Üdv az a kérdésem hogyan lehet egy vezeték nélküli mikrofont rákötni egy erősítőre, aminek nincsen külön semmilyen bemenete úgy általánosságban
A bemenet nélküli erősítő az meg mi?
Nincs külön aux bemenet rajta . Vagy mikrofon bement, mármint gyárilag ( átfogalmazom hifi toronyra kellene )
Milyen frekvencián működik a mikrofon? Vagy ha nem akarod a rádiós funkciót használni, akkor átalakíthatod a mikrofont vezetékessé és belekötheted a hifi hangerőszabályozója elé.
Van hozzá miden. Vevö meg minden csak nincs a hifin bemenet és szeretném valahogy rákötni
Na, hát kösd be a vevő kimenetét a hangerőszabályzóra. Ha ilyen nyomkodós digitális hangerőszabályzója van a zenegépnek, akkor az egy fogósabb helyzet.
Hello!
Kicsit homályos a kérés. De ha netán az lenne, hogy hogyan lehet egy pozitív jelhez egy negatív előjelet hozzáadni, akkor.. Készíts egy kivonó áramkört. Ha a +1,6V-ot az U2 bemenetre adod, és a negatív feszültséget az U1-re, akkor az össze adja a kettőt. üdv! proli007
Sziasztok,
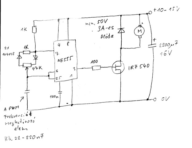
Csináltam egy ilyen (melléklet) kapcsolást egy irfz 44N -s fettel ami jól is működik. (Csavarom a potit változik a fényerő egy 55W égőn) Most az 555IC-t kicseréltem egy 16f877 es picre és azon csináltam egy pwm meghajtást. Így külön ez is működik mert egy ledet rákötve tudom annak fényerejét változtatni. ha a led helyére berakom a fet gate-jét akkor viszont csak egyszer bekapcsol és végig nyitva is marad, hiába változtatom a kitöltést az égő max fényerőn világit. Mitől lehet ez?
Hogy kell használni ezt a fénykábelt? Kell hozzá valami csatlakozó, hogy működik? Bővebben: Link
Köszi, ez megoldotta a problémám.
lenne még egy kérdésem hogy ez az említett fet 15 amper átengedésénél mennyire melegedhet? Mert jelenleg kevesebb (2-3 Ampernál) is gyorsan forrósodik.
köszi, és ha ezt beteszem akkor elvileg nem fog annyira melegedni? És ha igen akkor mért?
![]() Amúgy jelenleg csak bc337 es tranzisztoraim vannak itthon. Úgyhogy nem tudom kipróbálni majd veszek másik fajtát is.
Jelenleg?
![]() Rákötöttem a pic lábára egy 100 Ohmos ellenálláson keresztül direktbe. Hétfőn bemegyek a boltba aztán veszek alkatrészeket és megépítem.
Sziasztok!
Van egy nagyon amator kerdesem.Szuksegem lenne egy jo nagydarab magnesre,talaltam is megfelelot egy Fischer subwoffer belsejeben,gyakorlatilag szetszedtem mar,de a magnes korlu van egy csomo olyan lemez ,amit sehogyan sem tudok leoperalni rola.Valamilyen ragasztonak a nyomait latom rajta.Van valakinek valami marha egyszeru technikaja ,amit konnyuszerrel alkalmazhatnek,hogy megszabaduljak a folosleges lemezektol???? Elore is koszonom!
A második tranzisztor helyett nem lenne jobb egy CD400x kapuja? Esetleg a két tarnzisztor helyett egy műveleti erősítőből felépített komparátor 2.5 V komparálási szinttel? Az 555 is felhasználható szintillesztőnek, az már úgyis megvan... Ezek mind az alacsony mind a magas szintet kis impedanciával hajtanák meg.
Az r7 kel bele? Mit csinál az? Tettem bele egy 10 Ohmost, az elfüstölt :s most Kipróbáltam nélküle. Működik. És nem is melegszik. Azért hétfőn összeállítom azt amit először küldtél.
Akkor működik! Maradhat így vagy megépítsem amit először küldtél?
Akkor marad
köszi az infokat.
Sziasztok!
Valaki tud segíteni, abban, hogy hogyan kell használni a dugdosós panelt, vannak-e fontosabb szabályok, vagy van-e valahol pontos leírás róla?? Köszi!
Sziasztok!
Ismét egy kis segítséget szeretnék kérni egy vezeték hosszának a számításában. Kéterű vezetéken zárlat keletkezik, a két vezetőér összeér. Méréssel megállapítjuk, hogy 7,2V hatására 9A áram folyik a 1,5mm2 rézvezetéken, melynek fajlagos ellenállása 0,0175 ohm*mm/m. Milyen távolságra van a zárlat a mérési ponttól? Az én elképzelésem szerint: R=U/I=0,8ohm l=R/? = 0,8/0.0175 = 45,714méter /2 mivel kéteres a vezeték = 45,714/2 = 22,857 méter Helyes az elképzelésem, vagy sántít a dolog? Köszönöm előre is!
Hát bizony sántít, mert I=U/R, a többi már számítható.
BÚÉK!
Sziasztok!
Szeretnék rendelni fotoellenállást, de nem tudom hogy mennyi az ellenállás tartománya.Jelen esetben egy ILYET szeretnék rendelni. A vastag fekete betűs címnél ez van írva:28/500k, az alatta lévő résznél pedig ez van írva: 12k-36k. Most melyik az igaz? Köszönöm!
Hát, igen, az adatok között van némi inkonzisztencia, adatlap meg nincs.
Annyí azért kiderül belőle, hogy olyan 15 - 35 kohm körül van az ellenállása a normál fényerő tartományban. Ha kapcsolni kell valamit fényerőtől függően, akkor egy potméterrel megoldhatod, hogy ott kapcsoljon, ahol kell. Ha mérni akarsz vele, akkor úgyis hitelesítened kell, ha pedig szabályzó körbe szánod, akkor is lehet a munkapontját előtét ellenállással megfelelően beállítani. Én nem tulajdonítanék neki nagy jelentőséget.
én mikrovezérlős kapcsolattal szeretnék kisérletezni.Ehhez viszont kéne tudni a hozzá tartozó lehúzóellenállás nagyságát, amit a fotoellenállás értékeiből tudok kiszámolni.Bővebben: Link
Az rendben is van, de a fotoellenállás értéke a megvilágítással elég drasztikusan változik, nincs különösebb jelentősége a konkrét megvilágításhoz tartozó ellenállásnak. De ezt könnyen tudod korrigálni a lehúzó ellenállással. (hitelesíted)
Lnkeden szereplő ellenállás értékénél a min 12, a max 36 kohmot veszed figyelembe. |
Bejelentkezés
Hirdetés |











