Fórum témák
» Több friss téma |
- Ez a felület kizárólag, az elektronikában kezdők kérdéseinek van fenntartva és nem elfelejtve, hogy hobbielektronika a fórumunk!
- Ami tehát azt jelenti, hogy a nagymama bevásárlását nem itt beszéljük meg, ill. ez nem üzenőfal! - Kerülendő az olyan kérdés, amit egy másik meglévő (több mint 17000 van), témában kellene kitárgyalni! - És végül büntetés terhe mellett kerülendő az MSN és egyéb szleng, a magyar helyesírás mellőzése, beleértve a mondateleji nagybetűket is!
Sziasztok!
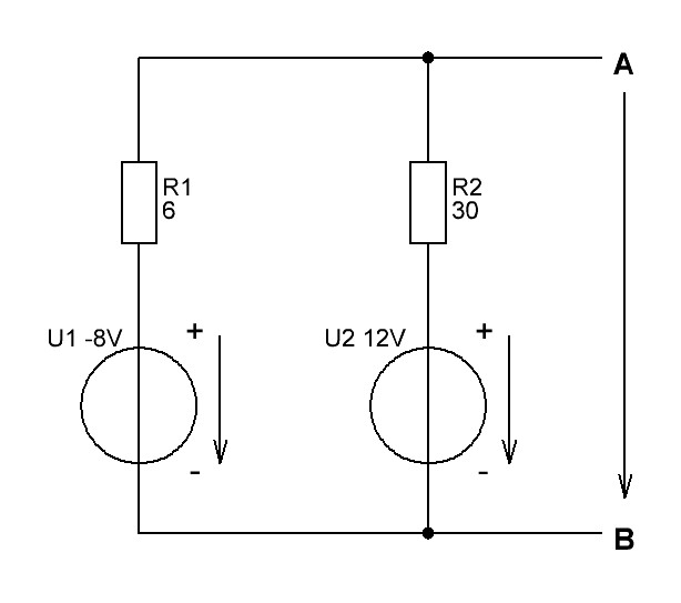
Adott a mellékelt kapcsolás. Tina szerint az AB kapocsfeszültség: -4,67V Én ezt elhiszem neki, de nem jövök rá, hogy hogyan kell kiszámolni. Tud valaki segíteni?
Igen.
Vagy csomóponti potenciálok vagy hurokáram. De én úgy emlékszem, hogy erre van egy képlet, hogy ne kelljen különböző módszerekkel keverni. Ezkek mind plusz hiba lehetőség. Én a legegyszerűbb utat keresem.
kérdeznék már én is elektronikában jártas kollégáktol olyat hogy megoldhato e hogy az akku töltse alapban önmagát? olyan cuccra gondoltam ami kapja az akkurol a feszt és az un. töltőfeszultséget adja vissza neki. esetleg 4 sarus akkunál megoldhato e? probálkoztam inverterrel + akkutöltővel de nem volt teljes a siker. tehát minimális áramfelvétel és annál nagyobb fesz leadás lenne a lényeg. elméletileg megoldhato(szerintem) kiváncsi lennék hogy gyakorlatban is megoldhato-e?(remélem érthetően irtam?!)
Már nem tudtam módosítani.
Ok. Ebben az esetben tényleg a Szuperpozíció a legegyszerübb. Végül is csak 2 fesz.osztót kell összegezni.
Hello!
Jelenleg a legegyszerűbb az, hogy van egy feszültségosztód, amit az U1 és U2 generátor feszültségének összege táplál. Ha így kiszámítod R2-őn a feszültséget, és ehhez hozzáadod U2 feszültségét, kész is vagy. De a példa szerintem a szuperpozíció tételének gyakorlására hajaz, nem a legegyszerűbb megoldásra.. üdv! proli007
Hello!
"megoldhato e hogy az akku töltse alapban önmagát?" Ezt csak Münchausen báró tudja megoldani, aki saját magát a hajánál fogva húzta ki a mocsárból.. (Mondat elején, légy oly kedves, használj nagy betűket..) üdv! proli007
Ennek a kapcsolásnak az eredeti változata 6db áramgenerátort és 7db ellenállást tartalmazott.
Én eddig tudtam egyszerűsíteni. A kérdés a max. kivehető teljesítmény és hozzá tartozó terhelő ellenállás volt. Így már megvan minden. Remélem. :hide:
Sziasztok! 230v-al hogyan tudnék egy vas rudat melegíteni?
(melegszendvics sütőhöz kellene)
Hello!
Két módon. Ha a vasrúdban egy fűtőbetét van, vagy a vasrúd, jó hosszú és vékony.. üdv! proli007
tulajdonképen egy kb 60centi hosszú vasrúdról lenne szó ami 0,8 centis vastag. Valahogyan meglehetne oldani?
És milyen vasrúd? Mekkora az átmérője?
Proli007 azt mondta, hogy jó hosszú. Itt 10m *x nagyságrendben gondolkodj. ![]() A grill sütókben valamilyen szén alapú vagy mégjobb fűtőszál van. Nem vasrúd!
Édes kevés. Legalábbis szépen grillezni.
Mér meg az ellenállását a rúdnak. Majd számold ki a teljesítményt. Durván számolva: P = 230^2/rúd ellemállás. Feltételezem, hogy "brutális" lesz az eredmény.
Pedig ugy gondoltam, hogy azon az elven meglehetne oldani, ahogy egyszer jártam a tápegységgel és egy forrasztott kábellel. Valamit véletlenül összeérintettem és akkora hő keletkezett h a forrasztás elengedte a vezetéket. Illetve történt olyan velem kb 3-4 napja, hogy egy multiméterrel ampert szerettem volna mérni egy tápegységen (12volt + föld) és a vezeték annyira felmelegedett h leolvadt róla a gumi bevonat.
Igen. Erről beszélek. Sütni nem eszetlenül kell hanem ésszel.
Vagyis, ha kijön neked egy 10-15 kW fűtőteljesítmény azzal hogyan fogsz grillezni? És akkor még a hálózat terheléséről nem is beszéltem.
Jah értem már
de akkor hogyan lehetett az hogy leolvadt a gumi a multiméter vezetékéről? Ami fokozatosan történt, kb 3-4 perc alatt jutott el odáig.
Lehet h félre értjük egymást. Nekem olyanra léenne szükségem ami felülről melegíti a szendvicset. Barátnőméknél van egy olyan és annyira felmelegszik az a vas benne hogy vörösen izzik, és néhány helyen fehér színű.
Úgy, hogy nem tudszt multimétert használni.
Félretéve a viccet! Valószínüleg nem figyeltél oda és vagy rövidzárat okoztál vagy gyenge volt a minősége a mérővezetéknek. Inkább az utóbbi, ha a multiméter életben maradt. Hagyományos multikkal 10A-ig lehet mérni és azt is csak pár másodpercig. Szóval ez is lehetett a gond, hogy "nagy" áramot mértél hosszú ideig.
Nem hiszel nekem/nekünk.
Az nem vas lesz hanem fűtőbetét. Pár 100 forint. Ha ennyire nem hiszed kapcsolj arra a vasrúdra feszültséget. DE CSAK KÉPZELETBEN!!!
Sziasztok! Azt szeretném kérdezni, hogy hogy tudok egy kapcsoló üzemű hálózati adapterrel összekötni egy foglalatot?
Milyen foglalatot? Milyen adapter? Ezek a kisebb 3-12V-os kis adapterek nem kapcsolóüueműek. Egy trafó van benne meg egy diódahíd és csók.
Szia!
Milyen adapter ez és milyen foglalat? Kicsit bővebben, ha lehet. Idézet: „Ezek a kisebb 3-12V-os kis adapterek nem kapcsolóüueműek.” És ezt ki súgta neked?Szerinted a mobiltöltők 90% hogyan van kivitelezve?
Rákötheted, csak arra ügyelj, hogy
az adapter elbírja az izzó áramát.
IZZÓ: http://www.conrad.hu/conrad.php?name=Products&pid=726102 Hogy tudom rákötni?
Sziasztok !
Rmélem jó helyre teszem fel kérdésemet ! Szóval! Adott egy nyomás szenzor aminek a kimeneti jel szintje +1.6V . A kimeneti jelszintet szeretném megemelni de nem a bemeneti jelszint emelésével ! A lényeg az, hogy van egy másik jeladó ami kapcsolt negatívval indul be ! Ezzel a negativval kellene nekem meghajtanom a kapcsolásomat úgy, hogy a nyomásszenzor kimenetét ne minuszba tolja el, hanem + ba! Ötleteket szeretnék ! Köszönöm ! Üdv !
Sziasztok még kezdő vagyok ilyen téren, hogyan tudom kiszámolni azt, hogy hány ohm-os ellenállásra van szükségem?
Két választásod van,levágod az adapter végéről a dugót és a két vezetéket a foglalat csavarjaival rögzíted vagy egy a dugóhoz illeszkedő aljzatot kötsz két vezetékkel a foglalathoz.
Papiron ceruzával , vagy számológéppel , de számítógépen is megoldható . Ilyen kérdésre csak ilyen választ fogsz kapni .
|
Bejelentkezés
Hirdetés |





(melegszendvics sütőhöz kellene) 