Fórum témák
» Több friss téma |
- Ez a felület kizárólag, az elektronikában kezdők kérdéseinek van fenntartva és nem elfelejtve, hogy hobbielektronika a fórumunk!
- Ami tehát azt jelenti, hogy a nagymama bevásárlását nem itt beszéljük meg, ill. ez nem üzenőfal! - Kerülendő az olyan kérdés, amit egy másik meglévő (több mint 17000 van), témában kellene kitárgyalni! - És végül büntetés terhe mellett kerülendő az MSN és egyéb szleng, a magyar helyesírás mellőzése, beleértve a mondateleji nagybetűket is!
Persze, hogy annyit mérsz, mivel a tranzisztor nem nyit ki, a voltmérőnek "végtelen" az ellenállása. Így a 3V3 - Bázis-Emitter feszültséget (~0,6V) méred. NPN tranzisztort úgy használunk kapcsoló üzemben, hogy az E-t földre kötjük, a C megy a terhelés egyik végére, a terhelés másik vege a tápra.
A jó tranzisztor emitterén a bázisfeszültség - a bázis-emitter szaturációs feszültség mérhető.
Köszönöm a választ!
Ha PNP tranzisztorra cserélem, akkor jó lesz? A szalag bekötése miatt a pozitív feszültséget kell kapcsolgatnom.
Elkiabáltam, ez akkor is nyitva van, ha földre kötöm a bázist. Csak akkor zár, ha lebeg a bázis.
Ahogy a hozzászólásodban láthatod, a tranzisztor típusa pontozással alá van húzva. Ha rákattintasz, feljön a HEStore oldalán az alkatrész, és az oldalán ott van .pdf -ben az adatlapja. Nagyon sok alkatrész adatlapját megtalálhatod a fórum fejlécében a katalógusokra kattintva
De ha nincs, a gugli a barátod, és megkeresi neked.
Ha a bázist az emitterrel összekötöd, a tranzisztornak le kell zárni. Így működik.
Az adatlapja megvan.
Olyan katalógusra gondoltam, amelyben több tranzisztor szerepel és különböző paramétereket megadva, kikereshetném amelyikre szükségem van.
Akkor, hogy kössem be, hogy a 12V-ot ki/bekapcsolhassam vele?
Először is a kapcoló tranzisztor emitterébe nem teheted a terhelésedet. Ez így egy emitterkövető kapcsolás, ami azt csinálja, hogy az emitterén mindíg kb. annyi a feszültség (a normális működési tartományban) mint a bázisán. Ezért az sohasem fog lezárni. Az emittert kösd földre, és a terhelést tedd a kollektor és a táp közé. Ha a terhelésednek egyik pontjának mindenáron földön kell lennie, akkor kell még egy tranzisztor, ellenkező polaritású, mint az első,és akkor annak a kollektorába teszed a terhelést, a föld felé. NPN -->PNP, vagy fordítva.
Közs anódú RGB LED szalagról van szó, a katódokat PWM-el hajtom.
Tehát csak a pozitív feszültséget kapcsolgathatom. Rajzot kérhetnék? Köszönöm!
http://www.hestore.hu/prod_10028507.html ez nem bírná, ha rákötném a pc-tápot??
Üdv, azt szeretném kérdezni , hogy van egy ledes kapcsolásom -alább linkelve- ehhez a kapcsolásomhoz van efy programom, ami balról/jobbról befele viszi a ledeket, találkoznak , és kimennek, és ezt ismétli.
Ehhez szeretnék csóvát csinálni, kondikkal, de nemtudom hova kell kötni a kondikat, és hogy ezzel eggyütt változik e a program? Köszi!
Ez a kapcsolás szerintem nem ok.
330 ohm ellenállást illik használni a ledekkel sorba, mert így túlterhelheted a kimeneteket a pic-en. Valamint kérdés, milyen ledeket használnál. Mert power ledek esetén kell tranyós végfok minden kimenetre. A csóva, ez gondolom a led lassú halványodása. Igen, kondi kell, ha lehet a végfok elé, mert akkor kis értékű is elég, értéke pedig próba során kiderül. Miért változna a program ettől? Üdv
A programot úgy írtam, hogy egszerre a PIC 1 ledet vezéreljen, és utána lekapcsol, ezt megcsinálja egy led 250* és utána megy tovább a következőre, ezért sem raktam bele ellenállást.
Amúgy sima led 2,2V 20mA
Köszönöm szépen!
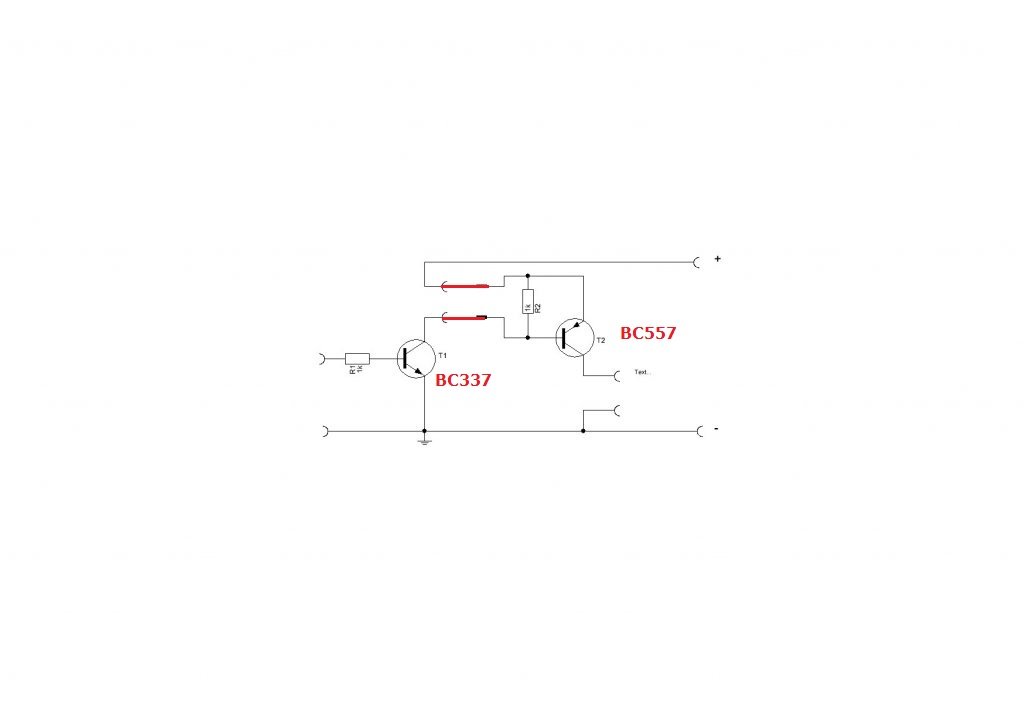
A fölső két pontot, hogy kellett volna bekötnöm? Pirossal behúztam, és odaírtam a tranzisztorok típusát. A BC337 túlmelegedett, szaga is volt. Aztán kivettem R2-t és kipróbáltam egy új tranzisztorral. Szaga nem volt, de az is nagyon felmelegedett. A 12V megjelent a BC557 kollektorán. Gyorsan kikapcsoltam az áramkört, mielőtt tönkremegy a BC337. Ez a melegedés normális? Elkéstem a kikapcsolással, ennek a tranzisztornak is annyi lett.
Én az ellenállás értékeket nem számoltam ki, csak rajzoltam egyet. Az 557 bázisába is kell tenned egy 1 kohm -os ellenállást sorba a bázissal. Ezt elfelejtettem. Bocs
Semmi gond, van még kettő
![]() Akkor az R2 kell? Hogyan tudom kiszámolni a méretét?
Köszi! Így már működik.
Tied a pont! ![]()
Erre nem goldoltam megfogadom a tanácsot. Mégegyszer köszi!
Sziasztok
Egy kis segítséget szeretnék kérni módélautó szervó irányításban mert amit interneten találtam nem működik egy áramkör jó lenne ami működik mert szeretném megnézni hogy eleve nem sikerült e elcseszni a szervót Köszi előre is
Szia! Itt a témája.
Az 1 k -val is csak 12 mA lett volna, azt bírnia kell. A baj az volt, hogy a 337 nek a kollektor ellenállása az 557 nyitott Bázis emitter diódája volt.
Ha egy akksira azt írják, hogy ezer töltést bír ki, akkor ezt úgy értelmezzem, hogy azután kezd csökkenni az élettartama?
Nem, a kapacitása fog tovább csökkenni.
![]()
Sziasztok !
Érdeklődnék hogy van olyan elektronikai elem/kapcsolás, ami bizonyos feszültség felett nyit ki ? Szóval nem olyan mint a zéner dióda, ami csak egy bizonyos feszültséget enged át, hanem mint mondjuk egy dióda, csak a nyitófeszültsége mondjuk 2-3 volt. Kösz !
Szia! Köthetsz sorba diódákat, használhatsz ilyet, vagy kísérletezhetsz a tranzisztorok lavinafeszültségével.
Sziasztok! Autókürt (duda) szereti a PC tápot? Van egy kis riasztó akkum, de le van merülve és töltő meg sehol..:/
|
Bejelentkezés
Hirdetés |