Fórum témák
» Több friss téma |
- Ez a felület kizárólag, az elektronikában kezdők kérdéseinek van fenntartva és nem elfelejtve, hogy hobbielektronika a fórumunk!
- Ami tehát azt jelenti, hogy a nagymama bevásárlását nem itt beszéljük meg, ill. ez nem üzenőfal! - Kerülendő az olyan kérdés, amit egy másik meglévő (több mint 17000 van), témában kellene kitárgyalni! - És végül büntetés terhe mellett kerülendő az MSN és egyéb szleng, a magyar helyesírás mellőzése, beleértve a mondateleji nagybetűket is!
hátt!!
én ide má köszönni sem merek, mert ki lesz moderálva! miféle diktatúra van itten? ha egy veszö, is a klímaszerelők ellen szól,akkor törlés? dehát ez a fórum éppen erről szólna, h nélkülük! és csináld magad!? na ennyi! lehet törölni ezt is! ))
Üdv!
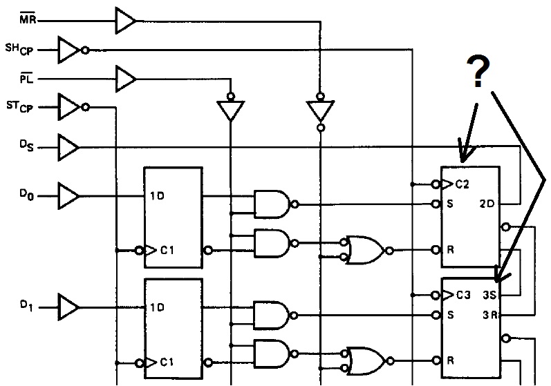
Idézet: „A felső egy kombinált flip-flop aszinkron R és S bemenetekkel, ill. negatív élvezérelt (szinkron) D bemenettel.” Ez lehet egy CD4027-es FF aminek a JK bemenetiből egy D bemenetet csinálunk? Idézet: „Az alsó egy aszinkron és szinkron (negatív élvezérelt) beírású SR flip-flop. (A 3S és 3R bemeneteket a C3 órajel kapuzza.)” És itt is a CD4027essel lehetne folytatni, csak annyi, hogy a JK-ból nem D bemenetet csinálunk, hanem egy shift regisztert valahogy így?: FF0 Q->J FF1 Q->J FF2 Q->J FF3... stb. FF0 Qn->K FF1 Qn->K FF2 Qn->K FF3... stb. CD4027-es adatlapja 5. old 4. ábra A FF adatlapján az 1. oldalon az első ábrán "Schematic and Connection Diagrams"-ban az a TG-s négyzet amibe az órajel és a negáltja megy bele az micsoda? SB
Heló!
Köszi a tippet, csak az a gondom,hogy nem biztos h elég lesz az 500mA, meg ráadásul még szét is kellene berhelnem egy ilyen bedobozoltat, mert egy másik házba akarnám beépíteni. De egyébként ha mégis kijövök 500mA-ből, akkor lehet érdemesebb lenne megpróbálni.
Üdv az lenne a kérdésem hogy ezt a ventilátort hogyan lehetne a leg egyszerűben meghajtani ?Bővebben: Link
Feketére bekötöd a negatívabb pólust (GND), pirosra a pozitívabbat (12V), és már működik is. A leírásnak meg nem kell hinni, egy buta ventilátor nem szabályoz semmit, és még önmagát sem.
Csak akkor marad ugyan annyi a hőmérséklet, ha hőfokszabályzós a fűtőegység (ami nem valószínű). Egyébként azért nő a hőmérséklet, mert a fűtőbetétre kapcsolódó feszültség effektív értéke jóval nagyobb lesz.
Szia
Köszönöm az ötletet. A pufferelést pontosan hogy érted kb milyen értékű kondival? Gondolom párhuzamosan kötve. és ezt hogy tudnám leszabályozni? Mert nekem olyan 190-220fok közötti értéket kéne elérnem. Előre is köszönöm.
A 4 huzalos ventik egy kulso TTL PWM jellel szabalyozhatoak. A csatlakozas (egyik vari) Fekete: GND, Piros: +12 Sarga: RPM Out, Kek TTL PWM In. Egy leiras. A szin jeloles nem ugyanaz. Egyszeruen egy 555 astabil 5 voltrol jaratva tudja vezerelni. Fontos hogy a vezerlo bemenet nem 12 voltos, hanem 5 voltos.
törölj mindent nyugodtan!, csak eleinte éreztem sérelmesnek!, de most már üzemszerűnek érzem, a diktatórikus cenzúrázásod! azon tipikus szánalmas emberek egyike lehetsz, akik végre hatalmat gyakorolhatnak valami felett és és visszavághatnak eddigi kis silány, sanyarú életük folytán vélt, vagy valós sérelmeik miatt! vagy klímaszerelő vagy sutyiban!? nekem teljesen mindegy! na! törölj tovább! és érezd a hatalom mámorító ízét!
) rövid az élet! használd ki a lehetőségeket! ha akarod még írok, h jó legyen, neked! ) a capslockom nem jó, de ez mellékes, a megértetés és megértés szintjén egy fórumon szerintem!? itt az információ csere lenne a lényeg és nem a helyesírás és egyebek! de, csak kötözködj nyugodtan!, h elhidd, magad is, h mégeggyel több okod, van, az írásaim kitörlésére! na! gyíí!!! )
Akkor rosszul mondtam ezek szerint? Ha emberünk a PWM bemenetre 5V DC -t tesz, akkor teljes fordulaton megy a ventilátor, amennyiben nem tévedek.
Azt viszont kitartóan állítóm, hogy a ventilátor semmit sem szabályoz. Egy vezérelt eszköz, aminek van visszajelző kimenete.
Szerintem 100µF elég oda, de 400V-os kell! Amúgy igen, párhuzamosan kötve (a fogyasztóval). Szabályozni nem fogod tudni, csak egyszer be tudod lőni úgy kb...
A kondenzátor értékének változtatásával lehet egy keveset változtatni a fűtés intenzitásán. Minél kisebb a kondi, annál kevesebb többlethez jutsz az elgondolással. De az alaphőmérsékletnél hidegebb biztosan nem lesz. Javaslom, hogy kis értékű kondenzátorral kezdj, és ha nem elég a hatás, akkor lassanként emeld a kapacitást. Ha nem találsz elektrolit kondit (400V-ost), akkor a motorindító vagy segédfázis kondenzátor is jó lehet, csak az meg nagyon nagy.
Lehet reklámozni is? Illetve nem egészen reklám. Ha valakit érdekel MŰKÖDŐ internetes pénzkeresési lehetőség keressen meg egy privát üzenettel. Ez nem az a fajta ahol havi 100.000-eket kínálnak a semmiér. Itt egy kb. fél órás munka elvégzése után jár egy kis plusz pénz. Ha valakit egy picit is érdekel annak küldök egy pár oldalas dokumentumot átolvassa és eldönti, hogy belevág-e.
Üdv.
Egy egyszerű kérdésem lenne, amit én sajnos nem tudok.. .Van nekem ez a dc-dc konverter kapcsolás, megvan minden alkatrész, most állok a nyák megtervezése elött, viszont gondban vagyok azzal, hogy mit is jelentenek azok a bizonyos GND-k. AGND, PGND. Az AGND-t kössem össze az AGND-vel,a PGND-t, a PGND-vel, vagy az összes GND lehet egy közös GND, és mehet erre a negatív?!?!? Kapcsolás a csatolt képen. Köszi előre is. ![]() Tomi
Szia!
Ez a különválasztás a megépített nyákos próbapanelnél van, ahol a "Power Ground" külön van vezetve a zavarérzékeny feszültségosztók földjétől. Adatlap
Megvolt már az adatlap. látom a szöveget is.."The C2, Q1 and R4 GND connections
should all be connected to a single ?Power Ground? plane to minimize any wiring inductance." Látom az alatta lévő nyák rajzot is a PDF-ben, és megnéztem, hogy össze van kötve mindegyik GND, de nem egy fóliára az egész, hanem a 2 GND csoport csak egy kis darabon "csatlakozik". Még egy kérdés... ![]() A shutdown lábbal mi a teendő? A pdf-ben szereplő szöveg szerint: "When the SHDN pin is tied low, the MCP1650/51/52/53 is off. When tied high, the MCP1650/51/52/53 will be enabled and begin boost operation as long as the input voltage is not below the UVLO threshold." Ezekszerint, ha a SHDN(shutdown) lábat a pozitívra kötöm, akkor engedélyezve lesz, bekapcsolva marad. Jól tudom? Félek, ha a SHDN-al nem csinálok semmit, várhatom örök életig, hogy bekapcsoljon. ![]() Köszi. Tomi
Azt kell ellenőrizned, hogyha sehova sem kötöd ezt a lábat, akkor mérhető-e rajta feszültség. Ha igen, akkor nagy valószínűséggel nem kell tápfeszültségre kötni a működés elindításához. De lehet, hogy az adatlapban találsz még valamilyen utalást a lekapcsoló láb feszültségigényével kapcsolatban, ami biztosabb információkkal szolgál.
A következő projektemhez szükségem lenne egy olyan kapcsolásra, amellyel egy PIC kimenettel vezérelhető módon egy (karos foglalatba tett) TTL IC valamely lábára vagy tápfeszültséget tudok kapcsolni (5V, max. 100mA), vagy pedig I/O lábként tudom használni azt a PIC egy másik kivezetésén keresztül. A "csillag.gif" képen vázoltam a fentieket. Jó-e erre a célra a *-gal jelölt doboz helyett a másik képen levő kapcsolás?
Rendben, köszönöm szépen még egyszer.
![]() Majd akkor kihagyom ezt a SHDN lábat, vezetékkel összekötöm majd a pozitívval, ha nem történik semmi, ami nem lesz könnyű, mert ez a chip kb. 5x5 mm-es, de nem adom fel. Igazából nem szeretem az "összekötöm" szót használni, mert mindig valami köteles dolog jut az eszembe, de máshogy nem tudom kifejezni.
Alapvetően jó lenne, egy apró kiegészítéssel: az I/O - kollektor - IC láb közös pontot egy ellenállással (47k ... 100k) lehúznám földre, hogy amikor a vezérlés inaktív, de az I/O bemenetként van konfigurálva, akkor az esetleg ugyancsak bemeneti IC láb mellett se lebegjen az a vonal.
Az összeköt nem jelent mást az elektronikában, mint galvanikus kapcsolatot teremteni két pont között. Szerintem teljesen jó kifejezés.
Helo!
valaki tudna mondani egy olyan diódát, ami 0,2 V-tól nyit?
Szia! Keress rá a germánium dióda szóra.
Sziasztok!
Az lenne a kérdésem hogy ha egy kapcsoló 220V-on 10A tud átengedni, akkor az 110V-on 20A? Tehát fordított arányban van vagy az áramerősség ilyen esetben nem duplázódik Köszi!
Köszi, el is felejtettem, hogy a germánium dióda nyit ilyen alacsony fesz.- nél.
Szia! Nem duplázódik. A teljesítmény számítással kevered talán.
Nem, az bármilyen feszültségen csak 10A-t tud, csak a max. biztonsáosan kapcsolható fesz. 220(230)V.
Vannak nagyon jófajta schottky diódák. PC tápban is találni elvétve olyant, ami 0,2V körül már nyit.
Sajnos nem mindig értékelik a gyorshajtást sem :lookaround:
|
Bejelentkezés
Hirdetés |




)) 
.








