Fórum témák
» Több friss téma |
- Ez a felület kizárólag, az elektronikában kezdők kérdéseinek van fenntartva és nem elfelejtve, hogy hobbielektronika a fórumunk!
- Ami tehát azt jelenti, hogy a nagymama bevásárlását nem itt beszéljük meg, ill. ez nem üzenőfal! - Kerülendő az olyan kérdés, amit egy másik meglévő (több mint 17000 van), témában kellene kitárgyalni! - És végül büntetés terhe mellett kerülendő az MSN és egyéb szleng, a magyar helyesírás mellőzése, beleértve a mondateleji nagybetűket is!
OK, bocsánat.
Jó tudni, hogy ilyenkor is fenn vagy
Micsoda ésszerű kérdés!..Szerinted, miért csináltam?
Megyek is aludni, mert lefárasztottál.. :wave:
Egy motor áramellátását szeretném szaggatni.
Ha nem mondok butaságot a motor ellenálása olyan 2 Ohm. (a multiméter mutatott mindent a végén mozgott 2 körül)
Tekercs ellenállását nem olyan egyszerű megmérni. Én is próbáltam számítógép velntillátor ellenállását mérni 700 Ohmot mutatott a multimeter viszont a ventire 12v 0.15A van írva ami 80 Ohm. Ha valaki elmagyázná, hogy mérünk tekercs ellenállását az jó lenne
* először nekem is 200-at mutatott utána hagytam hogy "kitombolja" magát és lement 1.-2 Ohm -ra.
Mellesleg motornál nem kell beszorozni a fázisok számával ?
Mivel hogy egyszerre nem megy az összes tekercsbe/fázis-ba áram. Vagy igen?
A számítógép ventillátor elektronikáját mérted!
Hello!
Valamit azért szeretnék tisztázni. A kezdő topikban vagyunk. A kész terv kivitelezése terén nem vagyok kezdő, de az áramkörök pontos működése terén igen. Sőt, nagyon. Én nagyon hálás vagyok, a hogy a probléma megoldása idejére "szárnyaid alá" vettél és ilyen sokat segítettél. Hálám jeléül az a minimum, hogy megbízok benned. Ez meg is történt, tegnap 6 órámba került, amíg elmentem alkatrészért, nyákot terveztem, elmentem fénymásoló szalonba sablont nyomtatni, lemarattam, kifúrtam, beültettem, mindezt a legnagyobb gonddal. Ma sem fog másképp történni, az új terveddel, újra megterveztem a nyákot, el fogok menni alkatrészért, stb... Viszont akármilyen rosszul is fog esni, részedről számítanék rá, hogy csak azért, hogy csendben maradjak, nem adsz egy olyan rajzot, amiről erősen sejthető (vagy akár tudható) előre, hogy nem fog kifogástalanul működni. Ez Neked sem jó, mert újra nyaggatni fognak, hogy nem működik és annak sem, akinek segítesz. Ismét megköszönöm, hogy segítettél és remélem, hogy a félreértésünk ellenére továbbra is normálisan tudunk társalogni!
Szia!
Valamit én is hagy írjak erről. Egy prototípus-áramkört, amit még esetleg soha nem építettek meg, nem végleges formában kell megépíteni. Ilyenkor még a légszerelés is elfogadható, persze ésszerű keretek között. Tehát amíg nem biztos, hogy a Te követelményeidnek megfelelően működik az áramkör, addig nem érdemes nyákot tervezni, fénymásolni, vasalni, stb... A legjobb ilyenkor egy univerzális nyákot venni, amire könnyen felépítheted a kapcsolást, amit aztán módosíthatsz is, ha kell. Próbanyák
Szia!
Köszönöm szépen a tippet! Valóban így lenne érdemes, csak nem szeretem többször forrasztani az alkatrészeket, ezért a biztosnak ítélt áramköröknél ezt inkább ki szoktam hagyni, bár erre is megoldás lehetne egy protoboard, csak épp elég drága
Egy ilyen protonyákot többször is felhasználhatsz, tehát idővel biztosan behozza az árát. Használj IC-foglalatot, tranzisztorfoglalatot (ami lehet IC-foglalt is). Válassz üvegszálas alapanyagút, mert arról nehezebben válik fel a rézfólia.
Sziasztok!
Tud valaki nekem egy olyan kapcsolást adni amiben hangerőt tudok szabályozni. Stereo-ban mono potival. DC hangerő szabályzó... Előre is kösz a segítséget.
Üdv mindenkinek.
Lenne 1 omnitronic p-500-as végfokom , meghalt az egyik oldala . ( Right) kicsit értek csak sajna hozzá ,vettem 1 multimétert de sok mindenre nem jutottam.kicseréltem 1-2 tranzit meg ellenállást de nem oldotta meg a problémát , szóval * * A hobbielektronika nem erről szól, vagy magad, a mi segítségünkkel megjavítod, vagy a Google a te barátod.
Szia!
Köszönöm! Valóban igaz, hogy többször felhasználható a próbanyák is, vissza fogok rá szokni, régebben csak azt használtam, amíg nem volt lehetőségem nyákot marni :pirul: Protoboard alatt ezt a típust értettem
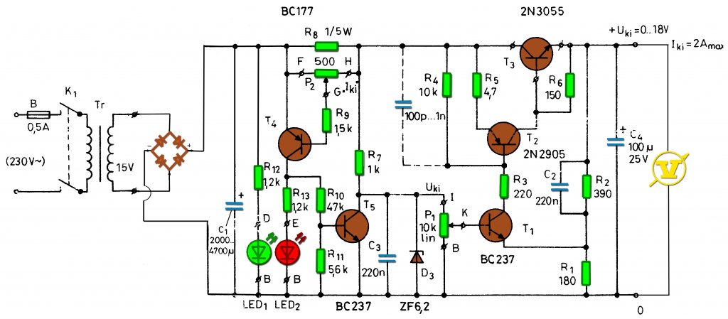
Udv mindenkinek ! Nem tudnatok valami otleteket , hogy tudnam ezt a kapcsolast atalakitani ahoz hogy lelehesen terhelni min. 5A -el / 40V . (A trafo az nem gond , beszerzem ) . Megkoszonnem nagyon szepen ha valaki be is rajzolna az atalkitasokat .
Van rá egy IC. Nem ugrik be a típusa, de a Hanszínszabályzós topicban megtalálod. tudja a hangerő, ballansz, magas és mélyszabályzást. Sőt még Loudnesst is
Ezt hanyagold. Építsd meg inkább Alkotó tápját. Labortáp topic.
Valaki volna olyan kedves és felvázolna nekem egy áramszaggatót?
5V 2.5A 10Hz
Üdv Mindenkinek!
Ne haragudjatok hogy itt teszem fel a kérdésemet! Egy nagyfényerősségű LED-et szeretnék meghajtani egy 3,7Voltos akksiról, a LED-en 3,6Voltnak kéne esnie és kb 2800mA-nek kéne átfolynia rajta. Nagyon hálás lennék ha valaki tudna ebben segíteni! Végignéztem sok LEDes fórumot de egyiken sem találtam ilyen típusú LED-hez való meghajtást.
Áh! Jó ötlet csak nekem akkora kellene ami befér a szobába
Konkrétan mit akarsz csinálni?
De en ezt szeretnem , mivel ez lessz a diploma munkam es csak ennyit mondtak hogy ezt csinaljam ugy hogy min 5 A - el lehessen leterhelni . Plsss segitsetek , arra gondoltam hogy meg tesszek egy 2N3055 -ot ( a 2db 2N3055 nek legyen egyforma a Betajuk ) meg az egessz BC lecserelni BD re .. Vagy nem tudom , valami otleteket ?
Szia!
Szerintem,nem bonyolult egy szimpla áramgenerátor megfelelő lesz szerintem,de javítsatok ki. Bővebben: Link A tranyókat cseréld ki valami izmosra ami bír 3A-t.Az ellenálást pedig méretezd igényed szerint.
A gond az, hogy a LED -et áramgenerátorral kell meghajtani. A rendelkezésre álló 0,1 V -nyi különbség pedig nem alkalmas arra, hogy bármilyen elektronikus áramgenerátort, vagy áramkorlátozó ellenállást használj. Ehhez, egy kapcsolóüzemű áramgenerátor szükséges, ami elvégzi a feszültség megemelését, és az áramkorlátozást is. A linkelt kapcsolásban is az áramgenerátor tranzisztorán nagyobb feszültségnek kellene tudni esnie, mint a nyitott tranzisztor maradékfeszültsége. Ez pedig a teljesítmény tranzisztoroknál 1,1 - 1,7 V körül szokott lenni.
Ha csak egyszerűen rákötöd ezt a power LED -et az akksira, az áramot nem korlátozza csak a LED ellenállása, először olyan nagy áram folyik, ami tönkreteheti mind az akkut mind a LED -et, utána pedig nem világít, mert ha a bekapcsolási sokkor túlélné is, az akku gyorsan lemerül.
Nekem sajnos nincs diplomám.
![]() Szerintem vedd elő Alkotó mester tápját. A legfrissebb verziót. Ahhoz készült egy nagyon alapos magyarázat is. Abból a kapcsolási rajzból meríthetsz olyan ismereteket, amellyel nem rendelkezel. Copy Pali. ![]() Félre a tréfával onnan ollózd ki az áteresztőtranzisztoros részt. Most megyek Schwalbét szerelni később segítek, ha tudok.
Tudok arról az Ic-ről valami LMxxx de nekem nem kell az a sok funkció+ anyagi okok szóval egy más megoldás kellene... Valami ötlet?
Na ideje hogy kifejtsem szépen!
---------------------------------------------- Valójában egy tekercs (elektromágnes) áramát szeretném szaggatni minimum 10 Hz-vel. De meggondoltam magam és tápnak egy álítható feszültségű 12 voltos 9 wattos 230-12-es trafót választottam. Ha valami adatra még szükség van csak írd!
Sziasztok!
3,5kW-os 3fázisú villanymotorhoz elég a 4x1,5mm2-es kábel? |
Bejelentkezés
Hirdetés |




Megyek is aludni, mert lefárasztottál.. :wave:






